Ока в Новосибирске

Клуб Окаводов Новосибирска
Текущее время: 24 фев 2026, 11:21

Часовой пояс: UTC + 7 часов




Начать новую тему Ответить на тему  [ Сообщений: 11898 ]  На страницу Пред.  1 ... 557, 558, 559, 560, 561, 562, 563 ... 595  След.

Актуальная статистика (не забывайте изменять статус!)
Собрал и буду собирать еще (соседу, свату, брату) 24%  24%  [ 57 ]
Собрал одно ЗУ 21%  21%  [ 49 ]
Уже собираю 28%  28%  [ 67 ]
Интересуюсь, размышляю - собирать или нет. Наверное буду. 26%  26%  [ 63 ]
Не буду собирать это устройство. 1%  1%  [ 3 ]
Всего голосов : 239
Автор Сообщение
СообщениеДобавлено: 02 окт 2021, 23:01 
Не в сети
Уже тут был(а)

Зарегистрирован: 23 фев 2021, 01:48
Сообщения: 24
Имя: Владимир
NuSen писал(а):
А что именно врет, верхний или нижний?

Нижнее показание 21.73 не верно.
Текст свернут
Вложение:
3.jpg
3.jpg [ 101.61 КБ | Просмотров: 6359 ]
Задано напряжение 1.6В, по мультиметру показания напряжения на клеммах 1.6В, ток 3.08А то же верно
На ХХ без нагрузки показания напряжения вверху и внизу совпадают и правильны


Последний раз редактировалось kvv2 22 окт 2021, 12:57, всего редактировалось 1 раз.

Вернуться к началу
 Профиль  
 
СообщениеДобавлено: 03 окт 2021, 03:50 
Не в сети
Заслуженный участник Клуба ЗУ-ОКА275

Зарегистрирован: 19 июл 2017, 00:16
Сообщения: 1022
Имя: Валерий
Похоже что корректор не правильно выставлен. Предлагаю сбросить все (зажать кнопку энкодера и включить зарядный в сеть) и перекалибровать все по новой. Корректор крутить нужно медленно, чтобы не пролететь через 0, иначе возможно переполнение переменной и некорректная работа, что произошло (возможно) в данном случае.


Вернуться к началу
 Профиль  
 
СообщениеДобавлено: 03 окт 2021, 13:04 
Не в сети
Site Admin
Аватара пользователя

Зарегистрирован: 10 апр 2007, 22:36
Сообщения: 11296
Откуда: Новосибирск, Дзержинский
Авто: ВАЗ-21043
Имя: Алексей
NuSen писал(а):
Корректор крутить нужно медленно, чтобы не пролететь через 0,

Вот это новость для меня. Пересмотрел весь код, покрутил с разной скоростью энкодер в данном режиме и пришел к выводу, что сие (переход через 0) невозможен.

Во-первых, в обработчике, что обслуживает поворота энкодера в режиме подстройки корректора режима БП в сторону его уменьшения, не обрабатываются флаги увеличения скорости вращения энкодера (всего существует три признака скорости вращения). Соответственно, бесконтрольного "перелёта" от скорости вращения быть не может никак.

Во-вторых, в том же самом обработчике стоит проверка этого "перелёта" и защита от него:

Код:
 if(--Ucompensation<1)Ucompensation=1;

Данная строка одновременно минусует содержимое переменной Ucompensation на единицу и одновременно проверяет её содержимое. И если оно достигло нуля, то поправляет 0 на 1, как раз не давая ему перейти через ноль. Таким образом содержимое Ucompensation никак не может опуститься ниже цифры 1, а если переменная и становится нулём, то всего лишь на считанные такты машинного времени (несколько микросекунд, при тактовой частоте 8мГц - именно на неё настраиваются фьюзы Атмега32). В прерываниях никаких вычислений, на которые бы влияла данная переменная, у меня не ведутся, а других возможностей выполнять задачи как бы параллельно основному процессу у атмега32 нет. Потому временное нулевое значение переменной Ucompensation не страшно. Тем более, что через несколько микросекунд оно станет равным 1 по условиям.

Вероятно существует совокупность случаев, которая выявляется в странной работе устройства и требует полного сброса EEPROM. Это я признаю, но причин этому я так и не нашел. Возможно, было бы не плохо иметь возможность сбрасывать не все переменные стразу, а лишь некоторые, которые отвечают за конкретный участок.

_________________

Поблагодарить автора:
Контакты:
Телеграмм: alexSh154
Вконтакте
Одноквассники
Instagram


Вернуться к началу
 Профиль  
 
СообщениеДобавлено: 03 окт 2021, 13:38 
Не в сети
Уже тут был(а)

Зарегистрирован: 23 фев 2021, 01:48
Сообщения: 24
Имя: Владимир
NuSen писал(а):
Похоже что корректор не правильно выставлен. Предлагаю сбросить все (зажать кнопку энкодера и включить зарядный в сеть) и перекалибровать все по новой. Корректор крутить нужно медленно, чтобы не пролететь через 0, иначе возможно переполнение переменной и некорректная работа, что произошло (возможно) в данном случае.

Крутил корректор по кругу. Минимум выставлял 0,00076, если дальше крутить энкодер в сторону уменьшения, то сразу появляется 0,99976.
Вечером попробую все сбросить и перенастроиться.

Но, остаются еще вопросы:
1. Пока ходишь по меню ЗУ, напряжение на выходе плавает в пределах4.5-5В. Входишь в режим блока питания, выходное напряжение становится равным заданному (если выставлено 1.3В, то соответственно 1.3В)
2. В режиме работы с АКБ не смог найти настройки, где можно выставить свои параметры заряда (каким током заряжать, до какого напряжения и т.д., как в видео у Алексея)


Вернуться к началу
 Профиль  
 
СообщениеДобавлено: 03 окт 2021, 13:48 
Не в сети
Site Admin
Аватара пользователя

Зарегистрирован: 10 апр 2007, 22:36
Сообщения: 11296
Откуда: Новосибирск, Дзержинский
Авто: ВАЗ-21043
Имя: Алексей
kvv2 писал(а):
Минимум выставлял 0,00076, если дальше крутить энкодер в сторону уменьшения, то сразу появляется 0,99976.

Тююю блин, о разных корректорах говорим.

_________________

Поблагодарить автора:
Контакты:
Телеграмм: alexSh154
Вконтакте
Одноквассники
Instagram


Вернуться к началу
 Профиль  
 
СообщениеДобавлено: 03 окт 2021, 15:09 
Не в сети
Заслуженный участник Клуба ЗУ-ОКА275

Зарегистрирован: 19 июл 2017, 00:16
Сообщения: 1022
Имя: Валерий
Алексей
Речь про корректор в калибровке. Медленно крутить чтобы не пролететь через ноль, имелось в виду то, что если быстро крутить, то пролетит через ноль, даже не заметишь и будешь накручивать дальше до уменьшения и это будет уже не то значение.
Нужно 00034, а если пролететь через ноль и крутить до уменьшения, будет минимальное типа 00070 или 00033 и тп. Чтобы установить 00034, это только через сброс.


Вернуться к началу
 Профиль  
 
СообщениеДобавлено: 03 окт 2021, 19:25 
Не в сети
Уже тут был(а)

Зарегистрирован: 23 фев 2021, 01:48
Сообщения: 24
Имя: Владимир
А по этим вопросам?
1. Пока ходишь по меню ЗУ, напряжение на выходе плавает в пределах4.5-5В. Входишь в режим блока питания, выходное напряжение становится равным заданному (если выставлено 1.3В, то соответственно 1.3В)
2. В режиме работы с АКБ не смог найти настройки, где можно выставить свои параметры заряда (каким током заряжать, до какого напряжения и т.д., как в видео у Алексея)


Вернуться к началу
 Профиль  
 
СообщениеДобавлено: 03 окт 2021, 20:13 
Не в сети
Заслуженный участник Клуба ЗУ-ОКА275

Зарегистрирован: 19 июл 2017, 00:16
Сообщения: 1022
Имя: Валерий
kvv2 писал(а):
1. Пока ходишь по меню ЗУ, напряжение на выходе плавает в пределах4.5-5В. Входишь в режим блока питания, выходное напряжение становится равным заданному (если выставлено 1.3В, то соответственно 1.3В)
Перемычка S2 установлена?
kvv2 писал(а):
2. В режиме работы с АКБ не смог найти настройки, где можно выставить свои параметры заряда (каким током заряжать, до какого напряжения и т.д., как в видео у Алексея)
Зайти в профиль и удерживать кнопку энкодера.


Вернуться к началу
 Профиль  
 
СообщениеДобавлено: 03 окт 2021, 21:12 
Не в сети
Уже тут был(а)

Зарегистрирован: 23 фев 2021, 01:48
Сообщения: 24
Имя: Владимир
Сбросил на заводские, перекалибровал, корректор потихоньку довел до 00034.
Все получилось! Напряжения, токи совпадают. Даже при заряде аккумулятора, напряжение показывает по факту, как на его клеммах!
Минимальное напряжение удалось настроить где-то около 1,7В.
При нагрузке за 4,5А начинает попискивать. Это допустимо или надо устранять этот писк?
Но это пока осталось:
"Пока ходишь по меню ЗУ, напряжение на выходе плавает в пределах4.5-5В. Входишь в режим блока питания, выходное напряжение становится равным заданному".
NuSen писал(а):
Перемычка S2 установлена?
Да, установлена.
NuSen писал(а):
Зайти в профиль и удерживать кнопку энкодера.
Да, с этим разобрался, спасибо.


Вернуться к началу
 Профиль  
 
СообщениеДобавлено: 03 окт 2021, 21:33 
Не в сети
Заслуженный участник Клуба ЗУ-ОКА275

Зарегистрирован: 19 июл 2017, 00:16
Сообщения: 1022
Имя: Валерий
kvv2 писал(а):
Но это пока осталось:
"Пока ходишь по меню ЗУ, напряжение на выходе плавает в пределах4.5-5В. Входишь в режим блока питания, выходное напряжение становится равным заданному".
Померь напряжение на 4 ноге TL494, что там во всех описанных режимах? Должно быть 5 вольт, только тогда, когда включаем выход бп (появляется стрелка на дисплее), там должно быть 0 вольт.

Если это не так, ищи косяки или неисправность этой цепи.


Вернуться к началу
 Профиль  
 
СообщениеДобавлено: 03 окт 2021, 21:54 
Не в сети
Уже тут был(а)

Зарегистрирован: 23 фев 2021, 01:48
Сообщения: 24
Имя: Владимир
NuSen писал(а):
Померь напряжение на 4 ноге TL494, что там во всех описанных режимах? Должно быть 5 вольт, только тогда, когда включаем выход бп (появляется стрелка на дисплее), там должно быть 0 вольт.

Если это не так, ищи косяки или неисправность этой цепи.
Хорошо, понял.

А то, что минимальное напряжение получилось 1,7В, это уже конструктив блока питания?

И, по поводу появления писка после 4,5А - допустимо, или есть возможность устранить?


Вернуться к началу
 Профиль  
 
СообщениеДобавлено: 03 окт 2021, 21:58 
Не в сети
Заслуженный участник Клуба ЗУ-ОКА275

Зарегистрирован: 19 июл 2017, 00:16
Сообщения: 1022
Имя: Валерий
Минимально 1,7 возможно из за неисправности цепи на 4 ногу TL494, если она есть.
Пищать не должно вообще ни на каких токах, нужно настраивать.


Вернуться к началу
 Профиль  
 
СообщениеДобавлено: 03 окт 2021, 22:13 
Не в сети
Уже тут был(а)

Зарегистрирован: 23 фев 2021, 01:48
Сообщения: 24
Имя: Владимир
NuSen писал(а):
Пищать не должно вообще ни на каких токах, нужно настраивать.
Здесь?
Текст свернут
Вложение:
писк.png
писк.png [ 41.41 КБ | Просмотров: 6328 ]


Последний раз редактировалось kvv2 22 окт 2021, 12:56, всего редактировалось 1 раз.

Вернуться к началу
 Профиль  
 
СообщениеДобавлено: 03 окт 2021, 22:36 
Не в сети
Заслуженный участник Клуба ЗУ-ОКА275

Зарегистрирован: 19 июл 2017, 00:16
Сообщения: 1022
Имя: Валерий
Да.
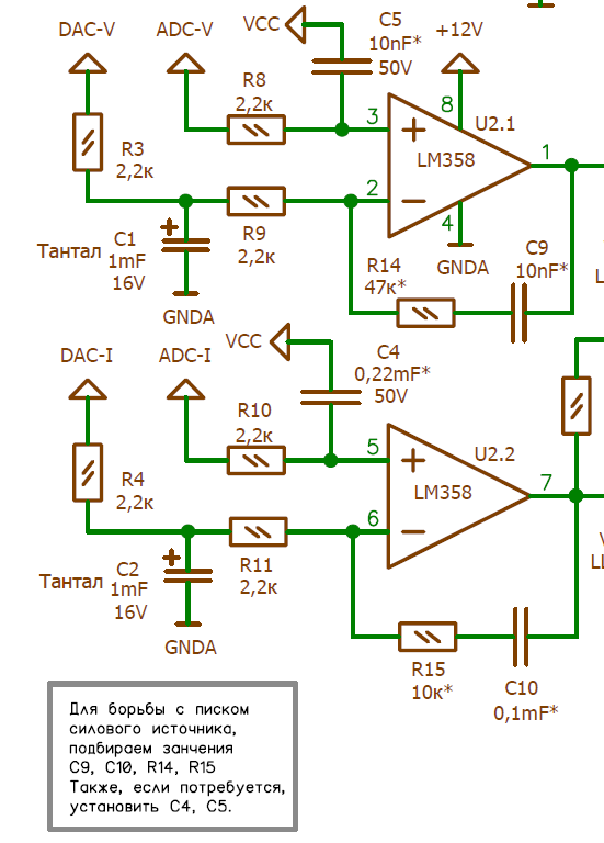
Я делал так, в режиме калибровки вольтметра (нагрузки на выходе нет), проходим по всему диапазону от 0 до максимального напряжения, писка не должно быть. Если есть, подбираем R14 и C9
В режиме калибровки амперметра, подключаем нагрузку и проходим по всему диапазону. Если пищит, то подбираем R15 и C10.

Если не помогает и писк все равно есть, ставим или подбираем конденсаторы C4 и C5

Потом еще раз повторяем все действия при необходимости.


Вернуться к началу
 Профиль  
 
СообщениеДобавлено: 03 окт 2021, 22:43 
Не в сети
Заслуженный участник Клуба ЗУ-ОКА275

Зарегистрирован: 19 июл 2017, 00:16
Сообщения: 1022
Имя: Валерий
Также, я не знаю какой ревизии печатная плата. Их было две, в первой стоял снаббер на выходе силового трансформатора. Если он есть, то его нужно выпаять, а R85 C56 и R86 C55 оставить.
Писк из за этого снаббера тоже может быть.

Изображение


Вернуться к началу
 Профиль  
 
СообщениеДобавлено: 04 окт 2021, 01:01 
Не в сети
Уже тут был(а)

Зарегистрирован: 23 фев 2021, 01:48
Сообщения: 24
Имя: Владимир
NuSen писал(а):
Также, я не знаю какой ревизии печатная плата. Их было две, в первой стоял снаббер на выходе силового трансформатора. Если он есть, то его нужно выпаять, а R85 C56 и R86 C55 оставить.
Писк из за этого снаббера тоже может быть.

Изображение
Снаббера R82 и С52 нет, только запаяны R85 C56 и R86 C55.

Буду пробовать подбирать R15, C10.
В диапазоне калибровки вольтметра писка не было.
C4, C5 запаяны у меня изначально.


Вернуться к началу
 Профиль  
 
СообщениеДобавлено: 04 окт 2021, 01:07 
Не в сети
Уже тут был(а)

Зарегистрирован: 23 фев 2021, 01:48
Сообщения: 24
Имя: Владимир
NuSen писал(а):
kvv2 писал(а):
Но это пока осталось:
"Пока ходишь по меню ЗУ, напряжение на выходе плавает в пределах4.5-5В. Входишь в режим блока питания, выходное напряжение становится равным заданному".
Померь напряжение на 4 ноге TL494, что там во всех описанных режимах? Должно быть 5 вольт, только тогда, когда включаем выход бп (появляется стрелка на дисплее), там должно быть 0 вольт.

Если это не так, ищи косяки или неисправность этой цепи.

При включении ЗУ, напряжение на 4 ноге TL494 4,36В, при входе в БП и включении выхода 0,005В


Вернуться к началу
 Профиль  
 
СообщениеДобавлено: 05 окт 2021, 00:43 
Не в сети
Уже тут был(а)

Зарегистрирован: 23 фев 2021, 01:48
Сообщения: 24
Имя: Владимир
NuSen писал(а):
Да.
Я делал так, в режиме калибровки вольтметра (нагрузки на выходе нет), проходим по всему диапазону от 0 до максимального напряжения, писка не должно быть. Если есть, подбираем R14 и C9
В режиме калибровки амперметра, подключаем нагрузку и проходим по всему диапазону. Если пищит, то подбираем R15 и C10.

Если не помогает и писк все равно есть, ставим или подбираем конденсаторы C4 и C5

Потом еще раз повторяем все действия при необходимости.
У меня получилось так:
R14 и C9 как в схеме, без изменений.
R15=6.8k, C10=220n
C4 и С5 - выпаял


Вернуться к началу
 Профиль  
 
СообщениеДобавлено: 05 окт 2021, 10:26 
Не в сети
Участник Клуба ЗУ-ОКА275

Зарегистрирован: 23 янв 2018, 13:06
Сообщения: 125
Откуда: новокузнецк
Авто: subaru xv
Имя: Александр
Всем доброго дня, давно не заходил на форум. Мужики, подскажите кто -нибудь перематывал тгр на версию 2,0?, если да, то подскажите где можно почитать. За ранее спасибо.


Вернуться к началу
 Профиль  
 
СообщениеДобавлено: 06 окт 2021, 20:55 
Не в сети
Уже тут был(а)

Зарегистрирован: 23 фев 2021, 01:48
Сообщения: 24
Имя: Владимир
Валерий, в Вашей схеме v2.0 какое назначение транзисторов VT5 и VT10 (для разряда выходных емкостей?)


Вернуться к началу
 Профиль  
 
Показать сообщения за:  Поле сортировки  
Начать новую тему Ответить на тему  [ Сообщений: 11898 ]  На страницу Пред.  1 ... 557, 558, 559, 560, 561, 562, 563 ... 595  След.

Часовой пояс: UTC + 7 часов


Кто сейчас на конференции

Сейчас этот форум просматривают: нет зарегистрированных пользователей и гости: 1


Вы не можете начинать темы
Вы не можете отвечать на сообщения
Вы не можете редактировать свои сообщения
Вы не можете удалять свои сообщения
Вы не можете добавлять вложения

Найти:
Перейти:  
cron
Powered by phpBB® Forum Software © phpBB Group
Русская поддержка phpBB