Ока в Новосибирске

Клуб Окаводов Новосибирска
Текущее время: 29 апр 2026, 23:54

Часовой пояс: UTC + 7 часов




Начать новую тему Ответить на тему  [ Сообщений: 11899 ]  На страницу Пред.  1 ... 468, 469, 470, 471, 472, 473, 474 ... 595  След.

Актуальная статистика (не забывайте изменять статус!)
Собрал и буду собирать еще (соседу, свату, брату) 24%  24%  [ 57 ]
Собрал одно ЗУ 21%  21%  [ 51 ]
Уже собираю 28%  28%  [ 66 ]
Интересуюсь, размышляю - собирать или нет. Наверное буду. 26%  26%  [ 63 ]
Не буду собирать это устройство. 1%  1%  [ 3 ]
Всего голосов : 240
Автор Сообщение
СообщениеДобавлено: 24 мар 2019, 05:09 
Не в сети
Заслуженный участник Клуба ЗУ-ОКА275

Зарегистрирован: 19 июл 2017, 00:16
Сообщения: 1022
Имя: Валерий
oka275 писал(а):
(почему она так реагирует - я это должен понять ярко)
Ярко я наверно не смогу объяснить, но если в двух словах. Заходим в калибровку вольтметра, установленное начальное напряжение равно нулю. Если в момент входа конденсатор был заряжен, то схема разряжает его до нуля. Если предположим, что при входе в калибровку вольтметра напряжение по дефолту устанавливалось например 5 вольт, то если конденсатор был заряжен до входа в калибровку, схема его разрядит уже не до нуля, а до 5 вольт.

То есть тут задействованы ADC2 и Разряд_С (8 выход DAC1 MCP4921).

Наверно достаточно, чтобы во время входа в калибровку амперметра, на 8 выходе DAC1 MCP4921 (Разряд_С) было 0 вольт. Как только конденсатор разрядился ADC2 = Разряд_С = 0, отключаем это и переводим схему в режим теста ограничения тока.

pereborka уточнит, если что.


Вернуться к началу
 Профиль  
 
СообщениеДобавлено: 25 мар 2019, 22:33 
Не в сети
Site Admin
Аватара пользователя

Зарегистрирован: 10 апр 2007, 22:36
Сообщения: 11263
Откуда: Новосибирск, Дзержинский
Авто: ВАЗ-21043
Имя: Алексей
coba57 Андрей прислал мне своё ЗУ, собранное по схеме NuSen v1.5. Сейчас не помню конкретно, но вроде по выше указанной проблеме, ну и плюс там еще есть кое-что. Попытки оказать помощь дистанционно на этот раз ни к чему не привели и потому ЗУ было прислано. Ну вот, какое-то время будет у меня на чем тестировать прошивки под данную версию схемы, что бы получить 100% совместимость. На недельке (или к выходным) постараюсь выдать какой нибудь результат.

_________________

Поблагодарить автора:
Контакты:
Телеграмм: alexSh154
Вконтакте
Одноквассники
Instagram


Вернуться к началу
 Профиль  
 
СообщениеДобавлено: 26 мар 2019, 00:59 
Не в сети
Заслуженный участник Клуба ЗУ-ОКА275

Зарегистрирован: 19 июл 2017, 00:16
Сообщения: 1022
Имя: Валерий
Алексей, раз уже зарядное у вас в руках, то если не трудно, уберите из прошивки неиспользуемый вольтметр с дисплея (тот что справа) в режимах калибровки вольтметров и корректоров. :)


Вернуться к началу
 Профиль  
 
СообщениеДобавлено: 26 мар 2019, 01:01 
Не в сети
Site Admin
Аватара пользователя

Зарегистрирован: 10 апр 2007, 22:36
Сообщения: 11263
Откуда: Новосибирск, Дзержинский
Авто: ВАЗ-21043
Имя: Алексей
NuSen писал(а):
уберите неиспользуемый вольтметр с дисплея (тот что справа) в режимах калибровки вольтметров и корректоров. :)

Во-во, это как раз в планах. Ну и проверить в чем КОНКРЕТНО клин при калибровке амперметра. Ваше пояснение совпадает с моим представлением, но хочу инструментального подтверждения и поиска механизма обхода/совместимости.

_________________

Поблагодарить автора:
Контакты:
Телеграмм: alexSh154
Вконтакте
Одноквассники
Instagram


Вернуться к началу
 Профиль  
 
СообщениеДобавлено: 26 мар 2019, 20:36 
Не в сети
Прочитал все 468 страниц ветки ЗУ!
Аватара пользователя

Зарегистрирован: 04 июл 2017, 20:04
Сообщения: 12
Откуда: Москва
Имя: Юрий
Всем привет!

Собираю второе ЗУ БП! Версия с шунтом *YAHOO*
Не успели придти платы по почте, уже почти закончил монтаж элементов и прошил крайнюю версию *DANCE*

Вячеславу спасибо за платы, качество как обычно на высоте!
Вот, только прошил и первое включение :)

P.S.
фото не добавляется... :(


Вернуться к началу
 Профиль  
 
СообщениеДобавлено: 26 мар 2019, 20:42 
Не в сети
Site Admin
Аватара пользователя

Зарегистрирован: 10 апр 2007, 22:36
Сообщения: 11263
Откуда: Новосибирск, Дзержинский
Авто: ВАЗ-21043
Имя: Алексей
sotn писал(а):
фото не добавляется... :(

может это поможет https://youtu.be/LM-ddtl-JmM

_________________

Поблагодарить автора:
Контакты:
Телеграмм: alexSh154
Вконтакте
Одноквассники
Instagram


Вернуться к началу
 Профиль  
 
СообщениеДобавлено: 26 мар 2019, 20:48 
Не в сети
Прочитал все 468 страниц ветки ЗУ!
Аватара пользователя

Зарегистрирован: 04 июл 2017, 20:04
Сообщения: 12
Откуда: Москва
Имя: Юрий
oka275 писал(а):
sotn писал(а):
фото не добавляется... :(

может это поможет https://youtu.be/LM-ddtl-JmM


А, я тупанул, размер не уменьшил...


Вложения:
Безымянный_photo-resizer.ru.png
Безымянный_photo-resizer.ru.png [ 912.95 КБ | Просмотров: 12381 ]
Вернуться к началу
 Профиль  
 
СообщениеДобавлено: 26 мар 2019, 20:50 
Не в сети
Site Admin
Аватара пользователя

Зарегистрирован: 10 апр 2007, 22:36
Сообщения: 11263
Откуда: Новосибирск, Дзержинский
Авто: ВАЗ-21043
Имя: Алексей
*THUMBS UP* *THUMBS UP* *THUMBS UP*

_________________

Поблагодарить автора:
Контакты:
Телеграмм: alexSh154
Вконтакте
Одноквассники
Instagram


Вернуться к началу
 Профиль  
 
СообщениеДобавлено: 26 мар 2019, 22:40 
Не в сети
Участник Клуба ЗУ-ОКА275

Зарегистрирован: 22 янв 2015, 12:27
Сообщения: 42
Имя: Михаил
Привет всем. Появилась проблемка: при включении заряда пишет Power Off и отсчет времени? Кто подскажет что обозначает это означает


Вернуться к началу
 Профиль  
 
СообщениеДобавлено: 26 мар 2019, 22:42 
Не в сети
Site Admin
Аватара пользователя

Зарегистрирован: 10 апр 2007, 22:36
Сообщения: 11263
Откуда: Новосибирск, Дзержинский
Авто: ВАЗ-21043
Имя: Алексей
Здравствуйте! Это означает, что надо посмотреть в ЧАВО viewtopic.php?f=21&t=1316#p27837
или сразу почитать форум отсюда viewtopic.php?f=21&t=1316&p=45927#p45927
похоже или напряжение 12.6в серьезно просело, или лог.единица не доходит до 35й ноги атмега32.

_________________

Поблагодарить автора:
Контакты:
Телеграмм: alexSh154
Вконтакте
Одноквассники
Instagram


Вернуться к началу
 Профиль  
 
СообщениеДобавлено: 26 мар 2019, 22:52 
Не в сети
Участник Клуба ЗУ-ОКА275

Зарегистрирован: 22 янв 2015, 12:27
Сообщения: 42
Имя: Михаил
Да, спасибо, я уже нашел описание. Сейчас буду разбираться.
У меня ЗУ по схеме NuSen и на 35 ноге сидит сигнал от контроля 220В. Где дальше смотреть?


Вернуться к началу
 Профиль  
 
СообщениеДобавлено: 26 мар 2019, 23:17 
Не в сети
Site Admin
Аватара пользователя

Зарегистрирован: 10 апр 2007, 22:36
Сообщения: 11263
Откуда: Новосибирск, Дзержинский
Авто: ВАЗ-21043
Имя: Алексей
Конечно на 35й ноге атмега32. Должно быть 5 вольт, ну или во всяком случае выше 2х вольт. Скорее всего оптрон пыхнул от перегрузки, или 220в не приходит.

_________________

Поблагодарить автора:
Контакты:
Телеграмм: alexSh154
Вконтакте
Одноквассники
Instagram


Вернуться к началу
 Профиль  
 
СообщениеДобавлено: 27 мар 2019, 00:15 
Не в сети
Участник Клуба ЗУ-ОКА275

Зарегистрирован: 22 янв 2015, 12:27
Сообщения: 42
Имя: Михаил
Так оно и есть! Оптрон мертвее мертвого. Замена решила проблемму. Спасибо Алексей за подсказку.


Вернуться к началу
 Профиль  
 
СообщениеДобавлено: 27 мар 2019, 01:55 
Не в сети
Site Admin
Аватара пользователя

Зарегистрирован: 10 апр 2007, 22:36
Сообщения: 11263
Откуда: Новосибирск, Дзержинский
Авто: ВАЗ-21043
Имя: Алексей
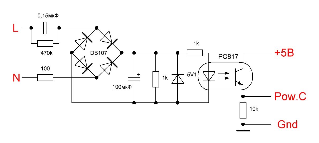
MihaM писал(а):
Так оно и есть! Оптрон мертвее мертвого. Замена решила проблемму. Спасибо Алексей за подсказку.

Вложение:
Контроль сети 220v.jpg
Контроль сети 220v.jpg [ 55.71 КБ | Просмотров: 12368 ]

Что-то сдается мне, что выбило его один раз - выбьет и второй. Какое напряжение на стабилитроне? Не плохо было бы аккуратно померить ток в цепи светодиода и сравнить с допустимым током в даташите. А то может быть нужно увеличить сопротивление 1 кОм в его аноде.

_________________

Поблагодарить автора:
Контакты:
Телеграмм: alexSh154
Вконтакте
Одноквассники
Instagram


Вернуться к началу
 Профиль  
 
СообщениеДобавлено: 27 мар 2019, 02:25 
Не в сети
Прочитал все 468 страниц ветки ЗУ!
Аватара пользователя

Зарегистрирован: 04 июл 2017, 20:04
Сообщения: 12
Откуда: Москва
Имя: Юрий
oka275 писал(а):
MihaM писал(а):
Так оно и есть! Оптрон мертвее мертвого. Замена решила проблемму. Спасибо Алексей за подсказку.

Вложение:
Контроль сети 220v.jpg

Что-то сдается мне, что выбило его один раз - выбьет и второй.

Была у меня партия 817-х, выходили из строя при пайке...


Вернуться к началу
 Профиль  
 
СообщениеДобавлено: 27 мар 2019, 03:13 
Не в сети
Новичок

Зарегистрирован: 27 мар 2019, 02:53
Сообщения: 7
Имя: Александр
Собрал и я ЗРУ, но вот столкнулся с такой проблемой, про переходе к калибровке амперметра или вольтметра, на выходе нет напряжения и следовательно тока, при вращении энкодера проценты меняются а на выходе 0. Но при переходе в меню ограничение тока, БП запускается, ток и напряжение регулируется. Тему читал около пол года назад, на стадии закупки необходимых компонентов, может забыл если уже у кого было подобное, пожалуйста, ткните носом.


Вернуться к началу
 Профиль  
 
СообщениеДобавлено: 27 мар 2019, 11:35 
Не в сети
Site Admin
Аватара пользователя

Зарегистрирован: 10 апр 2007, 22:36
Сообщения: 11263
Откуда: Новосибирск, Дзержинский
Авто: ВАЗ-21043
Имя: Алексей
Olesemko писал(а):
про переходе к калибровке амперметра или вольтметра, на выходе нет напряжения и следовательно тока, при вращении энкодера проценты меняются а на выходе 0. Но при переходе в меню ограничение тока, БП запускается, ток и напряжение регулируется.

Не понятно как в режиме калибровки ограничителя может регулироваться напряжение. Там только ток калибруется. Или устройство начинает работать нормально только после посещения этого пункта калибровки? Напишите пожалуйста подробней.

PS. В любом случае такого раньше не было и это какой-то очередной нонсенс.

_________________

Поблагодарить автора:
Контакты:
Телеграмм: alexSh154
Вконтакте
Одноквассники
Instagram


Вернуться к началу
 Профиль  
 
СообщениеДобавлено: 27 мар 2019, 16:34 
Не в сети
Новичок

Зарегистрирован: 27 мар 2019, 02:53
Сообщения: 7
Имя: Александр
oka275 писал(а):
Не понятно как в режиме калибровки ограничителя может регулироваться напряжение.

В меню ограничение тока, когда крутишь энкодер, меняется ток, и меняется напряжение на щупах.
oka275 писал(а):
Или устройство начинает работать нормально только после посещения этого пункта калибровки?

В режиме калибровки амперметра или вольтметра, нечего не происходит, только меняются проценты, на выходе 0. Не зависимо заходил ты до этого или нет в меню ограничителя.
oka275 писал(а):
PS. В любом случае такого раньше не было и это какой-то очередной нонсенс.
Согласен. Вчера целый день пытался понять в чем проблема.


Вернуться к началу
 Профиль  
 
СообщениеДобавлено: 27 мар 2019, 16:36 
Не в сети
Site Admin
Аватара пользователя

Зарегистрирован: 10 апр 2007, 22:36
Сообщения: 11263
Откуда: Новосибирск, Дзержинский
Авто: ВАЗ-21043
Имя: Алексей
А какая версия прошивки влита для атмега32? Я почти уверен, что ver1.07.006.хх или старее. Если это уже в ver1.07.007 или 1.08, то дайте мне пистолет с одним патроном. Иного ответа у меня пока нет.

_________________

Поблагодарить автора:
Контакты:
Телеграмм: alexSh154
Вконтакте
Одноквассники
Instagram


Вернуться к началу
 Профиль  
 
СообщениеДобавлено: 27 мар 2019, 18:52 
Не в сети
Заслуженный участник Клуба ЗУ-ОКА275

Зарегистрирован: 19 июл 2017, 00:16
Сообщения: 1022
Имя: Валерий
Olesemko
А реле щелкает во время калибровки амперметра или вольтметра?


Вернуться к началу
 Профиль  
 
Показать сообщения за:  Поле сортировки  
Начать новую тему Ответить на тему  [ Сообщений: 11899 ]  На страницу Пред.  1 ... 468, 469, 470, 471, 472, 473, 474 ... 595  След.

Часовой пояс: UTC + 7 часов


Кто сейчас на конференции

Сейчас этот форум просматривают: нет зарегистрированных пользователей и гости: 0


Вы не можете начинать темы
Вы не можете отвечать на сообщения
Вы не можете редактировать свои сообщения
Вы не можете удалять свои сообщения
Вы не можете добавлять вложения

Найти:
Перейти:  
cron
Powered by phpBB® Forum Software © phpBB Group
Русская поддержка phpBB