Ока в Новосибирске

Клуб Окаводов Новосибирска
Текущее время: 30 янв 2026, 07:02

Часовой пояс: UTC + 7 часов




Начать новую тему Ответить на тему  [ Сообщений: 1507 ]  На страницу Пред.  1 ... 25, 26, 27, 28, 29, 30, 31 ... 76  След.
Автор Сообщение
СообщениеДобавлено: 14 ноя 2016, 23:22 
Не в сети
Заслуженный участник Клуба ЗУ-ОКА275

Зарегистрирован: 14 мар 2014, 16:47
Сообщения: 596
Имя: Сергей
t56 Думаю разберетесь в схемах


Вложения:
iw-p300a2.gif
iw-p300a2.gif [ 76.29 КБ | Просмотров: 13316 ]
__RGB~1.GIF
__RGB~1.GIF [ 67.2 КБ | Просмотров: 13316 ]
Вернуться к началу
 Профиль  
 
СообщениеДобавлено: 15 ноя 2016, 01:46 
Не в сети
Заслуженный участник Клуба ЗУ-ОКА275
Аватара пользователя

Зарегистрирован: 14 окт 2016, 19:22
Сообщения: 42
Откуда: Екатеринбург
Авто: Ford Mondeo
Имя: Анатолий
serg1968-09
Большое спасибо Сергей за информацию. Наглядно и понятно.
У меня ещё вот такой вопрос. Вы ведь ушли от доработки существующих комповых БП и скомпоновали свой, "отдельно стоящий" блок.
Интересно было бы взглянуть на схему и печатную плату. "Ткните", пожалуйста в то место, где можно ознакомиться с вашей разработкой.
Я тут на досуге, как бы пришёл к тому, что может быть лучше так же как вы, Игорь(maliiv), SergeyVB и другие, сделать печатку и, потрошнув комповых доноров,
установить на неё(печатку) всё самое необходимое и радоваться полученному результату.

_________________
С уважением, Анатолий.


Вернуться к началу
 Профиль  
 
СообщениеДобавлено: 15 ноя 2016, 02:18 
Не в сети
Заслуженный участник Клуба ЗУ-ОКА275

Зарегистрирован: 14 мар 2014, 16:47
Сообщения: 596
Имя: Сергей
Печатка моя находится на первой странице,дублирую ее еще раз.Схему как таковую не рисовал,потому как,все детали маркированы на печатке и если честно сказать,лень рисовать и тратить на это время.Ведь все стандартное и собрано все по классическим схемам взятых из даташитов.Раньше,когда работал на предприятии,времени было намного больше,да и чего таить,можно было и в рабочее время заниматься своими делами.Сейчас,когда работаю сам на себя,времени совсем не хватает,приходится работать и в выходные дни чтобы не было завалов,да и меньше отрывают от работы клиенты.Но все равно стараюсь заниматься на отвлеченные темы,чтобы не терять навыков.


Вложения:
Силовой для З.У.lay6 [792.13 КБ]
Скачиваний: 461
Вернуться к началу
 Профиль  
 
СообщениеДобавлено: 15 ноя 2016, 20:11 
Не в сети
Заслуженный участник Клуба ЗУ-ОКА275
Аватара пользователя

Зарегистрирован: 14 окт 2016, 19:22
Сообщения: 42
Откуда: Екатеринбург
Авто: Ford Mondeo
Имя: Анатолий
Спасибо Сергей.
Буду работать с вашей информацией и продолжать собирать народное ЗУ от Алексея. Здоровья, удачи.

_________________
С уважением, Анатолий.


Вернуться к началу
 Профиль  
 
СообщениеДобавлено: 15 ноя 2016, 22:27 
Не в сети
Заслуженный участник Клуба ЗУ-ОКА275

Зарегистрирован: 14 мар 2014, 16:47
Сообщения: 596
Имя: Сергей
Спасибо,Анатолий.Вам так же,успеха в сборке,да и во всем.


Вернуться к началу
 Профиль  
 
СообщениеДобавлено: 18 ноя 2016, 03:25 
Не в сети
Участник Клуба ЗУ-ОКА275

Зарегистрирован: 18 ноя 2016, 03:16
Сообщения: 15
Имя: Максим
Здравствуйте. Долго искал достойную схему для повторения, хотел сделать на ATMega16, но меня не устроил принцип работы, наткнулся на схему Алексея на ATMega32. Возник вопрос по переделке БП. Имею: Microlab M-ATX-350W и схему к нему. В импульсниках не силен, до этого пытался переделывать АТХ БП, но попытки не увенчались успехом, два БП пыхнули и ушли в мир иной.
Перерыв много информации, переделал схему следующим образом:
Вложение:
Комментарий к файлу: Второй вариант защиты
31.jpg
31.jpg [ 292.52 КБ | Просмотров: 13246 ]
.
Скажите пожалуйста, все ли правильно сделано? Схему защиты по 16 ноге оставлять как в оригинале или переделать?


Вложения:
Комментарий к файлу: Первый вариант защиты
21.jpg
21.jpg [ 290.79 КБ | Просмотров: 13246 ]
Комментарий к файлу: Удалить детали
11.jpg
11.jpg [ 427.61 КБ | Просмотров: 13246 ]
Комментарий к файлу: Оригинальная схема
post-125782-0-15509100-1446585852.jpg
post-125782-0-15509100-1446585852.jpg [ 160 КБ | Просмотров: 13246 ]
Вернуться к началу
 Профиль  
 
СообщениеДобавлено: 18 ноя 2016, 04:53 
Не в сети
Заслуженный участник Клуба ЗУ-ОКА275

Зарегистрирован: 26 дек 2013, 22:29
Сообщения: 144
Откуда: Санкт-Петербург
Имя: Сергей
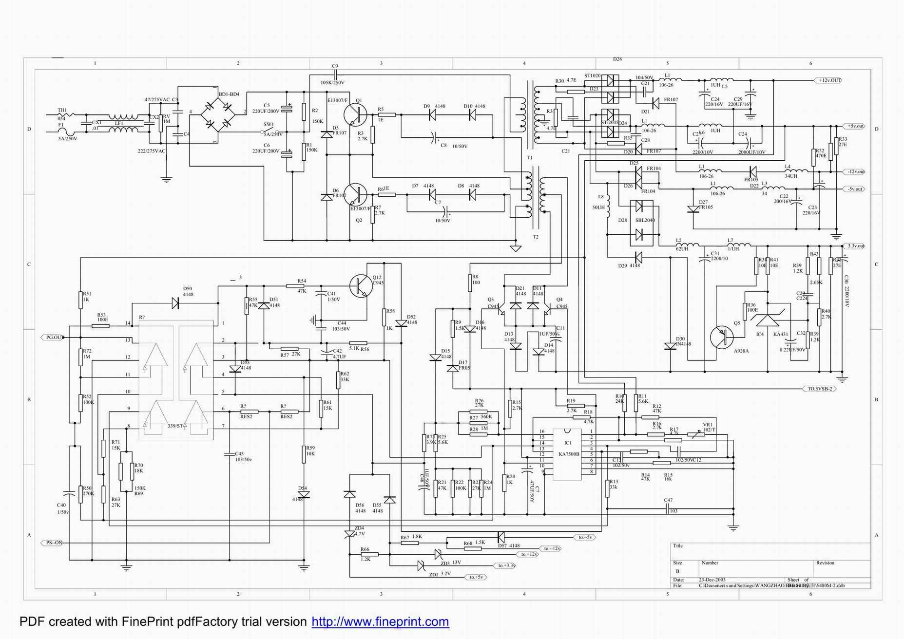
Здравствуйте, Максим!
Присоединяю схему доработанного ИБП, очень похожего на Ваш. Работает.
Успехов!


Вложения:
WINARD_450WA_доработанный.jpg
WINARD_450WA_доработанный.jpg [ 547.76 КБ | Просмотров: 13245 ]
Вернуться к началу
 Профиль  
 
СообщениеДобавлено: 18 ноя 2016, 15:50 
Не в сети
Новичок

Зарегистрирован: 14 ноя 2016, 17:43
Сообщения: 6
Откуда: Санкт-Петербург
Имя: Максим
День добрый! Принимайте в свои ряды!
И сразу с ламерскими вопросами, уж простите!
Писал в основной теме, но потом нашёл эту - более направленную именно на переделку ИБП и решил вопрос перенести.
Нашёл подходящего донора (Codegan 300xa), его схема на 95% схожа с этим
Изображение
Руководствуясь данной темой и описаниями Алексея, а так же хорошей статьёй https://www.drive2.ru/b/150956/?page=22 - приступил к переделке. Добавил входные фильтры на линии 220В деталями с другого БП (благо их как грязи), безжалостно выкинул всё, что относится к линиям -12В, 5В и 3.3В. На выходе получилось примерно что в файле diptrace. После чего преступил к пуско-наладке. Схема по сопряжению с платой управления была собрана частично (платы управления то нет ещё). Были запаяны резисторы R1, R2, R4, R5 (без полевика - тупо и ценично напрямую) и RV1. Была оставлена штатная защита на ногах 15 и 16.
При запуске защитная лампочка не подала признаков жизни и ничего не взорвалось - уже хорошо. На выходе положенные 13В, на ногах 8 и 11 TL-ки картинка при максимальном значении переменного резистора такая
Изображение
и при минимуме
Изображение
А вот дальше проблема - если дотронуться чем то металлическим до ножек 2 или 3, то схема начинает трещать и напряжение на выходе начинает просаживаться до 10В, а на ногах 8 и 11 начинается мельтешение сигнала (такое ощущение, что он на пол периода сдвигается и обратно с какой то частотой), если надо - могу сфотографировать. При закороченных ногах схема пытается стартовать и иногда даже это у неё получается с треском - на 12 ноге напряжение 7.8В и плавает (без перемычки там 11.8В).

Помогите новичку победить блок :cry: Из электроники познания только со школы остались, но школа была хорошая :D


Вложения:
Мой вариант.dch [222.39 КБ]
Скачиваний: 291
Вернуться к началу
 Профиль  
 
СообщениеДобавлено: 18 ноя 2016, 16:31 
Не в сети
Уже тут был(а)

Зарегистрирован: 05 окт 2015, 00:13
Сообщения: 20
Откуда: Тюмень
Авто: Крузер 80
Имя: Владимир
Linps писал(а):
Здравствуйте. Долго искал достойную схему для повторения, хотел сделать на ATMega16, но меня не устроил принцип работы, наткнулся на схему Алексея на ATMega32. Возник вопрос по переделке БП. Имею: Microlab M-ATX-350W и схему к нему. В импульсниках не силен, до этого пытался переделывать АТХ БП, но попытки не увенчались успехом, два БП пыхнули и ушли в мир иной.
Перерыв много информации, переделал схему следующим образом:
Вложение:
31.jpg
.
Скажите пожалуйста, все ли правильно сделано? Схему защиты по 16 ноге оставлять как в оригинале или переделать?

Все правильно за исключением питания шима. Для корректной работы должно быть от 12в и выше. У меня в одном блоке 16в а другом 23в. Так вот где 23в работает блок изумительно а где 16в пришлось повозиться с настройками.


Вернуться к началу
 Профиль  
 
СообщениеДобавлено: 18 ноя 2016, 17:17 
Не в сети
Новичок

Зарегистрирован: 14 ноя 2016, 17:43
Сообщения: 6
Откуда: Санкт-Петербург
Имя: Максим
Cruiser писал(а):
Все правильно за исключением питания шима. Для корректной работы должно быть от 12в и выше. У меня в одном блоке 16в а другом 23в. Так вот где 23в работает блок изумительно а где 16в пришлось повозиться с настройками.

Вроде ж TL494 по даташиту питание переваривает от 7 до 40 вольт! Может дежурка просто достаточный ток не может дать?


Вернуться к началу
 Профиль  
 
СообщениеДобавлено: 19 ноя 2016, 04:34 
Не в сети
Заслуженный участник Клуба ЗУ-ОКА275

Зарегистрирован: 26 дек 2013, 22:29
Сообщения: 144
Откуда: Санкт-Петербург
Имя: Сергей
scorp309, Linps
Здравствуйте!
Да TL494 может питаться напряжением от 7 В, но этого НАПРЯЖЕНИЯ (НЕ ТОКА) может быть недостаточно для "раскачки" ТГР-а.


Последний раз редактировалось SergeyVB 20 ноя 2016, 04:06, всего редактировалось 2 раз(а).

Вернуться к началу
 Профиль  
 
СообщениеДобавлено: 19 ноя 2016, 14:19 
Не в сети
Участник Клуба ЗУ-ОКА275
Аватара пользователя

Зарегистрирован: 02 июл 2016, 23:58
Сообщения: 138
Имя: Максим
Подскажите резистором в 1к в ИПБ какой параметр меняем. При замыкании ножек 2-14 ИПБ показал 19в, не шумел ни свистел только поднял до 25в (ба-бах) транзисторы не проверял, дорожки на коллекторах силовых транзисторов сгорели. Вот думаю может лучше больше витков на трансформатор намотать чтобы меньше резистор крутить.
На кольце никто не пробовал мотать силовой трансформатор. есть кольца 45х28х8 2000НМ хочу его использовать.


Вернуться к началу
 Профиль  
 
СообщениеДобавлено: 19 ноя 2016, 17:43 
Не в сети
Заслуженный участник Клуба ЗУ-ОКА275
Аватара пользователя

Зарегистрирован: 14 окт 2016, 19:22
Сообщения: 42
Откуда: Екатеринбург
Авто: Ford Mondeo
Имя: Анатолий
Приветствую всех в теме.
Так же хочется узнать мнение тех, кто обладает достаточно широкими познаниями по импульсным источникам питания.
Как вы относитесь к тем конструкциям ИИП, где вместо ТГР и силовых трансформаторов от компьютерных БП, применяют ферритовые кольца?
В сети достаточно схем, причём достаточно мощных и...работающих. Ведь намотать трансформатор на кольце гораздо проще, чем перематывать типовые от компа.
Да и к тому же, можно оперативно изменять количество витков, подбирая выходные напряжения. Что вы думаете на сей счёт?

_________________
С уважением, Анатолий.


Вернуться к началу
 Профиль  
 
СообщениеДобавлено: 19 ноя 2016, 23:03 
Не в сети
Участник Клуба ЗУ-ОКА275

Зарегистрирован: 18 ноя 2016, 03:16
Сообщения: 15
Имя: Максим
SergeyVB писал(а):
Здравствуйте, Максим!
Присоединяю схему доработанного ИБП, очень похожего на Ваш. Работает.
Успехов!

Спасибо, я сравню и попробую.
Cruiser писал(а):
Все правильно за исключением питания шима. Для корректной работы должно быть от 12в и выше. У меня в одном блоке 16в а другом 23в. Так вот где 23в работает блок изумительно а где 16в пришлось повозиться с настройками.

У меня на ШИМ по схеме подается 12в от дежурки. По даташитам этого вроде достаточно...? Схема дежурки на другом листе. На этой схеме подписан выход как раз идущий на 12 вольт дежурки.

Я так понял, по схеме из моего предыдущего поста можно делать переделку? Номиналы ставить, как я подписал красным цветом?
А подскажите по поводу второго вопроса, защиту по 16 ноге как организовывать? Как на 1 рисунке(переделанная, чуть упрощенная) или по 2 рисунку?


Вернуться к началу
 Профиль  
 
СообщениеДобавлено: 20 ноя 2016, 01:17 
Не в сети
Заслуженный участник Клуба ЗУ-ОКА275

Зарегистрирован: 14 мар 2014, 16:47
Сообщения: 596
Имя: Сергей
t56 Можно и на кольцах мотать.Но на отечественных кольцах мотать лучше,если блок работает на частоте 40-45 кГц,если частота выше,то лучше не стоит.Российские кольцо на частотах выше 40-45 кГц начинают греться.


Вернуться к началу
 Профиль  
 
СообщениеДобавлено: 20 ноя 2016, 01:48 
Не в сети
Заслуженный участник Клуба ЗУ-ОКА275
Аватара пользователя

Зарегистрирован: 14 окт 2016, 19:22
Сообщения: 42
Откуда: Екатеринбург
Авто: Ford Mondeo
Имя: Анатолий
Да Сергей, на отечественных. Ещё с 90-х годов новые лежат в достаточном количестве. Слеплю ЗУ и попробую поэкспериментировать с колечками.
Единственное но, кольца со временем теряют магнитную проницаемость и прежде чем что-либо пытаться сделать, нужно определить проницаемость.
Можно попробовать на импортных кольцах и сравнить параметры тех и других. А так, думается, всё должно работать.

_________________
С уважением, Анатолий.


Вернуться к началу
 Профиль  
 
СообщениеДобавлено: 20 ноя 2016, 02:32 
Не в сети
Заслуженный участник Клуба ЗУ-ОКА275

Зарегистрирован: 21 янв 2016, 05:33
Сообщения: 13
Авто: golfvi
Имя: Евгений
scorp309 писал(а):
Помогите новичку победить блок :cry: Из электроники познания только со школы остались, но школа была хорошая :D

попробуйте убрать лампочку :roll:


Вернуться к началу
 Профиль  
 
СообщениеДобавлено: 20 ноя 2016, 18:30 
Не в сети
Участник Клуба ЗУ-ОКА275
Аватара пользователя

Зарегистрирован: 02 июл 2016, 23:58
Сообщения: 138
Имя: Максим
Maksim9 писал(а):
Подскажите резистором в 1к в ИПБ какой параметр меняем. При замыкании ножек 2-14 ИПБ показал 19в, не шумел ни свистел только поднял до 25в (ба-бах) транзисторы не проверял, дорожки на коллекторах силовых транзисторов сгорели. Вот думаю может лучше больше витков на трансформатор намотать чтобы меньше резистор крутить.
На кольце никто не пробовал мотать силовой трансформатор. есть кольца 45х28х8 2000НМ хочу его использовать.

Намотал на кольце 45х28х8 2000НМ на 35 вольт 700 ватт частота работы 40кГц кольцо Российское, проверил с лампочкой, не свистит не гремит не греется. С разомкнутыми 2-14 ножками TL 494 9.7 вольт. При включении лампа на 60 ватт моргнет но не полностью тухнет, не знаю нормально это или нет. Может какой нибудь из выходных диодов неисправен.


Вложения:
20161120_172450_HDR.jpg
20161120_172450_HDR.jpg [ 124.32 КБ | Просмотров: 13136 ]
Вернуться к началу
 Профиль  
 
СообщениеДобавлено: 20 ноя 2016, 21:01 
Не в сети
Участник Клуба ЗУ-ОКА275
Аватара пользователя

Зарегистрирован: 02 июл 2016, 23:58
Сообщения: 138
Имя: Максим
Maksim9 писал(а):
Maksim9 писал(а):
Подскажите резистором в 1к в ИПБ какой параметр меняем. При замыкании ножек 2-14 ИПБ показал 19в, не шумел ни свистел только поднял до 25в (ба-бах) транзисторы не проверял, дорожки на коллекторах силовых транзисторов сгорели. Вот думаю может лучше больше витков на трансформатор намотать чтобы меньше резистор крутить.
На кольце никто не пробовал мотать силовой трансформатор. есть кольца 45х28х8 2000НМ хочу его использовать.

Намотал на кольце 45х28х8 2000НМ на 35 вольт 700 ватт частота работы 40кГц кольцо Российское, проверил с лампочкой, не свистит не гремит не греется. С разомкнутыми 2-14 ножками TL 494 9.7 вольт. При включении лампа на 60 ватт моргнет но не полностью тухнет, не знаю нормально это или нет. Может какой нибудь из выходных диодов неисправен.


Я тут тихо сам с собой))) проверил выходные диоды и один оказался неисправен заменил и лампа почти полностью погасла, еле видно.


Вернуться к началу
 Профиль  
 
СообщениеДобавлено: 20 ноя 2016, 23:08 
Не в сети
Новичок

Зарегистрирован: 14 ноя 2016, 17:43
Сообщения: 6
Откуда: Санкт-Петербург
Имя: Максим
mega_john писал(а):
попробуйте убрать лампочку :roll:

Так убирал!
Мне вообще кажется, что тл-ка померла (правда лампочка ни разу не загоралась). При холодном запуске блок стартует, напряжение на выходе даёт. Через пару-тройку минут начинается треск и привет. Стал осциллографом во все ноги тыкать - на 8 и 11 ногах постоянное напряжение в 2В торчит, на 5 пила то появляется, то пропадает. Очень похоже, что что то перегревается и перестаёт работать. Хотя все напряжения вроде в норме - дежурка 16В выдаёт, не проседает.


Вернуться к началу
 Профиль  
 
Показать сообщения за:  Поле сортировки  
Начать новую тему Ответить на тему  [ Сообщений: 1507 ]  На страницу Пред.  1 ... 25, 26, 27, 28, 29, 30, 31 ... 76  След.

Часовой пояс: UTC + 7 часов


Кто сейчас на конференции

Сейчас этот форум просматривают: нет зарегистрированных пользователей и гости: 0


Вы не можете начинать темы
Вы не можете отвечать на сообщения
Вы не можете редактировать свои сообщения
Вы не можете удалять свои сообщения
Вы не можете добавлять вложения

Найти:
Перейти:  
cron
Powered by phpBB® Forum Software © phpBB Group
Русская поддержка phpBB