Ока в Новосибирске

Клуб Окаводов Новосибирска
Текущее время: 29 янв 2026, 18:33

Часовой пояс: UTC + 7 часов




Начать новую тему Ответить на тему  [ Сообщений: 1507 ]  На страницу Пред.  1 ... 43, 44, 45, 46, 47, 48, 49 ... 76  След.
Автор Сообщение
СообщениеДобавлено: 15 мар 2019, 19:20 
Не в сети
Заслуженный участник Клуба ЗУ-ОКА275

Зарегистрирован: 19 июл 2017, 00:16
Сообщения: 1022
Имя: Валерий
Минимальное 0,119 вольт, максимальное 24,97 вольт.


Вернуться к началу
 Профиль  
 
СообщениеДобавлено: 26 мар 2019, 20:11 
Не в сети
Уже тут был(а)

Зарегистрирован: 13 фев 2013, 14:47
Сообщения: 14
Авто: Нива Легенд 4х4
Имя: Farhad
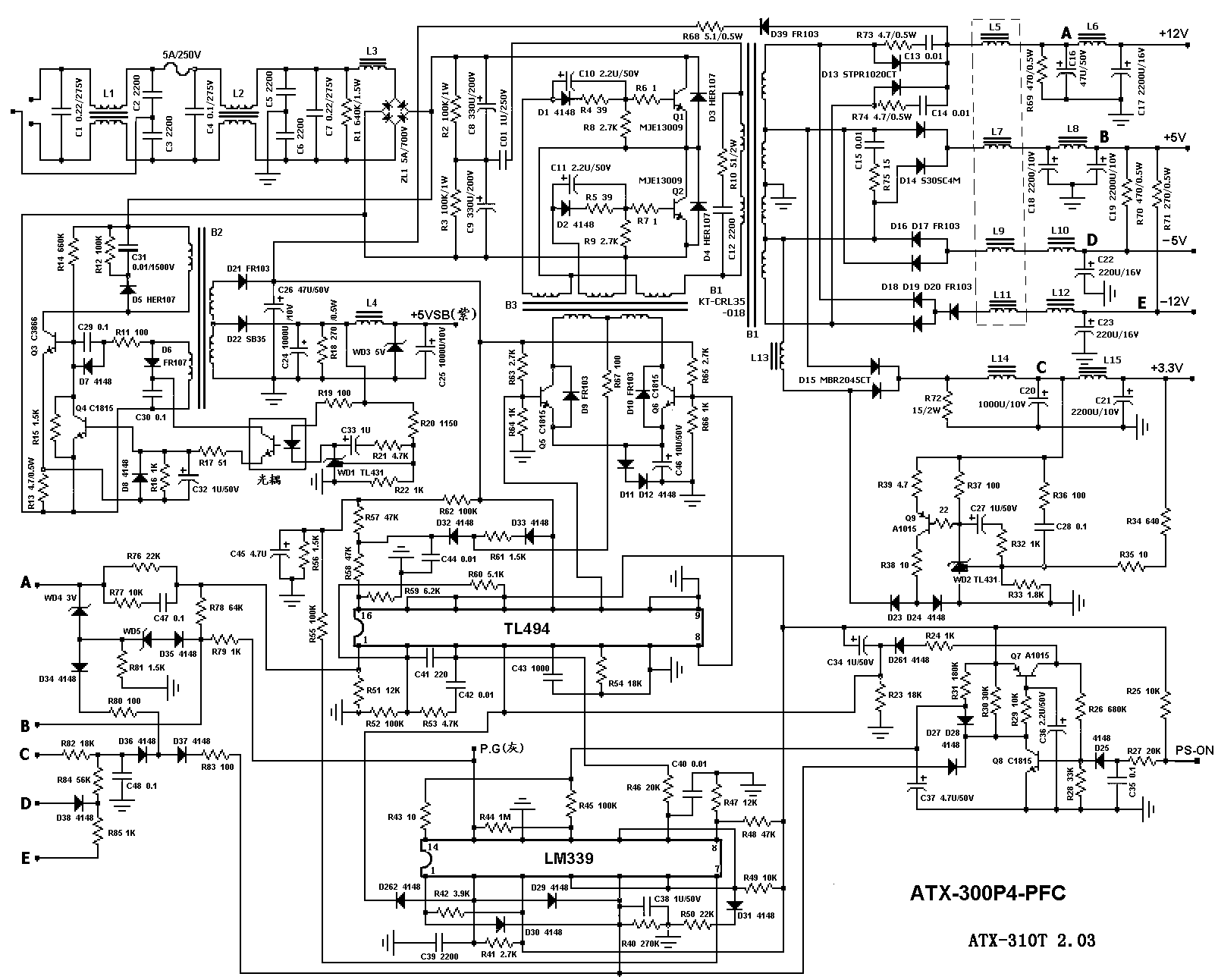
Здравствуйте Всем!
Уважаемые форумчане, нужна Ваша помощь по переделке данного БП , подскажите пожалуйста что надо выпаять ?
Заранее спасибо!


Вложения:
s_atx01ae.png
s_atx01ae.png [ 27.42 КБ | Просмотров: 11438 ]
Вернуться к началу
 Профиль  
 
СообщениеДобавлено: 26 мар 2019, 21:58 
Не в сети
Site Admin
Аватара пользователя

Зарегистрирован: 10 апр 2007, 22:36
Сообщения: 11296
Откуда: Новосибирск, Дзержинский
Авто: ВАЗ-21043
Имя: Алексей
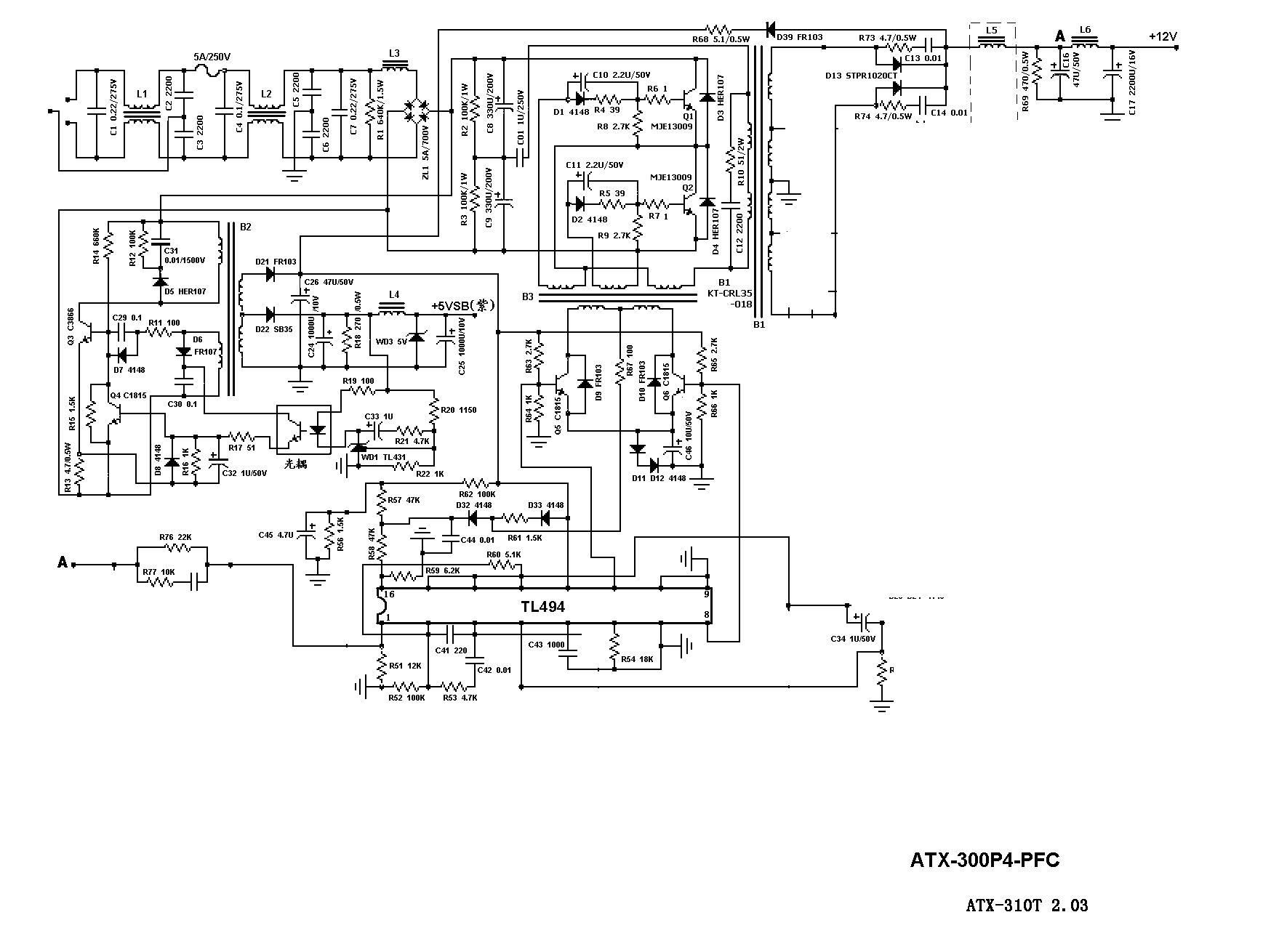
Вроде ничего не упустил и не удалил лишнего.


Вложения:
atx-300p4-pfc_edit.png
atx-300p4-pfc_edit.png [ 55.86 КБ | Просмотров: 11433 ]

_________________

Поблагодарить автора:
Контакты:
Телеграмм: alexSh154
Вконтакте
Одноквассники
Instagram
Вернуться к началу
 Профиль  
 
СообщениеДобавлено: 27 мар 2019, 02:21 
Не в сети
Прочитал все 468 страниц ветки ЗУ!
Аватара пользователя

Зарегистрирован: 04 июл 2017, 20:04
Сообщения: 12
Откуда: Москва
Имя: Юрий
oka275 писал(а):
Вроде ничего не упустил и не удалил лишнего.


Диод D39 и сопротивление R68 я бы удалил


Вернуться к началу
 Профиль  
 
СообщениеДобавлено: 27 мар 2019, 02:24 
Не в сети
Site Admin
Аватара пользователя

Зарегистрирован: 10 апр 2007, 22:36
Сообщения: 11296
Откуда: Новосибирск, Дзержинский
Авто: ВАЗ-21043
Имя: Алексей
sotn писал(а):
Диод D39 и сопротивление R68 я бы удалил

Думал про это. Спорно. Если будут проблемы, то можно и удалить (потом).

_________________

Поблагодарить автора:
Контакты:
Телеграмм: alexSh154
Вконтакте
Одноквассники
Instagram


Вернуться к началу
 Профиль  
 
СообщениеДобавлено: 27 мар 2019, 13:01 
Не в сети
Уже тут был(а)

Зарегистрирован: 13 фев 2013, 14:47
Сообщения: 14
Авто: Нива Легенд 4х4
Имя: Farhad
Спасибо за ответы, буду пробовать.


Вернуться к началу
 Профиль  
 
СообщениеДобавлено: 04 июл 2019, 18:36 
Не в сети
Уже был(а) и не раз

Зарегистрирован: 02 мар 2019, 23:24
Сообщения: 41
Откуда: Нижний Новгород
Имя: Сергей
Добрый день, вопрос по фазировке ТГР. Выходные обмотки с ТГР на разных схемах по разному, есть где оба начала или оба конца обмоток идут на базы силовых транзисторов, есть где в противофазе. Управление у всех 494, почему так ? Еще стартовая, началом к силовому трансу или концом ? На картинках подписал, все отрывки схем из этой темы. Первая картинка донор NuSen.


Вложения:
Комментарий к файлу: начало и конец к базам, начало стартовой к силовому трансу...
Схема_донор_Octek X25d AP_3_1.gif
Схема_донор_Octek X25d AP_3_1.gif [ 24.5 КБ | Просмотров: 11050 ]
Комментарий к файлу: оба конца к базам, начало стартовой к силовому трансу...
ИПБ.jpg
ИПБ.jpg [ 66.55 КБ | Просмотров: 11050 ]
Комментарий к файлу: начало и конец к базам, конец стартовой к силовому трансу...
350W_ShenZhon.png
350W_ShenZhon.png [ 14.21 КБ | Просмотров: 11050 ]
Комментарий к файлу: оба начала к базам, конец стартовой к силовому трансу...
atx_schema_30v_2008_01.jpg
atx_schema_30v_2008_01.jpg [ 75.34 КБ | Просмотров: 11050 ]
Вернуться к началу
 Профиль  
 
СообщениеДобавлено: 06 июл 2019, 17:45 
Не в сети
Уже был(а) и не раз

Зарегистрирован: 02 мар 2019, 23:24
Сообщения: 41
Откуда: Нижний Новгород
Имя: Сергей
И все-таки, как правильно должны подключаться вторичные обмотки ТГР к базам силовых транзисторов ?
1. Обоими началами или обоими концами обмоток. (картинка 4 и картинка 2 соответственно, предыдущий пост)
2. Началом одной и концом другой обмоток. (картинка 1 и картинка 3, пред. пост)
И как правильно подключается стартовая обмотка - началом к силовому трансу или концом ? (картинка 1 и картинка 3, пред пост)


Вернуться к началу
 Профиль  
 
СообщениеДобавлено: 07 июл 2019, 01:10 
Не в сети
Постоянец

Зарегистрирован: 11 ноя 2014, 18:10
Сообщения: 151
Откуда: Новосибирск
Авто: nissan patrol
Имя: Константин
На базы обмотки должны однозначно подключаться в противофазе, иначе они (транзисторы) откроются одновременно и испустят дух в виде дыма, по поводу пусковой , в общем по третьей картинке надо делать.


Вернуться к началу
 Профиль  
 
СообщениеДобавлено: 07 июл 2019, 02:58 
Не в сети
Уже был(а) и не раз

Зарегистрирован: 02 мар 2019, 23:24
Сообщения: 41
Откуда: Нижний Новгород
Имя: Сергей
Спасибо, вот тоже к третьей картинке склоняюсь, просто пока тему читал...???, а по стартовой смутила схема 1-ой картинки. Собираю БП по печати NuSen 1.5, пока вых. транзисторы не запаивал, то есть выходы ТГР висят в воздухе(точнее притянуты через 2.7к к минусу и через диоды к плюсу).
Не нравится осцилограма, на коллекторах 817 транзисторов(первичная обмотка ТГР), там просто иголки размахом до 35 Вольт, хотя питание подаю только 12 вольт(шим + ТГР). В базах этих транзисторов осцила замечательная.
Пробовал вместо 1.5к с средней ноги транса - подстроечник, меняется только высота(амплитуда) иголок. Думаю что ТГР слишком мощный, в первичке 28+28 витков, может увеличить до 35, вот и спрашиваю начало, конец как правильно.


Вернуться к началу
 Профиль  
 
СообщениеДобавлено: 21 авг 2019, 17:04 
Не в сети
Постоянец

Зарегистрирован: 30 янв 2014, 03:36
Сообщения: 238
Откуда: Таганрог
Авто: Accent
Имя: Алексей
Ух. Привет всем)) давно я сюда не заходил)) Алексею отдельный привет! Здоровья и счастья всем! *DRINK*
Возник вопрос: понадобилось мне 50 вольт и 10-15А, можно ли получить с помощью ПУ такие характеристики? БП найду на али на TL. Спасибо.


Вернуться к началу
 Профиль  
 
СообщениеДобавлено: 21 авг 2019, 20:50 
Не в сети
Site Admin
Аватара пользователя

Зарегистрирован: 10 апр 2007, 22:36
Сообщения: 11296
Откуда: Новосибирск, Дзержинский
Авто: ВАЗ-21043
Имя: Алексей
Дратути ))
Да хоть 200 вольт. Думаю, что переполнения регистров не случится (на сколько сейчас помню устройство прошивки).
Только чем больше диапазон выходного напряжения, тем хуже будет точность установки напряжения. Ну, дискретность будет выше. В прочем, в варианте схемы от NuSen/Pereborka она достаточно точная. Так что этого запаса точности должно хватить для приемлемого обращения с прибором при повышенных напряжениях.
Единственное что придется рассчитать заново - резистивные делители вольтметра(ов). Расчет надо производить по формуле: (Uмакс+20% запас) на входе в делитель и максимум 5в на выходе после него. То есть максимальное напряжение 50в + 20% запаса = 60в на входе в делитель и на выходе не более 5в.

пример:
Вложение:
img-2019-08-21-20-49-30.png
img-2019-08-21-20-49-30.png [ 18.13 КБ | Просмотров: 10805 ]

калькулятор находится тут http://cxem.net/calc/divider_calc.php
PS. Вариант наверное подходит к моей схеме и схеме Вячеслав1. У NuSen/Pereborka там вроде своя методика (есть описание в их архиве схем)

_________________

Поблагодарить автора:
Контакты:
Телеграмм: alexSh154
Вконтакте
Одноквассники
Instagram


Последний раз редактировалось oka275 21 авг 2019, 20:54, всего редактировалось 1 раз.
Да, еще резистор разрядный на выход силового БП поставить побольше сопротивлением (ом наверное 300-400), а то при 50 вольтах и 100 омах это будет кипятильник


Вернуться к началу
 Профиль  
 
СообщениеДобавлено: 22 авг 2019, 15:45 
Не в сети
Постоянец

Зарегистрирован: 30 янв 2014, 03:36
Сообщения: 238
Откуда: Таганрог
Авто: Accent
Имя: Алексей
Спасибо Алексей!


Вернуться к началу
 Профиль  
 
СообщениеДобавлено: 26 авг 2019, 18:53 
Не в сети
Новичок

Зарегистрирован: 27 ноя 2018, 00:45
Сообщения: 8
Откуда: Могилев РБ
Имя: Геннадий
Приветствую всех! Подхожу к концу сборки этого замечательного ЗУ и встал вопрос выбора БП на Али, отсюда вопрос: есть ли смысл переплатить за БП с выходом 13,5 В (для теоретической возможности схемы регулировки в более широком диапазоне U) https://ru.aliexpress.com/item/65552296 ... b95f269f23 , или не заморачиваться и брать обычный https://ru.aliexpress.com/item/32621337 ... 2e0eIpSVUy на 12 В?


Вернуться к началу
 Профиль  
 
СообщениеДобавлено: 26 авг 2019, 20:24 
Не в сети
Site Admin
Аватара пользователя

Зарегистрирован: 10 апр 2007, 22:36
Сообщения: 11296
Откуда: Новосибирск, Дзержинский
Авто: ВАЗ-21043
Имя: Алексей
главное, что бы он был на основе TL494 или КА7900 (аналог). Другие не пойдут без добработок, схем которых практически нет.

_________________

Поблагодарить автора:
Контакты:
Телеграмм: alexSh154
Вконтакте
Одноквассники
Instagram


Вернуться к началу
 Профиль  
 
СообщениеДобавлено: 26 авг 2019, 21:16 
Не в сети
Новичок

Зарегистрирован: 27 ноя 2018, 00:45
Сообщения: 8
Откуда: Могилев РБ
Имя: Геннадий
oka275 писал(а):
главное, что бы он был на основе TL494 или КА7900 (аналог). Другие не пойдут без добработок, схем которых практически нет.

Да, с этим понятно, они оба на 7500, просто подумал, может на 13,5В будет работать более устойчивей (в плане писков и пр.)


Вернуться к началу
 Профиль  
 
СообщениеДобавлено: 26 авг 2019, 21:22 
Не в сети
Site Admin
Аватара пользователя

Зарегистрирован: 10 апр 2007, 22:36
Сообщения: 11296
Откуда: Новосибирск, Дзержинский
Авто: ВАЗ-21043
Имя: Алексей
Абсолютно непредсказуемо.

_________________

Поблагодарить автора:
Контакты:
Телеграмм: alexSh154
Вконтакте
Одноквассники
Instagram


Вернуться к началу
 Профиль  
 
СообщениеДобавлено: 27 авг 2019, 03:07 
Не в сети
Новичок

Зарегистрирован: 27 ноя 2018, 00:45
Сообщения: 8
Откуда: Могилев РБ
Имя: Геннадий
спасибо за ответы!


Вернуться к началу
 Профиль  
 
СообщениеДобавлено: 27 авг 2019, 10:35 
Не в сети
Site Admin
Аватара пользователя

Зарегистрирован: 10 апр 2007, 22:36
Сообщения: 11296
Откуда: Новосибирск, Дзержинский
Авто: ВАЗ-21043
Имя: Алексей
oka275 писал(а):
Абсолютно непредсказуемо.

И я бы еще добавил, что иногда человек сам является причиной этих писков/возбудов. Вернее, его ошибочные действия к этому приводят.

_________________

Поблагодарить автора:
Контакты:
Телеграмм: alexSh154
Вконтакте
Одноквассники
Instagram


Вернуться к началу
 Профиль  
 
СообщениеДобавлено: 13 сен 2019, 04:49 
Не в сети
Новичок

Зарегистрирован: 28 апр 2014, 02:01
Сообщения: 5
Имя: Дмитрий
доброго времени суток, собираюсь собрать данное устройство.
силовой блок будет такой где-то на просторах этого форума нашёл ИБП [urlnew=]http://www.oka-nsk.ru/forum/viewtopic.php?f=21&t=1734&start=100#p40254[/urlnew]силовой буду собирать по этой плате, правда на MJE13007 расчет по программе старичка вторичка 24в на ток 10а трр ER35/21/11 расчет на 50гц, а управу отNuSen в версии1,4 что посоветуете?
не получается вставмть LAI файлы и картинки с копьюттера :( меня интересуют сенбернары перед силовым трансформатором и выходными диодами.


Вернуться к началу
 Профиль  
 
Показать сообщения за:  Поле сортировки  
Начать новую тему Ответить на тему  [ Сообщений: 1507 ]  На страницу Пред.  1 ... 43, 44, 45, 46, 47, 48, 49 ... 76  След.

Часовой пояс: UTC + 7 часов


Кто сейчас на конференции

Сейчас этот форум просматривают: нет зарегистрированных пользователей и гости: 2


Вы не можете начинать темы
Вы не можете отвечать на сообщения
Вы не можете редактировать свои сообщения
Вы не можете удалять свои сообщения
Вы не можете добавлять вложения

Найти:
Перейти:  
cron
Powered by phpBB® Forum Software © phpBB Group
Русская поддержка phpBB