Ока в Новосибирске

Клуб Окаводов Новосибирска
Текущее время: 31 дек 2025, 14:11

Часовой пояс: UTC + 7 часов




Начать новую тему Ответить на тему  [ Сообщений: 274 ]  На страницу Пред.  1 ... 10, 11, 12, 13, 14  След.
Автор Сообщение
 Заголовок сообщения: Re: Галерея ЗУ + корпуса
СообщениеДобавлено: 26 мар 2019, 20:50 
Не в сети
Прочитал все 468 страниц ветки ЗУ!
Аватара пользователя

Зарегистрирован: 04 июл 2017, 20:04
Сообщения: 12
Откуда: Москва
Имя: Юрий
oka275 писал(а):
https://vk.com/zu_oka275
пожалуйста )) Но я пока не выкладывал Ваши фотографии.
Кстати, ссылка на нее должна быть где то на 1й странице. Надо будет проверить..


Спасибо!
Я не из-за своих фото. Я не зареген в ВК, вернее удалился, а ссылку в группу не видел.
Теперь есть :)


Вернуться к началу
 Профиль  
 
 Заголовок сообщения: Re: Галерея ЗУ + корпуса
СообщениеДобавлено: 18 апр 2019, 20:13 
Не в сети
Заслуженный участник Клуба ЗУ-ОКА275

Зарегистрирован: 06 апр 2017, 23:31
Сообщения: 255
Откуда: г. Москва
Авто: HONDA JAZZ
Имя: Дмитрий
Всем привет!
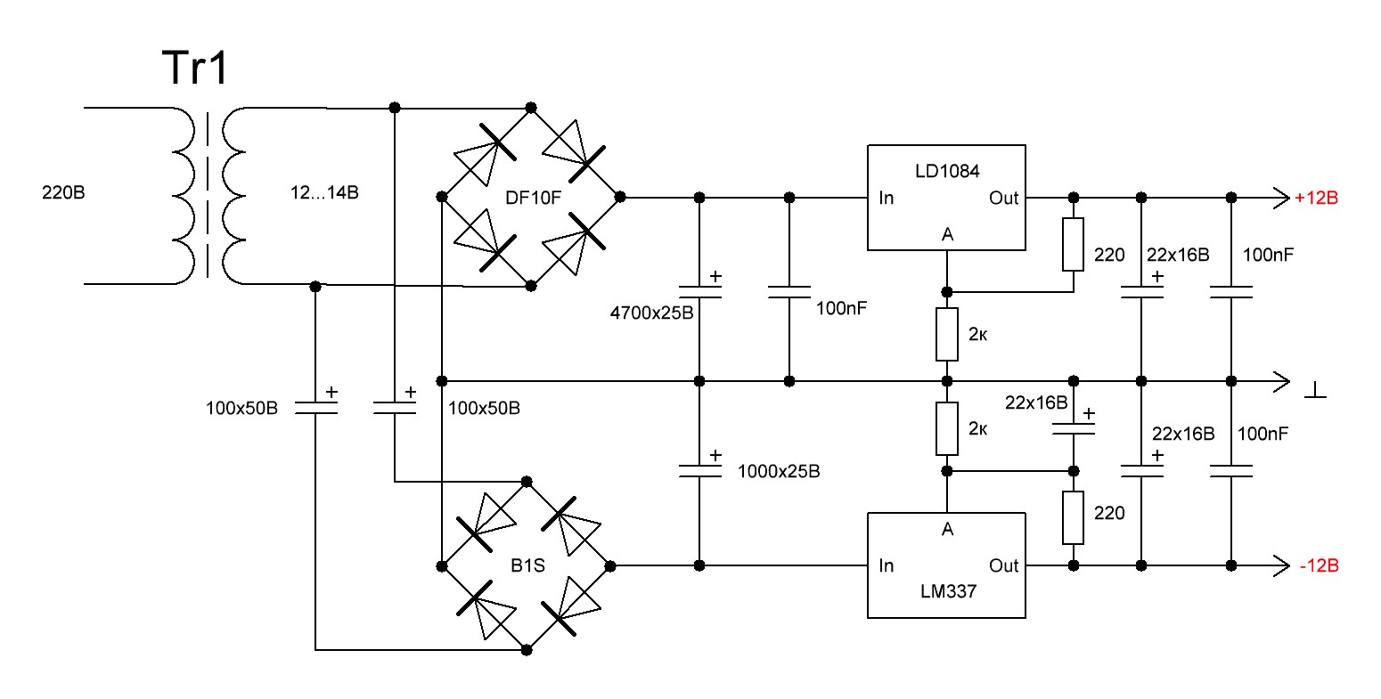
Собрал ещё два устройства по схеме NuSen 1.5 + электронная нагрузка со стабилизацией по току (схема на 467 стр.viewtopic.php?f=21&t=1316&p=49180#p49180) в корпусах Gainta G722 и G752. Двуполярный источник питания 12В выполнен на тороидальном трансформаторе с одной вторичной обмоткой на 12В/1,2А и линейных стабилизаторах LD1084 и LM337.
Схема БП:
Текст свернут
Вложение:
БП.JPG
БП.JPG [ 101.24 КБ | Просмотров: 21238 ]

Оба устройства работают хорошо и радует высокая стабильность тока разряда.
Вложение:
1.jpg
1.jpg [ 468.31 КБ | Просмотров: 21304 ]

Вложение:
2.jpg
2.jpg [ 711.94 КБ | Просмотров: 21304 ]

Вложение:
Фото.rar [659.18 КБ]
Скачиваний: 688


Вернуться к началу
 Профиль  
 
 Заголовок сообщения: Re: Галерея ЗУ + корпуса
СообщениеДобавлено: 20 апр 2019, 01:08 
Не в сети
Site Admin
Аватара пользователя

Зарегистрирован: 10 апр 2007, 22:36
Сообщения: 11306
Откуда: Новосибирск, Дзержинский
Авто: ВАЗ-21043
Имя: Алексей
афигеть! Ну прям чистый заводской вид, что внутри, что снаружи! 200 баллов!

_________________

Поблагодарить автора:
Контакты:
Телеграмм: alexSh154
Вконтакте
Одноквассники
Instagram


Вернуться к началу
 Профиль  
 
 Заголовок сообщения: Re: Галерея ЗУ + корпуса
СообщениеДобавлено: 24 май 2019, 03:04 
Не в сети
Уже тут был(а)

Зарегистрирован: 25 авг 2014, 01:50
Сообщения: 20
Имя: Василий
Здравствуйте всем! Давно сюда не заглядывал, форум уже растроился даже. (в смысле на 3 ветки поделился). Собрано 2 ЗУ. Оба работают. Одно дома, одно на работе.
Домашнее в корпусе от компьютеров в mini-ITX форм фактора. Передняя панель- стеклотекстолит.
Корпус 1 Ниже стоит оригинальный корпус.
Внутри
На работу сделано в корпусе от ИБП
Корпус 2
Внутри 1 Внутри 2


Вернуться к началу
 Профиль  
 
 Заголовок сообщения: Re: Галерея ЗУ + корпуса
СообщениеДобавлено: 06 дек 2019, 14:34 
Не в сети
Уже был(а) и не раз

Зарегистрирован: 08 ноя 2016, 15:03
Сообщения: 37
Имя: Алексей
oka275 Алексей, добрый день. У вас файла лицевой панели не осталось? Эта ссылка не работает https://cloud.mail.ru/public/8nbd/gVBgH5gJF


Вернуться к началу
 Профиль  
 
 Заголовок сообщения: Re: Галерея ЗУ + корпуса
СообщениеДобавлено: 07 дек 2019, 12:34 
Не в сети
Site Admin
Аватара пользователя

Зарегистрирован: 10 апр 2007, 22:36
Сообщения: 11306
Откуда: Новосибирск, Дзержинский
Авто: ВАЗ-21043
Имя: Алексей
0024 писал(а):
oka275 Алексей, добрый день. У вас файла лицевой панели не осталось? Эта ссылка не работает https://cloud.mail.ru/public/8nbd/gVBgH5gJF

Здравствуйте! В основном архиве, в папке "Дополнение" - там это всё лежит.

_________________

Поблагодарить автора:
Контакты:
Телеграмм: alexSh154
Вконтакте
Одноквассники
Instagram


Вернуться к началу
 Профиль  
 
 Заголовок сообщения: Re: Галерея ЗУ + корпуса
СообщениеДобавлено: 04 фев 2020, 19:55 
Не в сети
Уже был(а), и не раз, и не два

Зарегистрирован: 02 авг 2017, 15:31
Сообщения: 98
Откуда: Харьков
Авто: Ford Fusion
Имя: Андрей
Моё второе воплощение этой замечательной зарядки.


Вложения:
20200203_151119+.jpg
20200203_151119+.jpg [ 271.88 КБ | Просмотров: 19610 ]
20200203_151057+.jpg
20200203_151057+.jpg [ 242.81 КБ | Просмотров: 19610 ]
20200203_153253+.jpg
20200203_153253+.jpg [ 225.85 КБ | Просмотров: 19610 ]
20200203_153243+.jpg
20200203_153243+.jpg [ 232.97 КБ | Просмотров: 19610 ]
Вернуться к началу
 Профиль  
 
 Заголовок сообщения: Re: Галерея ЗУ + корпуса
СообщениеДобавлено: 04 фев 2020, 22:39 
Не в сети
Site Admin
Аватара пользователя

Зарегистрирован: 10 апр 2007, 22:36
Сообщения: 11306
Откуда: Новосибирск, Дзержинский
Авто: ВАЗ-21043
Имя: Алексей
Andi, необычно здорово!!!! Браво!!!!!!!! *BRAVO* *BRAVO* *BRAVO*

_________________

Поблагодарить автора:
Контакты:
Телеграмм: alexSh154
Вконтакте
Одноквассники
Instagram


Вернуться к началу
 Профиль  
 
 Заголовок сообщения: Re: Галерея ЗУ + корпуса
СообщениеДобавлено: 05 фев 2020, 12:40 
Не в сети
Постоянец

Зарегистрирован: 11 ноя 2014, 18:10
Сообщения: 151
Откуда: Новосибирск
Авто: nissan patrol
Имя: Константин
Да, смотрится необычно, красиво.


Вернуться к началу
 Профиль  
 
 Заголовок сообщения: Re: Галерея ЗУ + корпуса
СообщениеДобавлено: 24 апр 2020, 14:14 
Не в сети
Уже был(а), и не раз, и не два

Зарегистрирован: 23 фев 2015, 10:16
Сообщения: 69
Откуда: ХМАО, г. Белоярский
Авто: Suzuki SX4 S-Cross
Имя: Сергей
У меня вот так получилось!
Изображение
Изображение
Изображение
Изображение


Вернуться к началу
 Профиль  
 
 Заголовок сообщения: Re: Галерея ЗУ + корпуса
СообщениеДобавлено: 16 май 2020, 01:03 
Не в сети
Уже тут был(а)

Зарегистрирован: 03 апр 2018, 00:29
Сообщения: 15
Имя: S.K.
Andi писал(а):
Моё второе воплощение этой замечательной зарядки.


Очень здорово получилось. А корпус сами делали или готовый был?


Вернуться к началу
 Профиль  
 
 Заголовок сообщения: Re: Галерея ЗУ + корпуса
СообщениеДобавлено: 20 ноя 2020, 16:23 
Не в сети
Заслуженный участник Клуба ЗУ-ОКА275

Зарегистрирован: 06 апр 2017, 23:31
Сообщения: 255
Откуда: г. Москва
Авто: HONDA JAZZ
Имя: Дмитрий
Всем привет! Собрал два устройства ОКА275-2.0 по новой схеме NuSen (Валерий)(viewtopic.php?p=50949#p50949). Оба ЗУ работают нормально, номиналы элементов в усилителях ошибок тока и напряжения подбирать не пришлось, всё по схеме и никаких возбуждений.
Вложение:
IMG_20201120_105354.jpg
IMG_20201120_105354.jpg [ 535.56 КБ | Просмотров: 17309 ]

Вложение:
IMG_20201120_110146.jpg
IMG_20201120_110146.jpg [ 898.44 КБ | Просмотров: 17309 ]

Вложение:
IMG_20201120_110244.jpg
IMG_20201120_110244.jpg [ 808.06 КБ | Просмотров: 17309 ]

Вложение:
IMG_20201120_110406.jpg
IMG_20201120_110406.jpg [ 749.44 КБ | Просмотров: 17309 ]

Вложение:
IMG_20201120_110452.jpg
IMG_20201120_110452.jpg [ 671.56 КБ | Просмотров: 17309 ]


Вернуться к началу
 Профиль  
 
 Заголовок сообщения: Re: Галерея ЗУ + корпуса
СообщениеДобавлено: 22 ноя 2020, 20:50 
Не в сети
Site Admin
Аватара пользователя

Зарегистрирован: 10 апр 2007, 22:36
Сообщения: 11306
Откуда: Новосибирск, Дзержинский
Авто: ВАЗ-21043
Имя: Алексей
Достаточно профессионально.

_________________

Поблагодарить автора:
Контакты:
Телеграмм: alexSh154
Вконтакте
Одноквассники
Instagram


Вернуться к началу
 Профиль  
 
 Заголовок сообщения: Re: Галерея ЗУ + корпуса
СообщениеДобавлено: 10 дек 2020, 22:09 
Не в сети
Уже был(а), и не раз, и не два

Зарегистрирован: 23 авг 2020, 18:39
Сообщения: 55
Имя: Владимир
pereborka, а зачем вы вырезали часть пластиковой крышки над вторичной обмоткой тп-112?


Вернуться к началу
 Профиль  
 
 Заголовок сообщения: Re: Галерея ЗУ + корпуса
СообщениеДобавлено: 10 дек 2020, 23:41 
Не в сети
Заслуженный участник Клуба ЗУ-ОКА275

Зарегистрирован: 06 апр 2017, 23:31
Сообщения: 255
Откуда: г. Москва
Авто: HONDA JAZZ
Имя: Дмитрий
Niakrisse
Крышку срезал для уменьшения количества витков во вторичке, понизив напряжение холостого хода с 20В до 16В. Радиатор линейного стабилизатора U7 ранее прилично нагревался, а теперь имеет небольшой нагрев.


Вернуться к началу
 Профиль  
 
 Заголовок сообщения: Re: Галерея ЗУ + корпуса
СообщениеДобавлено: 15 дек 2020, 13:27 
Не в сети
Уже был(а) и не раз

Зарегистрирован: 02 авг 2018, 23:02
Сообщения: 36
Имя: Сергей
Диитрий, pereborka, а какой максимальный ток и напряжение вашего зу? Сколько можно "выжать" не перематывая трансформатор?


Вернуться к началу
 Профиль  
 
 Заголовок сообщения: Re: Галерея ЗУ + корпуса
СообщениеДобавлено: 15 дек 2020, 15:35 
Не в сети
Заслуженный участник Клуба ЗУ-ОКА275

Зарегистрирован: 06 апр 2017, 23:31
Сообщения: 255
Откуда: г. Москва
Авто: HONDA JAZZ
Имя: Дмитрий
kravc4enkoser
Откалибровал БП - 25В/13А, разряд - 12А. При нагрузке на БП током 12А напряжение проседает до 21В. Правильно конечно перемотать вторичку силового, чтобы максимальный ток был во всём диапазоне напряжений ЗУ или ограничить напряжение ЗУ до 20В без перемотки трансформатора. Долговременная мощность разряда 160Вт при температуре радиатора в 70 градусов. Проверял около часа работу разрядника.


Вернуться к началу
 Профиль  
 
 Заголовок сообщения: Re: Галерея ЗУ + корпуса
СообщениеДобавлено: 15 дек 2020, 16:37 
Не в сети
Уже был(а) и не раз

Зарегистрирован: 02 авг 2018, 23:02
Сообщения: 36
Имя: Сергей
Понятно, спасибо. Я без перемотки транса выжал 15 а и думал что это маловато . :-D . Конечно после 15а блок стрелял :-D , вылетали силовые ключи.


Вернуться к началу
 Профиль  
 
 Заголовок сообщения: Re: Галерея ЗУ + корпуса
СообщениеДобавлено: 16 мар 2022, 14:01 
Не в сети
Уже тут был(а)

Зарегистрирован: 20 фев 2015, 23:00
Сообщения: 19
Имя: Николай
Здравствуйте.
Собрал ЗУ ОКА275-2.0 по схеме NuSen (Валерий).
Откалибровал БП - 25В/20А, разрядник - 10А.


Вложения:
IMG_20220227_153622.jpg
IMG_20220227_153622.jpg [ 672.45 КБ | Просмотров: 12681 ]
IMG_20220227_151725.jpg
IMG_20220227_151725.jpg [ 631.99 КБ | Просмотров: 12681 ]
IMG_20220227_151639.jpg
IMG_20220227_151639.jpg [ 777.37 КБ | Просмотров: 12681 ]
IMG_20220217_180310.jpg
IMG_20220217_180310.jpg [ 891.13 КБ | Просмотров: 12681 ]
Вернуться к началу
 Профиль  
 
 Заголовок сообщения: Re: Галерея ЗУ + корпуса
СообщениеДобавлено: 28 мар 2022, 00:53 
Не в сети
Уже тут был(а)

Зарегистрирован: 03 апр 2018, 00:29
Сообщения: 15
Имя: S.K.
Niko писал(а):
Здравствуйте.
Собрал ЗУ ОКА275-2.0 по схеме NuSen (Валерий).
Откалибровал БП - 25В/20А, разрядник - 10А.

Здравствуйте,скажите в Вашем блоке силовой транс перемотанный или заводской?
Судя по размеру железа ,он ватт на 400?


Вернуться к началу
 Профиль  
 
Показать сообщения за:  Поле сортировки  
Начать новую тему Ответить на тему  [ Сообщений: 274 ]  На страницу Пред.  1 ... 10, 11, 12, 13, 14  След.

Часовой пояс: UTC + 7 часов


Кто сейчас на конференции

Сейчас этот форум просматривают: нет зарегистрированных пользователей и гости: 1


Вы не можете начинать темы
Вы не можете отвечать на сообщения
Вы не можете редактировать свои сообщения
Вы не можете удалять свои сообщения
Вы не можете добавлять вложения

Найти:
Перейти:  
cron
Powered by phpBB® Forum Software © phpBB Group
Русская поддержка phpBB