Ока в Новосибирске

Клуб Окаводов Новосибирска
Текущее время: 30 янв 2026, 07:03

Часовой пояс: UTC + 7 часов




Начать новую тему Ответить на тему  [ Сообщений: 1507 ]  На страницу Пред.  1 ... 27, 28, 29, 30, 31, 32, 33 ... 76  След.
Автор Сообщение
СообщениеДобавлено: 24 ноя 2016, 09:03 
Не в сети
Заслуженный участник Клуба ЗУ-ОКА275
Аватара пользователя

Зарегистрирован: 14 окт 2016, 19:22
Сообщения: 42
Откуда: Екатеринбург
Авто: Ford Mondeo
Имя: Анатолий
serg1968-09
Собственно, ваша печатная плата, а точнее её smd элементы и подтолкнули меня к применению комбинированной схемы. Единственное только ёмкости, но танталов нет,
а покупать специально, для единичного случая, смысла нет.

_________________
С уважением, Анатолий.


Вернуться к началу
 Профиль  
 
СообщениеДобавлено: 24 ноя 2016, 11:45 
Не в сети
Заслуженный участник Клуба ЗУ-ОКА275
Аватара пользователя

Зарегистрирован: 14 окт 2016, 19:22
Сообщения: 42
Откуда: Екатеринбург
Авто: Ford Mondeo
Имя: Анатолий
Привёл схему в соответствие, согласно рекомендациям Сергея(SergeyVB). Удалил диоды VD6, VD7, поставил перемычку, удалил резисторы R16, R17, изменил значения резисторов
R18, R19 на 2,2 Ома, R12 на 680 Ом(см. предыдущую схему). А какой критерий выбора номинала резистора на среднем выводе ТГР (1,5к -> 680Ом)?
Изображение
P.S. Сергей, вы про эту защиту писали? Интересно, для чего там "огород" резисторов?
Изображение

_________________
С уважением, Анатолий.


Вернуться к началу
 Профиль  
 
СообщениеДобавлено: 24 ноя 2016, 18:44 
Не в сети
Заслуженный участник Клуба ЗУ-ОКА275

Зарегистрирован: 26 дек 2013, 22:29
Сообщения: 144
Откуда: Санкт-Петербург
Имя: Сергей
Здравствуйте, Анатолий!
Цитата:
А какой критерий выбора номинала резистора на среднем выводе ТГР (1,5к -> 680Ом)?
Необходимо, чтобы при максимальной нагрузке силовые транзисторы полностью открывались. В моем варианте пришлось изменить делители в цепи баз транзисторов "раскачки" ТГР-а. Чтобы было понятнее присоединяю свою схему.
ВНИМАНИЕ!!! Смотреть осциллограммы в высоковольтной части можно ТОЛЬКО при питании ИБП через трансформатор, обеспечивающий гальваническую развязку. Подключать щупы осциллографа ТОЛЬКО при выключенном питании.
Защиту я имел ввиду именно эту. "Огород" резисторов используется для точной настройки момента срабатывания защиты. (В моей схеме защита выполнена по-другому.)


Вложения:
CPS_Power_SCH.pdf [72.54 КБ]
Скачиваний: 476
Вернуться к началу
 Профиль  
 
СообщениеДобавлено: 24 ноя 2016, 22:43 
Не в сети
Заслуженный участник Клуба ЗУ-ОКА275
Аватара пользователя

Зарегистрирован: 14 окт 2016, 19:22
Сообщения: 42
Откуда: Екатеринбург
Авто: Ford Mondeo
Имя: Анатолий
Спасибо Сергей.

_________________
С уважением, Анатолий.


Вернуться к началу
 Профиль  
 
СообщениеДобавлено: 26 ноя 2016, 02:21 
Не в сети
Участник Клуба ЗУ-ОКА275
Аватара пользователя

Зарегистрирован: 03 ноя 2012, 02:16
Сообщения: 204
Откуда: НСО сДоволное
Авто: ВАЗ-11113
Имя: александр
ремонтировал на днях зарядное, интересная схема для размышлений.
шим заводится без внешнего источника а 24 в появится когда на клеймах более 19в
то есть при 12в акуме переключатель не разгоняет шимм
в гараже гоняют два карлосона от иномарки ток 10-13а в режиме 8-10 часов с балластом в виде 12в полудохлого мотоциклетного акума.


Вложения:
зарядное 15а.jpg
зарядное 15а.jpg [ 143.46 КБ | Просмотров: 13430 ]
Вернуться к началу
 Профиль  
 
СообщениеДобавлено: 28 ноя 2016, 23:15 
Не в сети
Заслуженный участник Клуба ЗУ-ОКА275
Аватара пользователя

Зарегистрирован: 14 окт 2016, 19:22
Сообщения: 42
Откуда: Екатеринбург
Авто: Ford Mondeo
Имя: Анатолий
Вячеслав-1
На прикреплённом фрагменте схемы организована защита. Интересно, как она работает и каковы номиналы резисторов, обозначенные звёздочками.
У меня имеется шунт R10 - 0,05 Ом, а R9,13 какие выбрать?
Изображение

_________________
С уважением, Анатолий.


Вернуться к началу
 Профиль  
 
СообщениеДобавлено: 30 ноя 2016, 01:54 
Не в сети
Заслуженный участник Клуба ЗУ-ОКА275

Зарегистрирован: 26 дек 2013, 22:29
Сообщения: 144
Откуда: Санкт-Петербург
Имя: Сергей
Здравствуйте, Анатолий!
Пока Вячеслав не отвечает, посмотрите на предлагаемую схему. Ориентировочные значения резисторов делителя присутствуют.


Вложения:
S-350.pdf [296.7 КБ]
Скачиваний: 461
Вернуться к началу
 Профиль  
 
СообщениеДобавлено: 30 ноя 2016, 10:59 
Не в сети
Заслуженный участник Клуба ЗУ-ОКА275
Аватара пользователя

Зарегистрирован: 14 окт 2016, 19:22
Сообщения: 42
Откуда: Екатеринбург
Авто: Ford Mondeo
Имя: Анатолий
Спасибо Сергей.
Да я что-то тормознулся на выборе защиты. Не хочется лепить огород, а обойтись малой обвязкой и, как-то всё подтягивает к шунту....
Но нужно резать дорожки печ. платы китайского БП и провода, провода. Сейчас гляну на представленную вами схему.
P.S. Глянул на схему, очень даже неплохо. Это из серии - ничего выдумывать не нужно, всё есть. Можно её взять за основу. Ещё бы печатку.... :) Спасибо.

_________________
С уважением, Анатолий.


Вернуться к началу
 Профиль  
 
СообщениеДобавлено: 30 ноя 2016, 15:27 
Не в сети
Заслуженный участник Клуба ЗУ-ОКА275

Зарегистрирован: 26 дек 2013, 22:29
Сообщения: 144
Откуда: Санкт-Петербург
Имя: Сергей
Здравствуйте, Анатолий!
Цитата:
Ещё бы печатку....
Судя по надписям на схеме - это продукция "Китай-прома". Возможно на просторах Net-а есть и "печатка". Хотя ценность ее сильно преувеличина, потому, как все-равно ее необходимо корректировать под имеющиеся компоненты.
Я, так понимаю, Вячеслав дорабатывал похожий ИБП. Возможно, у него остались фото платы, и они смогут Вам помочь. Да, помнится Алексей выкладывал фото "своего" ИБП.
Успехов!


Вернуться к началу
 Профиль  
 
СообщениеДобавлено: 01 дек 2016, 18:57 
Не в сети
Заслуженный участник Клуба ЗУ-ОКА275

Зарегистрирован: 24 окт 2013, 11:44
Сообщения: 933
Откуда: Чувашия
Авто: КИА РИО 2018
Имя: Вячеслав
Приветствую всех! Если Вы имеете ввиду Майнвел китайский,то плату я специально для зарядника не разрабатывал!Выкидывал резисторы в автозапуске ,и на 1-2 ногах 494 м\с.Так же менял кондесаторы фильтра и выкидывал керамику ,ту которая на корпус устройства.Вроде всё!
Плату я делал для источника ,который в данный момент у меня работает в трансивере,переключаемый на два напряжения 14 и 24В на передачу в УКВ и КВ диапазонах соответственно и на приём с блокировкой основного ИИП чтоб не "сыпал".
Кому надо-скину.

_________________
С уважением,Вячеслав.73!


Вернуться к началу
 Профиль  
 
СообщениеДобавлено: 03 дек 2016, 00:58 
Не в сети
Участник Клуба ЗУ-ОКА275

Зарегистрирован: 18 ноя 2016, 03:16
Сообщения: 15
Имя: Максим
Время появилось, занялся переделкой БП. Скажите пожалуйста, как рассчитать цепочки резисторов на 16 ноге в цепи защиты? Какие-нибудь формулы может есть. С ШИМ и ИИП дело раньше не имел, в этом новичок.


Вернуться к началу
 Профиль  
 
СообщениеДобавлено: 04 дек 2016, 21:15 
Не в сети
Участник Клуба ЗУ-ОКА275
Аватара пользователя

Зарегистрирован: 02 июл 2016, 23:58
Сообщения: 138
Имя: Максим
Приветствую всех! При использовании готовой печатки взятой отсюда возникли проблемы, транзисторы перед ТГР горят периодически, ну и защиты нет, ну и в добавок нет схемы чтобы пере развести плату под свой корпус. Так вот нарисовал схему подтянул базы транзисторов к минусу, дорисовал защиту. Прошу посмотреть знающих людей так как не силен в этом деле, может где ошибки или рекомендации. Заранее СПАСИБО!


Последний раз редактировалось Maksim9 06 дек 2016, 00:05, всего редактировалось 1 раз.

Вернуться к началу
 Профиль  
 
СообщениеДобавлено: 05 дек 2016, 02:03 
Не в сети
Заслуженный участник Клуба ЗУ-ОКА275

Зарегистрирован: 26 дек 2013, 22:29
Сообщения: 144
Откуда: Санкт-Петербург
Имя: Сергей
LinpsМаксим. В этой цепи импульсы ШИМ, определяющие мощность преобразователя, выпрямляются и постоянная составляющая подается через делитель на неинвертирующий вход компаратора (вывод 16 TL494). Как только это напряжение превысит напряжение на инвертирующем входе (вывод 15 TL494), компаратор "сработает" и запретит ШИМ. Выпрямленное напряжение зависит от "кучи" параметров, поэтому проще его замерить, в зависимости от получаемой мощности, а далее, рассчитать делитель по закону Ома. (Параметр МОЩНОСТЬ, а не ТОК, т. к. напряжение регулируется).
Maksim9Максим. Извините, но ошибки есть (нумерация элементов по Вашей схеме).
1. Полярность C28 перепутана.
2. Вывод 15 TL494 можно просто подключить к цепи Ref (вывод 14 TL494) и исключить элементы R51, R52 и C27. Если делать, как у Вас, то конденсатор C27 нужно подключить не к "Общему", а к выводу 3 TL494. Номиналы цепочки R52 C27 нужно будет подобрать по отсутствию возбуждения при срабатывании защиты. При такой схеме можно поставить резистор из точки соединения R51 R52 на "Общий", организовав, таким образом делитель на выводе 15 TL494, что позволило бы более точно подстроить момент срабатывания защиты.
3. В КОТОРЫЙ РАЗ ПИШУ: номинал резистора R10 великоват для напряжения питания ключей и ТГР-а. У меня, например, получилось 680 Ом.
4. Отсутствует резистор (у Алексея 1 кОм) от точки соединения коллектора VT5 с затвором VT6 к выводу 14 TL494 (или "каким-другим" +5В).
5. Точку соединения C1, C2 подключить к "Земле" (сетевой) и металлическому корпусу ИБП, и ни в коем случае не подключать к "Общему" проводу схемы. А номинал этих конденсаторов должен быть порядка 4 700 пФ (тип Y2).
6. И, раз уж у Вас в выпрямителе применены диоды Шоттки (VD25, VD21), то цепочку C22 R44 нужно убрать, а подключить аналогичные цепочки параллельно каждому плечу выпрямителя.
И пожелание: перед тем, как начать разводку, необходимо серьезно изучить принципы конструирования импульсных силовых устройств.
Успехов!


Вернуться к началу
 Профиль  
 
СообщениеДобавлено: 05 дек 2016, 21:26 
Не в сети
Участник Клуба ЗУ-ОКА275
Аватара пользователя

Зарегистрирован: 02 июл 2016, 23:58
Сообщения: 138
Имя: Максим
Maksim9 писал(а):
Приветствую всех! При использовании готовой печатки взятой отсюда возникли проблемы, транзисторы перед ТГР горят периодически, ну и защиты нет, ну и в добавок нет схемы чтобы пере развести плату под свой корпус. Так вот нарисовал схему подтянул базы транзисторов к минусу, дорисовал защиту. Прошу посмотреть знающих людей так как не силен в этом деле, может где ошибки или рекомендации. Заранее СПАСИБО!

SergeyVB Схему вчера перезалил с исправлениями и с измененной нумерацией и перевернул конденсатор. Поэтому не могу отследить ход ваших мыслей, частично понял. Резистор добавил спасибо упустил.


Последний раз редактировалось Maksim9 06 дек 2016, 12:46, всего редактировалось 1 раз.

Вернуться к началу
 Профиль  
 
СообщениеДобавлено: 06 дек 2016, 00:24 
Не в сети
Участник Клуба ЗУ-ОКА275
Аватара пользователя

Зарегистрирован: 02 июл 2016, 23:58
Сообщения: 138
Имя: Максим
Maksim9 писал(а):
Maksim9 писал(а):
Приветствую всех! При использовании готовой печатки взятой отсюда возникли проблемы, транзисторы перед ТГР горят периодически, ну и защиты нет, ну и в добавок нет схемы чтобы пере развести плату под свой корпус. Так вот нарисовал схему подтянул базы транзисторов к минусу, дорисовал защиту. Прошу посмотреть знающих людей так как не силен в этом деле, может где ошибки или рекомендации. Заранее СПАСИБО!

SergeyVB Схему вчера перезалил с исправлениями и с измененной нумерацией и перевернул конденсатор. Поэтому не могу отследить ход ваших мыслей, частично понял. Резистор добавил спасибо упустил.


Как вы определили какой резистор необходим для питания ТГР, у меня 1.5к вроде работает.
Подправил диоды, подключил по другому чтобы не плодить лишние элементы.
Убрал резисторы и соединил 15 и 14 ноги TL494. Надеюсь я вас правильно понял.(схему перезалил), старые схемы буду удалять чтобы народ не путался.


Последний раз редактировалось Maksim9 07 дек 2016, 01:18, всего редактировалось 1 раз.

Вернуться к началу
 Профиль  
 
СообщениеДобавлено: 06 дек 2016, 04:17 
Не в сети
Заслуженный участник Клуба ЗУ-ОКА275

Зарегистрирован: 26 дек 2013, 22:29
Сообщения: 144
Откуда: Санкт-Петербург
Имя: Сергей
Здравствуйте, Максим!
Цитата:
Как вы определили какой резистор необходим для питания ТГР
Его величина , конечно же, зависит от конкретного ТГР-а. Его величину определил по форме импульсов в базах силовых транзисторов при максимальной выходной нагрузке. (При измерениях осциллографом в "высокой" части питать ИБП через гальваническую развязку (трансформатор)). Мне еще пришлось подкорректировать базовые делители ключей ТГР-а (уже писал об этом).
По пункту 6. RC-цепочки должны быть две - параллельно каждой сборке. Как нарисовано у Вас делают, когда диоды НЕ Шоттки.
На стр. 309 основной темы есть ссылка на мой вариант проекта Алексея. В нем есть документация, в которой достаточно подробно написано и про ИБП.
Успехов!


Вернуться к началу
 Профиль  
 
СообщениеДобавлено: 06 дек 2016, 12:44 
Не в сети
Участник Клуба ЗУ-ОКА275
Аватара пользователя

Зарегистрирован: 02 июл 2016, 23:58
Сообщения: 138
Имя: Максим
SergeyVB писал(а):
Здравствуйте, Максим!
Цитата:
Как вы определили какой резистор необходим для питания ТГР
Его величина , конечно же, зависит от конкретного ТГР-а. Его величину определил по форме импульсов в базах силовых транзисторов при максимальной выходной нагрузке. (При измерениях осциллографом в "высокой" части питать ИБП через гальваническую развязку (трансформатор)). Мне еще пришлось подкорректировать базовые делители ключей ТГР-а (уже писал об этом).
По пункту 6. RC-цепочки должны быть две - параллельно каждой сборке. Как нарисовано у Вас делают, когда диоды НЕ Шоттки.
На стр. 309 основной темы есть ссылка на мой вариант проекта Алексея. В нем есть документация, в которой достаточно подробно написано и про ИБП.
Успехов!

Придется делать как у Вас. По схеме правильно исправил, кроме диодов Шоттки?


Вложения:
Новый рисунок (9).jpg
Новый рисунок (9).jpg [ 71.78 КБ | Просмотров: 13110 ]
Вернуться к началу
 Профиль  
 
СообщениеДобавлено: 06 дек 2016, 15:40 
Не в сети
Заслуженный участник Клуба ЗУ-ОКА275

Зарегистрирован: 06 ноя 2016, 10:55
Сообщения: 94
Откуда: краснотурьинск
Авто: ваз2107
Имя: вячеслав
Здравствуйте форумчане! При перемотки силового трансформатора для ИБП образовалась необходимость вытащить контактные штыри тр-ра и переставить их на другие места ( это чтобы не переделывать готовую плату). Вообще если возможен такой апгрейд поделитесь опытом пожалуйста? Как это делается и делается ли вообще?


Вернуться к началу
 Профиль  
 
СообщениеДобавлено: 06 дек 2016, 17:08 
Не в сети
Заслуженный участник Клуба ЗУ-ОКА275

Зарегистрирован: 26 дек 2013, 22:29
Сообщения: 144
Откуда: Санкт-Петербург
Имя: Сергей
Здравствуйте, Максим!
Цитата:
Придется делать как у Вас.
Это совсем не обязательно. Любая схемотехника, не противоречащая законам физики, имеет право на жизнь (как пример, схема защиты в моем варианте схемы).
Цитата:
По схеме правильно исправил, кроме диодов Шоттки?
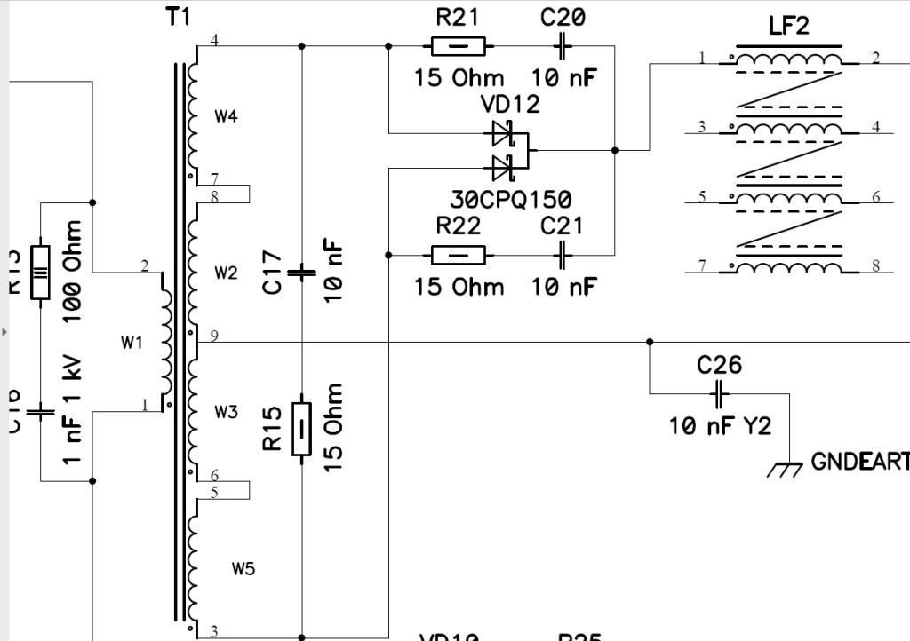
Я неточностей не вижу. Извините, уточню: цепочку R15, C17 (фрагмент моего варианта) НЕ СТАВИТЬ.
И еще: не нравится мне параллельное соединение диодов, т. к. НЕ БЫВАЕТ элементов с одинаковыми параметрами. А Вам действительно нужны токи выше 30А? Может быть тогда намотать две обмотки, тем более, что Вы это делаете легко.
Успехов!


Вернуться к началу
 Профиль  
 
СообщениеДобавлено: 06 дек 2016, 21:38 
Не в сети
Участник Клуба ЗУ-ОКА275
Аватара пользователя

Зарегистрирован: 02 июл 2016, 23:58
Сообщения: 138
Имя: Максим
С17 это я не по вашему фрагменту, а по печатке которую взял с этой ветки и R15 от туда тоже. Вот по этой собирал http://www.oka-nsk.ru/forum/download/file.php?id=1477


Вернуться к началу
 Профиль  
 
Показать сообщения за:  Поле сортировки  
Начать новую тему Ответить на тему  [ Сообщений: 1507 ]  На страницу Пред.  1 ... 27, 28, 29, 30, 31, 32, 33 ... 76  След.

Часовой пояс: UTC + 7 часов


Кто сейчас на конференции

Сейчас этот форум просматривают: нет зарегистрированных пользователей и гости: 0


Вы не можете начинать темы
Вы не можете отвечать на сообщения
Вы не можете редактировать свои сообщения
Вы не можете удалять свои сообщения
Вы не можете добавлять вложения

Найти:
Перейти:  
cron
Powered by phpBB® Forum Software © phpBB Group
Русская поддержка phpBB