Ока в Новосибирске

Клуб Окаводов Новосибирска
Текущее время: 31 май 2026, 01:27

Часовой пояс: UTC + 7 часов




Начать новую тему Ответить на тему  [ Сообщений: 101 ]  На страницу Пред.  1, 2, 3, 4, 5, 6  След.
Автор Сообщение
СообщениеДобавлено: 21 фев 2016, 01:00 
Не в сети
Site Admin
Аватара пользователя

Зарегистрирован: 10 апр 2007, 22:36
Сообщения: 11266
Откуда: Новосибирск, Дзержинский
Авто: ВАЗ-21043
Имя: Алексей
vasvas писал(а):
Перерезал дорожку(оставив только резюк в землю) и все запустилось.

даже ни капли не сомневался

vasvas писал(а):
свист чуть есть , а кондер между 2й-3й из какого диапазона ставить? если прям 0.1мкф нет?

Хотя бы попробуйте RC-цепочку из схемы, что я публиковал. Там резистор и конденсатор последовательно. Это штатная цепочка, которая стоит во всех БП, только с разными номиналами. Ставить между 2й-3й ножками только один конденсатор на 0.1мкф придумал не я, и даже не знаю кто, но это не совсем наверное правильно. Эта цепочка, называемая цепью коррекции, в идеале впаивается не от балды, а подбирается индивидуально под получившуюся схему. Грубо говоря эта цепочка притормаживает реакцию TL494 на какие либо ситуации, что бы та не реагировала так быстро и не впадала в возбуд. Сильно большой (0.1мкф) конденсатор, без резистора, это конечно может и хорошо - реакция TL494 становится медленной (относительно), но это вылазит боком слишком тугодумной реакцией в других местах. Но возбуд (свист и тд, но не обязательно каждый свист это возбуд) куда страшней, потому перестраховываются. Это мое мнение и мое видение(понимание). Так что начните с цепочек, параметры которых встретите в других схемах на TL494, потом уберите резистор вообще и оставьте только конденсатор. Не забывайте, что параллельное их включение суммирует их ёмкость, так что не все так печально. В общем, играйтесь цепочкой и скорее всего свист уйдет совсем.

vasvas писал(а):
Можно ли подцепить последовательно еще трансформатор с 3,3в?

Это как? чепуха получится, по-моему.

vasvas писал(а):
Максимальный напряг на линии 12 в получился 27в, на5в- 10в.

Обращаю ваше внимание, что вы оперируете МАКСИМАЛЬНЫМИ напряжениями. Перенесем ситуацию на автомобили. Предположим, что вы едите на среднем положении педали газа. Впереди подъем и автомобиль начинает терять скорость. Что вы делаете? Нажимаете на педаль сильнее и быстро восстанавливаете прежнюю скорость. А что делать, если вы уже летите на полной педали, впереди подъем, скорость падает, а педаль нажимать дальше уже некуда? Мы потеряем скорость неминуемо, потому что уже нет запаса у педали газа. Так же и с TL494 - она должна иметь запас, как запас хода у педали газа! При максималке 27 вольт мы выставляем 20 и начинаем грузить БП - напруга конечно будет стремиться упасть, но TL494 "добавит газку" и стабилизирует напряжение (вернет его на отметку в 20в). А если мы выставим максималку, то любая нагрузка просадит это напряжение, ибо у TL494 нет запаса на регулировку. Здесь уже грузите БП той нагрузкой, которую планируете, замеряйте просадку и опытным путем находите то напряжение, которое будет надежно удерживаться TL494 при подключении нагрузки - это и будет вашим максимальным рабочим напряжением, но с запасом на стабилизацию.

vasvas писал(а):
как правильно сфазировать обмотки на выпаянном трансформаторе? можно ли первичку сунуть в 220? или сгорит?

Не знаю, сгорит или нет - на знаю, надо думать, мыслить, экспериментировать, и тогда я способен буду ответить определенно. А на счет фазировки, то надо расплетать общий провод (косичку). Затем схема такая:
.................. начал писать, да запутался. В общем, не в силах я дать правильный совет, т.к. дело осложняет то, что обмотки состоят из полуобмоток. Может быть секрет прост, как валенок, но мне что то в мою уставшую голову никаих умных мыслей не приходит.

_________________

Поблагодарить автора:
Контакты:
Телеграмм: alexSh154
Вконтакте
Одноквассники
Instagram


Вернуться к началу
 Профиль  
 
СообщениеДобавлено: 21 фев 2016, 02:30 
Не в сети
Заслуженный пользователь
Аватара пользователя

Зарегистрирован: 08 янв 2016, 17:09
Сообщения: 31
Откуда: СПб
Имя: Василий
чёй-то выпаял я транс erl-35, у него 2 выхода 5 и 12 вольт и толстенная земля. Звоню и все обмотки со всеми звонятся. Это что, значит все намотано одним проводом и 12в с края, а 5в отводы с середины? А как тогда люди пишут про соединить 12 и 5 вольт обмотки. или это разные обмотки и у каждой с середины отводы соединены ?

ps
https://img-fotki.yandex.ru/get/9227/29 ... 1ce60_orig
вытащил транс, расплел земляную косичку и давай звонить, на картинке выше как вызвонились обмотки.

попытка сфазировать: прицепил на первичку крону 9в -на вторичках 0 миливольт между 1245 выводами. прицепил бп от ноута через резистор на вторичках тоже 0, прицепил 220 через лампу, лампа горит во всю на вторисках 0. Это потому что сопротивление обмоток слишком мало? И значит там почти нет падения напряжения. или потому что транс импульсный?

Коммутацию обмоток 1245 проводил наугад с выпяной и расплетеной земляной косой. первый раз соединил 45, на 12 вольтовой шине было 3в. И транс запел и замурлыкал.
потом поменял выводы соединил 25, а 14 пустил на 12в линию в итоге лопнули шоттки в мосту, и крякнул транзистор биполярный в высоковольтной части.
Заменил транзистор и мост, вернул обмотки на трансе к исходной коммутации, включил через лампу - с "горячей" частью все ок, лампа моргнула и потухла, дежурка есть, но бп не включился. видимо TL494 померла...
как найду еще тлку продолжу опыты :crazy:
Тут пишут про обмотки http://forum.primuss3.com/viewtopic.php ... &start=220 если все последовательно соединить то можно 60вольт получить. там описана фазировка с помощью генератора - что это такое?

есть еще варианты - добавить полноценный мост в 12 вольт и тем самым увеличив в 2раза вольтаж, но не ясно куда соединять минус.
перемотать транс, но как его разобрать и правильно собрать не повредив корпус и лак и сколько делать витков, или вообще перемотать вторичку ? нужна ли средняя точка?

странная обмотка 36 намотана в 3жилы и с разрывом...
стоит экспериментировать с 1245 и место стыка вероятно будет средней точкой - землей? и ее соединять с выводом на плате где была "косичка"?
pps:
решил бп совсем добить - заменил транзисторы в высокой части, (шимка кстати осталась жива проверил ее на другом бп)
и решил перемотать транс. Разобрался он не оч сложно пол первички внизу, полпервички наверху, вторичка в середине.Выкинул 36 части. а 1245 соединил последовательно, среднюю точку вывел в землю. Аккуратно собрать не удалось, но мотал туго с прокладками. Соединил, при включении спустя 5 секунд взорвался полумост в высоковольтной части и выгорел кусок платы под ним -) :crazy:
разобрал бп на молекулы, пойду искать следующий ...

подскажите кто в курсе как правильно вытащитьтс компового бп 7-38 вольт с регулировкой?


Вернуться к началу
 Профиль  
 
СообщениеДобавлено: 22 фев 2016, 21:23 
Не в сети
Новичок

Зарегистрирован: 20 фев 2016, 01:05
Сообщения: 6
Авто: ВАЗ-1111
Имя: Владимир
удалось поднять напряжение за счет обмоток трансформатора. как и говорили он состоит из обмоток 7+5=12. Под нагрузкой 24.8 , а без нагрузки взлетает до 40, но удалось только подкрутить до 30. но делитель 300 ом по 2 вата греется 1 резистор. А там где r19 выкручивается только на увеличение, уменьшение мизерное совсем
куда копать, подскажите пожалуйста?
может 5 вольтовую шину задействовать для ос?


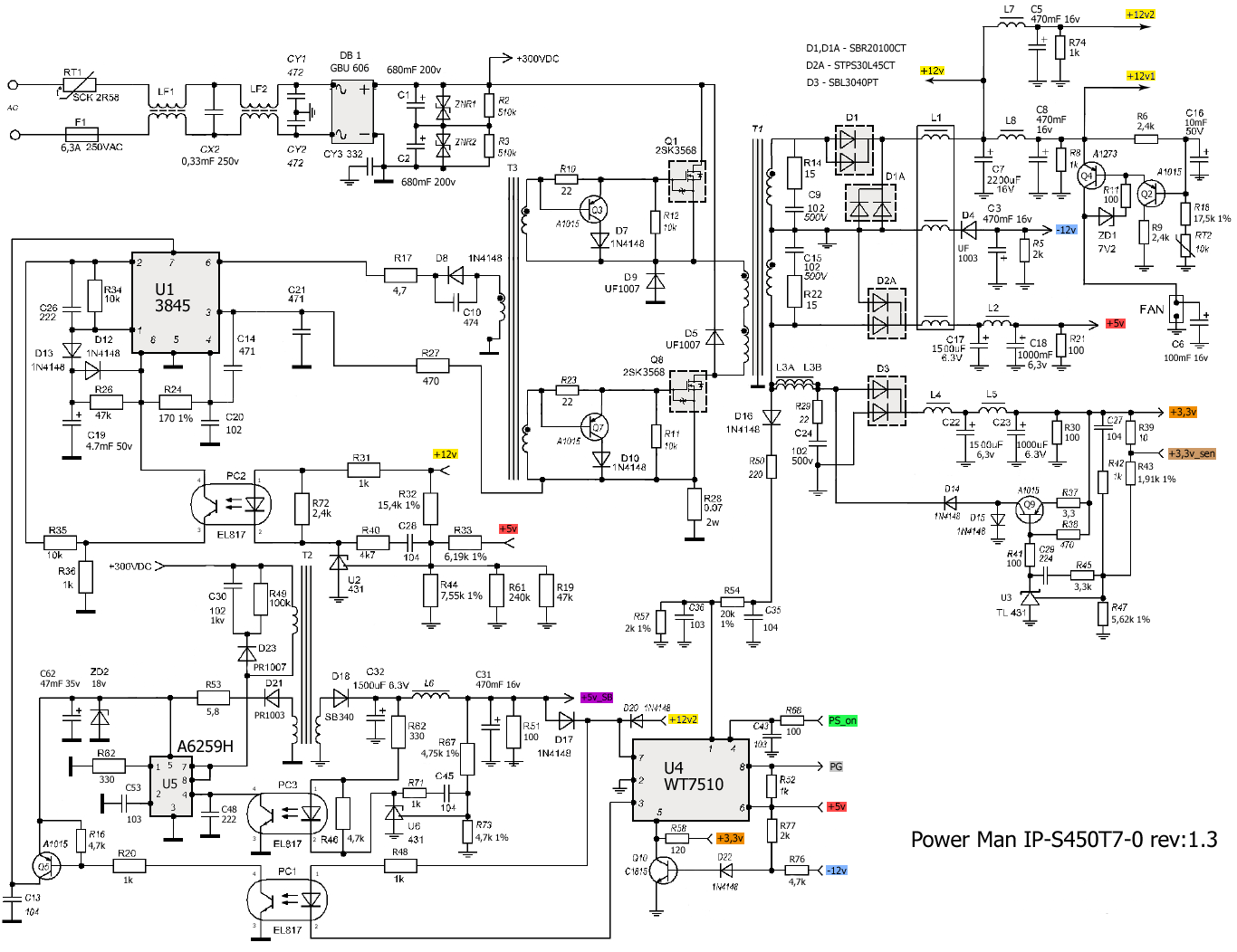
Вложения:
Powerman IP-S450T-0.gif
Powerman IP-S450T-0.gif [ 93.2 КБ | Просмотров: 30071 ]
Вернуться к началу
 Профиль  
 
СообщениеДобавлено: 22 фев 2016, 21:59 
Не в сети
Site Admin
Аватара пользователя

Зарегистрирован: 10 апр 2007, 22:36
Сообщения: 11266
Откуда: Новосибирск, Дзержинский
Авто: ВАЗ-21043
Имя: Алексей
Никаких 5в шин оперировать уже не должно! Есть только единое напряжение, выходящее с трансформатора (из суммы его обмоток, которые мы уже считаем единой). А схему обратной связи как переделывали, ибо на нее и 12, и 5в приходят? Надо избавляться от этих двух точек, ведь у нас сейчас одно единое напряжение.
Короче, вот схемка:

Вложение:
mastercity_16c04047fea72ee597451c1356a4dd3db7.png
mastercity_16c04047fea72ee597451c1356a4dd3db7.png [ 18.1 КБ | Просмотров: 30071 ]

Будем считать, что у нас сейчас одна единственная обмотка, как прям на этой схеме. Вот и действуйте, приводите схему обратной связи в соответствии с ней. ТЛ431 и оптрон тут указаны, равно как и новые номиналы. Для регулировки напряжения "двигайте" R16. Если мне не изменяет логика, то напряжение должно расти с увеличением номинала R16 (или наоборот - значит я ошибся, хотя это вряд ли). После переделки не долго быть такого разбега с нагрузкой и без, то есть должна появиться стабилизация.

_________________

Поблагодарить автора:
Контакты:
Телеграмм: alexSh154
Вконтакте
Одноквассники
Instagram


Вернуться к началу
 Профиль  
 
СообщениеДобавлено: 22 фев 2016, 23:37 
Не в сети
Site Admin
Аватара пользователя

Зарегистрирован: 10 апр 2007, 22:36
Сообщения: 11266
Откуда: Новосибирск, Дзержинский
Авто: ВАЗ-21043
Имя: Алексей
vasvas писал(а):
подскажите кто в курсе как правильно вытащитьтс компового бп 7-38 вольт с регулировкой?

Перемотать транс - самое правильное!
Текст свернут
1. Погуглить как разбирают импульсники. Есть варианты долго варить его в кипятке, я же ставил на электрокомфорку, ставил на 1-2 и ждал пока поплывет лак. А он точно поплывет! Если не поплыл, значит мала температура, или просто не прогрелся целиком. С другой стороны не надо его сильно греть, ибо ну его... некоторые ферро-материалы теряют свои свойства при перегреве. Можно паяльным феном греть еще.

2. При смотке обмоток, делать это или на видеокамеру, или фотографировать побольше, и записывать где, откуда и сколько было смотано. И каким проводом! При чем записывать сколько витков и в каком направлении они делаются!!!!Это самый главный момент! Еще кстати: в импульсниках часто разрывают первичную обмотку на две части - первую мотают на пустой трансформатор, а вторую - самой последней. Так трансформатор лучше работает (выше кпд у бп, если коротко).

3. При смотке обмоток 5 и 12в тоже считаем витки, но для особого случая! Сразу оговорюсь, что обмотки на 12в в явном виде не существует! Это напряжение строится на базе уже имеющейся 5в обмотки путем добавления обмотки на 7в. То есть для напряжения 12в трудятся обмотка 5в (которая снабжает еще и свои потребители), и добавочная на 7в. В итоге получается 12в, в каждом плече. Плечи нужны, что бы снять с трансформатора вдвое бОЛьшую мощность. В противном случае пришлось бы мотать обмотки ну очень уж толстой косичкой, что совсем не удобно. Плечи работают в параллель, одна помогает другой. Когда смотали все обмотки, то смотрим сколько витков было для 5в обмотки и для 7в. Другими словами смотрим из скольки же витков состояла наша старая 12в обмотка,верно? Допустим сумма этих обмоток составила 10 витков. Делим 12в на 10 и получаем, что 1 виток приносит нам примерно 1.2 вольта. Для 38 вольт нам потребуется 38/1.2=31,6 витка (на каждое плечо!!! Как бы это всё влезло на каркас?!).

Но можно посчитать по-другому. Я приводил пример при условии, что TL494 будет работать примерно в середине от своих способностей! То есть так, как она обычно работает в комповом БП. Благодаря этому у нее есть солидный запас для стабилизации выходного напряжения в широких пределах изменения напряжения сетевого (220в). Если этим пренебречь (не постоянно же у вас в розетке 190-200 вольт?), то можно попытаться сэкономить витки. Какое напряжение было у вашего бп на максимуме возможностей TL494? 27вольт? Допустим прежнее количество витков для 12в обмотки, равное 10 виткам. Получается, 1 виток нам дает 27/10=2.7 вольта. Возьмем вольт 5 запасом (для стабилизаци, хотя этого может быть маловато), итого 42в/2.7в=15.5 витков! Вот, это уже интересней! Конечно я не любитель загонять TL494 в крайнюю степень, но если в среднем эксплуатационное напряжение на выходе этого БП будет в пределах 20-30в, и только изредка 40в, то можно этим пренебречь. Еще раз напоминаю, что 15.5 витков - КАЖДОЕ плечо! И на всякий случай ЭТО ПРИМЕР!!!! Смотаете обмотки 5+7, узнаете количества витков и тогда будете плясать от этого. Провод нужно взять такой же, каким намотана обмотка +12в, сплести косичку и мотать. Если планируются бОльшие мощностя (ибо обмотка 12в это не единственный потребитель), то придется усиливать диаметр и количество жил, ставить более мощные диодные сборки. Пару слов о последних: для напряжения под 40 вольт нужна будет диодная сборка вольт не менее, чем под 150. Хотя эта рекомендация касается простой переделке БП на TL494 без перемотки (на максимум под 28 вольт), так что по хорошему вообще вольт на 200 надо искать.

4. Убираем все вторички, это 5в, 7в (которая в сумме с 5в получается 12в) и мотаем одну нормальную вторичку, со средней точкой. Схема указана. Если присутстует еще и вторичка 3.3в, ее убираем тоже.
Вложение:
img-2016-02-22-21-14-29.png
img-2016-02-22-21-14-29.png [ 12.47 КБ | Просмотров: 30068 ]

Вложение:
img-2016-02-22-21-19-59.png
img-2016-02-22-21-19-59.png [ 15.41 КБ | Просмотров: 30068 ]

vasvas писал(а):
прицепил бп от ноута через резистор на вторичках тоже 0, прицепил 220 через лампу, лампа горит во всю на вторисках 0. Это потому что сопротивление обмоток слишком мало? И значит там почти нет падения напряжения. или потому что транс импульсный?

Именно потому, что транс импульсный, у него такие мизерные по сопротивлению обмотки. Чем выше частота преобразования (грубо говоря частота "переменки") на первичке - тем больше можно снять вольт с одного витка провода. Со временем довели частоту преобразования до 30-50-90 килогерц (и это далеко не предел), а сопротивление в обмотках до долей ома. При чем как во вторичке, так и в первичке! Мы же знаем, что если обмотку из двух витков проволки 1мм вставить в розетку, то будет большой бабах? А если эту обмотку подключить к ПОСТОЯННОМУ напряжению через кнопку дверного звонка, и нажимать на эту кнопку с частотой 60 тысяч раз в 1 секунду, то все будет вполне себе ничего. Тем временем в трансформаторе будут созданы такие условия, которые позволят снимать с 1 витка достаточно ощутимое напряжение, чего обычным 220в/50Гц трансформаторам не снилось. Но у них есть свои плюсы (главным образом они не засирают радиоэфир, не дают помех, могут работать десятилетиями не выключаясь, и никакие "электролиты" у него не высыхают). Капец, я так клавиатуру сотру.

По поводу перефазировок обмоток, вернее, установки полного диодного моста.
Текст свернут
Ничего кроме этой схемы в голову не идет:
Вложение:
img-2016-02-22-21-19-59333333.png
img-2016-02-22-21-19-59333333.png [ 11.19 КБ | Просмотров: 30068 ]

В чужие схемы и советы некогда вникать, извините.

_________________

Поблагодарить автора:
Контакты:
Телеграмм: alexSh154
Вконтакте
Одноквассники
Instagram


Вернуться к началу
 Профиль  
 
СообщениеДобавлено: 23 фев 2016, 23:29 
Не в сети
Новичок

Зарегистрирован: 20 фев 2016, 01:05
Сообщения: 6
Авто: ВАЗ-1111
Имя: Владимир
oka275 писал(а):
Будем считать, что у нас сейчас одна единственная обмотка, как прям на этой схеме. Вот и действуйте, приводите схему обратной связи в соответствии с ней. ТЛ431 и оптрон тут указаны, равно как и новые номиналы. Для регулировки напряжения "двигайте" R16. Если мне не изменяет логика, то напряжение должно расти с увеличением номинала R16 (или наоборот - значит я ошибся, хотя это вряд ли). После переделки не долго быть такого разбега с нагрузкой и без, то есть должна появиться стабилизация.

Все так и сделал. но ничего не изменилось,нет реакции на регулировку. И на стабилитроне опорное напряжение 2.6-2.8, а я так понимаю оно должно быть 2.5. сейчас под нагрузкой вообще с 34в падает до 9в. короче нет стабилизации.
наверно надо его выкинуть нафик :bad: достал он меня %)


Вернуться к началу
 Профиль  
 
СообщениеДобавлено: 24 фев 2016, 22:27 
Не в сети
Site Admin
Аватара пользователя

Зарегистрирован: 10 апр 2007, 22:36
Сообщения: 11266
Откуда: Новосибирск, Дзержинский
Авто: ВАЗ-21043
Имя: Алексей
Цитата:
И на стабилитроне опорное напряжение 2.6-2.8, а я так понимаю оно должно быть 2.5. сейчас под нагрузкой вообще с 34в падает до 9в. короче нет стабилизации.

да кто сказал, что оно должно быть 2.5в? Там принцип то какой.. Допустим, что напряжение на выходе БП, сразу после его включения, растет постепенно. Стабилитрон пока еще закрыт, потому как не настало время его "пробоя", порог которого установлен резисторами R15-16. Благодаря этому через светодиод оптрона ток не течет и "педалька тормоза" у 3845 не нажата. И вот настает момент, когда стабилитрон TL431 пробивается, ток начинает течь через светодиод, а фотодиод в свою очередь воздействует на 3845, которая снижает выходное напряжение до тех пор, пока выходное напряжение не станет ниже порога, на который настроены резисторы R15-16. Стабилитрон затыкается, ток через светодиод пропадает, и все повторяется изначально. Вот у вас эта связь нарушена, вероятней всего из за выхода из строя какой либо детали(лей).

Первое, чего вам необходимо достичь, это управление выходным напряжение БП - взять его под контроль БЕЗ НАГРУЗКИ. Подбором резистора R16 попробуйте сделать его равным, например, 12в. Потом подайте нагрузку - ну обязано оно стабилизироваться!!!!!! В противном случае вы что то намудрили с фазировками, или еще с чем то.

_________________

Поблагодарить автора:
Контакты:
Телеграмм: alexSh154
Вконтакте
Одноквассники
Instagram


Вернуться к началу
 Профиль  
 
СообщениеДобавлено: 24 фев 2016, 23:31 
Не в сети
Новичок

Зарегистрирован: 24 фев 2016, 23:05
Сообщения: 6
Имя: Сергей
Доброго времени Всем, попался мне БП на 3843B дежурка на DM311 и супервизором WT751002 S. Изначально был не рабочим но я его поднял, включается через PC-ON. (Все дальнейшие действия с подсоединенной последовательно бп лампочкой 220В 60Вт) Ну думаю все ОК можно и нагрузить его, подключил лампочку 12В 50Вт к 12в линии - БП ушел в защиту (лампочка на 220в загорелась в пол накала)
Не беда выкинул супервизор контакты ног 2 и 3 замкнул (грешил на него) - запустился. Подключил лампочку 12В - БП ушел в защиту лампочка на 220в загорелась в пол накала пока не сделаешь OFF-ON. После эксперементов решено то что БП уходит в защиту при превышении выходного тока в 1А. Как я понял это сам ШИМ уходит в защиту. Проверил всю его обвязку - ничего подозрительного нет. И да при переходе БП в защиту слышен хороший писк со стороны высокой части. Схема БП схожа со схемой SUNNY ATX-230, но все же есть отличия. Кто что может подсказать куда копать дальше ??


Вернуться к началу
 Профиль  
 
СообщениеДобавлено: 25 фев 2016, 01:24 
Не в сети
Постоянец

Зарегистрирован: 11 ноя 2014, 18:10
Сообщения: 151
Откуда: Новосибирск
Авто: nissan patrol
Имя: Константин
Грузить с лампочкой 220/60вт не выйдет, поставьте хотя бы 200вт, уВас входное напряжение проваливается под нагрузкой, и затыкается дежурный б.п., вообще лампочка по входу нужна только при первом включении после ремонта, от грубых ляпов, далее лампочку выкидываем и начинаем помаленьку нагружать, и опщупывать, обнюховать :D на нагрев и т.д.
И еще, по хорошему лампочка вешается не последовательно с б.п., а в разрыв +310в от сетевого выпрямителя и силовыми транзисторами, потому что в случае внештатной ситуации энергии конденсаторов хватит, чтоб снести крышу транзюкам.


Вернуться к началу
 Профиль  
 
СообщениеДобавлено: 25 фев 2016, 02:33 
Не в сети
Site Admin
Аватара пользователя

Зарегистрирован: 10 апр 2007, 22:36
Сообщения: 11266
Откуда: Новосибирск, Дзержинский
Авто: ВАЗ-21043
Имя: Алексей
Да, это уже становится прописной истиной, что подключил лампу, проверил - ничего не греется, все ок, и всё. Грузить, подключенный таким образом БП, очень не рекомендуется (ну если только совсем чуть чуть, не доводя нить накала лампы 220в до хоть сколько нибудь свечения). Кстати, можно попробовать поставить предохранитель между 310в и силовой частью. Он не будет просаживать напругу на себе, как лампа, и МОЖЕТ БЫТЬ сгорит раньше, чем кремний ))

_________________

Поблагодарить автора:
Контакты:
Телеграмм: alexSh154
Вконтакте
Одноквассники
Instagram


Вернуться к началу
 Профиль  
 
СообщениеДобавлено: 25 фев 2016, 02:45 
Не в сети
Новичок

Зарегистрирован: 24 фев 2016, 23:05
Сообщения: 6
Имя: Сергей
uni-el писал(а):
уВас входное напряжение проваливается под нагрузкой, и затыкается дежурный б.п.,


А и точно :) как то не додумался до этого :oops: спасибо за подсказку большое, завтра попробую без лампочки запустить. А что бы переделать его в регулируемый достаточно ли будет собрать эту схему на ОУ после оптопары а саму обвязку 3843 до оптрона не трогать ? И можно ли использовать для этой регулировки tl393?


Вложения:
3842.gif
3842.gif [ 49.49 КБ | Просмотров: 30031 ]
Вернуться к началу
 Профиль  
 
СообщениеДобавлено: 25 фев 2016, 02:47 
Не в сети
Новичок

Зарегистрирован: 24 фев 2016, 23:05
Сообщения: 6
Имя: Сергей
oka275 писал(а):
МОЖЕТ БЫТЬ сгорит раньше, чем кремний ))
может бить :good:


Вернуться к началу
 Профиль  
 
СообщениеДобавлено: 25 фев 2016, 11:18 
Не в сети
Заслуженный пользователь
Аватара пользователя

Зарегистрирован: 08 янв 2016, 17:09
Сообщения: 31
Откуда: СПб
Имя: Василий
ооо смотрю тема народу интересна! круто! продолжаем.
Выбрал я время, накопал еще один бп на TL494 и начал ковырялки. В этот раз решил оставить транс в покое, тк перемотку пока не освоил -) и замутить полноценный диодный мост.
Отцепил от первой ноги резюк на 5в, сунул переменник 1 ком вместо резюков с 1й ноги в землю. отодрал с 4й ноги все кроме земляного резюка. ну и как обычно получил до +27в.
но нижний предел оказался 11 в. Заменил с резюк с первой ноги на 12в с заводского 17ком на 3ком, нижний предел регулировок ушел до +6 в.

И до меня дошло чтт у меня навалом с разборок только положительных полумостов, пришлось городить отрицательную часть из отдельных диодов. Минус с моста я сунул в 5в часть (при включении правда взорвал кондер тк теперь земля относительно минуса нового отрицательного полумоста стала положительной, но потом допер и правильно поставил). С дгс почему-то все цыкало и трещало, выпаял его и поставил перемычки.
По итогу вышло 53в предел регулировок- чего более чем достаточно для моих целей.
с начала поставил обычный одно-оборотный переменник -его чуть отверткой тронешь - напруга летит +-3-5в. по итогу нашел многооборотный - получается плавнее.

вопрос(ы) уважаемым знатокам:
1) как сделать регулировку напряжения совсем плавной в диапазоне хотя бы 30-40в ? ставить последовательно с основным переменником первой ноги еще один? или переменник на 12 в?
2) почему чем выше напряжение тем больше шаг регулировки? может какой-то особый переменник нужен?
3) в моей схеме положительная и отрицательная часть получилась не одинаковая. минимум напряжения относительно земли,( теперь уже средней точки) на положительной части 6в, а отрицательной 20в, хотя максимум и там и там 27в.
это потому что разные падения напряжения на полумосту и отдельных диодах? как это исправить.
4) в полученной отрицательной половине есть дельта напряжения 2-5в при нагрузке и без нее, а в положительной все одинаково стабилизировано. почему как вылечить.
5) можно ли без особо сложных выкрутасов добавить регулировку тока? вроде это как то делают манипуляциями с 15й вроде ногой...


Последний раз редактировалось vasvas 06 мар 2016, 08:48, всего редактировалось 3 раз(а).

Вернуться к началу
 Профиль  
 
СообщениеДобавлено: 25 фев 2016, 16:45 
Не в сети
Новичок

Зарегистрирован: 20 фев 2016, 01:05
Сообщения: 6
Авто: ВАЗ-1111
Имя: Владимир
oka275 писал(а):
Цитата:
В противном случае вы что то намудрили с фазировками, или еще с чем то.

Вы имеете ввиду фазировку обмоток?
Там то выходить из строя нечему, стабилитрон поменял на всякий случай, что бы исключить его неисправность.
У меня одна мысль, что я нахимичил с обмотками не то)
Потому что всю цепь ОС перебрал в разных вариантах, безрезультатно. Буду возвращать транс в исходное состояние)

А еще вопрос. На этом ШИМЕ (3845) возможна регулировка тока?


Вернуться к началу
 Профиль  
 
СообщениеДобавлено: 26 фев 2016, 04:13 
Не в сети
Site Admin
Аватара пользователя

Зарегистрирован: 10 апр 2007, 22:36
Сообщения: 11266
Откуда: Новосибирск, Дзержинский
Авто: ВАЗ-21043
Имя: Алексей
други, на что знаю ответ - завтра, сегодня уже батарейки сели. Почти не спал сутки. Для меня это много.

_________________

Поблагодарить автора:
Контакты:
Телеграмм: alexSh154
Вконтакте
Одноквассники
Instagram


Вернуться к началу
 Профиль  
 
СообщениеДобавлено: 06 мар 2016, 09:02 
Не в сети
Заслуженный пользователь
Аватара пользователя

Зарегистрирован: 08 янв 2016, 17:09
Сообщения: 31
Откуда: СПб
Имя: Василий
тк предыдущие вопросы совсем принципиальными не являются, накопал еще один бп real power 350w на микре
sg6105dz
и в общем тоже загорелся ее регулировать.
нашел понятную статью по переделке но микра sg6105
http://www.overclockers.ru/lab/15898.shtml
за основу взял схему http://www.overclockers.ru/images/lab/2 ... 2/pic3.png
но в моем случае нет R91 на 5в .
Поставил переменник VR3 тк его у меня изначально не было. и получил банально маленькую регулировку 10.7-13.4в, а потом защита. А мне надо:
1) боооольше диапазон, поэтому как бы это сделать?
2) этот бп стартует с 50вт галогенкой, с 2мя не осиливает - видимо микра ловит перекос напряжений и гасится. Та же история была на предыдущем бп с TL494, но как только были убраны компараторы бп легко стал отдавать по 150ватт. Как все отключить, чтобы и бп с микрой sg6105dz выдал всю мощь?


зы вот еще про это http://www.modlabs.net/tag/%D0%B4%D0%BE ... 0%B8%D1%8F
http://www.cqham.ru/pow42_27.htm


Вернуться к началу
 Профиль  
 
 Заголовок сообщения: !!
СообщениеДобавлено: 06 мар 2016, 14:01 
Не в сети
Участник Клуба ЗУ-ОКА275
Аватара пользователя

Зарегистрирован: 03 ноя 2012, 02:16
Сообщения: 204
Откуда: НСО сДоволное
Авто: ВАЗ-11113
Имя: александр
vasvas писал(а):
тк предыдущие вопросы совсем принципиальными не являются, накопал еще один бп real power 350w на микре
sg6105dz
и в общем тоже загорелся ее регулировать.
нашел понятную статью по переделке но микра sg6105
http://www.overclockers.ru/lab/15898.shtml
за основу взял схему http://www.overclockers.ru/images/lab/2 ... 2/pic3.png
но в моем случае нет R91 на 5в .
Поставил переменник VR3 тк его у меня изначально не было. и получил банально маленькую регулировку 10.7-13.4в, а потом защита. А мне надо:
1) боооольше диапазон, поэтому как бы это сделать?
2) этот бп стартует с 50вт галогенкой, с 2мя не осиливает - видимо микра ловит перекос напряжений и гасится. Та же история была на предыдущем бп с TL494, но как только были убраны компараторы бп легко стал отдавать по 150ватт. Как все отключить, чтобы и бп с микрой sg6105dz выдал всю мощь?


зы вот еще про это http://www.modlabs.net/tag/%D0%B4%D0%BE ... 0%B8%D1%8F
http://www.cqham.ru/pow42_27.htm

уменя кореш бился с таким блоком бестолку ,пока микру на 494 не сменил инфу в инете вычитал!


Вернуться к началу
 Профиль  
 
 Заголовок сообщения: Re: !!
СообщениеДобавлено: 06 мар 2016, 16:29 
Не в сети
Заслуженный пользователь
Аватара пользователя

Зарегистрирован: 08 янв 2016, 17:09
Сообщения: 31
Откуда: СПб
Имя: Василий
upimm писал(а):
у меня кореш бился с таким блоком бестолку ,пока микру на 494 не сменил инфу в инете вычитал!

так у ниже разное количество ног :( как микру переставить? а то у меня есть тлки494е.


Вернуться к началу
 Профиль  
 
СообщениеДобавлено: 12 апр 2016, 06:14 
Не в сети
Заслуженный пользователь
Аватара пользователя

Зарегистрирован: 08 янв 2016, 17:09
Сообщения: 31
Откуда: СПб
Имя: Василий
вылез следующий вопрос:
бп на 250-300 ватт из старых на TL494, сделал регулировку.
хочу увеличить выходную мощность.
трансформаторы в них 35-40, как и в 500ваттных, а транзисторы мелкие 13007 и подобные,
Можно ли поставить такие же пару транзисторов в параллель и полумосты в низковольтной части? или надо еще что-то умощнить?


Вернуться к началу
 Профиль  
 
 Заголовок сообщения: Re: !!
СообщениеДобавлено: 12 апр 2016, 10:37 
Не в сети
Site Admin
Аватара пользователя

Зарегистрирован: 10 апр 2007, 22:36
Сообщения: 11266
Откуда: Новосибирск, Дзержинский
Авто: ВАЗ-21043
Имя: Алексей
vasvas писал(а):
upimm писал(а):
у меня кореш бился с таким блоком бестолку ,пока микру на 494 не сменил инфу в инете вычитал!

так у ниже разное количество ног :( как микру переставить? а то у меня есть тлки494е.

О, это сложно. Или надо будет городить платку и кучу проводов (худший вариант), или делать с нуля новую печатную плату.

_________________

Поблагодарить автора:
Контакты:
Телеграмм: alexSh154
Вконтакте
Одноквассники
Instagram


Вернуться к началу
 Профиль  
 
Показать сообщения за:  Поле сортировки  
Начать новую тему Ответить на тему  [ Сообщений: 101 ]  На страницу Пред.  1, 2, 3, 4, 5, 6  След.

Часовой пояс: UTC + 7 часов


Кто сейчас на конференции

Сейчас этот форум просматривают: нет зарегистрированных пользователей и гости: 1


Вы не можете начинать темы
Вы не можете отвечать на сообщения
Вы не можете редактировать свои сообщения
Вы не можете удалять свои сообщения
Вы не можете добавлять вложения

Найти:
Перейти:  
cron
Powered by phpBB® Forum Software © phpBB Group
Русская поддержка phpBB