Ока в Новосибирске

Клуб Окаводов Новосибирска
Текущее время: 27 фев 2026, 16:45

Часовой пояс: UTC + 7 часов




Начать новую тему Ответить на тему  [ Сообщений: 11898 ]  На страницу Пред.  1 ... 105, 106, 107, 108, 109, 110, 111 ... 595  След.

Актуальная статистика (не забывайте изменять статус!)
Собрал и буду собирать еще (соседу, свату, брату) 24%  24%  [ 57 ]
Собрал одно ЗУ 21%  21%  [ 49 ]
Уже собираю 28%  28%  [ 67 ]
Интересуюсь, размышляю - собирать или нет. Наверное буду. 26%  26%  [ 63 ]
Не буду собирать это устройство. 1%  1%  [ 3 ]
Всего голосов : 239
Автор Сообщение
СообщениеДобавлено: 20 май 2014, 03:05 
Не в сети
Site Admin
Аватара пользователя

Зарегистрирован: 10 апр 2007, 22:36
Сообщения: 11296
Откуда: Новосибирск, Дзержинский
Авто: ВАЗ-21043
Имя: Алексей
Baron76 писал(а):
блок стрикочет на низких напряжениях(от 1,2 до 4 вольт где то). И именно под нагрузкой.

А попробуйте массу в районе ЦАПа, который рулит напряжением, соединить толстым отдельным проводом с массой TL494? Может тут паразитная связь возникает при нагрузке?

Baron76 писал(а):
Блок с самых низких напряжений молчит и не скрикочет. Шумов никаких нет. Как это понимать точно не знаю, но подозреваю что с операционника защиты по току лезет помеха какая то.

Вряд ли. Если бы проблема была с этой цепью, то стрекотало бы именно при ограничении. В прочем, не долго отпаять провод, который идет на третью ножку TL494 и отключить цепь ограничения вообще. И проверить.

_________________

Поблагодарить автора:
Контакты:
Телеграмм: alexSh154
Вконтакте
Одноквассники
Instagram


Вернуться к началу
 Профиль  
 
СообщениеДобавлено: 20 май 2014, 03:26 
Не в сети
Заслуженный участник Клуба ЗУ-ОКА275

Зарегистрирован: 02 фев 2013, 15:00
Сообщения: 61
Авто: WV CADDY
Имя: Сергей
Ув.vpvideo могу порекомендовать AMTECH RMA-223-UV для BGA компонентов на украине можно купить на фирмах торгующих комплектующими для мобильников.


Вернуться к началу
 Профиль  
 
СообщениеДобавлено: 20 май 2014, 09:12 
Не в сети
Заслуженный участник Клуба ЗУ-ОКА275

Зарегистрирован: 14 мар 2014, 16:47
Сообщения: 596
Имя: Сергей
Тоже недавно прокололся с безотмывачным флюсом ЛТИ-120.Всю свою жизнь всегда пользовался канифолью разведенной в спирте и не жаловался.А тут решил на старости лет использовать новинку.Собирал терморегулятор для отопления.И все вроде замечательно,но,когда стал прошивать контроллер внутрисхемно,у меня программатор стал давать ошибку и контроллер видит,а шить отказывается.Долго мучился,пока не помыл плату.Плату промыл и сразу все зашилось.А с канифолью разведенной в спирте у меня таких проблем ни разу не возникало.Вернулся обратно к канифоли разведенной в спирту.Решил так,либо я не готов еще работать с новинками,либо руки кривые у меня,либо новинки заточены не под меня.Да,еще одно время пользовался лаком спреем в болончике,импортный.После того как промывал плату,покрывал этим лаком плату со стороны дорожек и этот лак давал хорошую изоляцию.Если нужно что то заменить на плате,то лак не мешал пайки. В общим,хороший лак,мне понравился.


Вернуться к началу
 Профиль  
 
СообщениеДобавлено: 20 май 2014, 12:44 
Не в сети
Уже был(а) и не раз

Зарегистрирован: 17 фев 2014, 21:10
Сообщения: 44
Откуда: Николаев
Авто: Renault Kangoo
Имя: Виталий
serg1968-09 писал(а):
Тоже недавно прокололся с безотмывачным флюсом ЛТИ-120.Всю свою жизнь всегда пользовался канифолью разведенной в спирте и не жаловался.....

Поддерживаю! Как раз при изготовлении этого ЗУ впервые использовал импортный безотмывочный флюс. Как следствие проблемы с прошивкой Меги32.
Видимо и я либо не дорос, либо что то делаю не так. Вернулся на спирт/канифоль.


Вернуться к началу
 Профиль  
 
СообщениеДобавлено: 20 май 2014, 13:20 
Не в сети
Заслуженный участник Клуба ЗУ-ОКА275

Зарегистрирован: 24 окт 2013, 11:44
Сообщения: 933
Откуда: Чувашия
Авто: КИА РИО 2018
Имя: Вячеслав
Цитата:
Вернулся на спирт/канифоль.

:good:

_________________
С уважением,Вячеслав.73!


Вернуться к началу
 Профиль  
 
СообщениеДобавлено: 20 май 2014, 13:33 
Не в сети
Site Admin
Аватара пользователя

Зарегистрирован: 10 апр 2007, 22:36
Сообщения: 11296
Откуда: Новосибирск, Дзержинский
Авто: ВАЗ-21043
Имя: Алексей
Я тоже не профи в этих флюсах, но есть кое какие мысли на счет того, что или все безотмывочные флюсы - подделка, или действительно что то происходит странное. Из области невероятного, например - остатки флюса абсорбируют влагу, начинается процесс окисления или даже гниения. Конечно канифоль со спиртом является самым безопасным флюсом, но и сам по себе флюс слабенький. Во-первых слабые антиокислительные способности. Например, лудил я им не совсем новые, чуть окислившиеся провода - фигу, не лудится и все! Использовал ЛТИ-120 и залудил без проблем! Во-вторых моментально испаряется, а потому слабо подходит для пайки феном. В третьих, на военном производстве смывают даже его. То есть в норме плата должна быть идеально чистой, а затем на плату наносят лак.

1. Я уже купил и давно пользуюсь этим лаком:


http://www.conrad.de/ce/de/product/8205 ... HAN-200-ml
сравнительно быстро сохнет, возможной последующей выпайке вроде не мешает (не пробовал особо, но при необходимости смывается ацетоном). Защищает от окислов, придает товарный вид.

2. Подумываю на счет покупки ультразвуковой мойки для плат. Удерживает только то, что платы я делаю крайне редко, и просто жалко денег на минутные удовольствия - лучше купить нормальную настольную лупу или микроскоп. Конечно можно вручную отмывать, но под корпусами SMD это сделать не так просто, а ультразвук проникнет везде. Наверное.

Вот еще кое что про флюсы https://www.youtube.com/watch?v=4DsWdDw-i0A Думаю поискать в инете и купить небольшую партию на пробу (мне много не надо). ОБОЖАЮ когда флюс не испаряется моментально, а остается на плате в виде жира, или меда - если хотите. Кстати, это сильно напоминает глицерин, которым любит паять easyelectronics.

Вот, кстати, несколько ссылок на его ресурс:

http://easyelectronics.ru/xranenie-flyusov.html тут таблица отличительных способностей флюсов.
http://easyelectronics.ru/likbez-po-pajke.html еще почти тоже самое, можно прочитать про то, что можно не смывать, а что нужно смывать обязательно.

А я в последнее время начинаю обучаться применению паяльной пасты. Это и припой, и флюс. И отмывать вроде как не надо. Не давно запаивал ATmega8 в корпусе TQFP, так милое дело. Правда получилось со второго раза - в первый раз переборщил с пастой и пара ножек слиплась.

_________________

Поблагодарить автора:
Контакты:
Телеграмм: alexSh154
Вконтакте
Одноквассники
Instagram


Вернуться к началу
 Профиль  
 
СообщениеДобавлено: 20 май 2014, 18:33 
Не в сети
Заслуженный бета-тестер
Аватара пользователя

Зарегистрирован: 09 дек 2013, 22:02
Сообщения: 147
Откуда: Чернигов
Авто: ВАЗ-2111
Имя: Владимир
И я хочу на пасту паяльную перейти. Есть вроде все для этого. И видео в сети полно. Так оно само собой красиво припаивается. Покупал два вида пасты. Лажа какая-то. Ею только из рогатки стрелять. Прыгает, стреляет, в кучу не стекается - россыпь мелких шариков. При том текстолит уже темнеть начинает, а они так горой и лежат. Решил пока нервы и средства не портить. Надо проверенного поставщика искать


Вернуться к началу
 Профиль  
 
СообщениеДобавлено: 20 май 2014, 18:47 
Не в сети
Site Admin
Аватара пользователя

Зарегистрирован: 10 апр 2007, 22:36
Сообщения: 11296
Откуда: Новосибирск, Дзержинский
Авто: ВАЗ-21043
Имя: Алексей
У меня все стекается как надо, ничего не стреляет. Стрелять наверное может из за наличия влаги в пасте. В любом случае считаю, что проблема в ней, а не в руках.

_________________

Поблагодарить автора:
Контакты:
Телеграмм: alexSh154
Вконтакте
Одноквассники
Instagram


Вернуться к началу
 Профиль  
 
СообщениеДобавлено: 21 май 2014, 12:00 
Не в сети
Заслуженный участник Клуба ЗУ-ОКА275

Зарегистрирован: 14 мар 2014, 16:47
Сообщения: 596
Имя: Сергей
С паяльной пастой сталкивался,попадается контрафакт и она начинает работать как раз так,как и сказал vpvideo.На пасте,наверное,лучше не экономить и покупать от известных производителей,в этом убедился на личном опыте.Здесь,как говорится,на вкус и цвет,мне больше нравится припаивать припоем ASSAHI диаметром от 0,5 до 0,8 с безотмывочным флюсом.Уже давно работаю с таким припоем.Дорогой правда,но искусство требует жертв,да и катушки в 250 грамм на долго хватает.


Вернуться к началу
 Профиль  
 
СообщениеДобавлено: 21 май 2014, 14:45 
Не в сети
Уже был(а), и не раз, и не два

Зарегистрирован: 05 мар 2014, 16:14
Сообщения: 93
Откуда: Курск
Авто: Chevrolet Lacetti
Имя: Андрей
Алексей , а что нового в пошивке 13.05.2014 ?


Вернуться к началу
 Профиль  
 
СообщениеДобавлено: 21 май 2014, 15:34 
Не в сети
Site Admin
Аватара пользователя

Зарегистрирован: 10 апр 2007, 22:36
Сообщения: 11296
Откуда: Новосибирск, Дзержинский
Авто: ВАЗ-21043
Имя: Алексей
Andrey68 писал(а):
Алексей , а что нового в пошивке 13.05.2014 ?

Официально - ничего. Я просто случайно запустил файл обновления архивов на форуме. В противном случае я бы внес изменения в файл истории.
Не официально - снизился порог определения напряжения с АКБ до 4х вольт. Если напряжение ниже 4х вольт, то выводится сообщение "Подключите АКБ". Данное действие готовит дорогу для будущей возможности зарядки 6-вольтовых АКБ.

_________________

Поблагодарить автора:
Контакты:
Телеграмм: alexSh154
Вконтакте
Одноквассники
Instagram


Вернуться к началу
 Профиль  
 
СообщениеДобавлено: 21 май 2014, 20:13 
Не в сети
Постоянец

Зарегистрирован: 30 янв 2014, 03:36
Сообщения: 238
Откуда: Таганрог
Авто: Accent
Имя: Алексей
Алексей, ПУ рассчитана только на ШИМ и только 494? Это сделано было я так понял изначально в целях экономии путем переделки ATX блока. Не думали приспособить например к драйверу IR2151 вроде там тоже есть компараторы на входах? Или к другому типу ШИМа...Не сошелся же свет клином на 494. Если я не прав, то поправьте...


Вернуться к началу
 Профиль  
 
СообщениеДобавлено: 23 май 2014, 04:15 
Не в сети
Site Admin
Аватара пользователя

Зарегистрирован: 10 апр 2007, 22:36
Сообщения: 11296
Откуда: Новосибирск, Дзержинский
Авто: ВАЗ-21043
Имя: Алексей
ileksus писал(а):
Алексей, ПУ рассчитана только на ШИМ и только 494?

Изначально ориентировка была на 494, но плату управления можно приспособить почти ко всему, что способно управляться изменением напряжения от 0 до 5в. Кстати, ЦАПы можно использовать как обычный переменный резистор. Для этого сигнал, который необходимо регулировать, надо подать вместо опорного на конкретный ЦАП. Разумеется, этот сигнал не должен превышать характеристик, приведенных в даташите.

ileksus писал(а):
Это сделано было я так понял изначально в целях экономии путем переделки ATX блока.

Не совсем. Я бы сказал, что TL494 максимально к этому приспособлена. Другие специализированные контроллеры ШИМ, например, ATX2005, имеют на своем борту всякие супервизоры питания для формирования сигнала POWER GOOD средствами самого чипа. В 494 нет никаких лишних наворотов, потому наверное на ней в основном собирают всякие БП, ЗУ и прочее.

ileksus писал(а):
Не думали приспособить например к драйверу IR2151 вроде там тоже есть компараторы на входах?

Нет, не думал. И вряд ли буду. В первую очередь потому, что у меня нет устройства, где применяется IR2151 и потому думать не об чем. Конечно можно задаться, собрать такое устройство, но это может случиться, если мне это устройство будет нужно. Просто так собирать нет ни интереса, ни времени - если только это не техническое задание. Например, корячился бы контракт на производство зарядных устройств, но нужно было бы решить вопрос с IR2151. Прошу меня глубоко извинить, если не оправдал надежд в этом вопросе. Но БП на 494 не такой уж дефицит. Ладно бы их выпускали лет 30 назад и это был бы раритет, но их выпускают до сих пор. Лучше использовать заводской вариант, и на самоделки переходить только после приобретения достаточного опыта. Иначе при плохом раскладе череда проклятий в сторону TL494 будет гарантирована. А микросхема то не виновата.

_________________

Поблагодарить автора:
Контакты:
Телеграмм: alexSh154
Вконтакте
Одноквассники
Instagram


Вернуться к началу
 Профиль  
 
СообщениеДобавлено: 23 май 2014, 04:40 
Не в сети
Site Admin
Аватара пользователя

Зарегистрирован: 10 апр 2007, 22:36
Сообщения: 11296
Откуда: Новосибирск, Дзержинский
Авто: ВАЗ-21043
Имя: Алексей
Принесли тут в ремонт компьютер с жалобой "Не включается". В общем, накрылся БП. Купить новый всегда успеется и я уговорил людей на его ремонт. Лишний опыт не помешает и я жадно приступил к работе. В качестве контроллера применена микросхема АТХ2005, БП на 350 ватт, без особенностей. Неисправность - просто не стартует, дежурка работает. Первым делом побежал по полупроводникам, начал с ВВ-транзисторов. Ага, один битый нашелся сразу! Винты крепления со временем ослабли, нарушился контакт транзистора с радиатором и пошел его локальный перегрев. Что интересно, грелся он на столько, что коллекторный вывод аж посинел, а припой на плате вокруг этой ножки оплавился. Транзистор D209L, искал среди своих ИБП такой, но не нашел - пришлось менять оба на 13009. Надо будет прикупить дюжину подобных транзисторов на запас. Попутно проверил все в обвязке, впаиваю, включаю - ИБП заработал, но какой то свист сильно меня насторожил. По скольку все полупроводники были исправны, пошел щупать конденсаторы - и нашел! Кто представляет себе классическую схему ИБП, тот вспомнит о наличии в базах высоковольтных транзисторов электролитические конденсаторы 50в 1мкф. В этой схеме правда используются конденсаторы 50в 2.2мкф, но при проверке один конденсатор был в норме, а второй едва дотягивал до 1.5мкф вместо положенных 2.2. Поменял. Включаю - почти тишина, лишь только легкое пищание при включении, а потом все ОК. По скольку в поисках я порядком перепахал плату, то остатков флюса накопилось достаточно. Помыл плату, просушил ее феном, остудил, включаю - ТИШИНА И ПОРЯДОК.

К чему я? А к тому, что эти ИБП вполне пригодны к ремонту. Если имеется опыт радиолюбительства и знания как работает ИБП хотя бы в общих чертах, можно брать ИБП на TL494, ремонтировать и спокойно использовать его в своем ЗУ. Только разумеется то, что необходимо будет его чуть доработать: поставить более высоковольтную диодную сборку на канал 12в (остальные сборки выпаять от греха), заменить выходной электролитический конденсатор более высоковольтный и заменить нагрузочный резистор на 100 ом 5 ватт. А, ну еще привести обвязку TL494 к требованиям схемы (1-2-3-4 ножки). 15-16 лучше не трогать, если у вас на плате организована штатная защита от перегрузки/КЗ - пусть лучше она останется, убрать ее никогда не поздно.

PS. Конечно без прибора, который позволяет замерять ёмкость, я бы БП не починил. Ну или пришлось бы подключать осциллограф, или менять все электролитические конденсаторы на заведомо исправные. Так же сильно выручает оплётка для сбора припоя, а иногда игла от шприца, что бы при выпайке разогнуть согнутые на заводе выводы. Разок даже применил сплав Розе.

_________________

Поблагодарить автора:
Контакты:
Телеграмм: alexSh154
Вконтакте
Одноквассники
Instagram


Вернуться к началу
 Профиль  
 
СообщениеДобавлено: 23 май 2014, 23:43 
Не в сети
Уже был(а), и не раз, и не два

Зарегистрирован: 12 мар 2013, 23:15
Сообщения: 77
Авто: Opel Astra
Имя: Владимир
Доброго времени всем! Ув. ока275, поменял я обвязку TL494 на заводскую, как Вы и советовали, но все равно в режиме БП есть свисты, а именно: на ХХ от 1,7 В до 8,0 В, под нагрузкой от 0,1 В до 0,5 В (странно то, что под нагрузкой диапазон напруг от 0 до 19 В, но я думаю, что это из-за того, что вольтметры еще не калиброваны). Еще ко всему этому случился бабах (вылетели 13007 и диодный мост, больше пока никаких компонентов не проверял), видать не уследил за температурой радиатора ВВ транзисторов. Такой гадостный порядок вещей начинает толком злить и закрадывается мысля заменить ИИП, и не парить мозги себе и окружающим.


Вернуться к началу
 Профиль  
 
СообщениеДобавлено: 24 май 2014, 00:43 
Не в сети
Уже был(а), и не раз, и не два

Зарегистрирован: 03 мар 2013, 04:24
Сообщения: 63
Откуда: Украина
Авто: hyundai accent
Имя: Павел
Вячеслав-1, красиво получилось, подскажите ,у Вас на фото видно разрядник ,по какой схеме собирали,у меня по схеме уважаемого Алексея(автора) калибровал вчера до 11А хотя и не нужно было, просто проверял(чуть не сплавил щупы мультиметра) ,так вот проблема, появляется свист и немного плавают показания на дисплее амперметра разряда (~100-400мА), а также слышен писк с увеличением нагрузки усиливается поставил керамику на затвор по 1 мкФ немного утихло, но все же есть и показания продолжают прыгать на мультиметре стоит как вкопанный


Вернуться к началу
 Профиль  
 
СообщениеДобавлено: 24 май 2014, 12:50 
Не в сети
Site Admin
Аватара пользователя

Зарегистрирован: 10 апр 2007, 22:36
Сообщения: 11296
Откуда: Новосибирск, Дзержинский
Авто: ВАЗ-21043
Имя: Алексей
Вячеслав-1 писал(а):
Вот чего получилось,только сегодня подключил контроллер вентиляции,всё работает,при разрядном токе 10 А ,выше не калибруется,температура около 60 градусов.Гонял в течении часа,в комнате 27 градусов.В блоке питания датчик расположил под силовым дросселем.Использовал только два датчика,один в БП,другой на разряднике.

Вячеслав, просто шикарно! Молодец!!!

_________________

Поблагодарить автора:
Контакты:
Телеграмм: alexSh154
Вконтакте
Одноквассники
Instagram


Вернуться к началу
 Профиль  
 
СообщениеДобавлено: 24 май 2014, 13:33 
Не в сети
Site Admin
Аватара пользователя

Зарегистрирован: 10 апр 2007, 22:36
Сообщения: 11296
Откуда: Новосибирск, Дзержинский
Авто: ВАЗ-21043
Имя: Алексей
Vlad80 писал(а):
Доброго времени всем! Ув. ока275, поменял я обвязку TL494 на заводскую, как Вы и советовали, но все равно в режиме БП есть свисты, а именно: на ХХ от 1,7 В до 8,0 В, под нагрузкой от 0,1 В до 0,5 В (странно то, что под нагрузкой диапазон напруг от 0 до 19 В, но я думаю, что это из-за того, что вольтметры еще не калиброваны)

Что сказать.... :( Победить свист порой не так просто, к тому же не совсем известна причина того, почему на некоторых ибп он есть изначально, а на других нет в принципе. И это при том, что их схемы приблизительно одинаковые. У меня есть два одинаковых ибп, как 2 капли. Но у первого, при штатной обвязке, нет свистов, а у второго свисты. И вот пойми их! Есть ещё пара ибп, включая мощный китайский на 30А. Надо будет попробовать подключить их и посмотреть на то, как они будут себя вести.

Что могу рекомендовать?
1. Сменить источник питания 12.6В. В своё время я питал ПУ от дежурки, но потом подал питание с обычного трансформаторного источника и это позволило самоустранить большинство возбудов и свисток.
2. Провода до TL494 кратчайший длинны, в идеале - экранированные, но у большинства все работает через обычный шлейф. Но даже там лучше чередовать сигнальные провода с земляными. Со стороны платы управления их припаять на минус питания ЦАПов, а со стороны 494 на 7ю ножку (минус её питания)
3. Если ничего не меняется, остаётся только играться параметрами резистора и конденсатора, которые подключены последовательно с 3й на 2ю ножку TL494 (обратная связь). Собсно, писк это и есть последствия неправильно подобранной обратной связи. Ещё можно поиграться номиналом резистора 750 Ом, который идёт с выхода ЦАП на 2ю ножку TL494. Его сопротивление, при штатной обвязке TL494, должно быть НЕ МЕНЕЕ 750 Ом (это важно!!!!!). Повышать можно до килоома, при этом максимальное возможное напряжение на выходе ибп будет несколько ниже, чем физически может выдать ибп.
4. Все таки убедиться в наличии резистора 100 Ом на выходе ибп по каналу +12в, я так и не нашёл подтверждения его наличия.

_________________

Поблагодарить автора:
Контакты:
Телеграмм: alexSh154
Вконтакте
Одноквассники
Instagram


Вернуться к началу
 Профиль  
 
СообщениеДобавлено: 25 май 2014, 00:51 
Не в сети
Site Admin
Аватара пользователя

Зарегистрирован: 10 апр 2007, 22:36
Сообщения: 11296
Откуда: Новосибирск, Дзержинский
Авто: ВАЗ-21043
Имя: Алексей
pashap3 писал(а):
так вот проблема, появляется свист

Попробуйте увеличить ёмкость конденсатора с 10 до 100 нанофарад, который стоит в обратной связи операционника. Или вообще попробуйте доработку vpvideo. Кроме того внимательно подключайте минус силовой и минус обычный. Силовой надо подключать непосредственно на мощные резисторы.

_________________

Поблагодарить автора:
Контакты:
Телеграмм: alexSh154
Вконтакте
Одноквассники
Instagram


Вернуться к началу
 Профиль  
 
СообщениеДобавлено: 26 май 2014, 09:49 
Не в сети
Заслуженный участник Клуба ЗУ-ОКА275

Зарегистрирован: 24 окт 2013, 11:44
Сообщения: 933
Откуда: Чувашия
Авто: КИА РИО 2018
Имя: Вячеслав
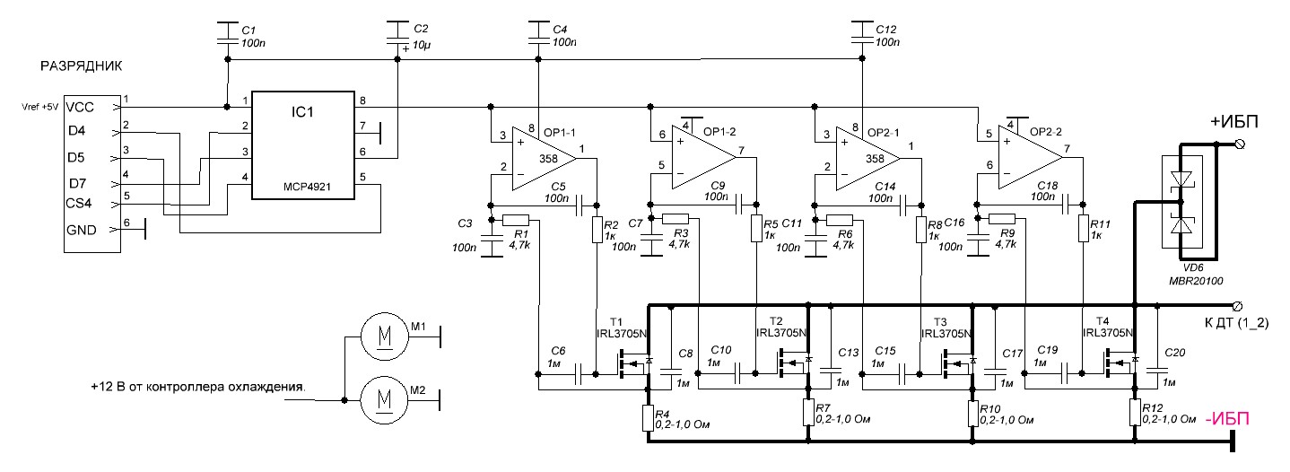
pashap3
Вот схема разрядника.А как Вы калибровали до 11 А ,у меня прошивка не даёт выше 10?


Вложения:
ZU+BP_Vyacheslav1.JPG
ZU+BP_Vyacheslav1.JPG [ 107.99 КБ | Просмотров: 18798 ]

_________________
С уважением,Вячеслав.73!
Вернуться к началу
 Профиль  
 
Показать сообщения за:  Поле сортировки  
Начать новую тему Ответить на тему  [ Сообщений: 11898 ]  На страницу Пред.  1 ... 105, 106, 107, 108, 109, 110, 111 ... 595  След.

Часовой пояс: UTC + 7 часов


Кто сейчас на конференции

Сейчас этот форум просматривают: нет зарегистрированных пользователей и гости: 2


Вы не можете начинать темы
Вы не можете отвечать на сообщения
Вы не можете редактировать свои сообщения
Вы не можете удалять свои сообщения
Вы не можете добавлять вложения

Найти:
Перейти:  
Powered by phpBB® Forum Software © phpBB Group
Русская поддержка phpBB