Ока в Новосибирске

Клуб Окаводов Новосибирска
Текущее время: 30 янв 2026, 11:21

Часовой пояс: UTC + 7 часов




Начать новую тему Ответить на тему  [ Сообщений: 78 ]  На страницу Пред.  1, 2, 3, 4  След.
Автор Сообщение
 Заголовок сообщения: Re: Решил я вернуться в Си-Би...
СообщениеДобавлено: 01 май 2012, 14:22 
Не в сети
Постоянец
Аватара пользователя

Зарегистрирован: 11 мар 2010, 18:31
Сообщения: 2986
Откуда: Новосибирск, Юго-Западные окраины
Авто: Chevrolet Lanos
Имя: Кирилл
oka275 писал(а):
Эфир 10 лет назад.
http://oka-nsk.ru/other/CB1.mp3
http://oka-nsk.ru/other/CB2.mp3
http://oka-nsk.ru/other/CB3.mp3
http://oka-nsk.ru/other/CB4.mp3

PS. Вот примерно так, но не ограничивается этим (то есть бывает и по-другому).


Посушал, какой то гоп-стоп телеком :)

_________________
Don't worry, be crazy!
Изображение


Вернуться к началу
 Профиль  
 
 Заголовок сообщения: Re: Решил я вернуться в Си-Би...
СообщениеДобавлено: 01 май 2012, 14:34 
Не в сети
Заслуженный участник Клуба ЗУ-ОКА275
Аватара пользователя

Зарегистрирован: 01 апр 2012, 16:43
Сообщения: 467
Откуда: Самое Популярное Болото ;)
Авто: 11113, Almera Classi
Имя: Владимир
Цитата:
В принципе я уже заменил его на 100мкф и особо ничего не изменилось

АКБ сам как большой электролит. Не думаю, что что-то сильно изменится.

Цитата:
Можно конечно это решить путем замены выключателя питания на выключатель с двумя группами контактов, коим можно рубить и питание, и отрубать аккум от схемы вообще, но для него нет места (обычный то еле влез). Или пофик?

В принципе не много. Хотя со временем АКБ в хлам может высадить. Если у МК есть свободная нога, можно с нее через p-n-p (или p-канал) транзистор управлять зарядкой. Или сдвоенный выключатель. Еще не пойму, зачем опер (ведь можно просто делителем обойтись) и.. измерение ДО выключателя?

Цитата:
Что если поднять ток миллиампер до 80 и контролировать конец заряда по достижению 1.4в на элемент? Могу конечно вообще сделать ток равный 1С, но без контроля температуры аккума это делать опасно. Мысли?

При заряде большим током в любом случае нужен контроль температуры. При токе 1С - само собой, но как бы и при токе 1/5 С не попросилось. Попробуй установить этот ток и понаблюдать за нагревом на всех стадиях заряда. КМК, контролем можно пренебречь, если температура не превысит градусов 50.

_________________
КамАЗ 11113 для души, Nissan Almera Classic для остального


Последний раз редактировалось Aquinas 01 май 2012, 14:39, всего редактировалось 1 раз.

Вернуться к началу
 Профиль  
 
 Заголовок сообщения: Re: Решил я вернуться в Си-Би...
СообщениеДобавлено: 01 май 2012, 14:34 
Не в сети
Site Admin
Аватара пользователя

Зарегистрирован: 10 апр 2007, 22:36
Сообщения: 11296
Откуда: Новосибирск, Дзержинский
Авто: ВАЗ-21043
Имя: Алексей
Dr.Frost писал(а):
Посушал, какой то гоп-стоп телеком :)

а ты чего ожидал услышать? Захваты, погони, милицейские сводки? :ROFL:
К тому же я не зря написал, что не стоит оценивать общение в эфире только по этим роликам. Ибо оно многоплановое, как и наша жизнь. Но в основном конечно разговоры на радиолюбительские и околорадиолюбительские темы.

На этих выходных брал радиостанцию с собой в машину. Хм, прикольно! На 27м канале всегда можно спросить про интенсивность движения в нужную сторону (и скорее всего дадут тебе ответ, потому что народу там единовременно человек 30-50, и все ездят). Мне предстояла поездка в деревню. Я просил как там на Искитим обстановочка? Сказали, что у Бердска столкнулись 2 ино и пробка аж до поста ГИБДД на вшивой. Мол, не торопись сильно, их только начали растаскивать. Спасибо, говорю...

Уже на трассе переключился на канал дальнобоев (15 канал сетки Ц). Послушал как они общаются. У Искитима запросил инфу на наличие гайцев - ответили, что никого нет, но предупредили на счет возможной работы камер. А вот на запрос обстановки в Евсино никто не ответил, хотя может это у меня чего с тангентой (выносной микрофон с кнопкой "Передача") опять случилось (выходит на передачу через раз).

_________________

Поблагодарить автора:
Контакты:
Телеграмм: alexSh154
Вконтакте
Одноквассники
Instagram


Вернуться к началу
 Профиль  
 
 Заголовок сообщения: Re: Решил я вернуться в Си-Би...
СообщениеДобавлено: 01 май 2012, 14:45 
Не в сети
Site Admin
Аватара пользователя

Зарегистрирован: 10 апр 2007, 22:36
Сообщения: 11296
Откуда: Новосибирск, Дзержинский
Авто: ВАЗ-21043
Имя: Алексей
Aquinas писал(а):
АКБ сам как большой электролит. Не думаю, что что-то сильно изменится.

Это то да, но ведь как устроен понижающий преобразователь? С ключевого транзистора сразу идет диод Шоттки анодом в землю. С той же точки сразу идет дроссель, после которого идет в землю два кондера: один электролит на 1000, другой на 100нан, после чего через диод анодом к дросселю снимается преобразованное напряжение. Если аккум считать за большой конденсатор, то он же стоит уже после диода. Или все равно?

Aquinas писал(а):
Хотя со временем АКБ в хлам может высадить

во-во

Aquinas писал(а):
можно с нее через p-n-p (или p-канал) транзистор управлять зарядкой

не понял зачем ей управлять? OCR2=0, и TCCR2=0 - и все, никакой зарядки! Ток расходуется на делителе, через который мы наблюдаем напряжение на аккумуляторе. В принципе можно воткнуть ключ после аккума, но только надо, что бы это был ключ с минимальным падением напряжения на нем. Полевик?

_________________

Поблагодарить автора:
Контакты:
Телеграмм: alexSh154
Вконтакте
Одноквассники
Instagram


Вернуться к началу
 Профиль  
 
 Заголовок сообщения: Re: Решил я вернуться в Си-Би...
СообщениеДобавлено: 01 май 2012, 14:48 
Не в сети
Site Admin
Аватара пользователя

Зарегистрирован: 10 апр 2007, 22:36
Сообщения: 11296
Откуда: Новосибирск, Дзержинский
Авто: ВАЗ-21043
Имя: Алексей
и кстати, как этот полевик отнесется к возможной переполюсовке АКБ? Это тоже для меня большая проблема, ибо с клеммами Кроны такое может случиться, если подключать ее невнимательно

_________________

Поблагодарить автора:
Контакты:
Телеграмм: alexSh154
Вконтакте
Одноквассники
Instagram


Вернуться к началу
 Профиль  
 
 Заголовок сообщения: Re: Решил я вернуться в Си-Би...
СообщениеДобавлено: 01 май 2012, 14:59 
Не в сети
Site Admin
Аватара пользователя

Зарегистрирован: 10 апр 2007, 22:36
Сообщения: 11296
Откуда: Новосибирск, Дзержинский
Авто: ВАЗ-21043
Имя: Алексей
Цитата:
Еще не пойму, зачем опер (ведь можно просто делителем обойтись) и.. измерение ДО выключателя?

Опер потому, что остался 1 элемент лишний от датчика тока. Вот я и решил его задействовать. Тем более в апноуте для АВР (зарядка аккумуляторов) даже схема дана для наглядности. Тем более там все рядом, ибо операционник один.

Смотри как у меня сделано.. (жаль схему еще не до конца нарисовал).. Короче у меня выключатль стоит ДО стабилизатора на 5в и тупо рвет напругу на него. К выключателю подходят внешние +12в и туже через диод Шоттки подключается аккумулятор. Если 12в подключены, то аккум исключается из схемы благодаря диоду, контоллер это видит и замеряет напругу на АКБ, после чего принимает решение подавать ли зарядный ток на нее или нет (и сколько).

Если 12в нет, то питание подхватывает АКБ без каких либо перебоев. Разумеется тут отключается зарядка и тд

_________________

Поблагодарить автора:
Контакты:
Телеграмм: alexSh154
Вконтакте
Одноквассники
Instagram


Вернуться к началу
 Профиль  
 
 Заголовок сообщения: Re: Решил я вернуться в Си-Би...
СообщениеДобавлено: 01 май 2012, 15:26 
Не в сети
Заслуженный участник Клуба ЗУ-ОКА275
Аватара пользователя

Зарегистрирован: 01 апр 2012, 16:43
Сообщения: 467
Откуда: Самое Популярное Болото ;)
Авто: 11113, Almera Classi
Имя: Владимир
Цитата:
С ключевого транзистора сразу идет диод Шоттки анодом в землю. С той же точки сразу идет дроссель, после которого идет в землю два кондера: один электролит на 1000, другой на 100нан, после чего через диод анодом к дросселю снимается преобразованное напряжение.

Все так. Главные элементы - диод в землю (для поддержания тока в дросселе при разомкнутом ключе) и сам дроссель (накопитель энергии). Задача кондера 100 нан - убрать иголки, которые возникают при переключении ключевого транзистора. Задача электролита - сгладить треугольные пульсации на выходе дросселя до приемлемых (определяется требованиями питаемой схемы). Вместо него успешно работает заряжаемый АКБ. Диод после дросселя лишний. Защита от переполюсовки? Если так, его можно заменить на самовосстанавливающийся пред где-то на 0.5 А (можно меньше, но не менее двукратного номинального тока в схеме, во избежание ложных срабатываний). Падение на нем мизерное (меньше, чем на защитном диоде), а при переполюсовке АКБ откроется диод преобразователя (который после ключа в землю) и предохранитель сработает.

Цитата:
В принципе можно воткнуть ключ после аккума, но только надо, что бы это был ключ с минимальным падением напряжения на нем. Полевик?

Полевик. Р-MOSFET (для простоты схемы). При переполюсовке в нем диод откроется. Если дальше по схеме есть защита (диод последовательно или предохранитель с диодом параллельно), то ничего не случится: ток прервется закрывшимся диодом зищиты (сработавшим предом, смотря как защита устроена), а затвор этого полевика и так изолирован.

Интересно взглянуть на схему (только силовые и измерительные цепи, с ВЧ и индикацией все прозрачно).

_________________
КамАЗ 11113 для души, Nissan Almera Classic для остального


Вернуться к началу
 Профиль  
 
 Заголовок сообщения: Re: Решил я вернуться в Си-Би...
СообщениеДобавлено: 01 май 2012, 17:03 
Не в сети
Site Admin
Аватара пользователя

Зарегистрирован: 10 апр 2007, 22:36
Сообщения: 11296
Откуда: Новосибирск, Дзержинский
Авто: ВАЗ-21043
Имя: Алексей
http://www.gaw.ru/im/_app/Atmel/avr450/fig23.gif
по этой схеме делал преобразователь для зарядника, а так же датчик тока и напряжения
статья целиком
http://www.gaw.ru/html.cgi/txt/app/micr ... AVR450.htm

_________________

Поблагодарить автора:
Контакты:
Телеграмм: alexSh154
Вконтакте
Одноквассники
Instagram


Вернуться к началу
 Профиль  
 
 Заголовок сообщения: Re: Решил я вернуться в Си-Би...
СообщениеДобавлено: 02 май 2012, 21:23 
Не в сети
Site Admin
Аватара пользователя

Зарегистрирован: 10 апр 2007, 22:36
Сообщения: 11296
Откуда: Новосибирск, Дзержинский
Авто: ВАЗ-21043
Имя: Алексей
Видео работы (пока что с незадействованной зарядкой батареи питания)


Прошивка:
Вложение:
Комментарий к файлу: Прошивка
ksv-metr_v1.hex [11.64 КБ]
Скачиваний: 473


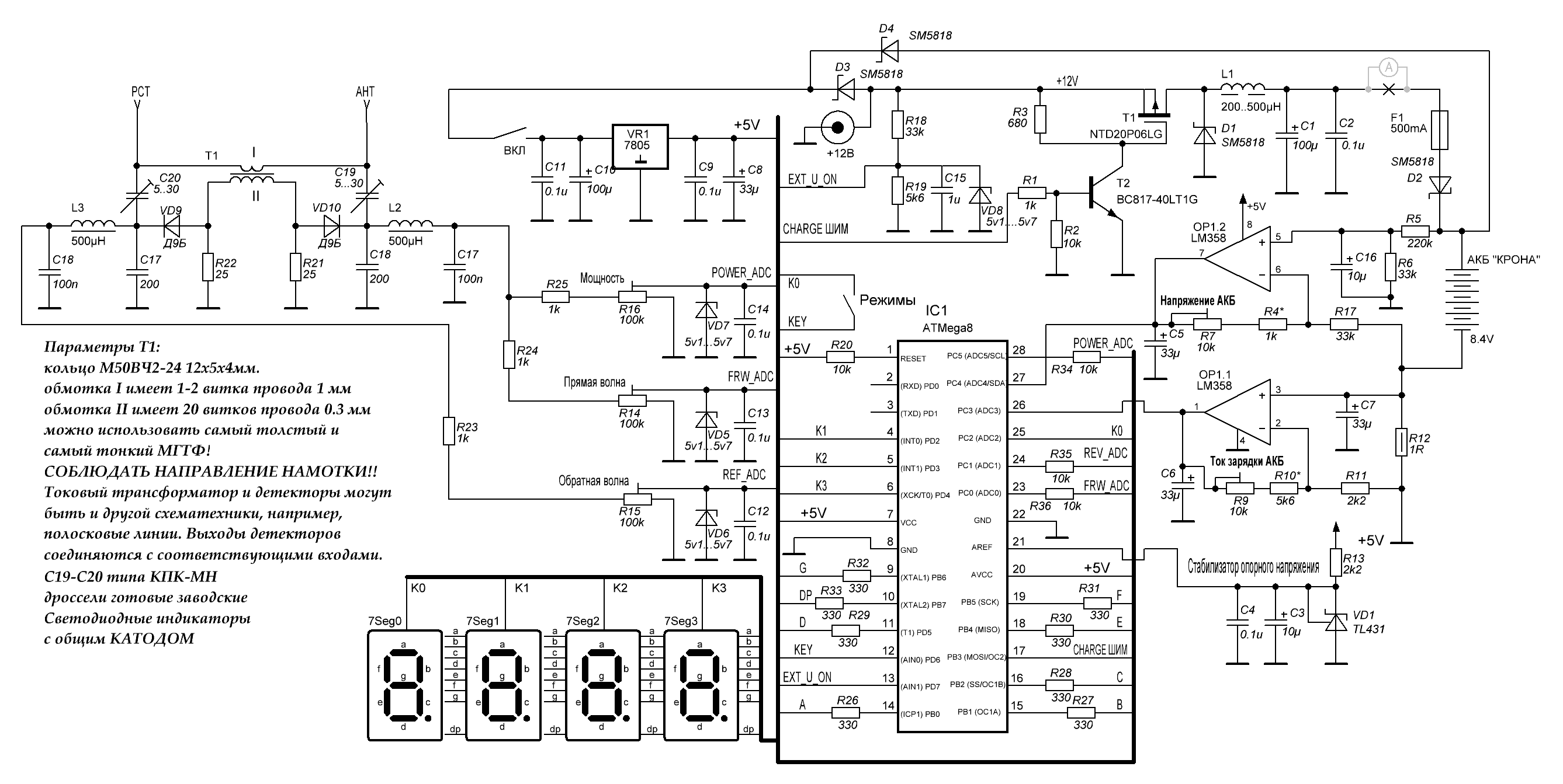
Схема устройства:
Вложение:
КСВ-метр-charge_NEW.GIF
КСВ-метр-charge_NEW.GIF [ 137.41 КБ | Просмотров: 17639 ]


Описание:
Устройство представляет собой простой измеритель КСВ и выходной мощности. ВЧ-часть изготовлена с использованием трансформатора тока и подстроечных керамических конденсаторов, но в процессе тестирования вся эта схемотехника показала себя только с худшей стороны - дикая нелинейность, чувствительность к нагреву и тд. Мне так и не удалось заставить устройство правильно измерять выходную мощность. Потому ОЧЕНЬ НЕ РЕКОМЕНДУЮ ИСПОЛЬЗОВАТЬ ЕЕ - ЛУЧШЕ СДЕЛАЙТЕ ПОЛОСКОВЫЕ ЛИНИИ!!! И смотрите видеоролик - там тоже есть полезная информация.

В схеме используется микроконтроллер АТМега8 в корпусе DIP. Несколько строк о фьюзах. МК работает от встроенного генератора с частотой 4мГц. Все остальные фьюзы можно оставить по умолчанию. Дам универсальный совет, подходящий для любых программаторов: Прочитайте совершенно новый МК Атмега8 и зайдите на http://payalo.at.ua/c_fuse/calc.html?part=ATmega8 Сравните фьюзы на сайте с прочитанными фьюзами по умолчанию вашего МК. Если положение галочек совпадает, то просто снимите галку с фьюза CKSEL1 и SUT1 - на страничке должна поменяться частота работы МК с 1 до 4х мГц, а так же время запуска. Затем выставляйте фьюзы на своем МК, сохраняйте их, и заливайте прошивку. Если фьюзы отображаются инверсно, то в вашем программаторе нужно будет наоборот установить галки CKSEL1 и SUT1. В противном случае убедитесь, что ваш МК действительно новый.

Есть в схеме еще один минус - это применение линейного стабилизатора на 5 вольт. С радостью заменил бы его на импульсный, или LOW DROP, но я отошел пока от СиБи-связи, да и занят сейчас другим проектом - зарядным устройством для свинцовых АКБ на базе компового БП под управлением МК АТмега32.

_________________

Поблагодарить автора:
Контакты:
Телеграмм: alexSh154
Вконтакте
Одноквассники
Instagram


Последний раз редактировалось oka275 31 июл 2014, 18:37, всего редактировалось 9 раз(а).
Поправил схему - Внес цепь определения внешнего источника


Вернуться к началу
 Профиль  
 
 Заголовок сообщения: Re: Решил я вернуться в Си-Би...
СообщениеДобавлено: 02 май 2012, 22:36 
Не в сети
Заслуженный участник Клуба ЗУ-ОКА275
Аватара пользователя

Зарегистрирован: 01 апр 2012, 16:43
Сообщения: 467
Откуда: Самое Популярное Болото ;)
Авто: 11113, Almera Classi
Имя: Владимир
Что-то не так с опером измерения напряжения... Инверсный вход в земле, обратная связь там же. Скорее всего должно быть так: R4 в землю, инверсный вход опера - к точке соединения R7 и R4. Погода в токе (без конденсатора) - скорее всего из-за большого (целых 1 Ом) шунта, этого я не учитывал.
Чтобы определить подключение зарядника, здесь достаточно померить напряжение на входе стабилизатора. Если свободных АЦП нет, подойдет компаратор (например так: меняем цепь контроля напряжения АКБ на простой делитель, а компаратором будет освободившийся опер). На работе рассмотрел пару схем (питание от 12 В АКБ), АЦП спокойно меряет напряжение с делителя на резисторах 100 кОм (верхний) и 33 кОм (нижний).

_________________
КамАЗ 11113 для души, Nissan Almera Classic для остального


Вернуться к началу
 Профиль  
 
 Заголовок сообщения: Re: Решил я вернуться в Си-Би...
СообщениеДобавлено: 02 май 2012, 23:36 
Не в сети
Site Admin
Аватара пользователя

Зарегистрирован: 10 апр 2007, 22:36
Сообщения: 11296
Откуда: Новосибирск, Дзержинский
Авто: ВАЗ-21043
Имя: Алексей
Да-да, конечно не так! Поправил схему...
в апноте указано, что резистор R17 на 33Ком надо садить на минус АКБ. Но ввиду того, что на резисторе 1ом падает больше, чем задумано с резистором на доли Ома, то напряжение отображается не много не корректно (особенно если идет большой зарядный ток через резистор). Посадил его на землю и вуаля.

PS. Хотя сейчас пишу и думаю, что нифига это не вуаля.

_________________

Поблагодарить автора:
Контакты:
Телеграмм: alexSh154
Вконтакте
Одноквассники
Instagram


Вернуться к началу
 Профиль  
 
 Заголовок сообщения: Re: Решил я вернуться в Си-Би...
СообщениеДобавлено: 02 май 2012, 23:45 
Не в сети
Site Admin
Аватара пользователя

Зарегистрирован: 10 апр 2007, 22:36
Сообщения: 11296
Откуда: Новосибирск, Дзержинский
Авто: ВАЗ-21043
Имя: Алексей
убрал из схемы R5 и ток потребления в выключеном состоянии стал около 3х микроампер, и то это может быть наводки.

_________________

Поблагодарить автора:
Контакты:
Телеграмм: alexSh154
Вконтакте
Одноквассники
Instagram


Вернуться к началу
 Профиль  
 
 Заголовок сообщения: Re: Решил я вернуться в Си-Би...
СообщениеДобавлено: 03 май 2012, 00:14 
Не в сети
Заслуженный участник Клуба ЗУ-ОКА275
Аватара пользователя

Зарегистрирован: 01 апр 2012, 16:43
Сообщения: 467
Откуда: Самое Популярное Болото ;)
Авто: 11113, Almera Classi
Имя: Владимир
Правильно.. R5 и R6 - делитель цепи измерения напряжения, постоянно (в обход выключателю) запитанный от АКБ (еще через R12). Если он разорван, то и есть нечему. Попробуй увеличить номиналы R5 и R6 (сохранив пропорции для такого же коэф. деления) - ток упадет, но цепь измерения ничего не заметит.

_________________
КамАЗ 11113 для души, Nissan Almera Classic для остального


Вернуться к началу
 Профиль  
 
 Заголовок сообщения: Re: Решил я вернуться в Си-Би...
СообщениеДобавлено: 03 май 2012, 03:48 
Не в сети
Site Admin
Аватара пользователя

Зарегистрирован: 10 апр 2007, 22:36
Сообщения: 11296
Откуда: Новосибирск, Дзержинский
Авто: ВАЗ-21043
Имя: Алексей
В общем, поставил R5 на 100к и R6 на 33, как ты и писал. Все остальное так же, как на схеме. МНОГО! Получилось в итоге, что R5 стал на 220кОм при R6=33кОм. Ток потребления упал с 230 (или сколько там было?) микроампер до 43х. Это значит что? То, что забросив его на полку, через месяца два мы обнаружим полностью высосаный АКБ (разряд + саморазряд). Хотя... а чего я вообще хотел? Ничего вечного нет. Ну можно поставить транзисторный ключ, что бы отключать делитель.. но ведь все равно вечной жизни аккуму от этого не настанет.

_________________

Поблагодарить автора:
Контакты:
Телеграмм: alexSh154
Вконтакте
Одноквассники
Instagram


Вернуться к началу
 Профиль  
 
 Заголовок сообщения: Re: Решил я вернуться в Си-Би...
СообщениеДобавлено: 04 май 2012, 23:05 
Не в сети
Site Admin
Аватара пользователя

Зарегистрирован: 10 апр 2007, 22:36
Сообщения: 11296
Откуда: Новосибирск, Дзержинский
Авто: ВАЗ-21043
Имя: Алексей
Всёёёё!!!!! Допинал зарядку в своем девайсе и допилил прошивку. Наличие подключенного внешнего источника питания индицируется точкой в первом сегменте справа. Эта же точка отображает текущие дела с зарядкой.

Алгоритм такой: если напряжение на АКБ ниже 8.4в, включается зарядка. При подключении внешнего источника начинает выше указанная мигать точка. Ток зарядки 80мА в течение всего времени зарядки.

Зарядка завершается при достижении на АКБ напряжения 9.8В. (1.4В. на элемент), после чего точка перестает мигать и горит постоянно (батарея полная, источник подключен). В случае, если внешний источник питания выключается, точка гаснет.

При питании только от АКБ, и падении напряжения на нем ниже 6.3в, на экран выводится предупреждающая надпись "bAt".

Приветствуются замечания и предложения по поводу алгоритмов и прочего.

PS. Блин. Нифига не нагляден семисегментный светодиодный индикатор. Начинаются всякие точки-тире и прочие условности, когда на LCD-дисплее можно все писать по человечески. И все всем понятно. Следующий девайс, если хватит терпения и сил, будет уже на нем (вернее на OLED).

_________________

Поблагодарить автора:
Контакты:
Телеграмм: alexSh154
Вконтакте
Одноквассники
Instagram


Вернуться к началу
 Профиль  
 
 Заголовок сообщения: Re: Решил я вернуться в Си-Би...
СообщениеДобавлено: 05 май 2012, 03:08 
Не в сети
Site Admin
Аватара пользователя

Зарегистрирован: 10 апр 2007, 22:36
Сообщения: 11296
Откуда: Новосибирск, Дзержинский
Авто: ВАЗ-21043
Имя: Алексей
Заменил BNC-разъемы на PL. Обновил схемку (добавил цепь определения внешнего источника питания). Ну и еще кое какие уточнения (номинал транзисторов и диодов)

_________________

Поблагодарить автора:
Контакты:
Телеграмм: alexSh154
Вконтакте
Одноквассники
Instagram


Вернуться к началу
 Профиль  
 
 Заголовок сообщения: Re: Решил я вернуться в Си-Би...
СообщениеДобавлено: 20 ноя 2012, 23:07 
Не в сети
Постоянец

Зарегистрирован: 03 июн 2012, 20:40
Сообщения: 405
Откуда: Московская область, г. Климовск
Авто: 217230
Имя: Александр
Я тоже решил вернуться, хуже не будет. Вчера у приятеля забрал станцию Dragon SY-101+, пофиксил неработающие кнопки и рад. Осталось только сделать переходник на прикуриватель (к слову, таким переходником, перепутав полярность, я спалил офигенного Мегаджета 1101). Какой у Мегаджета был автошумодав! Ах...

_________________
SHIVA SPACE TECHNOLOGY


Вернуться к началу
 Профиль  
 
 Заголовок сообщения: Re: Решил я вернуться в Си-Би...
СообщениеДобавлено: 21 ноя 2012, 10:08 
Не в сети
Site Admin
Аватара пользователя

Зарегистрирован: 10 апр 2007, 22:36
Сообщения: 11296
Откуда: Новосибирск, Дзержинский
Авто: ВАЗ-21043
Имя: Алексей
RZ296 писал(а):
Я тоже решил вернуться, хуже не будет.

если интересно, можно вернуться не только в родной эфир, но и в "проходах" поработать )))
http://27kb.ru/zou.php?f=901&message=1342
сибишник сибишнику друг и брат :ROFL:

PS. "08" - это я.

_________________

Поблагодарить автора:
Контакты:
Телеграмм: alexSh154
Вконтакте
Одноквассники
Instagram


Вернуться к началу
 Профиль  
 
 Заголовок сообщения: Re: Решил я вернуться в Си-Би...
СообщениеДобавлено: 22 ноя 2012, 20:02 
Не в сети
Постоянец

Зарегистрирован: 03 июн 2012, 20:40
Сообщения: 405
Откуда: Московская область, г. Климовск
Авто: 217230
Имя: Александр
Спасибо, появится время- обязательно покопаюсь, сейчас пока мельком глянул тему.

_________________
SHIVA SPACE TECHNOLOGY


Вернуться к началу
 Профиль  
 
 Заголовок сообщения: Re: Решил я вернуться в Си-Би...
СообщениеДобавлено: 09 дек 2012, 13:05 
Не в сети
Постоянец

Зарегистрирован: 03 июн 2012, 20:40
Сообщения: 405
Откуда: Московская область, г. Климовск
Авто: 217230
Имя: Александр
В общем, вечер только начинался- ну, как обычно. Хотел поставить мелкую антенну, но в магазине, в котором собирался покупать, не было Т3-27 производства Sirio, а были только производства Optim. Что-то стремно стало, ну и отсоветовали там, в итоге вчера с братом сгоняли на Митинский рынок (пофиг на снегопад- охота пуще неволи), купил антенну Sirio Super 9 (правда, не совсем уверен, что оригинал, но сделана прилично и катушка толстая), 1.4 метра (двухметровую брать уж точно нафиг не надо), кронштейн на багажник (сегодня покрашу его в цвет машины), усилитель KL-203 (100 ватт), КСВ-метр DF2461, кабель и кучку пиэлек.
Я же говорю- как обычно, первая мысль была- "а неплохо-бы сибишку портативную иметь, чтобы у дальнобоев спросить чего-нибудь", а закончилось все покупкой кирпича и длинной антенны.

_________________
SHIVA SPACE TECHNOLOGY


Вернуться к началу
 Профиль  
 
Показать сообщения за:  Поле сортировки  
Начать новую тему Ответить на тему  [ Сообщений: 78 ]  На страницу Пред.  1, 2, 3, 4  След.

Часовой пояс: UTC + 7 часов


Кто сейчас на конференции

Сейчас этот форум просматривают: нет зарегистрированных пользователей и гости: 0


Вы не можете начинать темы
Вы не можете отвечать на сообщения
Вы не можете редактировать свои сообщения
Вы не можете удалять свои сообщения
Вы не можете добавлять вложения

Найти:
Перейти:  
cron
Powered by phpBB® Forum Software © phpBB Group
Русская поддержка phpBB