Ока в Новосибирске

Клуб Окаводов Новосибирска
Текущее время: 31 май 2026, 00:43

Часовой пояс: UTC + 7 часов




Начать новую тему Ответить на тему  [ Сообщений: 15 ] 
Автор Сообщение
СообщениеДобавлено: 10 янв 2014, 16:52 
Не в сети
Уже был(а), и не раз, и не два

Зарегистрирован: 10 июн 2012, 17:21
Сообщения: 91
Откуда: Орёл
Авто: 11113(Камазик)
Имя: Михаил
нужен стробоскоп,не обязательно с тахометром,так как есть бк21,недорогой но более менее.Желательно универсальный.
эти подойдут?
http://avtopasker.ru/goods/34505.htm
http://avtopasker.ru/goods/62131.htm

сам паять не хочу.
везде пишут ,что надо какой то именно с подключением датчика к высоковольтному проводу,а то есть которые к прерывателям подключаются.Как их отличить?Не очень понимаю разницы?Куда он должен точно подключаться?В разрыв ВВ провода 1 цилиндра?


Вернуться к началу
 Профиль  
 
СообщениеДобавлено: 10 янв 2014, 20:10 
Не в сети
Site Admin
Аватара пользователя

Зарегистрирован: 10 апр 2007, 22:36
Сообщения: 11266
Откуда: Новосибирск, Дзержинский
Авто: ВАЗ-21043
Имя: Алексей
megaton писал(а):

Хоть на фото толком ничерта и не видно, но вроде подойдут.

megaton писал(а):
сам паять не хочу.

может и зря.

megaton писал(а):
везде пишут ,что надо какой то именно с подключением датчика к высоковольтному проводу,а то есть которые к прерывателям подключаются. Как их отличить?Не очень понимаю разницы?

При разнообразии двигателей разница в том, что к ВВ-проводу подключиться проще всего. Для этого у стробоскопа есть специальный экранированный провод со прищепкой. Очень важно сделать оговорку, что НЕПОСРЕДСТВЕННО К ЖИЛЕ ВВ-ПРОВОДА НИЧЕГО НЕ ПОДКЛЮЧАЕТСЯ (хотя может и есть модели, преимущественно старые, которые подключаются через специальный переходной подсвечник). Последние лет 30 наверное используется сенсорное считывание. Мы еще со школы знаем, что если по проводу течет ток, то вокруг него создается магнитное поле. А по скольку мы еще имеем напряжение в несколько тысяч вольт, то считать искру с поверхности ВВ-провода не составляет труда. Правда бывает, что эта система глючит, особенно с очень хорошими ВВ-проводами, которые имеют очень хорошую изоляцию.

Теперь что касается подключения к прерывателю. Чуть теории. Что такое определение УОЗ с помощью стробоскопа? Это кратковременное освещение риски ВМТ на маховике в такт появления ИСКРЫ НА ПЕРВОМ ЦИЛИНДРЕ По скольку все это происходит очень быстро, вспышки и риска превращаются в кино и подвижную метку. В случае считывания искры с ВВ-провода через прищепку (первый вариант) это так и будет. А в случае подключения, например, 4х цилиндровому двигателю, то 1 раз будет освещаться участок маховика с меткой, и 1 раз участок маховика с опозданием на 180 градусов. К чему это приведет? К трудной читаемости метки, она не будет контрастной. С 6-ти цилиндровым двигателем, наверное, будет еще хуже (я не знаком с устройством их коленвала), а вот с Окой проблем не будет - у нас на 1 полный оборот идет 1 искра, и освещаться будет участок маховика с риской ВМТ. Учитывая все вышеизложенное я делаю вывод, что данный вид стробоскопа обязан иметь переключатель количества цилиндров. Или я чего то не понимаю.

_________________

Поблагодарить автора:
Контакты:
Телеграмм: alexSh154
Вконтакте
Одноквассники
Instagram


Вернуться к началу
 Профиль  
 
СообщениеДобавлено: 10 янв 2014, 20:48 
Не в сети
Самоделкин
Аватара пользователя

Зарегистрирован: 05 окт 2009, 10:55
Сообщения: 2064
Откуда: Новосиб, Ленинский район, пл.Станиславского
Авто: 21013-1976
Имя: Антон
про 4 цилиндра. ну если сенсор на первый провод цеплять, то вспышка будет одна на два оборота коленвала, что вполне достаточно, а не две вспышки на один оборот, как если бы сенсор на провод катушки прицепили бы.


Вложения:
2.gif
2.gif [ 26.43 КБ | Просмотров: 19395 ]

_________________
Наша ОКА в контакте http://vkontakte.ru/club22262761
Вернуться к началу
 Профиль  
 
СообщениеДобавлено: 10 янв 2014, 21:17 
Не в сети
Уже был(а), и не раз, и не два

Зарегистрирован: 10 авг 2013, 19:32
Сообщения: 104
Авто: ВАЗ-1113
Имя: Евгений
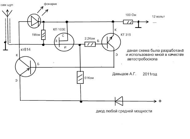
До чего ж по-мудацки схема намалёвана, спасу нет..... :D


Вложения:
стробоскоп.gif
стробоскоп.gif [ 10.85 КБ | Просмотров: 19392 ]
Вернуться к началу
 Профиль  
 
СообщениеДобавлено: 11 янв 2014, 06:41 
Не в сети
Заслуженный участник Клуба ЗУ-ОКА275
Аватара пользователя

Зарегистрирован: 01 апр 2012, 16:43
Сообщения: 461
Откуда: Самое Популярное Болото ;)
Авто: 11113, Almera Classi
Имя: Владимир
RTDS, К и Э у КТ814 (который p-n-p) перепутаны.

_________________
КамАЗ 11113 для души, Nissan Almera Classic для остального


Вернуться к началу
 Профиль  
 
СообщениеДобавлено: 11 янв 2014, 13:55 
Не в сети
Уже был(а), и не раз, и не два

Зарегистрирован: 10 июн 2012, 17:21
Сообщения: 91
Откуда: Орёл
Авто: 11113(Камазик)
Имя: Михаил
спасибо конечно.но тема перешла в рассуждения о пайке.я вроде писал ,что пайка не интересует.я понимаю тех для кого это просто и понятно.для меня тяжелова то,да и выглядеть будет ужасно,да и время на это надо!Ладно бы если бы сказали,выставь на сто зажигание 4град,поставь метку на дми(риску для точки отсчета),а далее при езде смотри или посоветовали стробоскоп из недорогих,может кто чем пользовался или знает что подойдет на оку.А так разговор ни о чем,вы уж простите.Я как то давно брал у знакомого луч,советский еще или начала 90-х,так вот он подключался в разрыв вв.Метка тогда у меня не стояла а бегала!Я подозреваю ,что пружинка в дми ослабла мягкая(та, что вначале работает)+не знал ,что надо снимать шланг вакумника при проверке+обороты не должны быть повышены(строго до 1000об),а сами знаете на оке менее 1000=провалы и не стабильная раб!


Вернуться к началу
 Профиль  
 
СообщениеДобавлено: 11 янв 2014, 13:55 
Не в сети
Уже был(а), и не раз, и не два

Зарегистрирован: 10 авг 2013, 19:32
Сообщения: 104
Авто: ВАЗ-1113
Имя: Евгений
Aquinas писал(а):
К и Э у КТ814 (который p-n-p) перепутаны.

Да я на схему саму даже не смотрел.... Ппросто перерисовал кривенько в соответствии с канонами.. :)


Вернуться к началу
 Профиль  
 
СообщениеДобавлено: 11 янв 2014, 14:04 
Не в сети
Заслуженный участник Клуба ЗУ-ОКА275
Аватара пользователя

Зарегистрирован: 01 апр 2012, 16:43
Сообщения: 461
Откуда: Самое Популярное Болото ;)
Авто: 11113, Almera Classi
Имя: Владимир
http://www.orionspb.ru/strobo/839/

_________________
КамАЗ 11113 для души, Nissan Almera Classic для остального


Вернуться к началу
 Профиль  
 
СообщениеДобавлено: 11 янв 2014, 14:06 
Не в сети
Site Admin
Аватара пользователя

Зарегистрирован: 10 апр 2007, 22:36
Сообщения: 11266
Откуда: Новосибирск, Дзержинский
Авто: ВАЗ-21043
Имя: Алексей
megaton писал(а):
или посоветовали стробоскоп из недорогих,может кто чем пользовался или знает что подойдет на оку.А так разговор ни о чем,вы уж простите.

Мой ответ наверное не читался вообще, да? Там, КРОМЕ БЕСПЛАТНОГО ПРЕПОДАВАНИЯ теории для общего развития и понимания ТЕМЫ, все кричит о том, что из двух предложенных нужно брать тот, который подключается на ВВ-провод (не к самому проводу, а поверх его изоляции специальной прищепкой). Из чего делаю грустные предположения и выводы о том, что народ у нас не ценит чужое время, совершенно не хочет самообразовываться для собственного же понимания, не желает глотать уже пережеванные знания, а ждет готовый ответ без всякой лишней информации. Грустно :cry:

_________________

Поблагодарить автора:
Контакты:
Телеграмм: alexSh154
Вконтакте
Одноквассники
Instagram


Вернуться к началу
 Профиль  
 
СообщениеДобавлено: 11 янв 2014, 15:47 
Не в сети
Постоянец
Аватара пользователя

Зарегистрирован: 05 апр 2012, 01:27
Сообщения: 1604
Откуда: г.Жуковский
Авто: ВАЗ-11113(0.75л)
Имя: Андрей
megaton писал(а):
нужен стробоскоп,не обязательно с тахометром,так как есть бк21,недорогой но более менее.Желательно универсальный.
эти подойдут?

По первой ссылке не пойдет,это похоже чисто для контактной системы зажигания,а по второй
я не могу понять,что это там пишут:ПОДКЛЮЧЕНИЕ ПИТАНИЯ К КАТУШКЕ ЗАЖИГАНИЯ.Если я не понимаю,то и не возьму такой.У меня простой,который подходит к любой системе зажигания.
http://avtogsm.ru/orion-st-01-p6695.html
Что должно быть?Прищепка-датчик на ВВ(Ближе к свече) и два зажима на АКБ. Вот и всё.
Ныне на базе этого стробоскопа стали выпускать комбинированные (строб+тахометр+вольтметр),добавлен провод,который подключается к катушке и цифровой индикатор.Но это уже модернизация простого прибора.
Далее:
Если не хочется паять и тратить деньги на покупку,то нужно найти неоновую лампочку типа такой
http://www.quartz1.com/price/PIC/605Q0530500.pdf
Или что то подобное,можно выдрать неонку из стартера ламп дневного света,но там они не направленного свечения,это хуже.Теперь к лампе нужно припаять провод,который наматывается на ВВ,примерно десять витков.Лампа направляется в люк маховика.Минусы тут в том,что лампу надо подносить очень близко и в полной темноте,но это работает,опробовано на мопеде.
ПСы.
Если нужно усилить свечение неонки,то можно попробовать припаять второй провод к лампе( к цоколю) и подать его на корпус машины.


Вернуться к началу
 Профиль  
 
СообщениеДобавлено: 11 янв 2014, 18:06 
Не в сети
Уже был(а), и не раз, и не два

Зарегистрирован: 10 июн 2012, 17:21
Сообщения: 91
Откуда: Орёл
Авто: 11113(Камазик)
Имя: Михаил
спасибо.я тоже видел этот орион ст1.просто думал подойдет ли он на оку.А вообще написано про него красиво,типа супер универсальный,да и стоит не так дорого.


Вернуться к началу
 Профиль  
 
СообщениеДобавлено: 11 янв 2014, 18:50 
Не в сети
Постоянец
Аватара пользователя

Зарегистрирован: 05 апр 2012, 01:27
Сообщения: 1604
Откуда: г.Жуковский
Авто: ВАЗ-11113(0.75л)
Имя: Андрей
Да,ему без разницы какая система зажигания,датчик на провод ВВ,а это у всех,кроме дизелей и 12в,что тоже практически у всех.Даже мотопилу или мотопомпу можно проверить,главное 12 в где то взять(акб или бп)


Вернуться к началу
 Профиль  
 
СообщениеДобавлено: 11 янв 2014, 23:38 
Не в сети
Уже был(а), и не раз, и не два

Зарегистрирован: 04 авг 2012, 21:42
Сообщения: 105
Откуда: Санкт-Петербург
Авто: СеАЗ-11113
Имя: Михаил
У меня Орион СТ-02 http://www.orionspb.ru/strobo/838/ , год пользуюсь без проблем.


Вернуться к началу
 Профиль  
 
СообщениеДобавлено: 06 июн 2014, 22:22 
Не в сети
Уже был(а), и не раз, и не два

Зарегистрирован: 10 авг 2013, 19:32
Сообщения: 104
Авто: ВАЗ-1113
Имя: Евгений
Кстати, не спешите хоронить контактные стробоскопы (типа Луч и кго разновидности).....
Покупать такие, конечно , не стоит, да и не продают их сто лет уже, но если таковой УЖЕ имеется, или достался нахаляву - то использовать его в Оке вполне удобно.

Я делал так:
- удлинил входной кабель "Луча" старым силиконовым высоковольтником (двумя последовательно, общей длиной сантиметров 60) - стало удобно работать.
- отрезал от входного кабеля "Луча" высоковольтный переходник, который вставлялся между свечой и свечным проводом.
- подключил вместо переходника автомобильную фишку "папа" на коротком проводке (3-4 см)
- к свечному проводу Оки (от контакта под свечным колпачком) вывел короткий отрезок провода с разъемом "мама"


В результате пользоаться просто и удобно, могу сделать фото, показать, как это выглядит...


Вернуться к началу
 Профиль  
 
СообщениеДобавлено: 07 июн 2014, 03:24 
Не в сети
Постоянец
Аватара пользователя

Зарегистрирован: 05 апр 2012, 01:27
Сообщения: 1604
Откуда: г.Жуковский
Авто: ВАЗ-11113(0.75л)
Имя: Андрей
Можно и фотку,а то вникать в буквы сложно,особенно тем ,кто не в теме


Вернуться к началу
 Профиль  
 
Показать сообщения за:  Поле сортировки  
Начать новую тему Ответить на тему  [ Сообщений: 15 ] 

Часовой пояс: UTC + 7 часов


Кто сейчас на конференции

Сейчас этот форум просматривают: нет зарегистрированных пользователей и гости: 2


Вы не можете начинать темы
Вы не можете отвечать на сообщения
Вы не можете редактировать свои сообщения
Вы не можете удалять свои сообщения
Вы не можете добавлять вложения

Найти:
Перейти:  
cron
Powered by phpBB® Forum Software © phpBB Group
Русская поддержка phpBB