Ока в Новосибирске

Клуб Окаводов Новосибирска
Текущее время: 29 янв 2026, 18:33

Часовой пояс: UTC + 7 часов




Начать новую тему Ответить на тему  [ Сообщений: 7 ] 
Автор Сообщение
СообщениеДобавлено: 24 авг 2020, 00:52 
Не в сети
Уже был(а), и не раз, и не два

Зарегистрирован: 16 фев 2019, 22:15
Сообщения: 112
Откуда: Мариуполь
Авто: kia
Имя: Олег
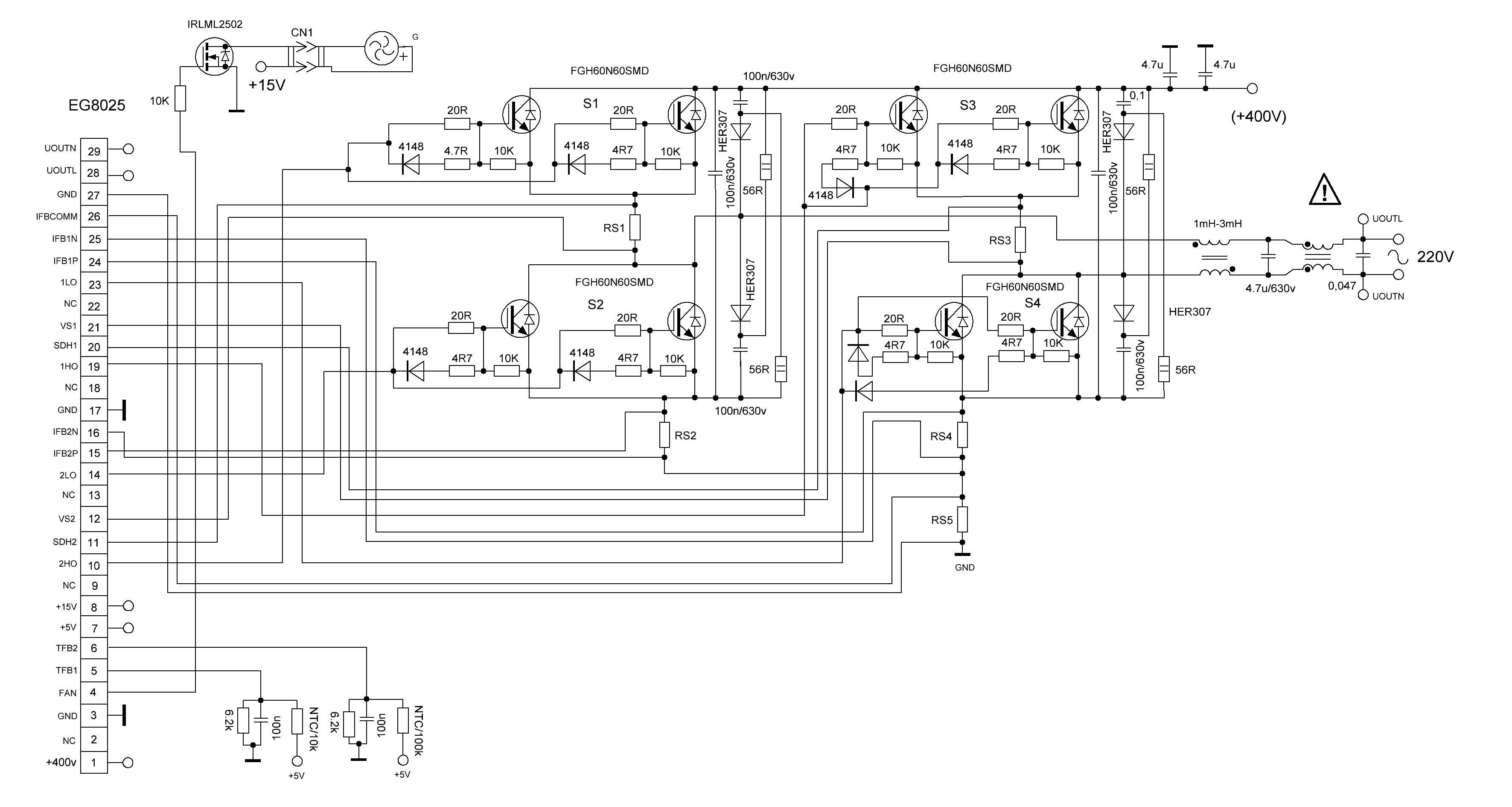
Инверторный стабилизатор напряжения.6000Вт


Вложения:
Комментарий к файлу: Схема ККМ
slur515.pdf [214.8 КБ]
Скачиваний: 558
DC-AC3.JPG
DC-AC3.JPG [ 509.3 КБ | Просмотров: 13295 ]
EG8025.jpg
EG8025.jpg [ 737.51 КБ | Просмотров: 14352 ]


Последний раз редактировалось OLEG-82 01 апр 2021, 11:12, всего редактировалось 5 раз(а).
Вернуться к началу
 Профиль  
 
СообщениеДобавлено: 26 сен 2020, 13:44 
Не в сети
Уже был(а), и не раз, и не два

Зарегистрирован: 16 фев 2019, 22:15
Сообщения: 112
Откуда: Мариуполь
Авто: kia
Имя: Олег
Платы уже заказал жду.Кое что уже купил.
Синие кольца это FluxSan FS-225060-2 57,2*35,6*14,0 (µ=60) Al=75,0
Зеленые MnZn A121 T38*19*13C (µ=12000)
Белые MnZn TX25/15/10-3E5 (µ=8680)


Вложения:
viber.jpg
viber.jpg [ 451.71 КБ | Просмотров: 14081 ]
Вернуться к началу
 Профиль  
 
СообщениеДобавлено: 17 ноя 2020, 22:40 
Не в сети
Уже был(а) и не раз

Зарегистрирован: 11 фев 2018, 19:30
Сообщения: 49
Откуда: Омск
Авто: Ipsum SXM10
Имя: Виктор
Приветствую Олег! Печатные платы на продажу будут?


Вернуться к началу
 Профиль  
 
СообщениеДобавлено: 19 ноя 2020, 03:58 
Не в сети
Уже был(а), и не раз, и не два

Зарегистрирован: 16 фев 2019, 22:15
Сообщения: 112
Откуда: Мариуполь
Авто: kia
Имя: Олег
svg67 писал(а):
Приветствую Олег! Печатные платы на продажу будут?

Четыре комплекта лежат.Скоро выложу результаты.На данном этапе процесс наладки.


Вернуться к началу
 Профиль  
 
СообщениеДобавлено: 19 ноя 2020, 20:01 
Не в сети
Уже был(а) и не раз

Зарегистрирован: 11 фев 2018, 19:30
Сообщения: 49
Откуда: Омск
Авто: Ipsum SXM10
Имя: Виктор
Понятно! Удачи в наладке!


Вернуться к началу
 Профиль  
 
СообщениеДобавлено: 05 фев 2021, 12:46 
Не в сети
Уже был(а), и не раз, и не два

Зарегистрирован: 16 фев 2019, 22:15
Сообщения: 112
Откуда: Мариуполь
Авто: kia
Имя: Олег
Фото ККМ


Вложения:
imgonline-com-ua-Compressed-YgL4YOI8AEVna.jpg
imgonline-com-ua-Compressed-YgL4YOI8AEVna.jpg [ 22.26 КБ | Просмотров: 13295 ]
imgonline-com-ua-Compressed-2ophaYCYJINe.jpg
imgonline-com-ua-Compressed-2ophaYCYJINe.jpg [ 21.39 КБ | Просмотров: 13295 ]
imgonline-com-ua-Compressed-JelfJB2YSx.jpg
imgonline-com-ua-Compressed-JelfJB2YSx.jpg [ 286.72 КБ | Просмотров: 13295 ]
imgonline-com-ua-Compressed-RGlibzeMk0gwz2fa.jpg
imgonline-com-ua-Compressed-RGlibzeMk0gwz2fa.jpg [ 208.08 КБ | Просмотров: 13295 ]
imgonline-com-ua-Compressed-2m0WpEbZgXlMUQGs.jpg
imgonline-com-ua-Compressed-2m0WpEbZgXlMUQGs.jpg [ 246.32 КБ | Просмотров: 13295 ]
Вернуться к началу
 Профиль  
 
СообщениеДобавлено: 14 фев 2021, 22:52 
Не в сети
Уже был(а), и не раз, и не два

Зарегистрирован: 16 фев 2019, 22:15
Сообщения: 112
Откуда: Мариуполь
Авто: kia
Имя: Олег
Подключил инвертор на весь дом.Гонял его около часа.С максимальной нагрузкой 6кВт.Что не понравилось гудит трещит входной фильтр ККМ.В остальном все норм.Плюсы удевило то что мой котел фазозависимый работает.


Вложения:
2.jpg
2.jpg [ 176.59 КБ | Просмотров: 13173 ]
1.jpg
1.jpg [ 224.09 КБ | Просмотров: 13173 ]
Вернуться к началу
 Профиль  
 
Показать сообщения за:  Поле сортировки  
Начать новую тему Ответить на тему  [ Сообщений: 7 ] 

Часовой пояс: UTC + 7 часов


Кто сейчас на конференции

Сейчас этот форум просматривают: нет зарегистрированных пользователей и гости: 2


Вы не можете начинать темы
Вы не можете отвечать на сообщения
Вы не можете редактировать свои сообщения
Вы не можете удалять свои сообщения
Вы не можете добавлять вложения

Найти:
Перейти:  
cron
Powered by phpBB® Forum Software © phpBB Group
Русская поддержка phpBB