Ока в Новосибирске

Клуб Окаводов Новосибирска
Текущее время: 16 ноя 2025, 07:37

Часовой пояс: UTC + 7 часов




Начать новую тему Ответить на тему  [ Сообщений: 11870 ]  На страницу Пред.  1 ... 495, 496, 497, 498, 499, 500, 501 ... 594  След.

Актуальная статистика (не забывайте изменять статус!)
Собрал и буду собирать еще (соседу, свату, брату) 24%  24%  [ 57 ]
Собрал одно ЗУ 21%  21%  [ 49 ]
Уже собираю 28%  28%  [ 67 ]
Интересуюсь, размышляю - собирать или нет. Наверное буду. 26%  26%  [ 63 ]
Не буду собирать это устройство. 1%  1%  [ 3 ]
Всего голосов : 239
Автор Сообщение
СообщениеДобавлено: 30 дек 2019, 01:33 
Не в сети
Site Admin
Аватара пользователя

Зарегистрирован: 10 апр 2007, 22:36
Сообщения: 11301
Откуда: Новосибирск, Дзержинский
Авто: ВАЗ-21043
Имя: Алексей
marsergei76 писал(а):
А максимальные показания на дисплее, устанавливаются при калибровке (после того как я подберу коэффициент усиления ОУ для 15А)?

Хм, так и не ответишь двумя словами. Первое, что надо сделать, это подобрать КУ для ОУ шунта таким образом, чтобы при 15А напряжение на выходе того ОУ было не более 4.8в Более 5 вольт быть не может, потому что пять вольт стабилизированы (а если он питается от ИОН, как в моей оригинальной схеме, так там вообще 5 вольт с отклонением плюс-минус менее процента). Соответственно, сколько ток не повышай, напряжение на выходе ОУ достигнет максимума его питания (для rail-to-rail операционников) и выше уже подняться не сможет. Это значит, что ток выше 16-17А (навскидку, точнее надо прикидывать) ЗУ уже не покажет, потому что измеряемый ток выйдет из диапазона выходного напряжения операционника.

_________________

Поблагодарить автора:
Контакты:
Телеграмм: alexSh154
Вконтакте
Одноквассники
Instagram


Вернуться к началу
 Профиль  
 
СообщениеДобавлено: 30 дек 2019, 03:27 
Не в сети
Уже тут был(а)
Аватара пользователя

Зарегистрирован: 15 дек 2019, 21:33
Сообщения: 27
Откуда: Саранск
Авто: AUDI 100 C4
Имя: Сергей
AlexJ писал(а):
Если нужно, пишите адрес подарю стандартный шунт
https://aliexpress.ru/item/1985472906.h ... 33edn8IZw9

Спасибо большое, но не нужно, я интересуюсь не ради экономии (уже заказал вот такой на 15А https://s.click.aliexpress.com/e/cDD0rCMS и такой на 20А https://s.click.aliexpress.com/e/ce0ZDCfY), просто пока комплектую и паяю платы хочу как можно больше вникнуть во все нюансы.
oka275 писал(а):
Хм, так и не ответишь двумя словами. Первое, что надо сделать, это подобрать КУ для ОУ шунта таким образом, чтобы при 15А напряжение на выходе того ОУ было не более 4.8в Более 5 вольт быть не может, потому что пять вольт стабилизированы (а если он питается от ИОН, как в моей оригинальной схеме, так там вообще 5 вольт с отклонением плюс-минус менее процента). Соответственно, сколько ток не повышай, напряжение на выходе ОУ достигнет максимума его питания (для rail-to-rail операционников) и выше уже подняться не сможет. Это значит, что ток выше 16-17А (навскидку, точнее надо прикидывать) ЗУ уже не покажет, потому что измеряемый ток выйдет из диапазона выходного напряжения операционника.

То, что после ОУ максимально будет выходить 4,8в это я понял, я не понял как контроллер определит что 4,8в это именно 15А, а не 20 и не 50, это определено прошивкой или устанавливается в "ручную"?


Вернуться к началу
 Профиль  
 
СообщениеДобавлено: 30 дек 2019, 14:18 
Не в сети
Заслуженный участник Клуба ЗУ-ОКА275

Зарегистрирован: 19 июл 2017, 00:16
Сообщения: 1022
Имя: Валерий
marsergei76 писал(а):
я не понял как контроллер определит что 4,8в это именно 15А, а не 20 и не 50
Сначала делаешь так (это делается для того, чтобы долго не крутить энкодер и сразу попасть в диапазон шунта).
Цитата:
Отныне, независимо от применяемого датчика тока, входим в режим калибровки амперметра, подключаем к ЗУ эталонный амперметр (лучше через нагрузку), накручиваем энкодером ровно 5.00 А и одновременно нажимаем и удерживаем кнопку энкодера и МЕНЮ примерно 2 секунды. На дисплее ЗУ должно появиться сообшение типа: "SET 1.23453". Всё, множитель установлен и на этом калибровку амперметра почти можно считать законченной. Останется только побродить по диапазону и возможно несколько подстроить показания.
Потом, снова заходишь в калибровку амперметра, на вход подключаешь нагрузку через мультиметр (например лампы).
Крутишь энкодер, добиваешься чтобы мультиметр показывал, скажем 8 ампер. Нажимаем кнопку на энкодере и устанавливаем показания ЗУ равными показаниям мультиметра, затем нажимаешь опять кнопку энкодера для сохранения значений. Можно нажать кнопку "меню", выйдет из калибровки и тоже сохранится. Алексей, подправь, если это не так (речь про кнопку "меню").

Повторяешь эту процедуру несколько раз (для точной установки), можно в принципе и одним разом обойтись.

Еще, показания мультиметра будут очень сильно врать и погрешность будет зависеть от силы тока. Чем больше сила тока, тем больше нагрев, тем больше погрешность.

Для калибровки лучше использовать какой то эталонный амперметр, тогда будет точно (об этом в цитате написано).


Вернуться к началу
 Профиль  
 
СообщениеДобавлено: 31 дек 2019, 14:31 
Не в сети
Site Admin
Аватара пользователя

Зарегистрирован: 10 апр 2007, 22:36
Сообщения: 11301
Откуда: Новосибирск, Дзержинский
Авто: ВАЗ-21043
Имя: Алексей
NuSen писал(а):
Крутишь энкодер, добиваешься чтобы мультиметр показывал, скажем 8 ампер. Нажимаем кнопку на энкодере и устанавливаем показания ЗУ равными показаниям мультиметра

Неправильно от слова "совсем".

В одной из недавних версий прошивок (С какой версии - читайте "История изменений.txt" в корне архива моей документации) применяется другой метод калибровки амперметра. Во-первых, использовать нагрузку не обязательно. Можно "повесить" эталонный амперметр прямо на клеммы ЗУ. Во-вторых рекомендую сделать это И ТОЛЬКО ПОТОМ входить в режим калибровки амперметра. Дело в том, что если прежде зайти в режим калибровки, да еще и покрутить там экодером цифры в сторону увеличения, на выходе силового БП выставится максимальное напряжение. И подключаемый амперметр радостно разрядит на себя все электролиты его выходных цепей. А если сначала будет подключен амперметр и только потом будет вход в режим калибровки со всеми последующими действиями, этой ситуации не будет.

В-третьих, нужно накрутить на эталонном амперметре ровно 5.00 Ампер (прям строго) и нажать одновременно кнопки энкодера и МЕНЮ. ЗУ автоматически высчитает множитель, запишет его в память и как правило на этом калибровку тока можно закончить.

_________________

Поблагодарить автора:
Контакты:
Телеграмм: alexSh154
Вконтакте
Одноквассники
Instagram


Вернуться к началу
 Профиль  
 
СообщениеДобавлено: 31 дек 2019, 15:29 
Не в сети
Заслуженный участник Клуба ЗУ-ОКА275

Зарегистрирован: 19 июл 2017, 00:16
Сообщения: 1022
Имя: Валерий
Алексей
Был вопрос, как ЗУ поймет, что 4,8 вольт на выходе ОУ - это 15А, я попытался ответить.

Мне не понятна эта фраза из цитаты в моем сообщении выше.
Цитата:
..Останется только побродить по диапазону и возможно несколько подстроить показания.

Что значит подстроить показания, как это происходит? Еще раз накручиваем 5.00 Ампер и нажимаем одновременно кнопки энкодера и МЕНЮ?

Там же при нажатии кнопки энкодера, можно корректировать показания, о чем я и написал выше и фраза "Неправильно от слова "совсем"" тут наверно не подходит. Что то я запутался.

С Наступающим!!


Вернуться к началу
 Профиль  
 
СообщениеДобавлено: 31 дек 2019, 21:40 
Не в сети
Site Admin
Аватара пользователя

Зарегистрирован: 10 апр 2007, 22:36
Сообщения: 11301
Откуда: Новосибирск, Дзержинский
Авто: ВАЗ-21043
Имя: Алексей
NuSen писал(а):
Там же при нажатии кнопки энкодера, можно корректировать показания, о чем я и написал выше и фраза "Неправильно от слова "совсем"

Мне показалось, что вы написали это как единственный доступный способ калибровки амперметра. Меж тем описанный мной способ я считаю единственно верным (на основании отзывов и личного опыта), а про это Вы не написали ни слова. Потому я так и отреагировал. Возможно я неправильно понял ваши мысли и мои слова не совсем подходят.

В любом случае это всё, по сравнению с мировыми проблемами, абсолютный пустяк. Всех с Наступающим!!! *BRAVO*

_________________

Поблагодарить автора:
Контакты:
Телеграмм: alexSh154
Вконтакте
Одноквассники
Instagram


Вернуться к началу
 Профиль  
 
СообщениеДобавлено: 31 дек 2019, 21:44 
Не в сети
Постоянец

Зарегистрирован: 11 ноя 2014, 18:10
Сообщения: 151
Откуда: Новосибирск
Авто: nissan patrol
Имя: Константин
*DRINK* *YAHOO*


Вернуться к началу
 Профиль  
 
СообщениеДобавлено: 01 янв 2020, 02:50 
Не в сети
Уже тут был(а)

Зарегистрирован: 13 фев 2013, 14:47
Сообщения: 14
Авто: Нива Легенд 4х4
Имя: Farhad
С новым годом


Вернуться к началу
 Профиль  
 
СообщениеДобавлено: 01 янв 2020, 03:16 
Не в сети
Уже тут был(а)
Аватара пользователя

Зарегистрирован: 15 дек 2019, 21:33
Сообщения: 27
Откуда: Саранск
Авто: AUDI 100 C4
Имя: Сергей


Вернуться к началу
 Профиль  
 
СообщениеДобавлено: 02 янв 2020, 02:01 
Не в сети
Уже тут был(а)
Аватара пользователя

Зарегистрирован: 15 дек 2019, 21:33
Сообщения: 27
Откуда: Саранск
Авто: AUDI 100 C4
Имя: Сергей
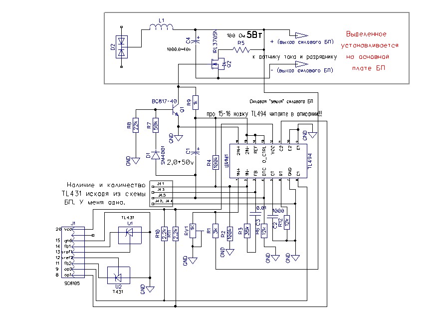
Всем Привет, и ещё раз с Новым Годом! Переделал и запустил БП на SG6105, максимальное напряжение без платы управления установилось 25 вольт. Погонял на нагрузке 6А, держит нормально, просадки напряжения мультиметром не показывает. Выкладываю свой вариант схемы переделки и печатную плату в Sprint-Layout, может кому пригодится. Настраивал также как и со стандартным вариантом.


Вложения:
Доработка БП на SG6105_SG6109_IN1688.rar [326.91 КБ]
Скачиваний: 268
SG6105_to_TL494.jpg
SG6105_to_TL494.jpg [ 96.4 КБ | Просмотров: 8925 ]
DSC_0454.JPG
DSC_0454.JPG [ 691.43 КБ | Просмотров: 8925 ]
Вернуться к началу
 Профиль  
 
СообщениеДобавлено: 02 янв 2020, 16:34 
Не в сети
Уже был(а), и не раз, и не два

Зарегистрирован: 16 фев 2019, 22:15
Сообщения: 112
Откуда: Мариуполь
Авто: kia
Имя: Олег
Всех с новым годом.Плата силовая может кому пригодится.


Вложения:
POWER.lay6 [211.74 КБ]
Скачиваний: 345
Вернуться к началу
 Профиль  
 
СообщениеДобавлено: 05 янв 2020, 08:10 
Не в сети
Уже тут был(а)

Зарегистрирован: 05 янв 2020, 08:04
Сообщения: 10
Имя: Рамиль
Всем привет! может у кого остались лишние платы блока управления и контроллера вентиляции от NuSen 1.5 ? Готов приобрести.


Вернуться к началу
 Профиль  
 
СообщениеДобавлено: 05 янв 2020, 14:46 
Не в сети
Новичок

Зарегистрирован: 04 янв 2020, 02:30
Сообщения: 3
Имя: Владимир
Здравствуйте! Решил собрать данное зарядное (а именно плату управления из "Основного архива схем", файл "Плата управления_DipTrace" от 08.11.2017 - вроде самая последняя версия?).
Может у кого-нибудь есть плата для него? Готов купить.


Вернуться к началу
 Профиль  
 
СообщениеДобавлено: 05 янв 2020, 15:05 
Не в сети
Уже был(а) и не раз

Зарегистрирован: 02 авг 2018, 23:02
Сообщения: 36
Имя: Сергей
vladimirk68 писал(а):
Здравствуйте! Решил собрать данное зарядное (а именно плату управления из "Основного архива схем", файл "Плата управления_DipTrace" от 08.11.2017 - вроде самая последняя версия?).
Может у кого-нибудь есть плата для него? Готов купить.

Здравствуйте. Если с Украины пишите мне в личку. Платы есть в наличии. Если с России обратитесь к Владимиру.


Вернуться к началу
 Профиль  
 
СообщениеДобавлено: 05 янв 2020, 18:16 
Не в сети
Новичок

Зарегистрирован: 04 янв 2020, 02:30
Сообщения: 3
Имя: Владимир
Спасибо! А к какому Владимиру?


Вернуться к началу
 Профиль  
 
СообщениеДобавлено: 05 янв 2020, 20:27 
Не в сети
Уже был(а) и не раз

Зарегистрирован: 02 авг 2018, 23:02
Сообщения: 36
Имя: Сергей
vladimirk68 писал(а):
Спасибо! А к какому Владимиру?

Ой, ошибся. К Вячеславу-1


Вернуться к началу
 Профиль  
 
СообщениеДобавлено: 06 янв 2020, 10:44 
Не в сети
Новичок

Зарегистрирован: 04 янв 2020, 02:30
Сообщения: 3
Имя: Владимир
Спасибо! Получилось.


Вернуться к началу
 Профиль  
 
СообщениеДобавлено: 12 янв 2020, 22:41 
Не в сети
Site Admin
Аватара пользователя

Зарегистрирован: 10 апр 2007, 22:36
Сообщения: 11301
Откуда: Новосибирск, Дзержинский
Авто: ВАЗ-21043
Имя: Алексей
Друзья! Я помню точно, что такая тема немного обсуждалась ранее. Также знаю, что этой страницы я вряд-ли найду.
Прикидываю тут кое что. Всё грустно, памяти осталось всего 4% и не понятно на что я надеюсь. Но всё-таки!
Вопрос: какие типы АКБ существуют в природе для автомобилей? Раритеты не надо, нужно основные, которые свободно продаются в обычном магазине аккумуляторов. Ну там СА/СA, Гибридный, Сурьмянистый, AGM.. Это то, что я точно знаю и видел. Другие есть ли?

Как я уже говорил ранее, мне пришло понимание того, что текущая ситуация с профилями есть полная хрень. Профиля надо делать не для АКБ конкретного ампер-часа (как сейчас), а для конкретного ТИПА АКБ. Чтобы потом, когда сосед или корефан притащит к тебе свой аккум на профилактику, ты не тупил, а просто выбрал соответствующий тип АКБ и там у тебя уже давно всё вбито заранее. В этот же список я обязательно добавлю профиль для лития (да-да, потому что я так хочу :-D , да и не только я). И еще пару-тройку, чтобы пользователь сам мог создать нужный ему профиль (для зарядки каких нибудь космических батарей и тд). То есть профили не добавятся, а просто видоизменятся. Потому надеюсь, что много памяти это не потребует, хотя эта доработка тоже стоит в списке моих обещалок.

Итак, нужен список видов АКБ, которые будут присутствовать в списке выбора нашего ЗУ. А если кто дополнит информацию значениями основных контрольных точек для заряда (напряжение, ток, в общем всё как в нашем редакторе профилей), то вообще будет клёво. Иначе я их забью дефолтными значениями и потом уже по ходу дела будем их менять на более подходящие, чтобы не париться после сброса ЕЕПРОМ.

_________________

Поблагодарить автора:
Контакты:
Телеграмм: alexSh154
Вконтакте
Одноквассники
Instagram


Вернуться к началу
 Профиль  
 
СообщениеДобавлено: 12 янв 2020, 23:26 
Не в сети
Site Admin
Аватара пользователя

Зарегистрирован: 10 апр 2007, 22:36
Сообщения: 11301
Откуда: Новосибирск, Дзержинский
Авто: ВАЗ-21043
Имя: Алексей
Вопрос2: кто нибудь пользуется паролями? Я задумывал эту штуку для случаев, если буду давать свое ЗУ друзьям например. Чтобы не лезли никуда. Но так его ни разу и не дал. Потому и ни разу не использовал данную штуку. А она процентов 5 памяти точно жрёт. Удалить чтоли..

_________________

Поблагодарить автора:
Контакты:
Телеграмм: alexSh154
Вконтакте
Одноквассники
Instagram


Вернуться к началу
 Профиль  
 
СообщениеДобавлено: 12 янв 2020, 23:31 
Не в сети
Постоянец

Зарегистрирован: 11 ноя 2014, 18:10
Сообщения: 151
Откуда: Новосибирск
Авто: nissan patrol
Имя: Константин
Паролем не пользуюсь, акб несут мне на зарядку.


Вернуться к началу
 Профиль  
 
Показать сообщения за:  Поле сортировки  
Начать новую тему Ответить на тему  [ Сообщений: 11870 ]  На страницу Пред.  1 ... 495, 496, 497, 498, 499, 500, 501 ... 594  След.

Часовой пояс: UTC + 7 часов


Кто сейчас на конференции

Сейчас этот форум просматривают: нет зарегистрированных пользователей и гости: 1


Вы не можете начинать темы
Вы не можете отвечать на сообщения
Вы не можете редактировать свои сообщения
Вы не можете удалять свои сообщения
Вы не можете добавлять вложения

Найти:
Перейти:  
cron
Powered by phpBB® Forum Software © phpBB Group
Русская поддержка phpBB