Ока в Новосибирске

Клуб Окаводов Новосибирска
Текущее время: 04 ноя 2025, 00:23

Часовой пояс: UTC + 7 часов




Начать новую тему Ответить на тему  [ Сообщений: 1507 ]  На страницу Пред.  1 ... 46, 47, 48, 49, 50, 51, 52 ... 76  След.
Автор Сообщение
СообщениеДобавлено: 24 мар 2020, 17:02 
Не в сети
Уже тут был(а)

Зарегистрирован: 05 янв 2020, 08:04
Сообщения: 10
Имя: Рамиль
Спасибо Алексей за ответ! Просто я не пойму какое влияние может оказывать защита, если она соединяется к 4 ноге через диод, и если старт-стоп от МК тоже пустить через диод, то наверно они вообще не будут оказывать друг на друга влияния?

Вот у меня тоже сделана защита по 15 и 16 ножке и сколько раз замыкал и срабатывало ограничение в 12 А. Но в этот раз к сожалению защита не сработала почему-то, поэтому задумался о том, чтобы сделать штатную защиту по 4 ноге.

Блок очень тихо пищит в районе 8 - 10 вольт, еле слышно. Иногда под определённой нагрузкой тоже попискивает, а так в целом вроде не греется и не пищит. К сожалению нету осциллографа чтобы сравнить сигналы.

Буду экспериментировать с напряжением питания TL494 и с защитой. Спасибо.


Вернуться к началу
 Профиль  
 
СообщениеДобавлено: 24 мар 2020, 18:42 
Не в сети
Site Admin
Аватара пользователя

Зарегистрирован: 10 апр 2007, 22:36
Сообщения: 11300
Откуда: Новосибирск, Дзержинский
Авто: ВАЗ-21043
Имя: Алексей
hasanchik писал(а):
если старт-стоп от МК тоже пустить через диод, то наверно они вообще не будут оказывать друг на друга влияния?

не знаю, надо видеть конкретную схему. Там видно будет.

hasanchik писал(а):
Блок очень тихо пищит в районе 8 - 10 вольт, еле слышно. Иногда под определённой нагрузкой тоже попискивает

Лишь бы не было аномалий по нагреву, а также чтобы цифры не скакали до невозможности.

_________________

Поблагодарить автора:
Контакты:
Телеграмм: alexSh154
Вконтакте
Одноквассники
Instagram


Вернуться к началу
 Профиль  
 
СообщениеДобавлено: 08 апр 2020, 20:22 
Не в сети
Уже тут был(а)

Зарегистрирован: 05 янв 2020, 08:04
Сообщения: 10
Имя: Рамиль
вот моя схема БП. Совмещена с разрядником. В своей схеме я применил двойную электронную нагрузку на транзисторах и ОУ, не понравился сильный нагрев резистора на 100 Ом при напряжениях более 20 вольт. Сделал защиту от кз на lm393 по 4 ноге, добавив диод в старт стоп от МК. шим и эл. нагрузка на отдельных платах. Все работает великолепно. Спасибо!


Вложения:
ПЛАТЫ ЗУ+БП универсальная.lay6 [625.34 КБ]
Скачиваний: 453
схема.pdf [105.91 КБ]
Скачиваний: 471
Вернуться к началу
 Профиль  
 
СообщениеДобавлено: 13 апр 2020, 02:33 
Не в сети
Уже тут был(а)

Зарегистрирован: 23 мар 2018, 00:05
Сообщения: 11
Имя: Дмитрий
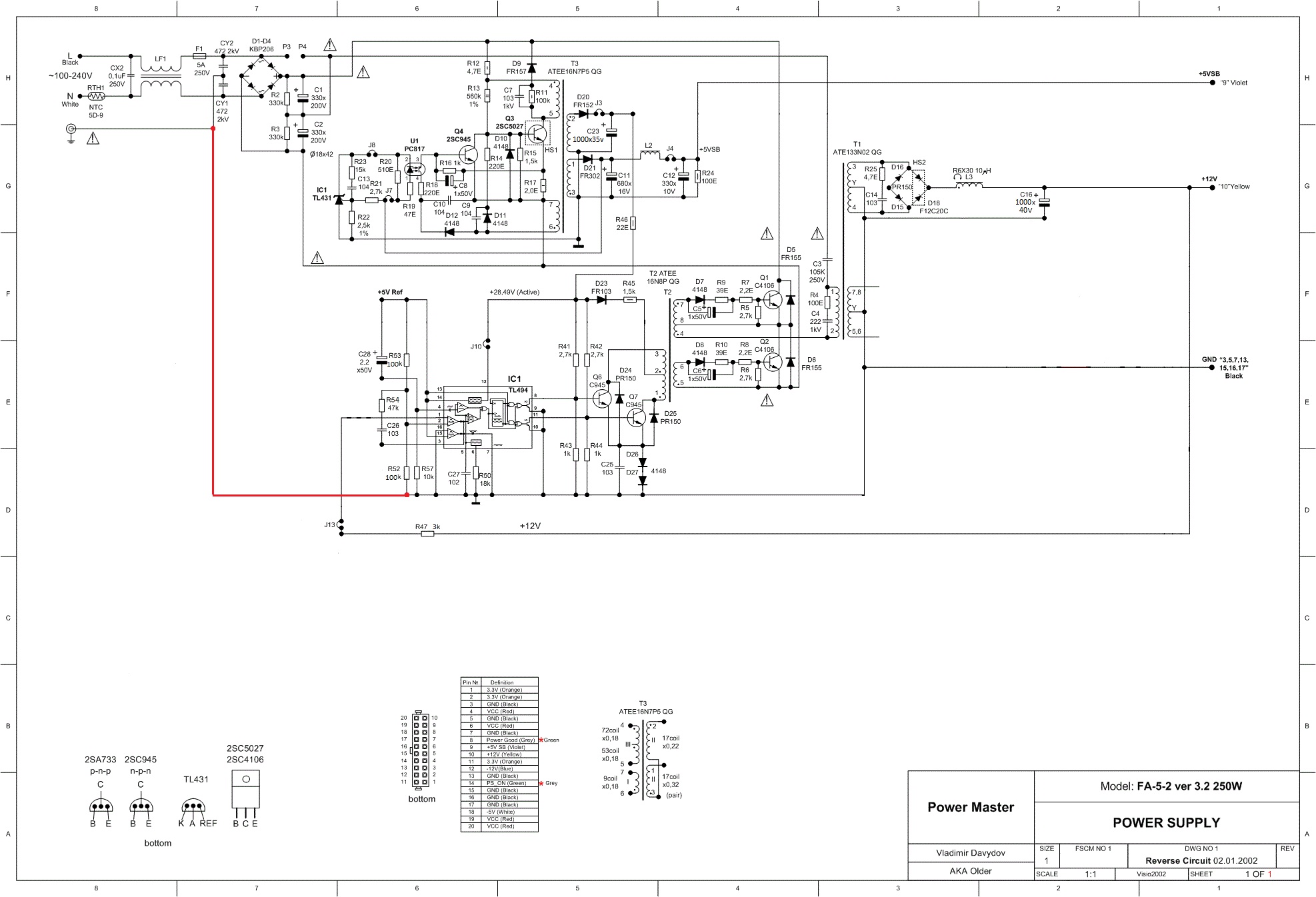
Всем доброго времени суток! Прошу помощи в решении вопроса по переделке компьютерного БП в ЗУ. Переделал я данный БП по схеме предоставленной Алексеем, после включения в сеть сразу появляются сверчки, на выходе 10,9в. Сверчки усиливаются если дотронуться до шлейфа подключения к плате управления. Пробовал запитывать ТЛ-ку от внешнего источника 12в, сверчков никаких нет, полная тишина и напряжение тоже в норме 10,9в. Сильно не критикуйте это мой первый опыт по переделке БП. Полную схему БП и что в схеме убрал прилагаю. Заранее благодарю за помощь.


Вложения:
Power Master FA_5_2 v3-2.gif
Power Master FA_5_2 v3-2.gif [ 105.81 КБ | Просмотров: 9995 ]
FA_5_2_v3-2_250W_PowerMaster.gif
FA_5_2_v3-2_250W_PowerMaster.gif [ 154.89 КБ | Просмотров: 9995 ]
Вернуться к началу
 Профиль  
 
СообщениеДобавлено: 14 апр 2020, 14:35 
Не в сети
Заслуженный участник Клуба ЗУ-ОКА275

Зарегистрирован: 06 апр 2017, 23:31
Сообщения: 255
Откуда: г. Москва
Авто: HONDA JAZZ
Имя: Дмитрий
MrFlash
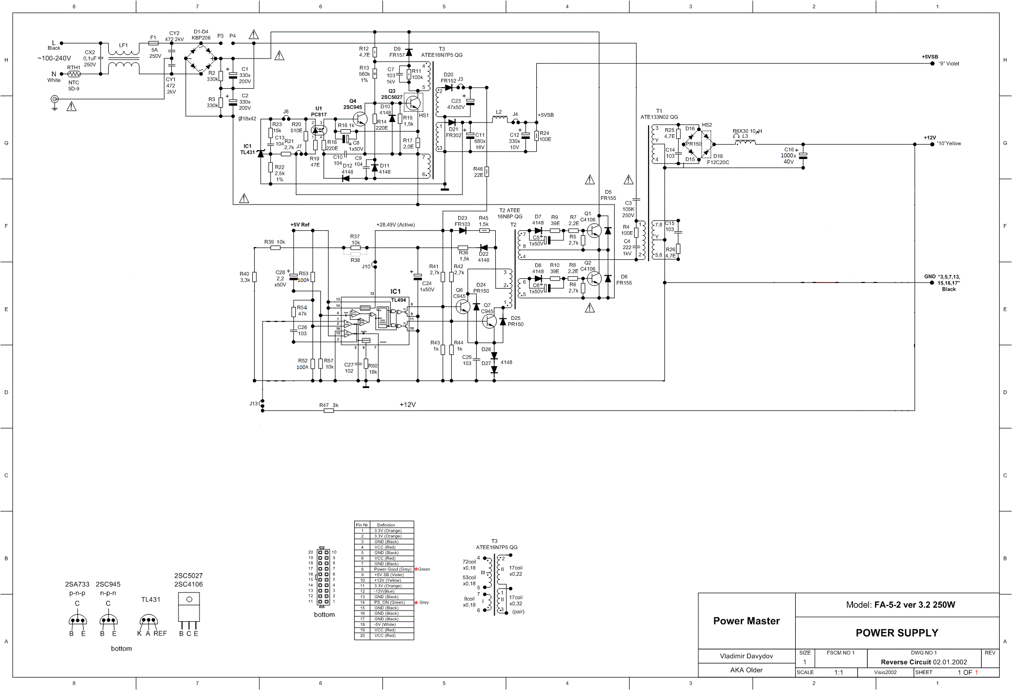
Наверно забыли указать на схеме резистор с 3 вывода 1 вывода TL494 на общий. В схеме Алексея он имеется. С одним резистором R47 на выходе БП не получить напряжение 10,9В и должно быть всего 2,5В. D22, R36, C24, R37, R39, R40, C15, R26 лишние на схеме. С25 обычно указан на схемах 1...10мкФ. С23 имеет очень малую ёмкость и желательно увеличить до 1000мкФ. Возможно из-за этого питание 12В имееет высокие пульсации и поэтому присутствуют сверчки БП.


Последний раз редактировалось pereborka 14 апр 2020, 21:04, всего редактировалось 1 раз.

Вернуться к началу
 Профиль  
 
СообщениеДобавлено: 14 апр 2020, 20:23 
Не в сети
Заслуженный участник Клуба ЗУ-ОКА275

Зарегистрирован: 26 дек 2013, 22:29
Сообщения: 144
Откуда: Санкт-Петербург
Имя: Сергей
Здравствуйте, Рамиль!
Цитата:
...с 3 вывода TL494 на общий
Читать "...с 1 вывода TL494 на общий". В исходной схеме - это параллельно включенные резисторы R49, R50 и R51.
Величина C23, на мой взгляд, вполне достаточная, если от этой цепи больше ничего не питается (в таком варианте ничего и не должно питаться!).
Нужно еще удалить диоды D15, D16. Если будете менять D18 на более мощный Шоттки, то цепь R25C14 необходимо убрать и подключить аналогичные цепи параллельно каждому диоду сборки.
Со "сверчками" необходимо разобраться ДО подключения платы управления во всем диапазоне выходного напряжения и тока нагрузки. Обязательно подключить минимальную нагрузку на выход (хотя бы на 100 мА). Влияет: монтаж, выходной дроссель L3, точка подключения общего провода, величина элементов R54C26, R4C4 и т. д. Может влиять доп нагрузка на вспомогательный ИП (+5VSB).
Если после должной настройки "сверчки" будут появляться при подключении шлейфа платы управления, то необходимо искать "правильную" точку подключения общего провода платы управления.
Успехов!


Вернуться к началу
 Профиль  
 
СообщениеДобавлено: 14 апр 2020, 20:27 
Не в сети
Уже тут был(а)

Зарегистрирован: 23 мар 2018, 00:05
Сообщения: 11
Имя: Дмитрий
pereborka писал(а):
MrFlash
Наверно забыли указать на схеме резистор с 3 вывода TL494 на общий. В схеме Алексея он имеется. С одним резистором R47 на выходе БП не получить напряжение 10,9В и должно быть всего 2,5В. D22, R36, C24, R37, R39, R40, C15, R26 лишние на схеме. С25 обычно указан на схемах 1...10мкФ. С23 имеет очень малую ёмкость и желательно увеличить до 1000мкФ. Возможно из-за этого питание 12В имееет высокие пульсации и поэтому присутствуют сверчки БП.

Дмитрий, резистор с 2 вывода на 100 кОм запаян на общий, на схеме R52. Все лишние элементы которые Вы написали с платы убрал. С23 увеличил до 1000 мкф, но сверчки так и присутствуют. Ещё какая-то странность с БП, сверчки пропадают как только подсоединяю заземляющий провод осцилографа к минусу. На 12 вывод приходит 22в, это нормально?


Вернуться к началу
 Профиль  
 
СообщениеДобавлено: 14 апр 2020, 20:57 
Не в сети
Заслуженный участник Клуба ЗУ-ОКА275

Зарегистрирован: 06 апр 2017, 23:31
Сообщения: 255
Откуда: г. Москва
Авто: HONDA JAZZ
Имя: Дмитрий
Питание 22В для TL494 в норме. Сергей правильно меня поправил по выводу 3 TL494 (читать 1 вывод). Нагрузите силовой БП резистором например 100-270 Ом.


Вернуться к началу
 Профиль  
 
СообщениеДобавлено: 15 апр 2020, 00:29 
Не в сети
Уже тут был(а)

Зарегистрирован: 05 янв 2020, 08:04
Сообщения: 10
Имя: Рамиль
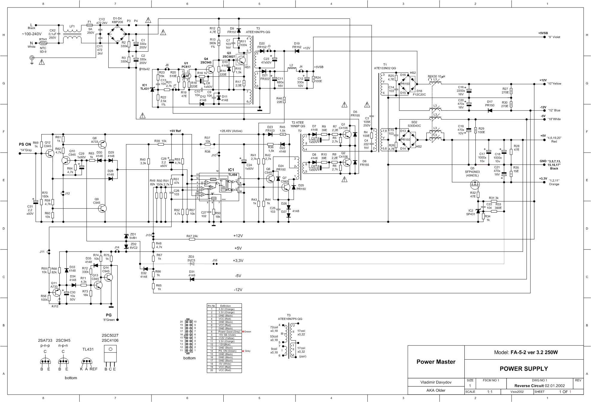
MrFlash писал(а):
Всем доброго времени суток! Прошу помощи в решении вопроса по переделке компьютерного БП в ЗУ. Переделал я данный БП по схеме предоставленной Алексеем, после включения в сеть сразу появляются сверчки, на выходе 10,9в. Сверчки усиливаются если дотронуться до шлейфа подключения к плате управления. Пробовал запитывать ТЛ-ку от внешнего источника 12в, сверчков никаких нет, полная тишина и напряжение тоже в норме 10,9в. Сильно не критикуйте это мой первый опыт по переделке БП. Полную схему БП и что в схеме убрал прилагаю. Заранее благодарю за помощь.

Привет! По моему опыту свист на данных БП сильно уменьшается или отсутствует вовсе при наличии конденсатора 4700 пф. вот в этом месте. На вашей схеме его нет. И еще, зря Вы удалили защиту по 4 ноге на транзисторах. Она никак не мешает работе микроконтроллера, если установить диод типа 4148 от мк до 4 ноги


Вложения:
Power Master FA_5_2 v3-2.gif
Power Master FA_5_2 v3-2.gif [ 113.01 КБ | Просмотров: 9900 ]
Вернуться к началу
 Профиль  
 
СообщениеДобавлено: 17 апр 2020, 00:57 
Не в сети
Уже тут был(а)

Зарегистрирован: 23 мар 2018, 00:05
Сообщения: 11
Имя: Дмитрий
hasanchik писал(а):
Привет! По моему опыту свист на данных БП сильно уменьшается или отсутствует вовсе при наличии конденсатора 4700 пф. вот в этом месте. На вашей схеме его нет. И еще, зря Вы удалили защиту по 4 ноге на транзисторах. Она никак не мешает работе микроконтроллера, если установить диод типа 4148 от мк до 4 ноги

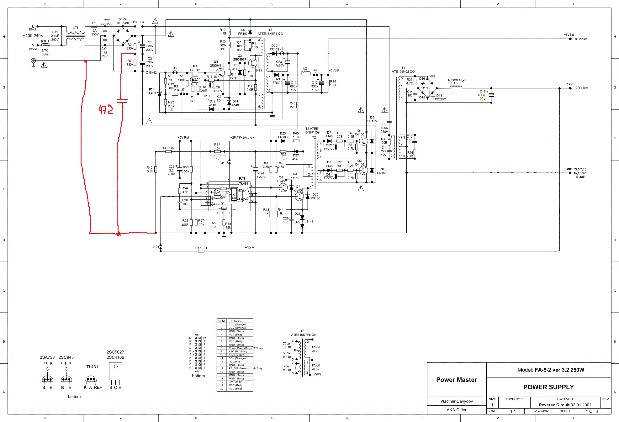
Да, сверчки пропали после восстановления данной цепи. Сразу на неё не обратил внимания, даная цепь соединяется корпусом самого компьютерного БП. Всем спасибо за помощь!


Вложения:
Power Master.jpg
Power Master.jpg [ 379.15 КБ | Просмотров: 9828 ]
Вернуться к началу
 Профиль  
 
СообщениеДобавлено: 18 апр 2020, 03:15 
Не в сети
Уже тут был(а)

Зарегистрирован: 23 мар 2018, 00:05
Сообщения: 11
Имя: Дмитрий
SergeyVB писал(а):
Со "сверчками" необходимо разобраться ДО подключения платы управления во всем диапазоне выходного напряжения и тока нагрузки.
Успехов!

БП после всех переделок и замыкания 2 и 14 ноги ТЛ-ки получилось максимум настроить на напряжение 22в.
Подскажите пожалуйста, как проверить переделанный БП до подключения к плате управления на отсутствие "сверчков"во всем диапазоне нагрузок?


Вернуться к началу
 Профиль  
 
СообщениеДобавлено: 18 апр 2020, 17:55 
Не в сети
Заслуженный участник Клуба ЗУ-ОКА275

Зарегистрирован: 26 дек 2013, 22:29
Сообщения: 144
Откуда: Санкт-Петербург
Имя: Сергей
Здравствуйте, Дмитрий!
Входное напряжение можно регулировать, подключив потенциометр (~ 10 кОм) между выводами 7 (GND) и 14 (Vref) TL494, а средний вывод потенциометра к выводу 2 (-In) TL494. Или подать напряжение (0...5) V от внешнего регулируемого источника питания.
В качестве регулируемой нагрузки можно применить мощный (Ватт на 200) потенциометр (Ом 20...30). Или блок электронной нагрузки из этого проекта, регулируя ток нагрузки подачей на вход (левый вывод R11, оторвав его от вывода 8 DAC1 (по схеме Алексея)) регулируемого напряжения от - см. выше.
Успехов!


Вернуться к началу
 Профиль  
 
СообщениеДобавлено: 18 апр 2020, 21:06 
Не в сети
Уже тут был(а)

Зарегистрирован: 23 мар 2018, 00:05
Сообщения: 11
Имя: Дмитрий
Сергей, всё в принципе понятно. Спасибо за ответ!


Вернуться к началу
 Профиль  
 
СообщениеДобавлено: 18 апр 2020, 23:24 
Не в сети
Уже тут был(а)

Зарегистрирован: 05 янв 2020, 08:04
Сообщения: 10
Имя: Рамиль
Всем привет! В моём блоке питания возникла проблема. При включении блока, кратковременно происходит мощный бросок напряжения (порядка 30 вольт и более) и небольшой кратковременный сверчок. И так как в моем БП есть защита по 4 ноге, то блок уходит в защиту. Запустить получается только через несколько попыток. Что может быть???


Вернуться к началу
 Профиль  
 
СообщениеДобавлено: 19 апр 2020, 00:58 
Не в сети
Заслуженный участник Клуба ЗУ-ОКА275

Зарегистрирован: 06 апр 2017, 23:31
Сообщения: 255
Откуда: г. Москва
Авто: HONDA JAZZ
Имя: Дмитрий
hasanchik
Не совсем понятно в каком режиме происходит мощный бросок напряжения. Возможно эту проблему решит установка конденсатора 0,1...0,47мкФ между выводами 3 и 1 LM393 (защита от КЗ) или удалить диод между 3 и 1 выводом. С этим диодом защита видимо работает как "защёлка" и требует снятия питания с TL494 для сброса защиты.


Вернуться к началу
 Профиль  
 
СообщениеДобавлено: 19 апр 2020, 03:23 
Не в сети
Уже тут был(а)

Зарегистрирован: 05 янв 2020, 08:04
Сообщения: 10
Имя: Рамиль
Это происходит в самом начале как только включаешь блок в сеть. Происходит бросок напряжения. Пробовал вынуть микросхему 494, такая же история, сперва бросок, потом конденсаторы разряжаются до нуля.


Вернуться к началу
 Профиль  
 
СообщениеДобавлено: 21 апр 2020, 02:33 
Не в сети
Уже тут был(а)

Зарегистрирован: 23 мар 2018, 00:05
Сообщения: 11
Имя: Дмитрий
Всем доброго времени суток! Протестирован я свой БП от 0 до 22в с нагрузкой, все стабильно, сверчков нет. Подключаю плату управления, в настройках выбираю "Калибровка табл. напряжений", напряжение поднимается до 10-11,7в и плавает в этом диапазоне. БП при этом трещит. Подскажите, что делаю не так?


Вернуться к началу
 Профиль  
 
СообщениеДобавлено: 21 апр 2020, 14:47 
Не в сети
Заслуженный участник Клуба ЗУ-ОКА275

Зарегистрирован: 26 дек 2013, 22:29
Сообщения: 144
Откуда: Санкт-Петербург
Имя: Сергей
Здравствуйте, Дмитрий!
Калибровка проводится в СТРОГОЙ последовательности, определенной Алексеем. Калибровка АМПЕРМЕРА, калибровка ВОЛЬТМЕТРОВ и т. д.
Успехов!


Вернуться к началу
 Профиль  
 
СообщениеДобавлено: 22 апр 2020, 14:03 
Не в сети
Site Admin
Аватара пользователя

Зарегистрирован: 10 апр 2007, 22:36
Сообщения: 11300
Откуда: Новосибирск, Дзержинский
Авто: ВАЗ-21043
Имя: Алексей
MrFlash писал(а):
выбираю "Калибровка табл. напряжений", напряжение поднимается до 10-11,7в и плавает в этом диапазоне. БП при этом трещит.

SergeyVB писал(а):
Калибровка проводится в СТРОГОЙ последовательности, определенной Алексеем. Калибровка АМПЕРМЕРА, калибровка ВОЛЬТМЕТРОВ и т. д.
Успехов!

Всем привет! В принципе, калибровку табл.напряжений можно делать в любое время, но только в качестве теста прохождения всех ступенек. В финале все равно надо нормально откалибровать вольтметр и (если это не схема NuSen1.5) корректор. MrFlash, а в режиме калибровки вольтметра, при изменении %%% мощности от 0 до 100 ничего не трещит? А в калибровке табл.напряжений трещит? Тогда совсем странно. Ждем ответа.

_________________

Поблагодарить автора:
Контакты:
Телеграмм: alexSh154
Вконтакте
Одноквассники
Instagram


Вернуться к началу
 Профиль  
 
СообщениеДобавлено: 22 апр 2020, 20:18 
Не в сети
Уже тут был(а)

Зарегистрирован: 23 мар 2018, 00:05
Сообщения: 11
Имя: Дмитрий
Алексей, здравствуйте! В режиме крлибровки вольметра в диапазоне 0 - 51% мощности есть тихие сверчки, но напряжение стабильно держится 0,18 - 11,49в. Выше 51% БП трещит и напряжение начинает плавать 11,79 - 13,34в. Сегодня попробовал начать с калибровки амперметра, плата управления после теста ограничения на дисплее показала "Нет ответа БП".


Последний раз редактировалось MrFlash 22 апр 2020, 20:23, всего редактировалось 1 раз.

Вернуться к началу
 Профиль  
 
Показать сообщения за:  Поле сортировки  
Начать новую тему Ответить на тему  [ Сообщений: 1507 ]  На страницу Пред.  1 ... 46, 47, 48, 49, 50, 51, 52 ... 76  След.

Часовой пояс: UTC + 7 часов


Кто сейчас на конференции

Сейчас этот форум просматривают: нет зарегистрированных пользователей и гости: 1


Вы не можете начинать темы
Вы не можете отвечать на сообщения
Вы не можете редактировать свои сообщения
Вы не можете удалять свои сообщения
Вы не можете добавлять вложения

Найти:
Перейти:  
cron
Powered by phpBB® Forum Software © phpBB Group
Русская поддержка phpBB