Ока в Новосибирске

Клуб Окаводов Новосибирска
Текущее время: 04 ноя 2025, 18:08

Часовой пояс: UTC + 7 часов




Начать новую тему Ответить на тему  [ Сообщений: 1507 ]  На страницу Пред.  1 ... 34, 35, 36, 37, 38, 39, 40 ... 76  След.
Автор Сообщение
СообщениеДобавлено: 13 июл 2017, 22:06 
Не в сети
Заслуженный участник Клуба ЗУ-ОКА275

Зарегистрирован: 26 дек 2013, 22:29
Сообщения: 144
Откуда: Санкт-Петербург
Имя: Сергей
Здравствуйте, Сергей, Роман!
Немного о ТГРах.
Цитата:
Еще я думал что при выкусывании этой части обмотки я удаляю часть витков, то есть...
По теории, количество витков обеих базовых обмоток должно быть одинаковым, что доказывает и практика. В ТГРе, который я применил в этом проекте индуктивности базовых обмоток одинаковые и равны 193 мкГн. Индуктивность дополнительной ("стартовой") обмотки равна 13 мкГн.
У ТГРа из другого проекта, соответственно: 166 мкГн, 166 мкГн и 10 мкГн.
Измерения проводились на частоте 10 кГц.
Т.е., высока вероятность того, что количество витков этих обмоток одинаковое. На осциллограммах по "первичке" в базовых цепях разницы не видно.
Цитата:
я паралельно поставил еще 1к5 и все стало лучше
А вот "коллекторные" обмотки у этих ТГРов отличаются (по индуктивности, а следовательно, и по количеству витков) значительно. У примененного в данном проекте индуктивность равна 2,2 мГн, что позволило питать ключи от источника 12,6 В через резистор сопротивлением 680 Ом. Источник работает СТАБИЛЬНО до 24 В/10 А.
У второго ТГРа индуктивность равна 6,3 мГн. В этом источнике питания ключи запитываются от источника напряжением 27 В через резистор сопротивлением 1,8 кОм.
И еще. Первое. Стабильная работа импульсных источников питания в значительной мере зависит от ПРАВИЛЬНОЙ топологии. Поэтому, при разводке ПП необходимо уделять этому требованию особое внимание. И второе, при подключении ИИП к управляющему блоку необходимо уделить особое внимание ПРАВИЛЬНОМУ подключению сигнальной и силовой "Земель" (Алексей неоднократно говорил об этом).
Успехов.


Вернуться к началу
 Профиль  
 
СообщениеДобавлено: 14 июл 2017, 02:52 
Не в сети
Заслуженный участник Клуба ЗУ-ОКА275

Зарегистрирован: 14 мар 2014, 16:47
Сообщения: 596
Имя: Сергей
SergeyVB Спасибо,Сергей.По поводу топологии это очевидный факт.На моем блоке в данный момент ШИМ запитан 24.5 вольта,вместо резистора 1,5 кОм поставил 1 кОм.Блок работает стабильно,на вторичке осцилки хорошие.На выходе 53,6 вольта,при нагрузке в 2 Ампера напряжение проседает на 0,1 вольта,это не плохо.Дело тут в другом,при регулировке напряжения на выходе блока питания,с подключенной стартовой обмоткой на ТГР,на вторичной обмотке на осцилках вместо положенной трапеции вылазит какая то каша.Сами знаете как задействована схема цепи регулировки напряжения,переменик одним концом подключен к плюсу выхода блока питания,а второй вывод переменика идет на первую ножку.Стандартная схема регулируемых блоков питания.А вот,с отключенной стартовой обмоткой на ТГР,мусор на вторичке исчезает и появляется четкая трапеция и при регулировки напряжения на выходе видно хорошо как трапеция плавно меняет размах.Но с подключенной стартовой обмоткой на вторичке неописуемый мусор,с ШИМ-ки на базы раскачивающих транзисторов идут четкие квадраты,с коллекторов этих транзисторов на ТГР приходят хорошие осцилки.А вот уже с самого ТГР-а на базы высоковольтных ключей лезет один мусор.Пробовал разную топологию печаток,так же пробовал и навесно мантаж,но результат один и тот же.И естественно,с таким мусором часто выскакивает верхний высоковольтный ключ и что самое смешное,этот ключ вылетает тихо,без хлопков и дыма.А вот про отключение стартовой обмотки на ТГР,даже и не знал,а у самого ума не хватило,спасибо Роману что подсказал.Вот такая вот делема,Сергей.


Вернуться к началу
 Профиль  
 
СообщениеДобавлено: 14 июл 2017, 15:48 
Не в сети
Заслуженный участник Клуба ЗУ-ОКА275

Зарегистрирован: 26 дек 2013, 22:29
Сообщения: 144
Откуда: Санкт-Петербург
Имя: Сергей
Здравствуйте, Сергей!
Цитата:
А вот про отключение стартовой обмотки на ТГР,даже и не знал...
Собственно, первая часть моего предыдущего сообщения была направлена на предостережение от отказа использовать "стартовую" обмотку. Параметры базовых обмоток близки, и если отказаться от "стартовой" обмотки, то необходимо ввести какую либо другую цепь для преимущественного открывания одного из силовых транзисторов. На практике, конечно, базовые обмотки не идентичны, но для надежности необходимо, все-таки, "невероятный случай совпадения" исключить!
Успехов!


Вернуться к началу
 Профиль  
 
СообщениеДобавлено: 23 июл 2017, 21:07 
Не в сети
Уже был(а), и не раз, и не два

Зарегистрирован: 25 май 2017, 13:41
Сообщения: 119
Имя: вадик
ЗНАТОКИ ПОМОГИТЕ НАЙТИ СХЕМУ НА ТАКОЙ БП И КАК ЕГО ПЕРЕДЕЛАТЬ???????????


Вложения:
Codegen300W-model200x.gif
Codegen300W-model200x.gif [ 147.11 КБ | Просмотров: 16491 ]
4.jpg
4.jpg [ 49.25 КБ | Просмотров: 16491 ]
Вернуться к началу
 Профиль  
 
СообщениеДобавлено: 24 июл 2017, 00:51 
Не в сети
Заслуженный участник Клуба ЗУ-ОКА275

Зарегистрирован: 14 мар 2014, 16:47
Сообщения: 596
Имя: Сергей
А эта разве не его схема? Хотя у них схемы схожи,переделываются по одному типу и подобию.Хотя бы фото платы выложите со стороны деталей и со стороны печатки,будет намного проще.


Вернуться к началу
 Профиль  
 
СообщениеДобавлено: 24 июл 2017, 02:53 
Не в сети
Уже был(а), и не раз, и не два

Зарегистрирован: 25 май 2017, 13:41
Сообщения: 119
Имя: вадик
Изображение

Изображение

Изображение

Изображение

Изображение

Изображение

Изображение

Изображение

Изображение

Изображение

Изображение


Вернуться к началу
 Профиль  
 
СообщениеДобавлено: 24 июл 2017, 03:26 
Не в сети
Заслуженный участник Клуба ЗУ-ОКА275

Зарегистрирован: 14 мар 2014, 16:47
Сообщения: 596
Имя: Сергей
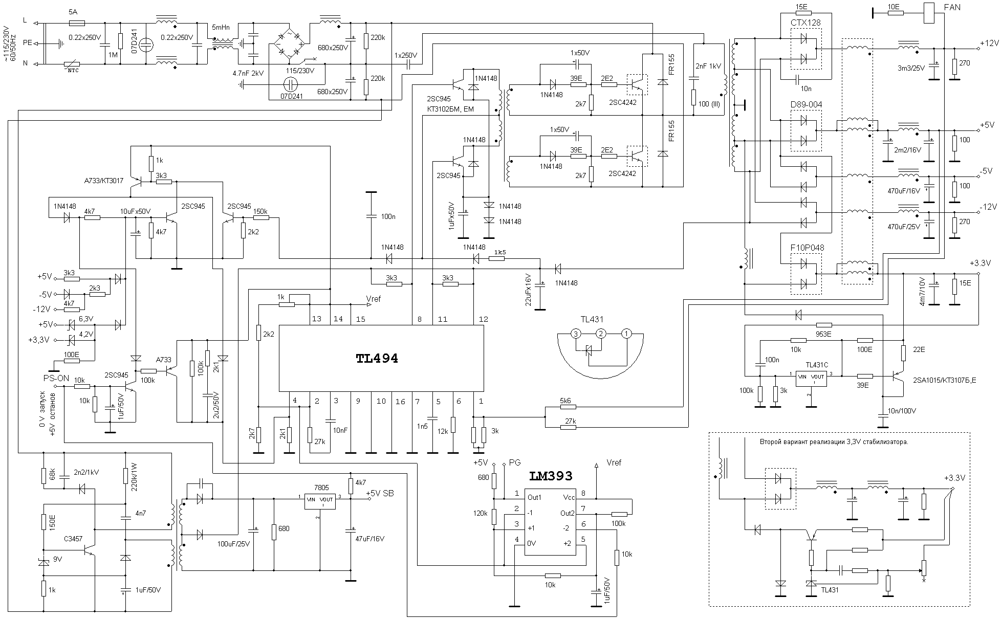
смотрите эту схему,она более близка по моему.Хотя,повторю еще раз,переделывается ваш блок питания как и все остальные,разницы нет.Различие может быть лишь в дежурном блоке питания.


Вложения:
atx.gif
atx.gif [ 55.97 КБ | Просмотров: 16482 ]
Вернуться к началу
 Профиль  
 
СообщениеДобавлено: 24 июл 2017, 03:29 
Не в сети
Уже был(а), и не раз, и не два

Зарегистрирован: 25 май 2017, 13:41
Сообщения: 119
Имя: вадик
Подскажите пожалуйста что надо выпаять!


Вернуться к началу
 Профиль  
 
СообщениеДобавлено: 24 июл 2017, 03:48 
Не в сети
Заслуженный участник Клуба ЗУ-ОКА275

Зарегистрирован: 14 мар 2014, 16:47
Сообщения: 596
Имя: Сергей
Как то так


Вложения:
atx.gif
atx.gif [ 68.94 КБ | Просмотров: 16482 ]
Вернуться к началу
 Профиль  
 
СообщениеДобавлено: 26 июл 2017, 18:55 
Не в сети
Уже был(а), и не раз, и не два

Зарегистрирован: 25 май 2017, 13:41
Сообщения: 119
Имя: вадик
Подскажите пожалуйста что здесь надо убрать!


Вложения:
codegen-350-atx-schaltplan.gif
codegen-350-atx-schaltplan.gif [ 38.53 КБ | Просмотров: 16437 ]
Вернуться к началу
 Профиль  
 
СообщениеДобавлено: 27 июл 2017, 01:01 
Не в сети
Заслуженный участник Клуба ЗУ-ОКА275

Зарегистрирован: 14 мар 2014, 16:47
Сообщения: 596
Имя: Сергей
Ровно все то же, что в схеме постом выше.Схемы почти одинаковые, только детали расположены по другому на схеме,ну и дежурка другая.Схемы блоков питания на TL494,RA7500 все собраны по классической схеме.Различие только в дежурках.
Как то так


Вложения:
codegen-350-atx-schaltplan.gif
codegen-350-atx-schaltplan.gif [ 46.15 КБ | Просмотров: 16404 ]
Вернуться к началу
 Профиль  
 
СообщениеДобавлено: 28 июл 2017, 01:09 
Не в сети
Уже был(а), и не раз, и не два

Зарегистрирован: 28 сен 2015, 17:19
Сообщения: 61
Откуда: Рязань
Авто: skoda
Имя: Роман
Дополнительная информация по трансформатору раскачки. Разобрал и размотал транс, эта пресловутая дополнительная обмотка получилось как раз дополнительная. То есть удаляя её остаётся абсолютно одинаковое количество витков базовых обмоток. Так что её нужно удалять и все жучки паучки пропадут. Кстати в крайнем видео от автора по разбору схемы от форумчанина на этой схеме это выводы 6 и 7 (для примера).


Вернуться к началу
 Профиль  
 
СообщениеДобавлено: 23 авг 2017, 01:49 
Не в сети
Заслуженный участник Клуба ЗУ-ОКА275

Зарегистрирован: 14 мар 2014, 16:47
Сообщения: 596
Имя: Сергей
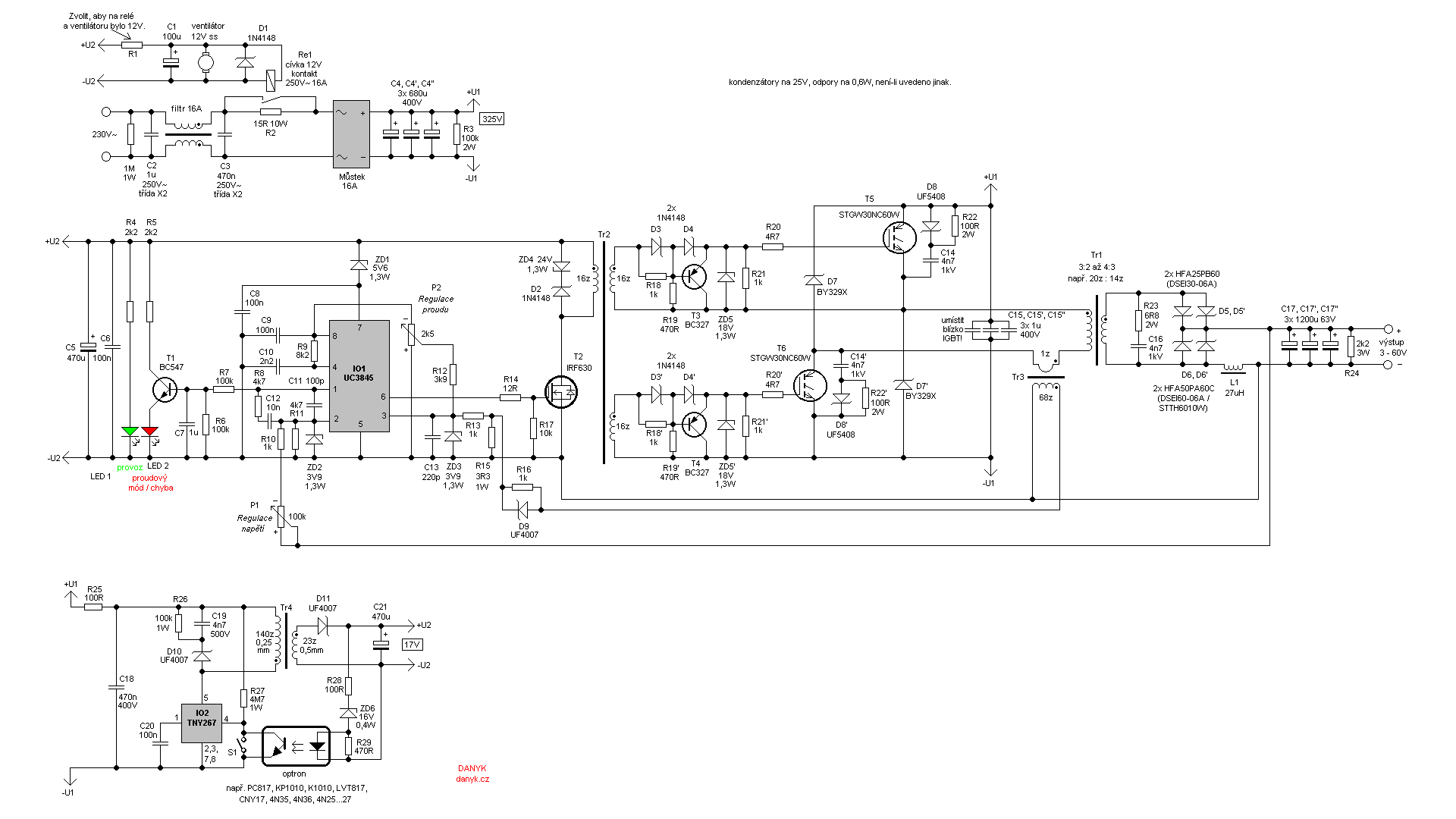
Всем кому интересно,по моему Схему блока питания на ШИМ UC3845 можно будет попробовать привязать к ЗУ Алексея,смотрите схемку блока питания на ШИМ UC3845,с регулировкай напряжения и тока на выходе


Вложения:
reg60v2.png
reg60v2.png [ 24.91 КБ | Просмотров: 16135 ]
Вернуться к началу
 Профиль  
 
СообщениеДобавлено: 02 сен 2017, 16:33 
Не в сети
Уже тут был(а)

Зарегистрирован: 09 авг 2016, 02:45
Сообщения: 27
Имя: Денис
Здравствуйте. Собрал по этой печатке. На 8 ноге TL генерация есть, на 11 тишина. В чем может быть проблема? Ошибка печатки или монтажа?


Вложения:
ИБП TL494.lay6 [289.15 КБ]
Скачиваний: 480
Вернуться к началу
 Профиль  
 
СообщениеДобавлено: 11 окт 2017, 17:54 
Не в сети
Новичок

Зарегистрирован: 11 окт 2017, 16:06
Сообщения: 1
Авто: Subaru
Имя: Павел
Добрый день.
Ув. Сергей (serg1968-09) подскажите по трансформ дежурки имеется транс на нем написано eerl28, но при разборки одна половинка сломалась. Рразобрал другой на нем было написано PT122, но у него зазор 0,9.
Размеры половинок первого транса и второго немного отличаются
у первого A=28,8мм B=21,8мм C=11,6 D=10мм H=17мм h=12,7мм
у второго A=28,6мм B=22мм C=11,4 D=10мм H=17мм h=12,6мм
Имеется провод ПЭТВ-2 : 0,265, 0,355, 0,71, 0,8 и 1,0
Подскажите какие намоточные данные для вашей платки силового БП.
Заранее спасибо за ответ.


Вернуться к началу
 Профиль  
 
СообщениеДобавлено: 16 окт 2017, 21:47 
Не в сети
Заслуженный участник Клуба ЗУ-ОКА275

Зарегистрирован: 14 мар 2014, 16:47
Сообщения: 596
Имя: Сергей
Samdel Вот ваши расчеты под ваше железо с зазором 0.9


Вложения:
Безымянный.png
Безымянный.png [ 156.53 КБ | Просмотров: 15526 ]
Вернуться к началу
 Профиль  
 
СообщениеДобавлено: 28 ноя 2017, 01:12 
Не в сети
Заслуженный участник Клуба ЗУ-ОКА275

Зарегистрирован: 14 мар 2014, 16:47
Сообщения: 596
Имя: Сергей
Печатка под блок питания по схеме от Вячеслава,схема прилагается.Если кому то,что то не нравится,корректируем под свои нужды сами,сложного нет ничего.


Вложения:
Силовой для З.У.lay6 [698.02 КБ]
Скачиваний: 623
__RGB~1.spl7 [107.39 КБ]
Скачиваний: 530
Вернуться к началу
 Профиль  
 
СообщениеДобавлено: 28 ноя 2017, 01:50 
Не в сети
Заслуженный участник Клуба ЗУ-ОКА275

Зарегистрирован: 19 июл 2017, 00:16
Сообщения: 1022
Имя: Валерий
serg1968-09
Спасибо, положил в копилку, на будущее. :)


Вернуться к началу
 Профиль  
 
СообщениеДобавлено: 28 ноя 2017, 19:43 
Не в сети
Уже был(а), и не раз, и не два

Зарегистрирован: 12 мар 2013, 23:15
Сообщения: 77
Авто: Opel Astra
Имя: Владимир
Добрый день, уважаемые драйвовчане. Нужна Ваша помощь с переделкой бп.
Попросил меня друг сделать ему регулируемый бп. Я выкинул все лишнее, переделал обвязку КА7500, включил в сеть через лампочку - работает. Поднял выходное напряжение до 22-х В и ба-бах. Поменял предохранитель, силовые транзисторы, транзисторы на выходе ШИМ - заработал. Но, на 12-й ноге КА7500 всего лишь 12 В, до этого было 17 В. Копаем дальше, поменял С 945 в обвязке трансформатора дежурки, порядок. Поиграл с обратной связью с 2 ноги на 3, добился почти тихой работы бп. При подключении нагрузки немного шумел, и я решил - пес с ним, пускай шумит (а зря). Нагрузил его лампой от автомобиля, и при напряжении 22 В и токе 4 А снова ба-бах. Я снова поменял пред, силовые транзисторы, резисторы в ихних базах, транзисторы на выходе ШИМ, а так же С 945 в обвязке трансформатора дежурки - бп запустился, но на 12-й ноге КА7500 снова 12 В. В моём понимании, в его обвязке гореть больше нечему. И кстати, при минимальном напряжении относительная тишина, а при увеличении раздаются щелчки где-то с частотой 1 Гц, и чем выше напряжение, тем выше частота щелчков. На слух похоже, что это щелкает транс дежурки. Я хочу попробовать поменять его, но не знаю, как определить его распиновку.
Вот трансформаторы в блоке, которым я занимаюсь:
ИзображениеИзображение
Вот трансформаторы с другого бп:
ИзображениеИзображение
А вот с третьего бп (силовой транс так, для компании):
ИзображениеИзображение
Который из них дежурка, а который ТГР, не знаю, если кто-то сможет помочь, буду очень благодарен.


Вернуться к началу
 Профиль  
 
СообщениеДобавлено: 28 ноя 2017, 23:24 
Не в сети
Заслуженный участник Клуба ЗУ-ОКА275

Зарегистрирован: 14 мар 2014, 16:47
Сообщения: 596
Имя: Сергей
А трансформаторы выводами в верх перевернуть можно,или каран не позваляет.Необижайтесь,просто,по выводам проще определить,где трансформатор ТГР,а где трансформатор дежурки.


Вернуться к началу
 Профиль  
 
Показать сообщения за:  Поле сортировки  
Начать новую тему Ответить на тему  [ Сообщений: 1507 ]  На страницу Пред.  1 ... 34, 35, 36, 37, 38, 39, 40 ... 76  След.

Часовой пояс: UTC + 7 часов


Кто сейчас на конференции

Сейчас этот форум просматривают: нет зарегистрированных пользователей и гости: 18


Вы не можете начинать темы
Вы не можете отвечать на сообщения
Вы не можете редактировать свои сообщения
Вы не можете удалять свои сообщения
Вы не можете добавлять вложения

Найти:
Перейти:  
cron
Powered by phpBB® Forum Software © phpBB Group
Русская поддержка phpBB