Ока в Новосибирске

Клуб Окаводов Новосибирска
Текущее время: 23 мар 2026, 21:12

Часовой пояс: UTC + 7 часов




Начать новую тему Ответить на тему  [ Сообщений: 11899 ]  На страницу Пред.  1 ... 217, 218, 219, 220, 221, 222, 223 ... 595  След.

Актуальная статистика (не забывайте изменять статус!)
Собрал и буду собирать еще (соседу, свату, брату) 24%  24%  [ 57 ]
Собрал одно ЗУ 21%  21%  [ 50 ]
Уже собираю 28%  28%  [ 66 ]
Интересуюсь, размышляю - собирать или нет. Наверное буду. 26%  26%  [ 63 ]
Не буду собирать это устройство. 1%  1%  [ 3 ]
Всего голосов : 239
Автор Сообщение
СообщениеДобавлено: 09 апр 2015, 20:15 
Не в сети
Уже был(а), и не раз, и не два

Зарегистрирован: 10 сен 2014, 14:08
Сообщения: 105
Имя: Максим
Кондеры прежде чем впаивать проверял проверял емкости.. Не тантал, обычные.. До этого все минусы сходились на плате управления


Вернуться к началу
 Профиль  
 
СообщениеДобавлено: 09 апр 2015, 22:13 
Не в сети
Уже был(а), и не раз, и не два

Зарегистрирован: 11 май 2014, 17:07
Сообщения: 94
Авто: шкода
Имя: Сергей
Если дежурка осталась штатная, то причиной могут быть высохшие высоковольтные электролиты на входе. Дежурка тоже от них питается, при сильной нагрузке возможны сбои.


Вернуться к началу
 Профиль  
 
СообщениеДобавлено: 09 апр 2015, 22:15 
Не в сети
Заслуженный участник Клуба ЗУ-ОКА275

Зарегистрирован: 24 окт 2013, 11:44
Сообщения: 933
Откуда: Чувашия
Авто: КИА РИО 2018
Имя: Вячеслав
Максим! Сядьте на шину "-" и +5В непосредственно на плате управления и проверьте падает или нет напряжение.Лучше осциллографом. И проверьте +12 В ,я не знаю Вашей схемы,откуда там питание берётся.Источник вспомагательный отдельный или нет?Если отдельный проверьте его питание по высокой.Если с дежурки ,тем более проверьте питание по высокой в момент КЗ,может высоковольтные электролиты сухие!

_________________
С уважением,Вячеслав.73!


Вернуться к началу
 Профиль  
 
СообщениеДобавлено: 09 апр 2015, 22:15 
Не в сети
Заслуженный участник Клуба ЗУ-ОКА275

Зарегистрирован: 24 окт 2013, 11:44
Сообщения: 933
Откуда: Чувашия
Авто: КИА РИО 2018
Имя: Вячеслав
Во,опаздал поумничать,Сергей опередил!

_________________
С уважением,Вячеслав.73!


Вернуться к началу
 Профиль  
 
СообщениеДобавлено: 10 апр 2015, 07:14 
Не в сети
Уже был(а), и не раз, и не два

Зарегистрирован: 10 сен 2014, 14:08
Сообщения: 105
Имя: Максим
От штатной дежурки отказался, у меня TL-ку питает внешний источник 12В, от него же питается плата управления через кренку 5В.. Обязательно проверю осциллографом.. Еще наверное нужно будет попробовать запитать всю схему другим источником питания 12В, ЛБП например, он точно не просядет..


Вернуться к началу
 Профиль  
 
СообщениеДобавлено: 10 апр 2015, 11:04 
Не в сети
Заслуженный участник Клуба ЗУ-ОКА275

Зарегистрирован: 24 окт 2013, 11:44
Сообщения: 933
Откуда: Чувашия
Авто: КИА РИО 2018
Имя: Вячеслав
Дак я про то и говорю,вспомагательный источник НЕ может просаживаться при КЗ в силовом ИП!Если он у Вас отдельный, посмотрите откуда он запитан по цепи 220 В.Может там собака роется!

_________________
С уважением,Вячеслав.73!


Вернуться к началу
 Профиль  
 
СообщениеДобавлено: 10 апр 2015, 14:29 
Не в сети
Уже был(а), и не раз, и не два

Зарегистрирован: 10 сен 2014, 14:08
Сообщения: 105
Имя: Максим
Этот источник 12В питается от туда же, откуда запитан основной ИБП..


Вернуться к началу
 Профиль  
 
СообщениеДобавлено: 10 апр 2015, 14:45 
Не в сети
Site Admin
Аватара пользователя

Зарегистрирован: 10 апр 2007, 22:36
Сообщения: 11260
Откуда: Новосибирск, Дзержинский
Авто: ВАЗ-21043
Имя: Алексей
vakulyuk, я не пойму, у Вас TL494 запитана от так называемых 12.6В что ли? А теперь вопрос: от них запитана только сама TL494 (12 нога) или TL494 и вся ее обвязка в виде ТГР и тд? И второй вопрос: 12.6В подаются на всё это дело через диод или напрямую?

_________________

Поблагодарить автора:
Контакты:
Телеграмм: alexSh154
Вконтакте
Одноквассники
Instagram


Вернуться к началу
 Профиль  
 
СообщениеДобавлено: 10 апр 2015, 17:24 
Не в сети
Уже был(а), и не раз, и не два
Аватара пользователя

Зарегистрирован: 24 фев 2013, 22:01
Сообщения: 84
Откуда: Украина
Авто: PASSAT
Имя: Александр
Доброго дня Алексей. Сегодня начал собирать зарядное в корпус. Подключил все кроме блока питания и разрядника включил полазил по меню все в порядке. Но при установке "Поведение кулеров" при достижении температуры выше установленной выводится на экран предупреждение как положено но ни звукового ни светового оповещения нет. Что может быть. Бипер работает исправно при листании меню.


Вернуться к началу
 Профиль  
 
СообщениеДобавлено: 10 апр 2015, 18:13 
Не в сети
Site Admin
Аватара пользователя

Зарегистрирован: 10 апр 2007, 22:36
Сообщения: 11260
Откуда: Новосибирск, Дзержинский
Авто: ВАЗ-21043
Имя: Алексей
Здравствуйте, Александр! Поздравляю с водружением устройства в корпус - ждем подробный фотоотчет, а если душа захочет поделиться видео, то мы и его с удовольствием посмотрим ))

Что касается оповещения, то звуковой сигнализации я пока не сделал, а вот светодиод мигать ОБЯЗАН. Проверьте его работу или переполюсовкой АКБ (ЗУ при этом должен быть включен, но режим не выбран), или в режиме ограничения - он вообще то светится???

Мысли вслух: Таакккккк. Очертания тестовой прошивки становятся более ясными. Сначала будет тест дисплея на присутствие русских букв, затем по нажатию энкодера попадаем в следующий тест - "ТЕСТ СВЕТОДИОДА - он должен моргать", если ОК то переходим по кнопке дальше - "ТЕСТ ПИЩАЛКИ".. затем проверка АЦП и ЦАПов. Уже становится интересно!

_________________

Поблагодарить автора:
Контакты:
Телеграмм: alexSh154
Вконтакте
Одноквассники
Instagram


Вернуться к началу
 Профиль  
 
СообщениеДобавлено: 10 апр 2015, 19:51 
Не в сети
Уже был(а), и не раз, и не два

Зарегистрирован: 10 сен 2014, 14:08
Сообщения: 105
Имя: Максим
oka275 писал(а):
vakulyuk, я не пойму, у Вас TL494 запитана от так называемых 12.6В что ли? А теперь вопрос: от них запитана только сама TL494 (12 нога) или TL494 и вся ее обвязка в виде ТГР и тд? И второй вопрос: 12.6В подаются на всё это дело через диод или напрямую?

Да, Алексей, у меня всё, а именно схема управления, TL494 и вся ее обвязка в виде ТГР запитана от 12В. На второй вопрос лучше отвечу схемой своего БП - download/file.php?id=1535&mode=view


Вернуться к началу
 Профиль  
 
СообщениеДобавлено: 10 апр 2015, 20:45 
Не в сети
Уже тут был(а)

Зарегистрирован: 23 фев 2015, 00:25
Сообщения: 17
Откуда: Украина
Авто: KIA
Имя: Дмитрий
Добрый день. Выставил 5 вольт (режим блока питания). Включил-на выходе 5 вольт. Подключаю разьем внешнего вольтметра-напряжение показывает 4.29, а на самом деле выростает до 6.2. В режиме калибровки вольтметров откалибровать внешний вольтметр не могу-очень медленно меняются показатели.


Вернуться к началу
 Профиль  
 
СообщениеДобавлено: 11 апр 2015, 01:50 
Не в сети
Site Admin
Аватара пользователя

Зарегистрирован: 10 апр 2007, 22:36
Сообщения: 11260
Откуда: Новосибирск, Дзержинский
Авто: ВАЗ-21043
Имя: Алексей
vakulyuk писал(а):
oka275 писал(а):
vakulyuk, я не пойму, у Вас TL494 запитана от так называемых 12.6В что ли? А теперь вопрос: от них запитана только сама TL494 (12 нога) или TL494 и вся ее обвязка в виде ТГР и тд? И второй вопрос: 12.6В подаются на всё это дело через диод или напрямую?

Да, Алексей, у меня всё, а именно схема управления, TL494 и вся ее обвязка в виде ТГР запитана от 12В. На второй вопрос лучше отвечу схемой своего БП - download/file.php?id=1535&mode=view

Печально :( . У Вас основной стабилизатор вместе с ИОН собирает все помехи и выбросы от ТГР, которые только может. Удручен столь вольной трактовкой оригинальной схемы. В таком виде ничего нормально работать не будет. Запитайте стабтлтзатор и ИОН от 12.6в напрямую без всяких диодов. TL494 питание оставьте как есть по схеме (через диод).

Или хотя бы пока D11 уберите для начала - ну не нужен он там. Он пропускает все выбросы обратно в цепь питания! Он нужен для организации аппаратной защиты по току, но для этого и схема должна быть другой.

_________________

Поблагодарить автора:
Контакты:
Телеграмм: alexSh154
Вконтакте
Одноквассники
Instagram


Вернуться к началу
 Профиль  
 
СообщениеДобавлено: 11 апр 2015, 01:53 
Не в сети
Site Admin
Аватара пользователя

Зарегистрирован: 10 апр 2007, 22:36
Сообщения: 11260
Откуда: Новосибирск, Дзержинский
Авто: ВАЗ-21043
Имя: Алексей
pdv1965 писал(а):
Добрый день. Выставил 5 вольт (режим блока питания). Включил-на выходе 5 вольт. Подключаю разьем внешнего вольтметра-напряжение показывает 4.29, а на самом деле выростает до 6.2. В режиме калибровки вольтметров откалибровать внешний вольтметр не могу-очень медленно меняются показатели.

Здравствуйте! Видео новое про калибровки смотрели? Все точно делаете? На лицо неверная калибровка корректоров и может быть и вольтметров!

_________________

Поблагодарить автора:
Контакты:
Телеграмм: alexSh154
Вконтакте
Одноквассники
Instagram


Вернуться к началу
 Профиль  
 
СообщениеДобавлено: 11 апр 2015, 10:05 
Не в сети
Уже был(а), и не раз, и не два

Зарегистрирован: 10 сен 2014, 14:08
Сообщения: 105
Имя: Максим
oka275 писал(а):
Печально :( . У Вас основной стабилизатор вместе с ИОН собирает все помехи и выбросы от ТГР, которые только может. Удручен столь вольной трактовкой оригинальной схемы. В таком виде ничего нормально работать не будет. Запитайте стабтлтзатор и ИОН от 12.6в напрямую без всяких диодов. TL494 питание оставьте как есть по схеме (через диод).

Или хотя бы пока D11 уберите для начала - ну не нужен он там. Он пропускает все выбросы обратно в цепь питания! Он нужен для организации аппаратной защиты по току, но для этого и схема должна быть другой.

Штатно не работала дежурка, поэтому и пришлось немножко посамовольничать.. D11 был на изначальной схеме, хотя никакой защиты по току не было. Когда переносил свой ИБП на новую плату не знал что это за диод, поэтому оставил его.. Воспользуюсь вашими советами, посмотрим что получится.


Вернуться к началу
 Профиль  
 
СообщениеДобавлено: 11 апр 2015, 14:41 
Не в сети
Site Admin
Аватара пользователя

Зарегистрирован: 10 апр 2007, 22:36
Сообщения: 11260
Откуда: Новосибирск, Дзержинский
Авто: ВАЗ-21043
Имя: Алексей
Пересмотрел кучу схем и нигде диода в таком включении не встречал. За то через этот диод, как правило, снимается напряжение для штатного ограничителя. Жаль я не дома, в добавок со смартфона, а то бы привёл эту схему. В прочем, посмотрите несколькими постами ранее в этой ветке или в соседней про самодельный БП - я там как раз приводил фрагмент заводской схемы БП с таким ограничителем. Вы обязательно найдёте сходство!

Да, интересно что получится.

_________________

Поблагодарить автора:
Контакты:
Телеграмм: alexSh154
Вконтакте
Одноквассники
Instagram


Вернуться к началу
 Профиль  
 
СообщениеДобавлено: 11 апр 2015, 16:19 
Не в сети
Уже был(а), и не раз, и не два

Зарегистрирован: 10 сен 2014, 14:08
Сообщения: 105
Имя: Максим
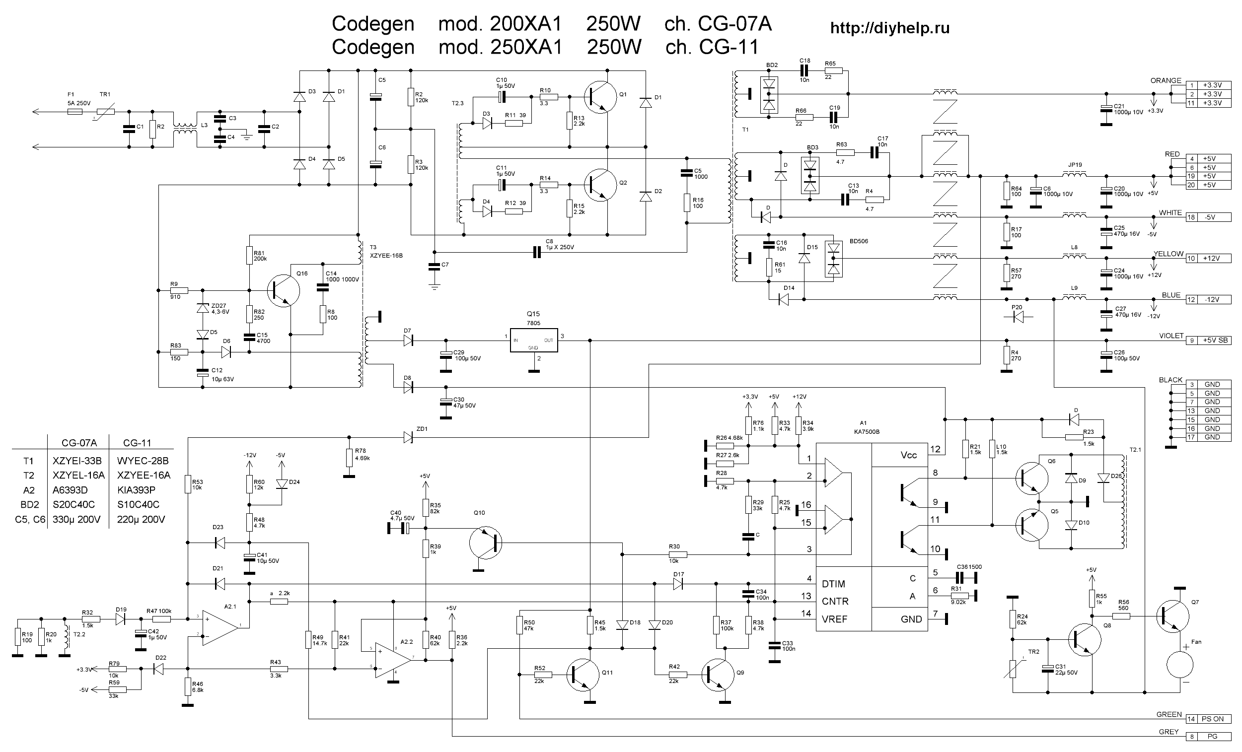
oka275 писал(а):
Пересмотрел кучу схем и нигде диода в таком включении не встречал. За то через этот диод, как правило, снимается напряжение для штатного ограничителя.

Вот схема моего исходного ИБП. Сейчас делаю второй БП для второго ЗУ, там организовал защиту по току - download/file.php?id=1538&mode=view . Это еще не окончательная схема для второго БП.


Вложения:
scheme-codegen-200xa1-and-250xa1 ch. cg-07a-and-cg-11.gif
scheme-codegen-200xa1-and-250xa1 ch. cg-07a-and-cg-11.gif [ 103.17 КБ | Просмотров: 14723 ]
Вернуться к началу
 Профиль  
 
СообщениеДобавлено: 11 апр 2015, 16:51 
Не в сети
Site Admin
Аватара пользователя

Зарегистрирован: 10 апр 2007, 22:36
Сообщения: 11260
Откуда: Новосибирск, Дзержинский
Авто: ВАЗ-21043
Имя: Алексей
D11 нигде не нужен. Мое мнение.

_________________

Поблагодарить автора:
Контакты:
Телеграмм: alexSh154
Вконтакте
Одноквассники
Instagram


Вернуться к началу
 Профиль  
 
СообщениеДобавлено: 11 апр 2015, 22:45 
Не в сети
Уже был(а), и не раз, и не два
Аватара пользователя

Зарегистрирован: 24 фев 2013, 22:01
Сообщения: 84
Откуда: Украина
Авто: PASSAT
Имя: Александр
Уважаемые Алексей и Все форумчане и Ваши семьи!!!. Поздравляю с Пасхальным воскресеньем, желаю всем добра, мира, любви и благополучия. Сегодня некогда было посидеть с зарядным - руки очень чесались но пришлось отстоять вахту на кухне. Руки умеют держать не только паяльник
Смог бы - угостил :friends: Еще раз с праздником.


Вернуться к началу
 Профиль  
 
СообщениеДобавлено: 11 апр 2015, 23:23 
Не в сети
Site Admin
Аватара пользователя

Зарегистрирован: 10 апр 2007, 22:36
Сообщения: 11260
Откуда: Новосибирск, Дзержинский
Авто: ВАЗ-21043
Имя: Алексей
Боже, красотища то какая!
Спасибо за поздравления!!!
Всех Православных - с Пасхой!

_________________

Поблагодарить автора:
Контакты:
Телеграмм: alexSh154
Вконтакте
Одноквассники
Instagram


Вернуться к началу
 Профиль  
 
Показать сообщения за:  Поле сортировки  
Начать новую тему Ответить на тему  [ Сообщений: 11899 ]  На страницу Пред.  1 ... 217, 218, 219, 220, 221, 222, 223 ... 595  След.

Часовой пояс: UTC + 7 часов


Кто сейчас на конференции

Сейчас этот форум просматривают: нет зарегистрированных пользователей и гости: 3


Вы не можете начинать темы
Вы не можете отвечать на сообщения
Вы не можете редактировать свои сообщения
Вы не можете удалять свои сообщения
Вы не можете добавлять вложения

Найти:
Перейти:  
Powered by phpBB® Forum Software © phpBB Group
Русская поддержка phpBB