Ока в Новосибирске

Клуб Окаводов Новосибирска
Текущее время: 03 янв 2026, 08:33

Часовой пояс: UTC + 7 часов




Начать новую тему Ответить на тему  [ Сообщений: 11885 ]  На страницу Пред.  1 ... 170, 171, 172, 173, 174, 175, 176 ... 595  След.

Актуальная статистика (не забывайте изменять статус!)
Собрал и буду собирать еще (соседу, свату, брату) 24%  24%  [ 57 ]
Собрал одно ЗУ 21%  21%  [ 49 ]
Уже собираю 28%  28%  [ 67 ]
Интересуюсь, размышляю - собирать или нет. Наверное буду. 26%  26%  [ 63 ]
Не буду собирать это устройство. 1%  1%  [ 3 ]
Всего голосов : 239
Автор Сообщение
СообщениеДобавлено: 30 дек 2014, 17:43 
Не в сети
Уже был(а), и не раз, и не два

Зарегистрирован: 10 сен 2014, 14:08
Сообщения: 105
Имя: Максим
Алексей, подскажите пожалуйста какое максимальное напряжение можно выставить в ЗУ, есть программные ограничения? Буду перематывать транс и хочу добавить несколько витков во вторичную обмотку чтобы напряжение на выходе хотя бы до 30 В поднять.


Вернуться к началу
 Профиль  
 
СообщениеДобавлено: 30 дек 2014, 17:48 
Не в сети
Site Admin
Аватара пользователя

Зарегистрирован: 10 апр 2007, 22:36
Сообщения: 11307
Откуда: Новосибирск, Дзержинский
Авто: ВАЗ-21043
Имя: Алексей
Внутренний вольтметр измеряет до 30.5 вольт, а внешний (который берет напряжение с клемм АКБ) до 25 вольт. Безусловно, путем небольшого изменения параметров резистивных делителей, можно чуть приподнять планку как внутреннего, так и внешнего вольтметра. Просто придется немного дольше подгонять энкодером множитель под новый делитель.

_________________

Поблагодарить автора:
Контакты:
Телеграмм: alexSh154
Вконтакте
Одноквассники
Instagram


Вернуться к началу
 Профиль  
 
СообщениеДобавлено: 30 дек 2014, 18:20 
Не в сети
Уже был(а), и не раз, и не два

Зарегистрирован: 10 сен 2014, 14:08
Сообщения: 105
Имя: Максим
Спасибо, значит точно больше мотать буду вторичку, а там уже потом буду разбираться с доделкой платы управления.
С наступающим всех Новым Годом!! :))


Вернуться к началу
 Профиль  
 
СообщениеДобавлено: 30 дек 2014, 19:29 
Не в сети
Site Admin
Аватара пользователя

Зарегистрирован: 10 апр 2007, 22:36
Сообщения: 11307
Откуда: Новосибирск, Дзержинский
Авто: ВАЗ-21043
Имя: Алексей

Все думаю чего же я забыл? ТОЧНО! РЕВЕРС ЭНКОДЕРА!!!!! :pardon: :sorry:
Прикручу и сразу же сделаю анонс новой прошивки.

PS. Первый видеоролик, снятый новой видеокамерой Звук писал на наушниковый микрофон, разумеется, китайский. Потому звук немного глуховатый, за то постоянный по уровню и лишенный выраженного эха.

_________________

Поблагодарить автора:
Контакты:
Телеграмм: alexSh154
Вконтакте
Одноквассники
Instagram


Вернуться к началу
 Профиль  
 
СообщениеДобавлено: 30 дек 2014, 21:00 
Не в сети
Заслуженный участник Клуба ЗУ-ОКА275

Зарегистрирован: 24 окт 2013, 11:44
Сообщения: 933
Откуда: Чувашия
Авто: КИА РИО 2018
Имя: Вячеслав
Уважаемые Паятели,разрешите поздравить Вас с наступающим Новым Годом!Пожелать Вам здоровья,успехов в нашем паяльном деле и конечно финансового благополучия в следующем году,а то и паять не на что будет! :beer:

_________________
С уважением,Вячеслав.73!


Вернуться к началу
 Профиль  
 
СообщениеДобавлено: 30 дек 2014, 22:06 
Не в сети
Постоянец

Зарегистрирован: 30 янв 2014, 03:36
Сообщения: 238
Откуда: Таганрог
Авто: Accent
Имя: Алексей
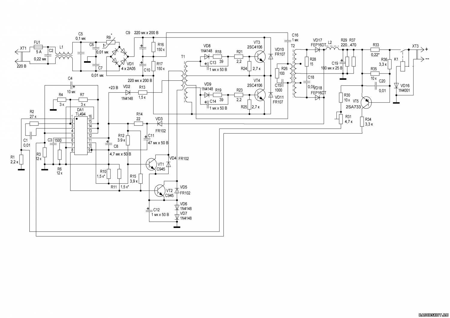
Алексей приветствую. Да, на 10 ногу идут пачки импульсов при выборе меню калибровки. 860kHz примерно и с размахом от 800mV до +5в. Думаю мега опрашивает АЦП по CS, ну а она молчит...Ну что же ждем посылочку с АЦП. А сейчас можно и заняться раскурочиванием какого-нибудь ИБП. Кстати, вот схемка интересного решения переполюсовки на клеммах.
Вложение:
cvDielM.jpg
cvDielM.jpg [ 101.3 КБ | Просмотров: 16850 ]


Вернуться к началу
 Профиль  
 
СообщениеДобавлено: 30 дек 2014, 23:32 
Не в сети
Уже был(а), и не раз, и не два

Зарегистрирован: 05 мар 2014, 16:14
Сообщения: 93
Откуда: Курск
Авто: Chevrolet Lacetti
Имя: Андрей
Алексей С НАСТУПАЮЩИМ 2015! Прошил 30.12 датчик тока 20А ПОКАЗАНИЯ 0,21765


Вернуться к началу
 Профиль  
 
СообщениеДобавлено: 30 дек 2014, 23:36 
Не в сети
Постоянец

Зарегистрирован: 11 ноя 2014, 18:10
Сообщения: 151
Откуда: Новосибирск
Авто: nissan patrol
Имя: Константин
Не очень удачное решение по переполюсовке, если АКБ посажена в ноль, то реле не включится, соответственно зарядить не получится. Попробовал некоторые реле, включаются от семи- восьми вольт, ниже никак :(
Алексею (oka275) датчик 20 ампер, множитель 0,21765,


Вернуться к началу
 Профиль  
 
СообщениеДобавлено: 30 дек 2014, 23:37 
Не в сети
Site Admin
Аватара пользователя

Зарегистрирован: 10 апр 2007, 22:36
Сообщения: 11307
Откуда: Новосибирск, Дзержинский
Авто: ВАЗ-21043
Имя: Алексей
Andrey68 писал(а):
Алексей С НАСТУПАЮЩИМ 2015! Прошил 30.12 датчик тока 20А ПОКАЗАНИЯ 0,21765

Спасибо, взаимно!!!!

Конечно показателем множителя, который я просил предоставить в видеоролике, вряд ли завалят в преддверии праздника. Но буду надеяться.

uni-el, спасибо, земляк!

_________________

Поблагодарить автора:
Контакты:
Телеграмм: alexSh154
Вконтакте
Одноквассники
Instagram


Вернуться к началу
 Профиль  
 
СообщениеДобавлено: 30 дек 2014, 23:48 
Не в сети
Site Admin
Аватара пользователя

Зарегистрирован: 10 апр 2007, 22:36
Сообщения: 11307
Откуда: Новосибирск, Дзержинский
Авто: ВАЗ-21043
Имя: Алексей
Таааааааааааааааак. Вот похоже век живи - век учись, но так дураком и помрешь. Судя по двум одинаковым присланным множителям 0,21765 прихожу к мнению, что ребята делают как и сказано в видео - вливают прошивку, сбрасывают еепром, и предварительно не калибруя сразу заходят/выходят из меню калибровки амперметра и присылают множитель, который ВШИТ В ПРОШИВКУ ПО УМОЛЧАНИЮ.

Когда находишь свою же ошибку, всегда досадно. В видео я имел ввиду, что для передачи мне вашего множителя не нужно специально (повторно) ничего калибровать. То есть залили прошивку, сбросили, откалибровали амперметр и (по желанию) все остальное, затем снова зашли в калибровку амперметра и, ничего не калибруя, переписали множитель и сообщили его мне. Вот как я имел ввиду! Извините меня, ввел всех в заблуждение! Пожалуйста, откалибруйте у себя амперметры и скиньте свои множители повторно. При этом я буду подразумевать, что именно с этим множителем ваш амперметр показывает более-менее точно (во всяком случае до 4,5А).

PS. Кто не смотрел видеоролик. В нем я просил выслать множитель, который выводится при выходе из меню "Калибровка амперметра". Только под "не надо ничего калибровать" я имел ввиду, что ничего не надо калибровать повторно.

_________________

Поблагодарить автора:
Контакты:
Телеграмм: alexSh154
Вконтакте
Одноквассники
Instagram


Вернуться к началу
 Профиль  
 
СообщениеДобавлено: 31 дек 2014, 00:02 
Не в сети
Постоянец

Зарегистрирован: 11 ноя 2014, 18:10
Сообщения: 151
Откуда: Новосибирск
Авто: nissan patrol
Имя: Константин
Алексей я откалибровал все пункты, амперметр, вольтметры и.т.д кроме разрядника, потом зашел в калибровку амперметра и дальше по видео. Так что это просто совпадение.


Вернуться к началу
 Профиль  
 
СообщениеДобавлено: 31 дек 2014, 00:05 
Не в сети
Site Admin
Аватара пользователя

Зарегистрирован: 10 апр 2007, 22:36
Сообщения: 11307
Откуда: Новосибирск, Дзержинский
Авто: ВАЗ-21043
Имя: Алексей
Константин, понял, спасибо! Это очень приятное совпадение!

_________________

Поблагодарить автора:
Контакты:
Телеграмм: alexSh154
Вконтакте
Одноквассники
Instagram


Вернуться к началу
 Профиль  
 
СообщениеДобавлено: 31 дек 2014, 00:26 
Не в сети
Заслуженный участник Клуба ЗУ-ОКА275

Зарегистрирован: 14 мар 2014, 16:47
Сообщения: 596
Имя: Сергей
Всех с наступающим,желаю всем-только самого хорошего,в первую очередь здоровья.Будет здоровье,будет все что пожелаем.


oka275 Залил прошивку от 30.12.2014.Датчик 30 Ампер,показания 0,91765


Вернуться к началу
 Профиль  
 
СообщениеДобавлено: 31 дек 2014, 01:35 
Не в сети
Уже был(а), и не раз, и не два

Зарегистрирован: 18 фев 2013, 22:21
Сообщения: 110
Откуда: Смоленск
Авто: ВАЗ 2107
Имя: Михаил
Привет всем участникам форума! Слежу за веткой, потихоньку собираю устройство. Хочу поблагодарить Алексея за хороший, рабочий проект, за то, что не бросаете нас несмышленых.
Всех с Новым годом!!! Мира, добра, здоровья!!!


Последний раз редактировалось oka275 31 дек 2014, 03:32, всего редактировалось 1 раз.
Спасибо огромное! Бросить - никак, потому как этот сайт и форум тоже есть мое детище (вернее, мной "поднято"). Зачем тогда надо делать, если бросать?


Вернуться к началу
 Профиль  
 
СообщениеДобавлено: 31 дек 2014, 03:30 
Не в сети
Site Admin
Аватара пользователя

Зарегистрирован: 10 апр 2007, 22:36
Сообщения: 11307
Откуда: Новосибирск, Дзержинский
Авто: ВАЗ-21043
Имя: Алексей
31.12.2014
После получасового тестирования представляю на Ваш суд прошивку, где к ожиданию многих сделано программное изменение направления вращения энкодера! Так же появилась возможность задать скорость работы энкодера (от 1 до 4х, последняя - самая быстрая). Так же, что бы не крутить долго энкодером в режиме калибровки амперметра, будет предлагаться выбрать используемый датчик тока (для подстановки ближайшего множителя). С текущей прошивке вводится система вывода кодов ошибок, с последующей их расшифровкой на первой странице форума в разделе "ЧАВО" (там уже появилось расшифровка некоторых из них). Я рад бы выводить описание ошибки на дисплей, но памяти мало. Да и не напишешь там подробно, все равно придется расшифровывать. В так и не опубликованной прошивке от 30.12.2014 была предпринята попытка осуществить давнее желание и отделить калибровки от настроек, но получилось не очень (признаю). Потому было решено объединить калибровки в одну папку и выложить ее в начале меню "Настройки". То есть заходим в "Настройки" и сразу видим папку "Калибровки устройства". Если мы щелкнем кнопкой энкодера, то попадем в привычное меню калибровок. При нажатии на "Выход" мы вернемся в меню "Настройки" - вращая энкодер по часовой стрелке увидим уже знакомые нам пункты настроек - "Поведение кулера" и так далее. Чуть раньше снимал и выкладывал видео http://youtu.be/fsOu4I2jWgg , но оно уже устарело, по скольку все опять кардинально поменялось. Но мне нравится - как.

Так же внес изменения в основную схему. Удалил подсказку того, куда какой датчик подключать - сейчас можно подключать датчик к любому из входов (ADC0 или ADC1). Так же привел полный список датчиков семейства ACS712ELCTR-xxA-T, возможных к установке ничего не переделывая. Ну а так ничего существенного там не поменялось, просто пишу для истории.

Так же устранил в прошивке мелкие недочеты и "зазубринки"

PS. Прошивка требует сброса EEPROM!

Всех с Наступающим Новым Годом! Счастья, успехов, здоровья!!!

_________________

Поблагодарить автора:
Контакты:
Телеграмм: alexSh154
Вконтакте
Одноквассники
Instagram


Вернуться к началу
 Профиль  
 
СообщениеДобавлено: 31 дек 2014, 14:35 
Не в сети
Уже был(а) и не раз

Зарегистрирован: 17 фев 2014, 21:10
Сообщения: 44
Откуда: Николаев
Авто: Renault Kangoo
Имя: Виталий
Спасибо ОГРОМНОЕ Алексею за столь удачный проект.
Успехов и удачи во всех начинаниях.

Всех с наступающим Новым Годом !!!
Мира, творческих успехов, счастья и доброты !!!


Вернуться к началу
 Профиль  
 
СообщениеДобавлено: 31 дек 2014, 14:41 
Не в сети
Site Admin
Аватара пользователя

Зарегистрирован: 10 апр 2007, 22:36
Сообщения: 11307
Откуда: Новосибирск, Дзержинский
Авто: ВАЗ-21043
Имя: Алексей
Виталий, спасибо! Ну а хоть бы слово сказали о новой прошивке - Вы ведь так давно мечтали, и были главным инициатором перевода настроек в меню! Ни слова.. Про ошибку при входе в БП тоже. :sorry:

_________________

Поблагодарить автора:
Контакты:
Телеграмм: alexSh154
Вконтакте
Одноквассники
Instagram


Вернуться к началу
 Профиль  
 
СообщениеДобавлено: 31 дек 2014, 16:09 
Не в сети
Заслуженный участник Клуба ЗУ-ОКА275

Зарегистрирован: 14 мар 2014, 16:47
Сообщения: 596
Имя: Сергей
oka275 Да,Алексей,вы правы.Данные на датчике 30 Ампер 1,91765.Это калибровочные данные.


Вернуться к началу
 Профиль  
 
СообщениеДобавлено: 31 дек 2014, 17:58 
Не в сети
Постоянец

Зарегистрирован: 11 ноя 2014, 18:10
Сообщения: 151
Откуда: Новосибирск
Авто: nissan patrol
Имя: Константин
Алексей с наступающим, понимаю что сейчас некогда, (приготовления к новому году), я понял почему у нас с Andrey68 показания одинаковы и они не верны. Сейчас стал разбираться и понял, при калибровке амперметра у меня множитель 1,29903 ,если выйти из калибровок и зайти снова в калибровку амперметра, то множитель сбрасывается на прошитый 1,21765 и амперметр в режиме бп начинает врать. То есть надо запоминать ту цифру которая выскакивает именно при калибровке, и больше в калибровку амперметра не заходить. Кто уже прислал Алексею свои множители пройдите калибровку ещё раз, обратив внимание на то, что я написал выше.


Последний раз редактировалось uni-el 31 дек 2014, 19:45, всего редактировалось 2 раз(а).

Вернуться к началу
 Профиль  
 
СообщениеДобавлено: 31 дек 2014, 18:28 
Не в сети
Уже был(а), и не раз, и не два
Аватара пользователя

Зарегистрирован: 10 дек 2013, 05:05
Сообщения: 127
Авто: Opel
Имя: Сергей
Привет Алексей. Прибежал на обед,залил прошивку. Откалибровался. Датчик 20 А. Число 1.21765. Цифра которая выскакивает при калибровке 1.28473. Всех с НАСТУПАЮЩИМ НОВЫМ ГОДОМ!!!


Вернуться к началу
 Профиль  
 
Показать сообщения за:  Поле сортировки  
Начать новую тему Ответить на тему  [ Сообщений: 11885 ]  На страницу Пред.  1 ... 170, 171, 172, 173, 174, 175, 176 ... 595  След.

Часовой пояс: UTC + 7 часов


Кто сейчас на конференции

Сейчас этот форум просматривают: нет зарегистрированных пользователей и гости: 3


Вы не можете начинать темы
Вы не можете отвечать на сообщения
Вы не можете редактировать свои сообщения
Вы не можете удалять свои сообщения
Вы не можете добавлять вложения

Найти:
Перейти:  
cron
Powered by phpBB® Forum Software © phpBB Group
Русская поддержка phpBB