Ока в Новосибирске

Клуб Окаводов Новосибирска
Текущее время: 21 окт 2025, 16:02

Часовой пояс: UTC + 7 часов




Начать новую тему Ответить на тему  [ Сообщений: 1507 ]  На страницу Пред.  1 ... 13, 14, 15, 16, 17, 18, 19 ... 76  След.
Автор Сообщение
СообщениеДобавлено: 30 сен 2015, 10:46 
Не в сети
Заслуженный участник Клуба ЗУ-ОКА275

Зарегистрирован: 19 дек 2014, 18:23
Сообщения: 50
Откуда: Междуреченск, кемеровская обл.
Авто: Zuzuki sx4
Имя: Dmitriy
Первым делом поставил в блок питания два 60CPQ150.
Нарисовал переделанную схемку обвязки тл.


Вложения:
109388766_.jpg
109388766_.jpg [ 85.14 КБ | Просмотров: 14428 ]


Последний раз редактировалось dimmzk 30 сен 2015, 10:51, всего редактировалось 1 раз.
Вернуться к началу
 Профиль  
 
СообщениеДобавлено: 30 сен 2015, 10:48 
Не в сети
Уже был(а), и не раз, и не два

Зарегистрирован: 23 ноя 2014, 16:40
Сообщения: 113
Откуда: Приморский край, г.Находка
Авто: Land Cruser Prado
Имя: Павел
Цитата:
Побеждал сверчков три дня

Как боролись со сверчками?


Вернуться к началу
 Профиль  
 
СообщениеДобавлено: 30 сен 2015, 10:49 
Не в сети
Site Admin
Аватара пользователя

Зарегистрирован: 10 апр 2007, 22:36
Сообщения: 11298
Откуда: Новосибирск, Дзержинский
Авто: ВАЗ-21043
Имя: Алексей
Серьезный подход! :good: Однако это 30А для одной сборки, тебе заглаза было бы и одной. Тем более при твоих 10-11А

_________________

Поблагодарить автора:
Контакты:
Телеграмм: alexSh154
Вконтакте
Одноквассники
Instagram


Вернуться к началу
 Профиль  
 
СообщениеДобавлено: 30 сен 2015, 11:00 
Не в сети
Site Admin
Аватара пользователя

Зарегистрирован: 10 апр 2007, 22:36
Сообщения: 11298
Откуда: Новосибирск, Дзержинский
Авто: ВАЗ-21043
Имя: Алексей
PSh писал(а):
Цитата:
Побеждал сверчков три дня

Как боролись со сверчками?

Оо, по этой теме можно писать научный трактат и защищать диссертацию. Я даже не возьмусь пересказывать, хоть и морально находился постоянно где то рядом. Пусть Дмитрий расскажет подробно.

Если коротко, то ПЕРВЫМ ДЕЛОМ ОЧИСТИТЬ 1-2-3-4-15-16 ножки TL494 и привести их к схеме доработки. Почему это важно? Потому, что встречаются такие БП, у которых по этим ножкам висит всё, что нужно и не нужно. Меж тем это может вызывать так называемые "сверчки". Гадать в каждом случае о причине нет возможности, потому лучше привести схему к единому стандарту и уже от нее плясать в устранении этих "сверчков". Как я уже писал (в том числе и в описании к файлу доработки БП), пути устранения те же - характеристики цепочки коррекции с 3 на 2 ножку TL494, параметры снаббера. Добавлю, что может немного помочь подстройка частоты преобразования TL494. Был случай, когда "сверчок" победился заменой трансформатора гальванической развязки (ТГР). Так же можно поиграться номиналами делителя по 2й ноге TL494, снизив номиналы со 100ком до 33ком.

И еще. Блоки Питания условно разделяются на три типа:
1. Купил, доработал, поставил, забыл. Это мистер невозмутимость! Таких, если я не обманываюсь в статистике, большинство.
2. Купил, доработал, поставил - засвирчал, поправил чуток - затих, поставил, забыл. Такие БП хоть и брыкучие, но легко усмиряемые.
3. Купил, доработал, засвирчал и ничего не помогает. Этому БП поможет только "ап стену". Шучу. Но уговорить такой БП заработать весьма сложно, если вообще возможно. Однако не стоит терять терпение! Вполне возможно, что вы или поторопились и не испробовали все возможные варианты, или были близки к победе, но проскочили нужный поворот. Попробуйте еще!

После того, как всё заработает, можно разобраться в штатной защите БП от перегрузки, вновь использовав ножки 15-16 TL494. Это не обязательно, просто это повысит выживаемость БП в случае чего. А в момент сборки и наладки обычно возникает много чего (случайное КЗ и тд).

_________________

Поблагодарить автора:
Контакты:
Телеграмм: alexSh154
Вконтакте
Одноквассники
Instagram


Вернуться к началу
 Профиль  
 
СообщениеДобавлено: 30 сен 2015, 11:05 
Не в сети
Заслуженный участник Клуба ЗУ-ОКА275

Зарегистрирован: 19 дек 2014, 18:23
Сообщения: 50
Откуда: Междуреченск, кемеровская обл.
Авто: Zuzuki sx4
Имя: Dmitriy
PSh писал(а):
Цитата:
Побеждал сверчков три дня

Как боролись со сверчками?

Блок питания отлично регулировался переменным сопротивлением (подключенным к ТЛ через ref) без сверчков. При подключении платы управления шумы и трески стали невыносимыми, даже при 3B на выходе. Проверял и перепроверял плату управления, заменил ЦАП DAC1, подбирал резистор R4. При сопротивлении R4 15Kom сверчки исчезли, но появилась нестабильность и сужен диапазон выходного напряжения. Вернулся к исходному сопротивлению и начал копать в сторону блока питания.
С блоком питания разбирался методом проб и ошибок. Мучал снаббер (остановился на варианте 22нф + 78Ом ), игрался с частотой (сейчас около 44Кгц R13-22Kom, C 0.01мкф) и мучал цепь коррекцииTL(см.схему обвязки TL494). Пересмотрел и сравнивал много разных схем бп на TL494. В итоге, на грани терпения пришел к схеме (смотри выше). Все осложнялось еще тем, что плата с ТЛ собрана на смд элементах 0603 и установлена вертикально в основную плату БП. Трудно было подлезать туда прибором. Ну и конечно без фейерверков не обошлось :D .
Ну вот както так. вроде подробно.


Последний раз редактировалось dimmzk 30 сен 2015, 11:44, всего редактировалось 3 раз(а).

Вернуться к началу
 Профиль  
 
СообщениеДобавлено: 03 окт 2015, 13:45 
Не в сети
Уже был(а), и не раз, и не два

Зарегистрирован: 23 ноя 2014, 16:40
Сообщения: 113
Откуда: Приморский край, г.Находка
Авто: Land Cruser Prado
Имя: Павел
Всем здравствуйте! Появилось немного свободного времени и я взялся за дело, а точнее за БП. Он уже давно у меня собран и ждал сборки ПУ. Если кто помнит, как-то обсуждалось применение преобразователя 5В - 12,6В на микросхеме МС33063 (МС34063) для питания ПУ напряжением, именуемым как +12,6В. Наконец-то купил МС33063, впаял, начал нагружать. Короче не вывозит всего этого дела дежурка (по крайней мере мой экземпляр). При подключении всех потребителей: ПУ + два куллера (новых) + реле, начинает свистеть и греться трансформатор.
Думаю: "Надо доб. БП применять, как большинство делают. Но потом подумал и решил перемотать трансформатор дежурки. А именно 5В канал поднять до 12,6В. Перемотал, получилось 12,8В. Тянет чуть больше 1А. Для выше перечисленных потребителей за глаза. Выпаял все детальки, предназначенные для преобразователя, место свободное на плате БП появилось. Может потом на это место релюху воткну. Вот как-то так.
Сейчас буду подключать ПУ к БП и пробовать калиброваться. Позже отпишусь, как все прошло, но наверное в ветке обсуждения ПУ.


Вернуться к началу
 Профиль  
 
СообщениеДобавлено: 03 окт 2015, 14:39 
Не в сети
Site Admin
Аватара пользователя

Зарегистрирован: 10 апр 2007, 22:36
Сообщения: 11298
Откуда: Новосибирск, Дзержинский
Авто: ВАЗ-21043
Имя: Алексей
Ждем! :)

_________________

Поблагодарить автора:
Контакты:
Телеграмм: alexSh154
Вконтакте
Одноквассники
Instagram


Вернуться к началу
 Профиль  
 
СообщениеДобавлено: 05 окт 2015, 19:44 
Не в сети
Уже был(а), и не раз, и не два
Аватара пользователя

Зарегистрирован: 20 мар 2013, 19:50
Сообщения: 100
Откуда: Енакиево ДНР
Авто: Aveo
Имя: Андрей
Всем доброго вечера. Есть ИБП MeanWell S-150-24 но он в корпус не входит, как пере развести плату, у меня тупик. Буду благодарен за любую помощь.


Вложения:
IMAG1069.jpg
IMAG1069.jpg [ 318.92 КБ | Просмотров: 14358 ]
переделка БП.lay6 [158.36 КБ]
Скачиваний: 351
Top_CB_LG1.jpg
Top_CB_LG1.jpg [ 358.5 КБ | Просмотров: 14358 ]
Вернуться к началу
 Профиль  
 
СообщениеДобавлено: 06 окт 2015, 09:10 
Не в сети
Site Admin
Аватара пользователя

Зарегистрирован: 10 апр 2007, 22:36
Сообщения: 11298
Откуда: Новосибирск, Дзержинский
Авто: ВАЗ-21043
Имя: Алексей
Доброе утро! Задача не из лёгких, если это смогло поставить в тупик. Нет, я не смеюсь, просто действительно задача не из простых - научить колдовать за 5 минут. Вариантов я вижу три:
1. Искать точную схему БП (или срисовывать без ошибок) и переразводить плату по этой схеме
2. Собрать БП по схеме из этой ветки, благо они все однотипные. Будет нюанс - штатная защита по току работать по ней не будет, потому как здесь она работает чуть по другому принципу и в той схеме она не отражена (можно сделать по другому пути или отказаться вовсе - она несет только страховочные цели и напрямую в работе не участвует)
3. Искать таки подходящий корпус. Это самое простое, если сравнить с проблемами переразводки платы.

_________________

Поблагодарить автора:
Контакты:
Телеграмм: alexSh154
Вконтакте
Одноквассники
Instagram


Вернуться к началу
 Профиль  
 
СообщениеДобавлено: 06 окт 2015, 10:51 
Не в сети
Уже был(а), и не раз, и не два
Аватара пользователя

Зарегистрирован: 20 мар 2013, 19:50
Сообщения: 100
Откуда: Енакиево ДНР
Авто: Aveo
Имя: Андрей
Алексей, доброе утро. Корпус уже готов, дело за ИБП. Прикинув варианты, буду пробовать разводить по новому. TL-ку на отдельную плату.


Вернуться к началу
 Профиль  
 
СообщениеДобавлено: 06 окт 2015, 11:03 
Не в сети
Site Admin
Аватара пользователя

Зарегистрирован: 10 апр 2007, 22:36
Сообщения: 11298
Откуда: Новосибирск, Дзержинский
Авто: ВАЗ-21043
Имя: Алексей
sobolew писал(а):
дело за ИБП

В последнее время его именуют здесь как СБП - силовой блок питания. Потому что есть и не силовой (дежурка или отдельный).

sobolew писал(а):
Прикинув варианты, буду пробовать разводить по новому. TL-ку на отдельную плату.

Ой ой. Осторожней. Это импульсная техника, использующая высокие частоты. На них свойства обычных проводников и деталей меняются. Например, обычный провод начинает обладать ёмкостью, как конденсатор, и даже индуктивностью (как катушка). И соответственно, начинает работать не как провод, а как провод с конденсатором и катушкой. Намеренно сгустил краски, что бы стало понятно, что с данной техникой надо общаться на учтивое "Вы", особенно если нет опыта работы с ними. Я к тому, что если сделать вынос (отдаление) TL494, то это может закончиться плачевно в виде появления свистов и тд.

К разводке печатной платы тоже нужно уделить внимание и четко представлять себе основы разведения печатных плат импульсных источников. Иначе - свисты и тд.

В прочем, если Вы инженер по мощным импульсным источникам напряжения, то я умолкаю :pardon: Если нет, то примите к сведению и рискните.

_________________

Поблагодарить автора:
Контакты:
Телеграмм: alexSh154
Вконтакте
Одноквассники
Instagram


Вернуться к началу
 Профиль  
 
СообщениеДобавлено: 06 окт 2015, 11:18 
Не в сети
Уже был(а), и не раз, и не два
Аватара пользователя

Зарегистрирован: 20 мар 2013, 19:50
Сообщения: 100
Откуда: Енакиево ДНР
Авто: Aveo
Имя: Андрей
Спасибо, все учту.


Вернуться к началу
 Профиль  
 
СообщениеДобавлено: 06 окт 2015, 20:34 
Не в сети
Заслуженный участник Клуба ЗУ-ОКА275

Зарегистрирован: 26 дек 2013, 22:29
Сообщения: 144
Откуда: Санкт-Петербург
Имя: Сергей
Андрей!
В апреле я выкладывал, в соседней теме, ссылку на мой вариант разработки Алексея.
Повторюсь: https://yadi.sk/d/8OG_a_ENgCgKH
Зеркало архива https://cloud.mail.ru/public/Djsg/336HXykuM (ока275)
Там СБП с дежуркой и коммутатором нагрузки на одной плате размером 145х93.
TL494 со всеми обвязками и защитой на отдельной плате.
Может как-то поможет.
Успехов!


Вернуться к началу
 Профиль  
 
СообщениеДобавлено: 06 окт 2015, 21:05 
Не в сети
Уже был(а), и не раз, и не два
Аватара пользователя

Зарегистрирован: 20 мар 2013, 19:50
Сообщения: 100
Откуда: Енакиево ДНР
Авто: Aveo
Имя: Андрей
SergeyVB, конечно пригодится.СПАСИБО


Вернуться к началу
 Профиль  
 
СообщениеДобавлено: 06 окт 2015, 23:44 
Не в сети
Уже был(а), и не раз, и не два

Зарегистрирован: 23 фев 2015, 10:16
Сообщения: 69
Откуда: ХМАО, г. Белоярский
Авто: Suzuki SX4 S-Cross
Имя: Сергей
SergeyVB писал(а):
Там СБП с дежуркой и коммутатором нагрузки на одной плате размером 145х93.
TL494 со всеми обвязками и защитой на отдельной плате.

В живую собрано и работает??? Понравилось исполнение.


Вернуться к началу
 Профиль  
 
СообщениеДобавлено: 07 окт 2015, 00:14 
Не в сети
Заслуженный участник Клуба ЗУ-ОКА275

Зарегистрирован: 26 дек 2013, 22:29
Сообщения: 144
Откуда: Санкт-Петербург
Имя: Сергей
Цитата:
В живую собрано и работает???

Да, работает в полном объеме, с февраля месяца.
Там (по ссылке) есть WORD-овские файлы технического описания и инструкции по эксплуатации,
где все подробно описано.


Вернуться к началу
 Профиль  
 
СообщениеДобавлено: 07 окт 2015, 00:20 
Не в сети
Заслуженный участник Клуба ЗУ-ОКА275

Зарегистрирован: 19 дек 2014, 18:23
Сообщения: 50
Откуда: Междуреченск, кемеровская обл.
Авто: Zuzuki sx4
Имя: Dmitriy
Приветствую! SergeyVB - спасибо за труд. С удовольствием завтра прочту!! На фото смотрится шикарно!


Вернуться к началу
 Профиль  
 
СообщениеДобавлено: 07 окт 2015, 00:24 
Не в сети
Уже был(а), и не раз, и не два
Аватара пользователя

Зарегистрирован: 20 мар 2013, 19:50
Сообщения: 100
Откуда: Енакиево ДНР
Авто: Aveo
Имя: Андрей
Проверьте пожалуйста :oops: , может где накосячил :pardon: или развел неправильно :roll: .


Вложения:
переделка БП TL494.2.lay6 [86.94 КБ]
Скачиваний: 453
Вернуться к началу
 Профиль  
 
СообщениеДобавлено: 07 окт 2015, 22:44 
Не в сети
Постоянец

Зарегистрирован: 11 ноя 2014, 18:10
Сообщения: 151
Откуда: Новосибирск
Авто: nissan patrol
Имя: Константин
sobolew, мой вариант Вам на рассмотрение.


Вложения:
ибп для ока кедр.lay6 [173.84 КБ]
Скачиваний: 506
Вернуться к началу
 Профиль  
 
СообщениеДобавлено: 14 окт 2015, 04:06 
Не в сети
Уже тут был(а)

Зарегистрирован: 10 окт 2015, 02:53
Сообщения: 11
Откуда: Тула
Авто: Паджеро Спорт
Имя: Юрий
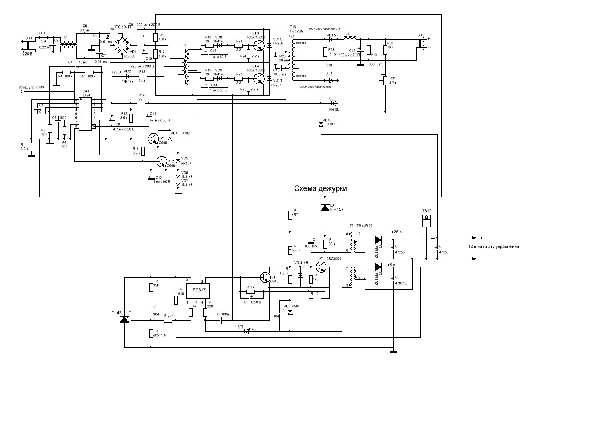
Добрый день, пойдет ли этот ИБП для ЗУ, схема просто собрана на выходе выдает 19,4в.


Вложения:
Комментарий к файлу: Схема ИБП
4960484.jpg
4960484.jpg [ 115.7 КБ | Просмотров: 14208 ]
Вернуться к началу
 Профиль  
 
Показать сообщения за:  Поле сортировки  
Начать новую тему Ответить на тему  [ Сообщений: 1507 ]  На страницу Пред.  1 ... 13, 14, 15, 16, 17, 18, 19 ... 76  След.

Часовой пояс: UTC + 7 часов


Кто сейчас на конференции

Сейчас этот форум просматривают: нет зарегистрированных пользователей и гости: 4


Вы не можете начинать темы
Вы не можете отвечать на сообщения
Вы не можете редактировать свои сообщения
Вы не можете удалять свои сообщения
Вы не можете добавлять вложения

Найти:
Перейти:  
cron
Powered by phpBB® Forum Software © phpBB Group
Русская поддержка phpBB