Ока в Новосибирске

Клуб Окаводов Новосибирска
Текущее время: 28 фев 2026, 09:33

Часовой пояс: UTC + 7 часов




Начать новую тему Ответить на тему  [ Сообщений: 11898 ]  На страницу Пред.  1 ... 71, 72, 73, 74, 75, 76, 77 ... 595  След.

Актуальная статистика (не забывайте изменять статус!)
Собрал и буду собирать еще (соседу, свату, брату) 24%  24%  [ 57 ]
Собрал одно ЗУ 21%  21%  [ 49 ]
Уже собираю 28%  28%  [ 67 ]
Интересуюсь, размышляю - собирать или нет. Наверное буду. 26%  26%  [ 63 ]
Не буду собирать это устройство. 1%  1%  [ 3 ]
Всего голосов : 239
Автор Сообщение
СообщениеДобавлено: 27 мар 2014, 21:30 
Не в сети
Заслуженный участник Клуба ЗУ-ОКА275

Зарегистрирован: 24 окт 2013, 11:44
Сообщения: 933
Откуда: Чувашия
Авто: КИА РИО 2018
Имя: Вячеслав
Алексей,не партесь,все блоки сделаны по одной схеме,все ,до 50 А (750Вт)на 494 и её аналогах.Так что Вы сделали отличный выбор,проблемы снимутся сами собой!
Эдуарду!
Даже не пытайтесь переносить 494 на плату управления,пустая затея!Длинные провода до драйвера ключей это не есть хорошо!Проходили!

_________________
С уважением,Вячеслав.73!


Вернуться к началу
 Профиль  
 
СообщениеДобавлено: 27 мар 2014, 21:42 
Не в сети
Заслуженный участник Клуба ЗУ-ОКА275

Зарегистрирован: 24 окт 2013, 11:44
Сообщения: 933
Откуда: Чувашия
Авто: КИА РИО 2018
Имя: Вячеслав
Ключи расположены на всех блоках на противоположной от разъёмов стенке,на боковой расположены две диодные сборки впараллель.Так что претензий к китайцам по расположению радиоэлементов нет!Всё сделано достаточно грамотно!Печатные проводники ,сильноточные,продублированы толстым проводом,перемычками.Полноценная защита от КЗ,выше 30 А входит в ограничение по 15 ноге 494.Управление по напряжению по 2 ноге.Всё как надо! Прям бесплатную рекламму дал китайским производителям,надо гонорар с них потребовать!

_________________
С уважением,Вячеслав.73!


Вернуться к началу
 Профиль  
 
СообщениеДобавлено: 27 мар 2014, 21:44 
Не в сети
Заслуженный участник Клуба ЗУ-ОКА275

Зарегистрирован: 24 окт 2013, 11:44
Сообщения: 933
Откуда: Чувашия
Авто: КИА РИО 2018
Имя: Вячеслав
halny
Степан ,как успехи с программированием?

_________________
С уважением,Вячеслав.73!


Вернуться к началу
 Профиль  
 
СообщениеДобавлено: 27 мар 2014, 21:53 
Не в сети
Уже был(а), и не раз, и не два

Зарегистрирован: 16 фев 2013, 20:56
Сообщения: 56
Откуда: молдавия
Имя: степан
здравствуйте Вячеслав-1 пока никак.в понедельник заказал детали и текстолит,завтра буду забирать заказ.думаю что к началу следующей недели подтянуси и я к испытывающем.заодно протестирую свой новый програматор avrusb 500 by petka.по быстрей бы...


Вернуться к началу
 Профиль  
 
СообщениеДобавлено: 27 мар 2014, 22:14 
Не в сети
Заслуженный участник Клуба ЗУ-ОКА275

Зарегистрирован: 14 мар 2014, 16:47
Сообщения: 596
Имя: Сергей
Pavel Попробуйте конечно же.Но это пустая затея,494-ую всегда ставят как можно ближе к трансформатору ТГР,или,как по другому,к управляющему трансформатору.На эти грабли я уже наступал.А вот,как ни странно,управляющие провода до 494-ой можно делать длинными.И еще,как ни странно,ЦАП-ы можно и не ставить непосредственно на спину TL494-ой.Достаточно чередовать управляющие провода с земельными.
stepanici85 Что его пробовать,шьет отлично.Сам пользуюсь таким уже несколько лет,правда,сам его собирал.Так что,машинка хорошая


Вернуться к началу
 Профиль  
 
СообщениеДобавлено: 27 мар 2014, 22:30 
Не в сети
Уже был(а), и не раз, и не два

Зарегистрирован: 23 фев 2014, 22:13
Сообщения: 118
Откуда: г.Челябинск
Авто: ВАЗ21103
Имя: pavel
Сергей да понятно ,если печатка не выйдет делать не буду.
Видел много конструкций инверторов,народ там совсем подругому считает.Да и у самого на иверторе проводки до ТГР длинные 15см до самой управы.Скорей защищать надо управу ну или ТЛ-ку.


Вернуться к началу
 Профиль  
 
СообщениеДобавлено: 27 мар 2014, 22:42 
Не в сети
Заслуженный участник Клуба ЗУ-ОКА275

Зарегистрирован: 14 мар 2014, 16:47
Сообщения: 596
Имя: Сергей
Pavel Просто,не хотелось бы,Чтобы почти земляк,в 6-ти часах езды на автобусе от меня,зря мучился.У меня старший сын живет и работает в Челябинске.Можно сделать платку на TL494-ой отдельным,маленьким блоком и вертикально ставить эту платку рядом с трансформатором.Так и место экономится и размеры силового блока уменьшаются.


Вернуться к началу
 Профиль  
 
СообщениеДобавлено: 27 мар 2014, 22:56 
Не в сети
Уже был(а), и не раз, и не два

Зарегистрирован: 23 фев 2014, 22:13
Сообщения: 118
Откуда: г.Челябинск
Авто: ВАЗ21103
Имя: pavel
Да у меня платка есть такая.Мне не привыкать платки рисовать, это у меня хобби такое


Вернуться к началу
 Профиль  
 
СообщениеДобавлено: 28 мар 2014, 01:19 
Не в сети
Постоянец

Зарегистрирован: 30 янв 2014, 03:36
Сообщения: 238
Откуда: Таганрог
Авто: Accent
Имя: Алексей
Ну Алексей, вы меня совсем в уныние вогнали своей ссылкой на БП)) А я как дурак натащил кучу старых ATXов)) Думал сейчас как переделаю!


Вернуться к началу
 Профиль  
 
СообщениеДобавлено: 28 мар 2014, 01:37 
Не в сети
Site Admin
Аватара пользователя

Зарегистрирован: 10 апр 2007, 22:36
Сообщения: 11296
Откуда: Новосибирск, Дзержинский
Авто: ВАЗ-21043
Имя: Алексей
ileksus писал(а):
Ну Алексей, вы меня совсем в уныние вогнали своей ссылкой на БП)) А я как дурак натащил кучу старых ATXов)) Думал сейчас как переделаю!

В смысле - вогнал? )) Переделывайте. У меня просто нет в наличии подходящего БП, который спокойно отдавал бы 20А, за который бы я не переживал. Имеющихся 10А в принципе мне хватит, но если есть возможность, то почему не заюзать 20? в принципе, 1000 рублей это не 10 000. Переживу как нибудь уж, один раз.

_________________

Поблагодарить автора:
Контакты:
Телеграмм: alexSh154
Вконтакте
Одноквассники
Instagram


Вернуться к началу
 Профиль  
 
СообщениеДобавлено: 28 мар 2014, 02:39 
Не в сети
Уже был(а) и не раз

Зарегистрирован: 17 фев 2014, 21:10
Сообщения: 44
Откуда: Николаев
Авто: Renault Kangoo
Имя: Виталий
Вячеслав-1 писал(а):
halny
,как успехи с программированием?

Пока никак.
У нас обстановка на Украине немного нервная, не совсем располагает меня сейчас к глубокому разбору полетов :(
Поэтому наверное уже до выходных подожду когда времени немного побольше будет
чтобы сесть и не спеша разобраться что не идет.
Программатор рабочий Мегу 8 шьет на ура. А мега 16 не сдается с наскоку.
Пайку, сопли и т.д. что можно быстро проверил, теперь нужно сесть и шибко почесать репу что где не так.


Вернуться к началу
 Профиль  
 
СообщениеДобавлено: 28 мар 2014, 02:46 
Не в сети
Уже был(а), и не раз, и не два

Зарегистрирован: 16 фев 2013, 20:56
Сообщения: 56
Откуда: молдавия
Имя: степан
halny вы пишите что атмега 16 не хочет программироваться-вы оговорилиси или у вас действительно вместо 32 стоит 16?


Вернуться к началу
 Профиль  
 
СообщениеДобавлено: 28 мар 2014, 04:32 
Не в сети
Уже был(а), и не раз, и не два

Зарегистрирован: 06 дек 2013, 14:49
Сообщения: 54
Откуда: Челябинск
Авто: Nissan NOTE(1.6л)
Имя: Эдуард
Вячеслав-1 писал(а):
Алексей,не партесь,все блоки сделаны по одной схеме,все ,до 50 А (750Вт)на 494 и её аналогах.Так что Вы сделали отличный выбор,проблемы снимутся сами собой!
Эдуарду!
Даже не пытайтесь переносить 494 на плату управления,пустая затея!Длинные провода до драйвера ключей это не есть хорошо!Проходили!

Спасибо Вячеслав за совет. Да я как то особо и не горел желанием ее убирать с родного места. Единственное лежат у меня два блочка на другом шиме, вот вместо них и буду платку вставлять с 494-кой. А может вообще пойду дорогой Алексея.


Вернуться к началу
 Профиль  
 
СообщениеДобавлено: 28 мар 2014, 10:03 
Не в сети
Заслуженный участник Клуба ЗУ-ОКА275

Зарегистрирован: 24 окт 2013, 11:44
Сообщения: 933
Откуда: Чувашия
Авто: КИА РИО 2018
Имя: Вячеслав
Leeo74
Прежде чем менять ШИМ замерьте частоту на которой работает донор,на эту частоту рассчитайте RC цепь у 494!А то будут проблемы!

_________________
С уважением,Вячеслав.73!


Вернуться к началу
 Профиль  
 
СообщениеДобавлено: 28 мар 2014, 13:10 
Не в сети
Site Admin
Аватара пользователя

Зарегистрирован: 10 апр 2007, 22:36
Сообщения: 11296
Откуда: Новосибирск, Дзержинский
Авто: ВАЗ-21043
Имя: Алексей
Устранил в основной прошивке проблему вывода некоторых данных в режиме "Разряд/Заряд" - не выводились накопленные ампер/часы, и в истории криво отображался последний ток и напряжение режима разрядки. Архив обновил.

_________________

Поблагодарить автора:
Контакты:
Телеграмм: alexSh154
Вконтакте
Одноквассники
Instagram


Вернуться к началу
 Профиль  
 
СообщениеДобавлено: 28 мар 2014, 13:11 
Не в сети
Уже тут был(а)

Зарегистрирован: 26 янв 2013, 14:34
Сообщения: 14
Откуда: Беларусь Жлобин
Имя: Сергей
oka275 писал(а):
Вячеслав-1 писал(а):
А что это даст?

PS. Заказал ИБП 12в 30А на АлиЭкспрессе, вот ссылка http://www.aliexpress.com/item/12V-30A- ... 08319.html Надеюсь, он будет на TL494, иначе придется переделывать. Еще заказал радиатор, вот ссылка http://www.aliexpress.com/item/Radiator ... 00925.html


Походу эти БП AT - без дежурного питания.


Вернуться к началу
 Профиль  
 
СообщениеДобавлено: 28 мар 2014, 13:14 
Не в сети
Site Admin
Аватара пользователя

Зарегистрирован: 10 апр 2007, 22:36
Сообщения: 11296
Откуда: Новосибирск, Дзержинский
Авто: ВАЗ-21043
Имя: Алексей
ksa2006 писал(а):
Походу эти БП AT - без дежурного питания.

И Бог с ними. Все равно дежурка не используется у нас.

_________________

Поблагодарить автора:
Контакты:
Телеграмм: alexSh154
Вконтакте
Одноквассники
Instagram


Вернуться к началу
 Профиль  
 
СообщениеДобавлено: 28 мар 2014, 13:20 
Не в сети
Уже был(а) и не раз

Зарегистрирован: 17 фев 2014, 21:10
Сообщения: 44
Откуда: Николаев
Авто: Renault Kangoo
Имя: Виталий
stepanici85 писал(а):
halny вы пишите что атмега 16 не хочет программироваться-вы оговорилиси или у вас действительно вместо 32 стоит 16?


Наверное ошибся, плата дома посмотреть нет возможности сейчас но на Имраде посмотрел свой заказ ATmega32A-AU - 1 штуки / 30,48 грн. Все равно спасибо, проверю после работы.


Вернуться к началу
 Профиль  
 
СообщениеДобавлено: 28 мар 2014, 13:57 
Не в сети
Заслуженный участник Клуба ЗУ-ОКА275

Зарегистрирован: 24 окт 2013, 11:44
Сообщения: 933
Откуда: Чувашия
Авто: КИА РИО 2018
Имя: Вячеслав
ksa2006
Да дежурного питания там нет,он там не нужен так как нет дежурного режима ,но вся служба питается от отдельной обмотки основного трансформатора,с отдельным выпрямителем и напряжением порядка 18 +- 5В .При малых напряжениях на выходе основного источника питания там присутствует небольшое напряжение примерно 5-8 В ,я подал ,на всякий случай ,от доп источника 12,6 В через диод подтяжку ,чтоб при малом напряжении близком к 0 у блока было напряжение достаточное для питания ШИМ.

_________________
С уважением,Вячеслав.73!


Вернуться к началу
 Профиль  
 
СообщениеДобавлено: 28 мар 2014, 19:08 
Не в сети
Уже был(а), и не раз, и не два

Зарегистрирован: 23 фев 2014, 22:13
Сообщения: 118
Откуда: г.Челябинск
Авто: ВАЗ21103
Имя: pavel
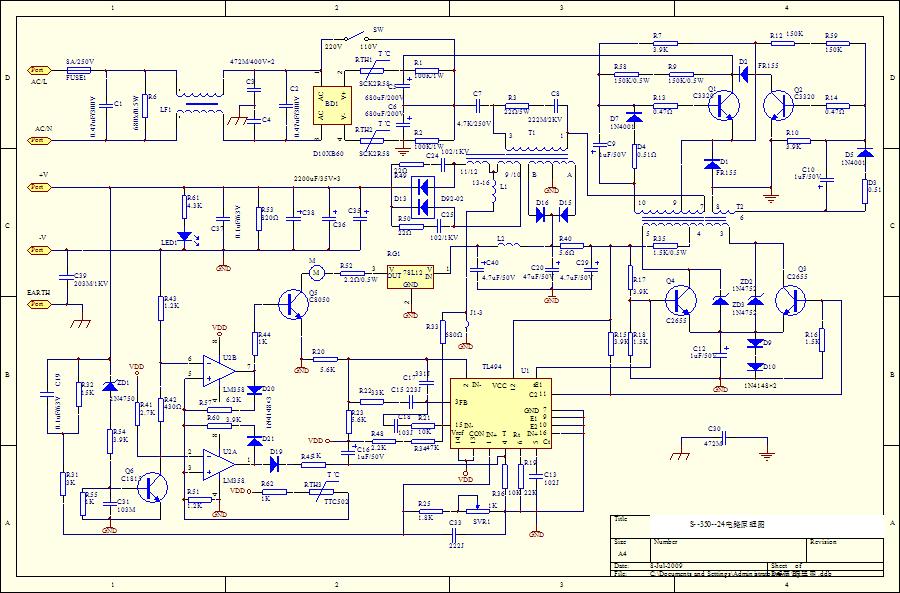
Если там схема такая как на картинке тогда защиту придётся урезать.Защита как то не важно выглядит, смысл такой покупать.
Питание TL494 было бы надёжней использовать дежурный блок как в АТ.


Вложения:
attachment.php(2).jpg
attachment.php(2).jpg [ 111.01 КБ | Просмотров: 10356 ]
Вернуться к началу
 Профиль  
 
Показать сообщения за:  Поле сортировки  
Начать новую тему Ответить на тему  [ Сообщений: 11898 ]  На страницу Пред.  1 ... 71, 72, 73, 74, 75, 76, 77 ... 595  След.

Часовой пояс: UTC + 7 часов


Кто сейчас на конференции

Сейчас этот форум просматривают: нет зарегистрированных пользователей и гости: 1


Вы не можете начинать темы
Вы не можете отвечать на сообщения
Вы не можете редактировать свои сообщения
Вы не можете удалять свои сообщения
Вы не можете добавлять вложения

Найти:
Перейти:  
Powered by phpBB® Forum Software © phpBB Group
Русская поддержка phpBB