Ока в Новосибирске

Клуб Окаводов Новосибирска
Текущее время: 15 окт 2025, 22:52

Часовой пояс: UTC + 7 часов




Начать новую тему Ответить на тему  [ Сообщений: 11 ] 
Автор Сообщение
СообщениеДобавлено: 06 дек 2013, 15:20 
Не в сети
Новичок

Зарегистрирован: 26 сен 2012, 22:49
Сообщения: 4
Авто: ВАЗ-1111
Имя: Сергей
Здравствуйте, уважаемые форумчане.
Очередной раз надеюсь на вшу помощь. Ситуация такая. Ехал вчера и при включении правых поворотников заметил, что подсвечивается лампа зарядки АКБ. Решил с косяком разобраться дома. По приезду включил левые поворотники-все в порядке, правые же светятся тускло совсем и, соответственно, подсвечивается лампа заряда. А затем случилось непонятное-перестали моргать и те и те поворотники, причем даже в режиме аварийной сигнализации. Горит, не мигая, лампочка аварийки-и все. Грешил на реле. Сменил. Мигнуло раза 2 и снова та же песня-поворотники в режиме поворота не включаются, АС не пашет. Правда, через некоторое время снова попробовал включить-опять малость помигало и снова..... Посоветуйте, что это, и как с этим бороться.


Вернуться к началу
 Профиль  
 
СообщениеДобавлено: 06 дек 2013, 17:18 
Не в сети
Постоянец
Аватара пользователя

Зарегистрирован: 05 апр 2012, 01:27
Сообщения: 1606
Откуда: г.Жуковский
Авто: ВАЗ-11113(0.75л)
Имя: Андрей
Тут целая история.Контакт плохой,причем во многих местах.Есть темы по устранению детской болезни оки.Это про замены колодок предов на ножевые,так же спайка двух проводов приходящих на 9 и 10 пред,так же спайка разьема который находится в 20см от плюса акб,так же доп.масса. и ещё всякие мелочи.
Моргать перестало потому что,на релюхи не дошло 12в,где то потерялось и осталось к примеру 9в.


Вернуться к началу
 Профиль  
 
СообщениеДобавлено: 06 дек 2013, 21:15 
Не в сети
Site Admin
Аватара пользователя

Зарегистрирован: 10 апр 2007, 22:36
Сообщения: 11298
Откуда: Новосибирск, Дзержинский
Авто: ВАЗ-21043
Имя: Алексей
А я голосую за хреновую "массу" на одном из саморезов. Как раз вроде в районе того реле есть такой саморез с минусовой клеммой, которая прикручивается на "массу". Это если я ничего не перепутал...

В общем, тут проблема не имеет готового решения. Надо брать контрольную лампу, схему, и искать глюк.

_________________

Поблагодарить автора:
Контакты:
Телеграмм: alexSh154
Вконтакте
Одноквассники
Instagram


Вернуться к началу
 Профиль  
 
СообщениеДобавлено: 07 дек 2013, 06:19 
Не в сети
Постоянец
Аватара пользователя

Зарегистрирован: 05 апр 2012, 01:27
Сообщения: 1606
Откуда: г.Жуковский
Авто: ВАЗ-11113(0.75л)
Имя: Андрей
Светящая лампа заряда говорит о том ,что именно плюс не дошел нормально,хотя так же скажу,что проверять надо всё.Естественно начинать с простого,чтоб не лезть в дебри.У меня тлеет лампочка,разглядеть можно,только ночью.Я не сделал только реле между 9-10 предами и 2 предом.Забил на это,не напрягает.


Вернуться к началу
 Профиль  
 
СообщениеДобавлено: 07 дек 2013, 14:05 
Не в сети
Новичок

Зарегистрирован: 26 сен 2012, 22:49
Сообщения: 4
Авто: ВАЗ-1111
Имя: Сергей
Господа, всем спасибо!
Действительно, хреновая масса!
Лампа заряда АКБ моргать перестала во всех режимах поворота.
P.S.
"ОКА"-это Линукс.


Вернуться к началу
 Профиль  
 
СообщениеДобавлено: 07 дек 2013, 14:17 
Не в сети
Постоянец
Аватара пользователя

Зарегистрирован: 05 апр 2012, 01:27
Сообщения: 1606
Откуда: г.Жуковский
Авто: ВАЗ-11113(0.75л)
Имя: Андрей
Так в каком месте масса плохая была?


Вернуться к началу
 Профиль  
 
СообщениеДобавлено: 23 фев 2015, 22:11 
Не в сети
Самоделкин
Аватара пользователя

Зарегистрирован: 05 окт 2009, 10:55
Сообщения: 2064
Откуда: Новосиб, Ленинский район, пл.Станиславского
Авто: 21013-1976
Имя: Антон
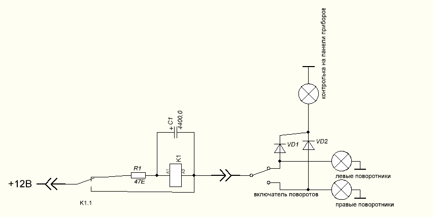
хоть у меня жига, но поворотники и у оки так-же устроенны. был трабл - направо слишком часто моргает, хотя все горят. как поставил на второй пред и печку то при включении оной реле-прерыватель стало само работать всухую - контролька мигает, тикает, но внешние поворотники молчат (на рулевой колонке то - серединка). а реле как у оки четырехконтактное. ну и скулибил я проще пареной репы схему, и обычное реле там (пятиконтактное, но при желании можно и четырех с минимумом переделок), и контроль перегорания лампы :меньше нагрузка - медленней мигает, оч малая (только контролька и боковой) нагрузка - не мигает, горит в полнакала. значит на суд:
Текст свернут
Вложение:
htkt-ghthsdfntkm.png
htkt-ghthsdfntkm.png [ 12.66 КБ | Просмотров: 14010 ]

схему сигнализации на контрольке маленько переделал (сдвоенный диод + три провода между штекеров основной проводки). масса не понадобилась. и теперь любое пятиконтактное реле подойдет, что радует унификацией.

_________________
Наша ОКА в контакте http://vkontakte.ru/club22262761


Вернуться к началу
 Профиль  
 
СообщениеДобавлено: 24 фев 2015, 01:25 
Не в сети
Постоянец
Аватара пользователя

Зарегистрирован: 05 апр 2012, 01:27
Сообщения: 1606
Откуда: г.Жуковский
Авто: ВАЗ-11113(0.75л)
Имя: Андрей
Я не понял цель переделки.Была какая то неполадка,в процессе переделки глюк самоустронился.У меня этот узел штаный,всё работает нормально,и перегорание лампы я вижу по скорости моргания.
Такая переделка мне напомнила лечения симптомов болезни,а не её причину.


Вернуться к началу
 Профиль  
 
СообщениеДобавлено: 24 фев 2015, 07:03 
Не в сети
Самоделкин
Аватара пользователя

Зарегистрирован: 05 окт 2009, 10:55
Сообщения: 2064
Откуда: Новосиб, Ленинский район, пл.Станиславского
Авто: 21013-1976
Имя: Антон
просто не был уверен что замена реле на идентичное решит проблему. думал может правые поворотники с плохим контактом где, что моргают неприлично часто, так что днём не сразу то и заметишь со стороны, что я поворотник включил. думал, что наводки печки (искренние, обратная самоиндукция) также будут давать на чувствительную электронику штатного реле и самосрабатывания его останутся.
а вообще думаю надо было с четырехконтактным реле делать, последовательно резистору диод и прям на вход + не через отключающийся контакт.

_________________
Наша ОКА в контакте http://vkontakte.ru/club22262761


Вернуться к началу
 Профиль  
 
СообщениеДобавлено: 24 фев 2015, 14:34 
Не в сети
Постоянец
Аватара пользователя

Зарегистрирован: 05 апр 2012, 01:27
Сообщения: 1606
Откуда: г.Жуковский
Авто: ВАЗ-11113(0.75л)
Имя: Андрей
Вероятнее всего где то не было массы.Эта масса поступала через какой то другой потребитель,тем самым сопротивление резко увеличилось и реле стало моргать быстрее,думая что перегорела лампа поворотов.Такое у меня было при покупке первой машинки, день-через день вылазили всякие непонятные фокусы с электрикой.Сначала выяснял,думал,прозванивал,в конце концов это достало и я тупо прошелся по всем массовым клеммам с наждачкой и смазкой.


Вернуться к началу
 Профиль  
 
СообщениеДобавлено: 24 фев 2015, 22:33 
Не в сети
Самоделкин
Аватара пользователя

Зарегистрирован: 05 окт 2009, 10:55
Сообщения: 2064
Откуда: Новосиб, Ленинский район, пл.Станиславского
Авто: 21013-1976
Имя: Антон
я тоже так думал, но ведь с новым реле длительность миганий влево и вправо одинакова. а вот аварийка чуть быстрее =)

_________________
Наша ОКА в контакте http://vkontakte.ru/club22262761


Вернуться к началу
 Профиль  
 
Показать сообщения за:  Поле сортировки  
Начать новую тему Ответить на тему  [ Сообщений: 11 ] 

Часовой пояс: UTC + 7 часов


Кто сейчас на конференции

Сейчас этот форум просматривают: нет зарегистрированных пользователей и гости: 3


Вы не можете начинать темы
Вы не можете отвечать на сообщения
Вы не можете редактировать свои сообщения
Вы не можете удалять свои сообщения
Вы не можете добавлять вложения

Найти:
Перейти:  
cron
Powered by phpBB® Forum Software © phpBB Group
Русская поддержка phpBB