Ока в Новосибирске

Клуб Окаводов Новосибирска
Текущее время: 16 мар 2026, 06:22

Часовой пояс: UTC + 7 часов




Начать новую тему Ответить на тему  [ Сообщений: 120 ]  На страницу 1, 2, 3, 4, 5, 6  След.
Автор Сообщение
 Заголовок сообщения: Зарядное устройство для АКБ
СообщениеДобавлено: 27 ноя 2011, 00:13 
Не в сети
Самоделкин
Аватара пользователя

Зарегистрирован: 05 окт 2009, 10:55
Сообщения: 2064
Откуда: Новосиб, Ленинский район, пл.Станиславского
Авто: 21013-1976
Имя: Антон
короче совет нужен. все видели схему
Изображение?
Так вот - транс заменил на мощный - сгорел полевик.
вместо полевика поставил два параллельных 2SC2625 эмиттером к мосту
Изображение
На выходе с транзюка нет напруги, на базе - нет напруги!!!в любом положении переменника...
сначала последовательно с переменником на плюс моста поставил 6К (с переменником 1К = 7К / 50В = 7В на 1К). На переменнике есть напруга - на базе нет!
Мосты gbu806 - супер!
Подскажите, в чем может быть дело?

_________________
Наша ОКА в контакте http://vkontakte.ru/club22262761


Вернуться к началу
 Профиль  
 
 Заголовок сообщения: Re: Зарядное устройство для АКБ
СообщениеДобавлено: 27 ноя 2011, 09:33 
Не в сети
Site Admin
Аватара пользователя

Зарегистрирован: 10 апр 2007, 22:36
Сообщения: 11260
Откуда: Новосибирск, Дзержинский
Авто: ВАЗ-21043
Имя: Алексей
Цитата:
транс заменил на мощный - сгорел полевик.

не удивлен, ибо что бы ничего не сгорало В ЭТОМ РЕЖИМЕ ЕГО РАБОТЫ, нужен полевик от троллейбуса. Или собирай схему управления напряжением первички. Тогда ничего не будет греться. Да и эл.энергию сэкономишь.

Цитата:
Подскажите, в чем может быть дело?

Транзисторы структуры n-p-n открываются положительным напряжением (соответственно, p-n-p открываются отрицательным). Делай как на схеме, но еще раз говорю, что это все лабуда. Не ставят такие схемы для регулирования тока. Либо ШИМ, либо управлять напряжением на первичке. Выбирай что тебе проще (имхо, первичка).

PS. Катушка L1, в прочем как и кондер С2 - в этом случае как козе баян.
И еще - обязательно добавь резистор между плюсом и переменником. Думаю на 1 кОм хватит. Напрямую плюс в базу вливать нельзя - попалишь транзюк.


Вложения:
зарядка.jpeg
зарядка.jpeg [ 24.84 КБ | Просмотров: 61144 ]

_________________

Поблагодарить автора:
Контакты:
Телеграмм: alexSh154
Вконтакте
Одноквассники
Instagram
Вернуться к началу
 Профиль  
 
 Заголовок сообщения: Re: Зарядное устройство для АКБ
СообщениеДобавлено: 27 ноя 2011, 11:36 
Не в сети
Site Admin
Аватара пользователя

Зарегистрирован: 10 апр 2007, 22:36
Сообщения: 11260
Откуда: Новосибирск, Дзержинский
Авто: ВАЗ-21043
Имя: Алексей
Почитал про регулировку напряжения на первичке. Блин, не все так просто, потому что транформатор - весчь индуктивная и так как он предназначен для питания от исключительно переменного тока, далеко не всякие вмешательства в синусоиду могут пройти безнаказанно. Например, есть схема http://www.qrz.ru/schemes/contribute/digest/reg24.shtml , и если ее использовать для регулировки напряжения первички, мы можем получить фейерверк, потому как диод VD1 честно пропустит на первичку все положительные полупериоды сетевого напряжения. В результате чего сердечник не будет размагничиваться и ток возрастет в разы (вышибет тот диод и все остальное). Ниже идет вариант замены диода на диодный мост. Ну что же.. тут имеются все шансы к успеху. Я такой регулятор подключал к вентилятору, все работало и ничего не вылетело. Но все равно тут надо еще читать, смотреть, собирать информацию, ибо в подобных вещах у меня опыта мало. За то есть кое какой опыт в ШИМ регулировании и я бы собирал схему именно на ней. А именно: вторичка, с нее на диодный мост, с него через полевик на аккум. Чем длинней импульс в одну единицу времени, тем больше ток. Ничего не греется, все довольны.

_________________

Поблагодарить автора:
Контакты:
Телеграмм: alexSh154
Вконтакте
Одноквассники
Instagram


Вернуться к началу
 Профиль  
 
 Заголовок сообщения: Re: Зарядное устройство для АКБ
СообщениеДобавлено: 27 ноя 2011, 12:07 
Не в сети
Гвоздетерапевт
Аватара пользователя

Зарегистрирован: 13 дек 2010, 00:39
Сообщения: 1301
Откуда: искитим
Авто: ВАЗ-111130
Имя: Анатолий
Приведенная тобой схемка действительно для регулировки первички не годна.В своё время когда занимался радиолюбительством этот регулятор паяльника использовал довольно долго,но увы он маломощный.Эту же схемку применял на лампу в спальне-плавная регулировка света в то время было круто,это сейчас таких в любом маге навалом))))))))

_________________
Если есть вода,должна быть и рыба!!!!!С Уважением angor!
Изображение


Вернуться к началу
 Профиль  
 
 Заголовок сообщения: Re: Зарядное устройство для АКБ
СообщениеДобавлено: 27 ноя 2011, 13:41 
Не в сети
Самоделкин
Аватара пользователя

Зарегистрирован: 05 окт 2009, 10:55
Сообщения: 2064
Откуда: Новосиб, Ленинский район, пл.Станиславского
Авто: 21013-1976
Имя: Антон
короче нашел такие простые тиристорные регуляторы
Изображение
Изображение

Изображение
из этого всего можно использовать только тиристорное управление но и только (без однополупериодных цепей).
всё взято отсюда - очень интересно было почитать, собираюсь в РАДИОДЕТАЛИ =)

_________________
Наша ОКА в контакте http://vkontakte.ru/club22262761


Вернуться к началу
 Профиль  
 
 Заголовок сообщения: Re: Зарядное устройство для АКБ
СообщениеДобавлено: 27 ноя 2011, 13:49 
Не в сети
Site Admin
Аватара пользователя

Зарегистрирован: 10 апр 2007, 22:36
Сообщения: 11260
Откуда: Новосибирск, Дзержинский
Авто: ВАЗ-21043
Имя: Алексей
Микросхема 1182ПМ1 является новым решением проблемы
регулировки мощности в классе высоковольтных мощных
электронных схем. Благодаря уникальной технологии возможно
применение ИС для <B> сети переменного тока до 230В,</B> при этом
необходимо минимальное количество внешних элементов.
Непосредственное применение ИС - для плавного включения и
выключения электрических ламп накаливания или регулировки их
яркости свечения. Так же успешно ИС может применяться для
регулировки скорости вращения электродвигателей
мощностью до
<B>150 Вт</B> (например, вентиляторами) и для управления более
мощными силовыми приборами (тиристорами). Микросхема имеет
два силовых вывода для включения в цепь последовательно с
нагрузкой, два вспомогательных вывода и два входа управления
для подключения регулировочного резистора, конденсатора или
других элементов управления.


КЛАССС!!!!! Вот это и надо!!
Только скорее всего придется мутить что то с симистором по этой схеме:

Изображение

Ибо сама микроха максимум до 150 ватт нагрузки. А ведь там не просто лампочка, а мощный трансформатор. Аналог тиристора ВТ139 у меня есть.

_________________

Поблагодарить автора:
Контакты:
Телеграмм: alexSh154
Вконтакте
Одноквассники
Instagram


Вернуться к началу
 Профиль  
 
 Заголовок сообщения: Re: Зарядное устройство для АКБ
СообщениеДобавлено: 27 ноя 2011, 14:22 
Не в сети
Site Admin
Аватара пользователя

Зарегистрирован: 10 апр 2007, 22:36
Сообщения: 11260
Откуда: Новосибирск, Дзержинский
Авто: ВАЗ-21043
Имя: Алексей
А вот еще один довод в пользу использования внешнего симмистора:

Длительное использование этих микросхем позволяет сделать неутешительный вывод: их надежность, мягко говоря, невысока. В моих разработках при работе в нестабильной сети неоднократно выходили из строй все устройства, в которых эти микросхемы управляли нагрузкой непосредственно (без навесного симистора). Причем наработка каждой микросхемы до ее отказа была достаточно стабильной: 1000...2000часов. Все поврежденные микросхемы выходили из строя с разрывом корпуса, хотя они были установлены на небольшие медные или латунные теплоотводы и работали с нагрузкой (лампы накаливания) мощностью не более 60 Вт. В то же время, не было зафиксировано ниодного выхода из строя этих микросхем, если они работали совместно с навесным симистором (тиристорами) и включались по приведенной на рисунке схеме.

Особенность такого включения в том. что большая часть токовой нагрузки ложится на внешний симистор VS1. чем, вероятно, уменьшается скорость деградации кристалла микросхемы. Кроме того, варистор R4 защищает микросхему и симистор от повреждения всплесками напряжения сети


Изображение
http://electroscheme.org/510-rabota-s-kr1182pm1.html

Тут есть защита от перенапряжения, а так же фильтрация от помех. Хотя можно этим пренебречь и сделать по схемам, указанным выше.

_________________

Поблагодарить автора:
Контакты:
Телеграмм: alexSh154
Вконтакте
Одноквассники
Instagram


Вернуться к началу
 Профиль  
 
 Заголовок сообщения: Re: Зарядное устройство для АКБ
СообщениеДобавлено: 27 ноя 2011, 14:34 
Не в сети
Site Admin
Аватара пользователя

Зарегистрирован: 10 апр 2007, 22:36
Сообщения: 11260
Откуда: Новосибирск, Дзержинский
Авто: ВАЗ-21043
Имя: Алексей
Но есть еще угарней - http://www.radio-lubitel.ru/fazoviy-reg ... troystvach Мощность до 1500вт (в нашем случае вообще без радиатора пойдет). Из деталей сам PR-1500 и переменный резистор. Есть несколько "но":

1. Есть ли этот PR-1500 в Новосибирске и сколько он стоит? (В "Чип и Дип" он стоит в районе 680 руб. Учитывая дикие цены в этом инет-магазине, в Новосибе можно найти эту сборку наверняка рублей по 300).
2. Очень желательно переменный резистор гальванически разъединить от высоковольтной части. В этом случае потребуется оптрон (указан в примере). Хотя, можно использовать качественный переменник с хорошо изолированной ручкой.

_________________

Поблагодарить автора:
Контакты:
Телеграмм: alexSh154
Вконтакте
Одноквассники
Instagram


Вернуться к началу
 Профиль  
 
 Заголовок сообщения: Re: Зарядное устройство для АКБ
СообщениеДобавлено: 27 ноя 2011, 16:24 
Не в сети
Умник

Зарегистрирован: 03 окт 2007, 23:50
Сообщения: 498
Откуда: Екатеринбург
Заряжаю аккум обычным БП (китайским) который на холостом выдает 14-14.5 вольт и мощностью в пару ампер. Да, долго - сутки примерно - но это то что доктор прописал!.
Стоит рублей 500-600.

_________________
VBR, Yury!


Вернуться к началу
 Профиль  
 
 Заголовок сообщения: Re: Зарядное устройство для АКБ
СообщениеДобавлено: 27 ноя 2011, 17:14 
Не в сети
Самоделкин
Аватара пользователя

Зарегистрирован: 05 окт 2009, 10:55
Сообщения: 2064
Откуда: Новосиб, Ленинский район, пл.Станиславского
Авто: 21013-1976
Имя: Антон
кароче магаз выходной...раньше была целая коробка деталей (в т.ч. тиристоров много) но пока здесь не жил - сестра всё выкинула...ни одного не оставила...
как можно просто переделать комп.БП на один свободнорегулируемый выход? схем в инете куча, надо разбираться...

_________________
Наша ОКА в контакте http://vkontakte.ru/club22262761


Вернуться к началу
 Профиль  
 
 Заголовок сообщения: Re: Зарядное устройство для АКБ
СообщениеДобавлено: 27 ноя 2011, 17:36 
Не в сети
Site Admin
Аватара пользователя

Зарегистрирован: 10 апр 2007, 22:36
Сообщения: 11260
Откуда: Новосибирск, Дзержинский
Авто: ВАЗ-21043
Имя: Алексей
найди БП на основе микрохи TLT494 и уже треть дела сделаешь.

_________________

Поблагодарить автора:
Контакты:
Телеграмм: alexSh154
Вконтакте
Одноквассники
Instagram


Вернуться к началу
 Профиль  
 
 Заголовок сообщения: Re: Зарядное устройство для АКБ
СообщениеДобавлено: 27 ноя 2011, 20:31 
Не в сети
Самоделкин
Аватара пользователя

Зарегистрирован: 05 окт 2009, 10:55
Сообщения: 2064
Откуда: Новосиб, Ленинский район, пл.Станиславского
Авто: 21013-1976
Имя: Антон
может управление последовательным мостом отдать транзюку (использовать вместо тиристора транзистор?

Изображение

_________________
Наша ОКА в контакте http://vkontakte.ru/club22262761


Вернуться к началу
 Профиль  
 
 Заголовок сообщения: Re: Зарядное устройство для АКБ
СообщениеДобавлено: 27 ноя 2011, 23:20 
Не в сети
Site Admin
Аватара пользователя

Зарегистрирован: 10 апр 2007, 22:36
Сообщения: 11260
Откуда: Новосибирск, Дзержинский
Авто: ВАЗ-21043
Имя: Алексей
Боюсь, он не будет надежно открываться во всем диапазоне регулируемого напряжения. Возможно по-этому я не встречал схем с транзистором.

PS. Конденсатор из базы убери. На постоянке он является диэлектриком.

_________________

Поблагодарить автора:
Контакты:
Телеграмм: alexSh154
Вконтакте
Одноквассники
Instagram


Вернуться к началу
 Профиль  
 
 Заголовок сообщения: Re: Зарядное устройство для АКБ
СообщениеДобавлено: 28 ноя 2011, 00:01 
Не в сети
Самоделкин
Аватара пользователя

Зарегистрирован: 05 окт 2009, 10:55
Сообщения: 2064
Откуда: Новосиб, Ленинский район, пл.Станиславского
Авто: 21013-1976
Имя: Антон
на базе не постоянка - выпрямленная синусоида.
как только подали напругу - заряжается кондер - транз открывается - коротит схему - кондер разряжается - транз закрывается - цикл повторяется. чуть ли не ШИМ!

_________________
Наша ОКА в контакте http://vkontakte.ru/club22262761


Вернуться к началу
 Профиль  
 
 Заголовок сообщения: Re: Зарядное устройство для АКБ
СообщениеДобавлено: 28 ноя 2011, 01:28 
Не в сети
Site Admin
Аватара пользователя

Зарегистрирован: 10 апр 2007, 22:36
Сообщения: 11260
Откуда: Новосибирск, Дзержинский
Авто: ВАЗ-21043
Имя: Алексей
1. Постоянка - это и есть выпрямленная синусоида.
2. Кондер в лучшем случае зарядится и ничего больше с ним не произойдет.

_________________

Поблагодарить автора:
Контакты:
Телеграмм: alexSh154
Вконтакте
Одноквассники
Instagram


Вернуться к началу
 Профиль  
 
 Заголовок сообщения: Re: Зарядное устройство для АКБ
СообщениеДобавлено: 28 ноя 2011, 18:59 
Не в сети
Самоделкин
Аватара пользователя

Зарегистрирован: 05 окт 2009, 10:55
Сообщения: 2064
Откуда: Новосиб, Ленинский район, пл.Станиславского
Авто: 21013-1976
Имя: Антон
купил тиристор BT136 и пр. попробую сегодня успеть собрать по этой схеме
Изображение
хотел с динистором собрать да его в продаже не было...

_________________
Наша ОКА в контакте http://vkontakte.ru/club22262761


Вернуться к началу
 Профиль  
 
 Заголовок сообщения: Re: Зарядное устройство для АКБ
СообщениеДобавлено: 28 ноя 2011, 19:06 
Не в сети
Site Admin
Аватара пользователя

Зарегистрирован: 10 апр 2007, 22:36
Сообщения: 11260
Откуда: Новосибирск, Дзержинский
Авто: ВАЗ-21043
Имя: Алексей
и куда ты тут собрался пихать транс? Вместо лампочки?

_________________

Поблагодарить автора:
Контакты:
Телеграмм: alexSh154
Вконтакте
Одноквассники
Instagram


Вернуться к началу
 Профиль  
 
 Заголовок сообщения: Re: Зарядное устройство для АКБ
СообщениеДобавлено: 28 ноя 2011, 19:49 
Не в сети
Самоделкин
Аватара пользователя

Зарегистрирован: 05 окт 2009, 10:55
Сообщения: 2064
Откуда: Новосиб, Ленинский район, пл.Станиславского
Авто: 21013-1976
Имя: Антон
Тиристор внутрь диодного моста а транс последовательно мосту.

_________________
Наша ОКА в контакте http://vkontakte.ru/club22262761


Вернуться к началу
 Профиль  
 
 Заголовок сообщения: Re: Зарядное устройство для АКБ
СообщениеДобавлено: 28 ноя 2011, 19:58 
Не в сети
Site Admin
Аватара пользователя

Зарегистрирован: 10 апр 2007, 22:36
Сообщения: 11260
Откуда: Новосибирск, Дзержинский
Авто: ВАЗ-21043
Имя: Алексей
а чего микроху-управлятор 1182ПМ1 не купил?

PS. Не ищещь ты легких путей. Однозначно.

_________________

Поблагодарить автора:
Контакты:
Телеграмм: alexSh154
Вконтакте
Одноквассники
Instagram


Вернуться к началу
 Профиль  
 
 Заголовок сообщения: Re: Зарядное устройство для АКБ
СообщениеДобавлено: 28 ноя 2011, 20:37 
Не в сети
Самоделкин
Аватара пользователя

Зарегистрирован: 05 окт 2009, 10:55
Сообщения: 2064
Откуда: Новосиб, Ленинский район, пл.Станиславского
Авто: 21013-1976
Имя: Антон
oka275 писал(а):
а чего микроху-управлятор 1182ПМ1 не купил?

Дорого = 84р. Я взял два тиристора, переменник и кондер за 61р ! 25 Р сэкономил! Сверла на 0,8 временно не было в продаже, а так оно 10 Р стОит.
думал что микруха гораздо дороже и не стал её записывать и запоминать, потому и не купил.
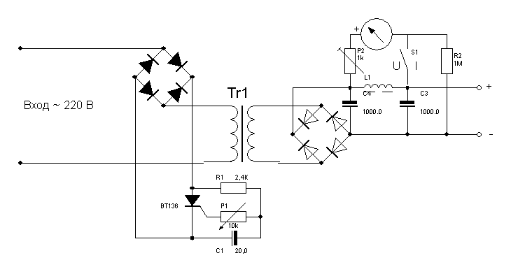
вот моя полная схема.


Вложения:
2.png
2.png [ 2.75 КБ | Просмотров: 61642 ]

_________________
Наша ОКА в контакте http://vkontakte.ru/club22262761


Последний раз редактировалось wundr 28 ноя 2011, 21:24, всего редактировалось 1 раз.
Вернуться к началу
 Профиль  
 
Показать сообщения за:  Поле сортировки  
Начать новую тему Ответить на тему  [ Сообщений: 120 ]  На страницу 1, 2, 3, 4, 5, 6  След.

Часовой пояс: UTC + 7 часов


Кто сейчас на конференции

Сейчас этот форум просматривают: нет зарегистрированных пользователей и гости: 1


Вы не можете начинать темы
Вы не можете отвечать на сообщения
Вы не можете редактировать свои сообщения
Вы не можете удалять свои сообщения
Вы не можете добавлять вложения

Найти:
Перейти:  
cron
Powered by phpBB® Forum Software © phpBB Group
Русская поддержка phpBB