Ока в Новосибирске

Клуб Окаводов Новосибирска
Текущее время: 16 мар 2026, 12:35

Часовой пояс: UTC + 7 часов




Начать новую тему Ответить на тему  [ Сообщений: 23 ]  На страницу 1, 2  След.
Автор Сообщение
СообщениеДобавлено: 13 дек 2016, 02:40 
Не в сети
Site Admin
Аватара пользователя

Зарегистрирован: 10 апр 2007, 22:36
Сообщения: 11260
Откуда: Новосибирск, Дзержинский
Авто: ВАЗ-21043
Имя: Алексей
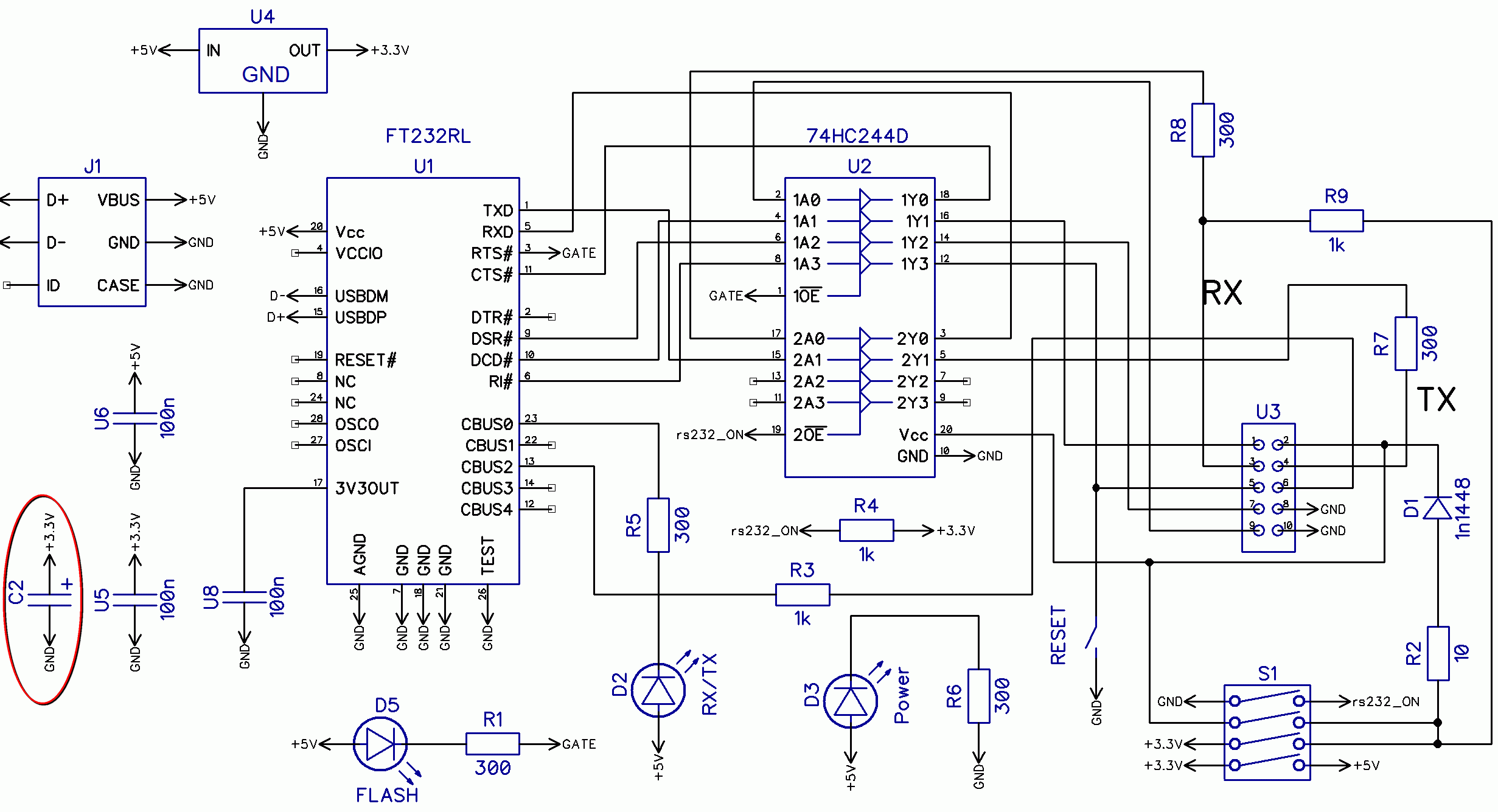
Потребовалось выложить мою текущую схему программатора. Решил сюда. Пока скину архив, а всё описания - чуть позже (если не забуду).



Вложение:
img-2016-12-13-01-54-34.png
img-2016-12-13-01-54-34.png [ 711.32 КБ | Просмотров: 31033 ]


Вложение:
img-2016-12-13-01-59-30.png
img-2016-12-13-01-59-30.png [ 995.86 КБ | Просмотров: 31033 ]


Вложение:
img-2016-12-13-02-00-57.png
img-2016-12-13-02-00-57.png [ 333.53 КБ | Просмотров: 31033 ]


Вложение:
img-2016-12-13-02-01-09.png
img-2016-12-13-02-01-09.png [ 354.37 КБ | Просмотров: 31033 ]


Схема, печатная плата:
Вложение:
Комментарий к файлу: Схема и печатная плата в формате программы DipTrace + консольное приложение (без графики) для программирования посредством bat-файлов или из командной строки
ProgFT232RL.zip [3.62 МБ]
Скачиваний: 724

Графическая оболочка AVRDUDESHELL, которая упрощает работу с avrdude, исключая необходимость работы с ней через командную строку. В принципе, эта программа делает связку ft232+avrdude полностью удобной и достаточной для работы с МК AVR.
https://cloud.mail.ru/public/F3eR/h8eMztqCV

_________________

Поблагодарить автора:
Контакты:
Телеграмм: alexSh154
Вконтакте
Одноквассники
Instagram


Последний раз редактировалось oka275 18 окт 2017, 22:58, всего редактировалось 5 раз(а).
Обновил AVRDUDE в архиве со схемой и печаткой. Старая версия неправильно работала с EEPROM!!!


Вернуться к началу
 Профиль  
 
СообщениеДобавлено: 13 дек 2016, 15:53 
Не в сети
Заслуженный участник Клуба ЗУ-ОКА275

Зарегистрирован: 06 ноя 2016, 10:55
Сообщения: 94
Откуда: краснотурьинск
Авто: ваз2107
Имя: вячеслав
Алексей спасибо за программатор! Вообще в своей жизни программировал один раз, точнее сказать заливал готовую прошивку, это когда делал ЗУ от СЛОНА. Программировал через lpt порт в Uniprof ( там была пошаговая инструкция). Еще делал проектики в среде Ардуино, но это так детский лепет. Конечно понимаю что все должно быть очень похоже.


Вернуться к началу
 Профиль  
 
СообщениеДобавлено: 16 дек 2016, 17:35 
Не в сети
Site Admin
Аватара пользователя

Зарегистрирован: 10 апр 2007, 22:36
Сообщения: 11260
Откуда: Новосибирск, Дзержинский
Авто: ВАЗ-21043
Имя: Алексей
Executor писал(а):
oka275 писал(а):
А я наконец-то нашел, что искал. Запуск прошивки - по запуску bat-файла. В этот момент прошивальщик подключается к портам МК и делает свою работу, потом переходит в Z-состояние.

А можно поподробнее, что-то ничего не понял.

1. Что такое программатор в привычном понимании? Это некая коробочка, подключаемая между прошиваемым микроконтроллером и компьютером (далее программатор). Но должна быть еще программная среда, которая ею будет управлять (далее оболочка).

2. Основой представленного мной программатора является микросхема FT232TL (преобразователя USB-USART), но в реальности она ничего не преобразовывает. Просто у этой микросхемы есть уникальная возможность "дрыгать ногами - Bit Banding" под управлением П/О, запущенного на компьютере. Оболочка задает последовательность этого дрыгания - она и дрыгает, загружая в МК нужные нолики-единички. Собственно, и весь программатор! И им уже можно прошивать микроконтроллеры. Но после прошивки FT232RL сохраняет состояние своих ножек, что может мешать нормальной работе схемы. Потому, после прошивания, программатор необходимо отключать. Это не удобно для программиста, потому что приходится часто перепрошивать МК, оперативно изменяя код программы. Для исключения этой проблемы в схему программатора была добавлена буферная микросхема 74HC244D. Когда на нее приходит разрешающий сигнал, она подключает выводы FT232RL к микроконтроллеру, а после его снятия ее выводы, подключенные к МК, переходят в третье состояние (то есть имеют очень высокое сопротивление и не оказывают на отлаживаемую схему никакого влияния). Это состояние называется состоянием Z. В общем, FT232RL дрыгает ногами под управлением оболочки на компе, а 74HC244D, по команде той же оболочки, подключает её ножки к прошиваемому МК. Вот и весь программатор!

3. Оболочка, запускаемая на компе. К сожалению, указанный выше программатор поддерживается не многими оболочками. Это в первую очередь потому, что остальное подавляющее большинство программаторов так или иначе работают с СОМ или LPT портами, а в данном случае FT232RL работает в особом режиме (Bit Banding). Кроме того, есть оболочки с графическим интерфейсом, а есть с текстовым. В последнем случае все управление оболочкой производится с помощью командной строки (так многими не любимой).

4. Оболочка AVRDUDE ("дудка"). Прекрасно работает с указанным выше программатором (я даже не знаю какая еще оболочка с ней работает), но не имеет графической среды управления. Другими словами она имеет только командную строку и не имеет графического интерфейса вообще. Пример командной строки:
e:\WORK\RADIO\FTBB\avrdude.exe -p m32 -c ft232r -P ft0 -U flash:w:e:\WORK\CVAVR\!Programms\!MY_FM\RDA5807M\VER1\Debug\Exe\FM54.hex:a
В первой части указывается путь до папки, где лежит AVRDUDE.EXE,
во второй части ей передаются параметры программирования: тип МК, название программатора, порт, попутные действия,
затем передается путь до места, где лежит прошивка (и ее имя с расширением).
завершает строку тип прошиваемого файла (hex)
Каждый раз писать такие портянки - ну это на любителя абсолютно! Для упрощения люди издавна придумали командные файлы. То есть создаем текстовый (*.txt) файл, даем ему произвольное имя, а расширение txt заменяем на bat. С этих пор файл стал командным! Но всё, что в нем выполняется, содержится внутри. По правой кнопке мыши на нем кликаем "Изменить" и пишем там указанную выше строчку, только с обязательным изменением путей до файлов. И всё - файл создан, и что бы прошить МК нужно только запустить этот файлик! Еще раз говорю, что это всё больше актуально для программистов при частых правках прошивки и тд., ибо если после каждой правки загружать прошивку в МК классическим способом (через графический интерфейс) - это чокнуться можно.

_________________

Поблагодарить автора:
Контакты:
Телеграмм: alexSh154
Вконтакте
Одноквассники
Instagram


Вернуться к началу
 Профиль  
 
СообщениеДобавлено: 16 дек 2016, 20:58 
Не в сети
Заслуженный участник Клуба ЗУ-ОКА275
Аватара пользователя

Зарегистрирован: 14 окт 2016, 19:22
Сообщения: 42
Откуда: Екатеринбург
Авто: Ford Mondeo
Имя: Анатолий
Коли затронули тему про программаторы, покажу свои простенькие "прожигалки". Для прошивки атмег и тинек использую уже давненько
простой USBASP, а для пикушек - PIC K150. Оба из Китая. Жгут, плюс кабелёк на USBASP, общей длиной около 80 см и ни какого сбоя ни разу не было,
хотя прошил уже достаточно контроллеров. Программные оболочки, используемые для USBASP, в основном две - avrdudeprog33 и Avrdudeshell
Изображение Изображение

_________________
С уважением, Анатолий.


Вернуться к началу
 Профиль  
 
СообщениеДобавлено: 17 дек 2016, 00:56 
Не в сети
Заслуженный участник Клуба ЗУ-ОКА275

Зарегистрирован: 06 ноя 2016, 10:55
Сообщения: 94
Откуда: краснотурьинск
Авто: ваз2107
Имя: вячеслав
Тема то очень интересная. Алексей еще пограмматор по вашей схеме не делал ( детали где-то в пути). Пробовал установить AVRDUDE.EXE что то система ругается и требует какой то Dll расширение (у меня стоит винд.7 home basic). Завтра попробую на работе на промышленном ноутбуке, там XP с CP2 может там встанет. Алексей очень доходчиво расписываете работу программатора, чисто на нашем на крестьянском языке, короче для таких как я. Это не каждому дано, за что вам огромное спасибо. Что то я немного очкую залазить в командную строку, натворю что-нибудь не того?
Вчера сравнивал примеры мигалки светодиода для ардуино (по ихнему скеч) и код для атмеги 8, но так и не вьехал в чем разница? Просто пытаюсь путем сравнения с ардуиновским языком(там имеется маленький опыт) выяснить на сколько отличается само программирование.


Вернуться к началу
 Профиль  
 
СообщениеДобавлено: 17 дек 2016, 01:42 
Не в сети
Site Admin
Аватара пользователя

Зарегистрирован: 10 апр 2007, 22:36
Сообщения: 11260
Откуда: Новосибирск, Дзержинский
Авто: ВАЗ-21043
Имя: Алексей
slava77 писал(а):
Пробовал установить AVRDUDE.EXE что то система ругается и требует какой то Dll расширение

Вячеслав, я немного не понял. Зачем устанавливать? В архиве, что я прикрепил выше, уже есть папка с AVR-dude. Там два файла - avrdude.exe и avrdude.cfg. Первое, собсно, сама "дудка", а второе - ее конфигурационный файл, который описывает ей все программаторы, которые она "знает", их распиновку или прочие нюансы управления, а так же все известные "дудке" микроконтроллеры AVR (сигнатуры, порты, регистры или что там у них имеется). И кстати, ни разу она ничего от меня не просила, кроме программатора. Во всяком случае моя "дудка", проверенная временем. Сейчас у меня установлена Win7 x64, что ей абсолютно по барабану. Правда у меня в винде отключен контроль учетных записей (UAC), ибо я сам себе контролёр. Может это влияет, не знаю. Запустите мою версию дудки, только не забывайте, что в папке с ехе- файлом всегда должен лежать файл -cfg. Это СПУТНИКИ, их нельзя разлучать. только кроме белых буковок/цифирек на чёрном экране Вы не увидите - это не графическая среда. В прочем, для этой "дудки" уже придумали графическую оболочку, но весь смысл ее в том, что бы создавать командную строку вместо человека. Кому как, но мне это не нравится, хоть и пользуюсь иногда (когда лень писать командные файлы).

slava77 писал(а):
Что то я немного очкую залазить в командную строку, натворю что-нибудь не того?

А вы не меняйте всё подряд, а меняйте только:
1. Тип МК - это просто: m32 значит атмега32, m8 - атмега8 итд. Все это, а так же все прочие команды командной строки, мелко разжеваны здесь КОМАНДЫ AVRDUDE. Только пожалуйста, не надо устанавливать рекомендуемую в статье версию AVRDUDE, потому как в моём архиве присутствует версия специально патченная для возможности работы с программатором на ft232rl, а особенно для возможности управления через ft232rl микросхемой буфера. Первые версии avrdude не умели корректно работать с ним и после прошивки не отпускали буфер обратно. Приходилось перевключать программатор.
2 Имя файла с прошивкой, включая расширение (.hex).
Как правило больше ничего менять не нужно. В архиве есть три командных файлов-примеров, используйте файл с именем flash.bat - он самый простой. Файл с именем aa2 самый навороченный, предназначенный для запуска и работы практически в любых ситуациях (находясь в архиве с прошивкой, или командный файл запущен не пользователем, а компилятором и тд.). Для его правильной работы нужно прописать специальную переменную в окружении windows. И кто с этим не знаком, лучше файлы аа1-аа2 не использовать.

slava77 писал(а):
Алексей очень доходчиво расписываете работу программатора,

спасибо за тёплые слова. Мне не первый раз отмечают это.

slava77 писал(а):
Вчера сравнивал примеры мигалки светодиода для ардуино (по ихнему скеч) и код для атмеги 8, но так и не вьехал в чем разница?

В смысле, не поняли разницу между кодом мигалки, написанным под ардуино, и кодом, написанном на Си под каким нибудь CodeVisionAVR? Обратите внимание прежде всего на то, как задается роль портам - на вход им работать или на выход. В чистом Си это делается интуитивно не понятно, путем нагибания соответствующего регистра. В ардуине просто говоришь "входу №12 режим входа" - и пицес. И никаких тебе тонкостей о том, что МК имеет порты B, C, D, некоторые A и так далее! А тут просто порядковый номер, написанный на печатной плате. И всё. Так же проще...
Далее. В их язык уже строены команды, которых нет в оригинальном языке Си. Просматриваешь их код и порой просто чертыхаешься - ну чего так то не писать?! То, для чего я должен написать подпрограмму на десяток строк, у них это все заменено одной командой. А таймерами там вообще кошмар. Я всегда знаю какие у меня таймеры задействованы, что они считают и так далее. На сколько я понимаю, в ардуино это все скрыто с глаз подальше. То есть ты сам задаёшь параметры, которые тебе нужны, и система сама разбирается как это выполнить. Иногда это делает не очень эффективно, но нет возможностей что-то исправить, потому как тонкости скрыты. В целом код ардуино и код Си почти одинаковый, за исключением упомянутых выше специальных команд, ну и наверное скорости работы конечной прошивки (и её размер!). За то сколько есть примеров и всяких библиотек под ардуино - жууть. А боюсь, что рано или поздно оно поглотит максимальное количество Си-шников. Я уже задумываюсь хотя бы попробовать что это такое, и даже заказал несколько вариантов ардуино. Лежат уже с год наверное, всё руки не доходят. Или же боюсь, что понравится.

_________________

Поблагодарить автора:
Контакты:
Телеграмм: alexSh154
Вконтакте
Одноквассники
Instagram


Вернуться к началу
 Профиль  
 
СообщениеДобавлено: 17 дек 2016, 12:11 
Не в сети
Заслуженный участник Клуба ЗУ-ОКА275
Аватара пользователя

Зарегистрирован: 14 окт 2016, 19:22
Сообщения: 42
Откуда: Екатеринбург
Авто: Ford Mondeo
Имя: Анатолий
slava77
Вячеслав, зачем что-то устанавливать. Скачайте по моим ссылкам программные оболочки, они собраны на базе avrdude, но с графической оболочкой и portable.
Запускаете, выбираете мк и прошиваете. Всё просто. Кстати оба разработчика с Урала, один с Первоуральска, другой, соавтор, с Челябинска. Удачи.

_________________
С уважением, Анатолий.


Вернуться к началу
 Профиль  
 
СообщениеДобавлено: 17 дек 2016, 13:21 
Не в сети
Site Admin
Аватара пользователя

Зарегистрирован: 10 апр 2007, 22:36
Сообщения: 11260
Откуда: Новосибирск, Дзержинский
Авто: ВАЗ-21043
Имя: Алексей
t56 писал(а):
Скачайте по моим ссылкам программные оболочки, они собраны на базе avrdude, но с графической оболочкой и portable.

slava77, будьте осторожны. Представленные оболочки построены вокруг оригинальной avrdude, которая ничего не знает о программаторе ft232rl. Во всяком случае AVRDUDESHELL. Программа действительно хорошая, и на мой взгляд самая лучшая, что я видел. Пришлось познакомить ее с ft232, настроить другие функции и выложить. Скачать её можно из первого поста данной ветки, но обязательно прочитайте строчки, идущие ниже (или readme внутри архива).

Внимание!!! Программа уже настроена для работы с программатором на основе микросхемы ft232rl!
То есть нужный программатор и порт уже выбраны. Схему программатора можно скачать из первого поста данной ветки, или ищите схему известного всем easyelectronics - мой программатор 90% основан на его схеме, даже распайка сигналов одинаковая.

Ещё внимание прошу! Если микроконтроллер запрограммирован на частоту ниже 4 мГц, то потребуется установить ограничение по скорости (команда -В 2400). Для этого включите кнопочку с изображением большой латинской буквы В, что бы она стала активной. Если МК работает на частоте 4мГц или выше, кнопочку эту отожмите (зачем зря терять время).

Так как программа предварительно настраивалась, то она запомнила пути до вспомогательных папок, лежащих внутри папки с программой (папки с названием avrdude и avrinc). По умолчанию это путь c:\AVRDUDESHELL\ НЕ ПЕРЕНОСИТЕ ПРОГРАММУ В ДРУГУЮ ПАПКУ ИЛИ ДИСК! Если Вы захотите перенести программу в другое место, то программа будет ругаться на то, что она не нашла выше упомянутые папки. Что бы решить проблему, нужно прописать новые пути до выше упомянутых папок. Это можно сделать путем одновременного нажатия клавиш "Ctrl" и "ENTER" в запущенной программе AVRDUDESHELL, далее "Файлы и папки" и там, используя "бродилку" прописать новые пути.

Или можно открыть файл avrdudeshell.exe.ini, лежащий в корне папки AVRDUDESHELL, найти параметры
AVRDUDE=C:\AVRDUDESHELL\avrdude\
AVRINC=C:\AVRDUDESHELL\avrinc\

и прописать в них новые пути, например,
AVRDUDE=D:\MYHOBBY\PROG\AVRDUDESHELL\avrdude\
AVRINC =D:\MYHOBBY\PROG\AVRDUDESHELL\avrinc\

После этого сохранить файл и запустить программу.

PS. Еще мне никак не удалось считать EEPROM. Не знаю почему. Пробовал на Атмега32...
Обновлено 17.10.2017: проблема решена в новой версии avrdude. Архивы обновлены.

_________________

Поблагодарить автора:
Контакты:
Телеграмм: alexSh154
Вконтакте
Одноквассники
Instagram


Вернуться к началу
 Профиль  
 
СообщениеДобавлено: 17 дек 2016, 21:28 
Не в сети
Заслуженный участник Клуба ЗУ-ОКА275
Аватара пользователя

Зарегистрирован: 14 окт 2016, 19:22
Сообщения: 42
Откуда: Екатеринбург
Авто: Ford Mondeo
Имя: Анатолий
Цитата:
slava77, будьте осторожны

Алексей, ну зачем "шугать" людей. Я ведь сразу, как бы, соотнёс программные оболочки к программатору USBASP.
Хотя, если большинство всё ещё сидят на Windows XP и используют com и ещё более древние порты, то таки да.
У меня Windows 8.1 и на материнке компа имеются только USB порты, а эти танцы с бубнами в com строках - нонсенс.

_________________
С уважением, Анатолий.


Вернуться к началу
 Профиль  
 
СообщениеДобавлено: 17 дек 2016, 21:39 
Не в сети
Site Admin
Аватара пользователя

Зарегистрирован: 10 апр 2007, 22:36
Сообщения: 11260
Откуда: Новосибирск, Дзержинский
Авто: ВАЗ-21043
Имя: Алексей
t56 писал(а):
Алексей, ну зачем "шугать" людей. Я ведь сразу, как бы, соотнёс программные оболочки к программатору USBASP.

Для Вас это соотношение очевидно и наглядно, а вот другой совершенно не поймёт о чем речь. Тем более, что и в вашем, и в "моём" программаторе, используется та же avrdude. И потому люди могут подумать, что какая разница. Скачают ваш архив и будут пробовать avrdude запустить с "моим" программатором (повторяю, ведь везде используется avrdude, а то что моя версия патченная, это тоже может быть утеряно из вида). В общем, я вижу, что здесь можно невольно (и даже по невнимательности) попасть в ловушку и потерять много времени. И сам так попадался! Но благодаря моему сообщению эта вероятность сведена к минимуму. Если Вас мое сообщение чем-то огорчило, то простите и не берите в голову - я ничего плохого не преследовал.

t56 писал(а):
У меня Windows 8.1 и на материнке компа имеются только USB порты, а эти танцы с бубнами в com строках - нонсенс.

Тут вас не понял. К компьютеру по USB можно подключить целую кучу древних СОМ-портов, даже к win10.

Если под сом-строками подразумеваются командные файлы типа bat, то тут вовсе напрасно, ибо такой вызов прошивальщика является единственно удобным приёмом быстро обновить прошивку после её пересоздания в "редакторе прошивок". Запустил командный файл и всё прошилось. И никакого графического интерфейса даром не надо.

_________________

Поблагодарить автора:
Контакты:
Телеграмм: alexSh154
Вконтакте
Одноквассники
Instagram


Вернуться к началу
 Профиль  
 
СообщениеДобавлено: 01 фев 2017, 00:15 
Не в сети
Заслуженный участник Клуба ЗУ-ОКА275

Зарегистрирован: 06 ноя 2016, 10:55
Сообщения: 94
Откуда: краснотурьинск
Авто: ваз2107
Имя: вячеслав
Приветствую форумчан! Алексей у меня к вам вопрос по поводу вашего программатора. Какая емкость у конденсатора (отмечено красным элипсом)? Просто на фото готового устройства плохо видно его емкость, а на схеме она не указана. Сразу прошу прощения и не судите строго, просто я почти собрал копию вашего программатора.


Вложения:
prog_мой2.png
prog_мой2.png [ 58.06 КБ | Просмотров: 32104 ]
img-2016-12-13-02-01-09.png
img-2016-12-13-02-01-09.png [ 537.89 КБ | Просмотров: 32104 ]
Вернуться к началу
 Профиль  
 
СообщениеДобавлено: 01 фев 2017, 00:31 
Не в сети
Site Admin
Аватара пользователя

Зарегистрирован: 10 апр 2007, 22:36
Сообщения: 11260
Откуда: Новосибирск, Дзержинский
Авто: ВАЗ-21043
Имя: Алексей
Здравствуйте, Вячеслав! Да любой электролит или тантальчик на 6.3 вольта, 50---100 или вообще сколько получится микрофарад. Он стоит там потому, что на выходе стабилизатора он просто обязан быть во избежание возбудов.

_________________

Поблагодарить автора:
Контакты:
Телеграмм: alexSh154
Вконтакте
Одноквассники
Instagram


Вернуться к началу
 Профиль  
 
СообщениеДобавлено: 01 фев 2017, 15:41 
Не в сети
Заслуженный участник Клуба ЗУ-ОКА275

Зарегистрирован: 06 ноя 2016, 10:55
Сообщения: 94
Откуда: краснотурьинск
Авто: ваз2107
Имя: вячеслав
Алексей спасибо вам за ответ! Буду пробовать.


Вернуться к началу
 Профиль  
 
СообщениеДобавлено: 27 фев 2017, 03:04 
Не в сети
Заслуженный участник Клуба ЗУ-ОКА275

Зарегистрирован: 06 ноя 2016, 10:55
Сообщения: 94
Откуда: краснотурьинск
Авто: ваз2107
Имя: вячеслав
Алексей здравствуйте! Собрал ваш программатор, правда пока попробовать не на чем. Есть второй комплект может кому нибудь нужен сей девайс могу подогнать абсолютно бесплатно (это плата + комплект элементов за исключением емкостей и еще возможно потребуется замена DIP переключателя т.к. на имеющемся движки выполнены за подлицо с корпусом самого переключателя).


Вернуться к началу
 Профиль  
 
СообщениеДобавлено: 27 фев 2017, 09:30 
Не в сети
Site Admin
Аватара пользователя

Зарегистрирован: 10 апр 2007, 22:36
Сообщения: 11260
Откуда: Новосибирск, Дзержинский
Авто: ВАЗ-21043
Имя: Алексей
Здравствуйте, Вячеслав! Как не на чем? А ЗУ для чего? :)

_________________

Поблагодарить автора:
Контакты:
Телеграмм: alexSh154
Вконтакте
Одноквассники
Instagram


Вернуться к началу
 Профиль  
 
СообщениеДобавлено: 27 фев 2017, 13:09 
Не в сети
Заслуженный участник Клуба ЗУ-ОКА275

Зарегистрирован: 06 ноя 2016, 10:55
Сообщения: 94
Откуда: краснотурьинск
Авто: ваз2107
Имя: вячеслав
ЗУ хорошо, отлично, работает - зачем что-то менять. Сейчас собираю регистратор температуры с записью показаний на SD карту как сваяю сей девайс, тогда и попробую.


Вернуться к началу
 Профиль  
 
СообщениеДобавлено: 17 окт 2017, 12:18 
Не в сети
Уже был(а), и не раз, и не два

Зарегистрирован: 15 апр 2017, 19:27
Сообщения: 56
Авто: ВАЗ=2106
Имя: Владимир
https://youtu.be/qNQOWpyFDNc
https://youtu.be/pQt2zM7LuDM
Алексей если будет время подскажите как мне сделать настройки для программатора, спасибо.


Вернуться к началу
 Профиль  
 
СообщениеДобавлено: 18 окт 2017, 00:22 
Не в сети
Site Admin
Аватара пользователя

Зарегистрирован: 10 апр 2007, 22:36
Сообщения: 11260
Откуда: Новосибирск, Дзержинский
Авто: ВАЗ-21043
Имя: Алексей
Здравствуйте, Владимир. Спасибо за видео!
Первое, что я заметил, так это напрасно Вы прописывали переменные окружения. Для графической версии AVRDUDESHELL ничего этого не надо, а требуется это для возможности прошивать МК путём запуска bat-файла. Но для этого не нужна программа AVRDUDESHELL.

Второе. В файле readme я настоятельно просил никуда не переносить программу. Папка с AVRDUDESHELL должна находиться в корне диска "С", никаких переименований папки не допускается! В видеоролике я не увидел данной папки на диске "С", но программа откуда-то запускалась. И так, как она не находит своих файлов, конечно не запускается.

Что делать?
Первое: удалить всё скачанное ранее, ибо как сама программа AVRDUDESHELL, так и avrdude, обновились. Теперь наконец-то решена проблема с чтением-записью EEPROM!
Второе: скачать архив с AVRDUDESHELL. Внутри архива лежит папка AVRDUDESHELL - её надо распаковать в корень диска С, как это у Вас сделано на рабочих компьютерах. Перескачивать архив со схемой и avrdude не требуется.

Что касается переменных окружений - просто удалите то, что прописали. Но можно и оставить - это ничему не помешает.

Если проблема не решится, то не расстраивайтесь: есть "тяжелая артиллерия". Мы состыкуемся в скайпе, вы запустите лицензионную программу (не переживайте - всё останется под вашим контролем!) и я решу проблему. За одно узнаю рецепт её лечения и обязательно поделюсь им всем желающим.

_________________

Поблагодарить автора:
Контакты:
Телеграмм: alexSh154
Вконтакте
Одноквассники
Instagram


Вернуться к началу
 Профиль  
 
СообщениеДобавлено: 18 окт 2017, 23:07 
Не в сети
Site Admin
Аватара пользователя

Зарегистрирован: 10 апр 2007, 22:36
Сообщения: 11260
Откуда: Новосибирск, Дзержинский
Авто: ВАЗ-21043
Имя: Алексей
vlad1962 писал(а):
https://youtu.be/qNQOWpyFDNc
https://youtu.be/pQt2zM7LuDM
Алексей если будет время подскажите как мне сделать настройки для программатора, спасибо.

Владимир, вот пояснения по поводу программатора https://youtu.be/87NgOfHwcFg Это видео с общим обзором и советами, но там есть и ответ непосредственно Вам! наберитесь терпения.

_________________

Поблагодарить автора:
Контакты:
Телеграмм: alexSh154
Вконтакте
Одноквассники
Instagram


Вернуться к началу
 Профиль  
 
СообщениеДобавлено: 19 окт 2017, 22:21 
Не в сети
Участник Клуба ЗУ-ОКА275
Аватара пользователя

Зарегистрирован: 03 ноя 2012, 02:16
Сообщения: 204
Откуда: НСО сДоволное
Авто: ВАЗ-11113
Имя: александр
t56 писал(а):
Коли затронули тему про программаторы, покажу свои простенькие "прожигалки". Для прошивки атмег и тинек использую уже давненько

ну тогда я тоже не в целях рекламы а для рашширения кругозора посоветую присмотреться к "POSTAL 3" (иногда можно встретить название "Postal-AVR", на самом деле это ОДИН И ТОТ ЖЕ программатор!) - универсальный USB-программатор последовательной памяти, работающих по протоколам I2C, SPI, SPI FLASH, MICROWIRE (MWI) и флэш-памяти микроконтроллеров MICRONAS, MSTAR и мультиконтроллеров KB9012.
жаль тока что разобрася во всех примудростях спустя 2 года после начала юзанья до этого шил им епиром да флешки в бытовухе !


Вернуться к началу
 Профиль  
 
Показать сообщения за:  Поле сортировки  
Начать новую тему Ответить на тему  [ Сообщений: 23 ]  На страницу 1, 2  След.

Часовой пояс: UTC + 7 часов


Кто сейчас на конференции

Сейчас этот форум просматривают: нет зарегистрированных пользователей и гости: 3


Вы не можете начинать темы
Вы не можете отвечать на сообщения
Вы не можете редактировать свои сообщения
Вы не можете удалять свои сообщения
Вы не можете добавлять вложения

Найти:
Перейти:  
cron
Powered by phpBB® Forum Software © phpBB Group
Русская поддержка phpBB