Ока в Новосибирске

Клуб Окаводов Новосибирска
Текущее время: 18 ноя 2025, 05:12

Часовой пояс: UTC + 7 часов




Начать новую тему Ответить на тему  [ Сообщений: 11870 ]  На страницу Пред.  1 ... 401, 402, 403, 404, 405, 406, 407 ... 594  След.

Актуальная статистика (не забывайте изменять статус!)
Собрал и буду собирать еще (соседу, свату, брату) 24%  24%  [ 57 ]
Собрал одно ЗУ 21%  21%  [ 49 ]
Уже собираю 28%  28%  [ 67 ]
Интересуюсь, размышляю - собирать или нет. Наверное буду. 26%  26%  [ 63 ]
Не буду собирать это устройство. 1%  1%  [ 3 ]
Всего голосов : 239
Автор Сообщение
СообщениеДобавлено: 11 дек 2017, 14:48 
Не в сети
Заслуженный участник Клуба ЗУ-ОКА275

Зарегистрирован: 19 июл 2017, 00:16
Сообщения: 1022
Имя: Валерий
Вячеслав-1
У меня бп не покупной, а самодельный. Ключи 13009, диодная сборка MBR20200. Все китайское и не вызывает доверия (ключи и диодная сборка). Поэтому решил поинтересоваться, какие стоят в покупных 30 амперных бп.


Вернуться к началу
 Профиль  
 
СообщениеДобавлено: 11 дек 2017, 14:52 
Не в сети
Заслуженный участник Клуба ЗУ-ОКА275

Зарегистрирован: 24 окт 2013, 11:44
Сообщения: 932
Откуда: Чувашия
Авто: КИА РИО 2018
Имя: Вячеслав
Я просто всех Китайцев,имею ввиду ИБП подобные Менвелу и зову менвелами!Всё одинаково!

_________________
С уважением,Вячеслав.73!


Вернуться к началу
 Профиль  
 
СообщениеДобавлено: 11 дек 2017, 15:30 
Не в сети
Заслуженный участник Клуба ЗУ-ОКА275

Зарегистрирован: 19 июл 2017, 00:16
Сообщения: 1022
Имя: Валерий
Вячеслав-1
В схеме из архива на 1 странице, оба варианта правильные или все же правильно как указано красной стрелкой? (схема с зеленой стрелкой, мой вариант соединения).

Изображение


Вернуться к началу
 Профиль  
 
СообщениеДобавлено: 11 дек 2017, 15:33 
Не в сети
Заслуженный участник Клуба ЗУ-ОКА275

Зарегистрирован: 24 окт 2013, 11:44
Сообщения: 932
Откуда: Чувашия
Авто: КИА РИО 2018
Имя: Вячеслав
А в чём разница?

_________________
С уважением,Вячеслав.73!


Вернуться к началу
 Профиль  
 
СообщениеДобавлено: 11 дек 2017, 15:37 
Не в сети
Заслуженный участник Клуба ЗУ-ОКА275

Зарегистрирован: 19 июл 2017, 00:16
Сообщения: 1022
Имя: Валерий
Да просто как то соединено не понятно, один диод с одной сборки, другой диод с другой сборки в плечо. В случае с "зеленым" вариантом и разводить проще.


Последний раз редактировалось NuSen 11 дек 2017, 15:40, всего редактировалось 1 раз.

Вернуться к началу
 Профиль  
 
СообщениеДобавлено: 11 дек 2017, 15:39 
Не в сети
Заслуженный участник Клуба ЗУ-ОКА275

Зарегистрирован: 24 окт 2013, 11:44
Сообщения: 932
Откуда: Чувашия
Авто: КИА РИО 2018
Имя: Вячеслав
Чего не понятного!?И там и там одинаковые выпрямители,двухполупериодные итд!Как Вам удобно при разводке платы делать ,так и поступайте!
В плане симметрии первый вариант лучше!Так и сделано в Менвелах!

_________________
С уважением,Вячеслав.73!


Вернуться к началу
 Профиль  
 
СообщениеДобавлено: 11 дек 2017, 15:47 
Не в сети
Заслуженный участник Клуба ЗУ-ОКА275

Зарегистрирован: 19 июл 2017, 00:16
Сообщения: 1022
Имя: Валерий
Ну вот и разница нашлась. :)


Вернуться к началу
 Профиль  
 
СообщениеДобавлено: 11 дек 2017, 15:51 
Не в сети
Заслуженный участник Клуба ЗУ-ОКА275

Зарегистрирован: 24 окт 2013, 11:44
Сообщения: 932
Откуда: Чувашия
Авто: КИА РИО 2018
Имя: Вячеслав
Да если хорошо поискать, то и из пальца молоко высосать можно!
Кстати,параллельно диодам в БП желательно поставить последовательные цепочки из резистора примерно 10 Ом и конденсатора 10n.На схемах не указаны! А на выход или полистирол или керамику 0,22-1uF на напряжение 50-63В .

_________________
С уважением,Вячеслав.73!


Вернуться к началу
 Профиль  
 
СообщениеДобавлено: 11 дек 2017, 16:03 
Не в сети
Заслуженный участник Клуба ЗУ-ОКА275

Зарегистрирован: 19 июл 2017, 00:16
Сообщения: 1022
Имя: Валерий
Снаббер у меня стоит, керамику поставлю.
viewtopic.php?p=47290#p47290


Вернуться к началу
 Профиль  
 
СообщениеДобавлено: 11 дек 2017, 16:17 
Не в сети
Заслуженный участник Клуба ЗУ-ОКА275

Зарегистрирован: 24 окт 2013, 11:44
Сообщения: 932
Откуда: Чувашия
Авто: КИА РИО 2018
Имя: Вячеслав
Надо на каждую половинку выпрямителя!

_________________
С уважением,Вячеслав.73!


Вернуться к началу
 Профиль  
 
СообщениеДобавлено: 11 дек 2017, 19:13 
Не в сети
Уже был(а), и не раз, и не два

Зарегистрирован: 10 сен 2014, 14:08
Сообщения: 105
Имя: Максим
Вячеслав-1 писал(а):
Надо на каждую половинку выпрямителя!

А при мостовом выпрямлении по 8 снабберов лепить? :shock:


Вложения:
11.jpg
11.jpg [ 28.07 КБ | Просмотров: 11562 ]
Вернуться к началу
 Профиль  
 
СообщениеДобавлено: 11 дек 2017, 19:35 
Не в сети
Заслуженный участник Клуба ЗУ-ОКА275

Зарегистрирован: 24 окт 2013, 11:44
Сообщения: 932
Откуда: Чувашия
Авто: КИА РИО 2018
Имя: Вячеслав
А почему восемь?Может четыре?
Разговор шёл про Менвел!Там так сделано.При мостовом включении я вообще не ставил эти цепочки,правда диоды стоят Шотка 80CPQ150, в Менвеле D92-02 это "ультробыстрые", но это не указание к действию!

_________________
С уважением,Вячеслав.73!


Вернуться к началу
 Профиль  
 
СообщениеДобавлено: 11 дек 2017, 21:19 
Не в сети
Заслуженный участник Клуба ЗУ-ОКА275

Зарегистрирован: 19 июл 2017, 00:16
Сообщения: 1022
Имя: Валерий
Вячеслав-1
Так?

Изображение


Вернуться к началу
 Профиль  
 
СообщениеДобавлено: 11 дек 2017, 22:21 
Не в сети
Заслуженный участник Клуба ЗУ-ОКА275

Зарегистрирован: 24 окт 2013, 11:44
Сообщения: 932
Откуда: Чувашия
Авто: КИА РИО 2018
Имя: Вячеслав
Параллельно диодам, а не полуобмоткам!Хотя я не утверждаю что так правильно,но сравнивая схемотехнику БП разных производителей-параллельно диодам.Китайцы лишние элементы ни когда не поставят,это уж точно!В последних блоках S-350-12 у них всё упрощёно,но снабберные цепи остались!

_________________
С уважением,Вячеслав.73!


Вернуться к началу
 Профиль  
 
СообщениеДобавлено: 11 дек 2017, 22:47 
Не в сети
Заслуженный участник Клуба ЗУ-ОКА275

Зарегистрирован: 19 июл 2017, 00:16
Сообщения: 1022
Имя: Валерий
Так?

Изображение


Вернуться к началу
 Профиль  
 
СообщениеДобавлено: 11 дек 2017, 22:50 
Не в сети
Заслуженный участник Клуба ЗУ-ОКА275

Зарегистрирован: 24 окт 2013, 11:44
Сообщения: 932
Откуда: Чувашия
Авто: КИА РИО 2018
Имя: Вячеслав
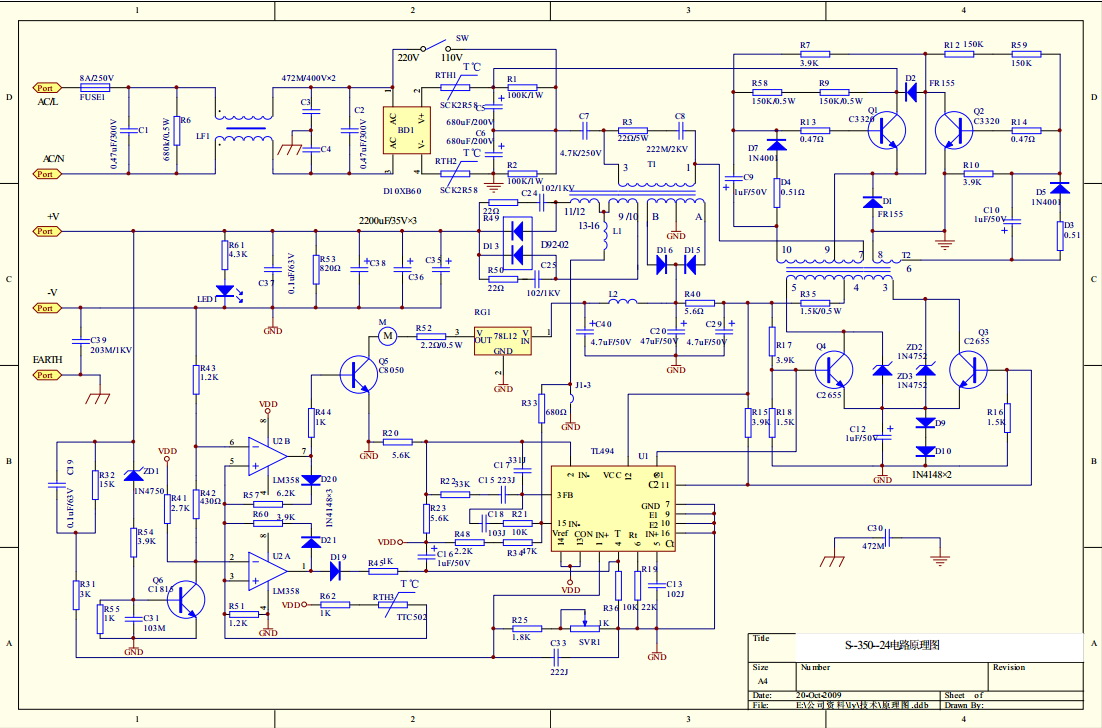
Да!Только конденсаторы ёмкостью 1000пФ.


Вложения:
S-150.pdf [715.31 КБ]
Скачиваний: 257
shema_s-350-24.jpg
shema_s-350-24.jpg [ 231.43 КБ | Просмотров: 11557 ]

_________________
С уважением,Вячеслав.73!
Вернуться к началу
 Профиль  
 
СообщениеДобавлено: 11 дек 2017, 23:11 
Не в сети
Заслуженный участник Клуба ЗУ-ОКА275

Зарегистрирован: 19 июл 2017, 00:16
Сообщения: 1022
Имя: Валерий
Видел эту схему. Может все же оставить снаббер между концами обмоток?

Изображение

Хуже то все равно не будет.


Вернуться к началу
 Профиль  
 
СообщениеДобавлено: 11 дек 2017, 23:15 
Не в сети
Заслуженный участник Клуба ЗУ-ОКА275

Зарегистрирован: 24 окт 2013, 11:44
Сообщения: 932
Откуда: Чувашия
Авто: КИА РИО 2018
Имя: Вячеслав
Хуже наверно не будет!
Снабберы нужны ,как я понимаю,но может не прав,для :
-параллельно обмоткам для гашения выбросов напряжения;
-параллельно диодам для уменьшения коммутационных помех при переключении.
Спецы разъяснят получше,я не специалист в этой области,только повторитель! :D

_________________
С уважением,Вячеслав.73!


Вернуться к началу
 Профиль  
 
СообщениеДобавлено: 11 дек 2017, 23:22 
Не в сети
Заслуженный участник Клуба ЗУ-ОКА275

Зарегистрирован: 19 июл 2017, 00:16
Сообщения: 1022
Имя: Валерий
Хорошо, пусть так и останется. :)


Вернуться к началу
 Профиль  
 
СообщениеДобавлено: 13 дек 2017, 19:10 
Не в сети
Уже был(а), и не раз, и не два

Зарегистрирован: 10 сен 2014, 14:08
Сообщения: 105
Имя: Максим
Вячеслав-1 писал(а):
А почему восемь?Может четыре?
Разговор шёл про Менвел!Там так сделано. При мостовом включении я вообще не ставил эти цепочки,правда диоды стоят Шотка 80CPQ150, в Менвеле D92-02 это "ультробыстрые", но это не указание к действию!

По сути что Менвел, что простой комповой БП, этот узел что там, что там один и тот же... Я думал на каждый диод имеете ввиду) Тоже не стал их ставить, но чет уже пожалел, нужно было на всякий случай поставить)


Вернуться к началу
 Профиль  
 
Показать сообщения за:  Поле сортировки  
Начать новую тему Ответить на тему  [ Сообщений: 11870 ]  На страницу Пред.  1 ... 401, 402, 403, 404, 405, 406, 407 ... 594  След.

Часовой пояс: UTC + 7 часов


Кто сейчас на конференции

Сейчас этот форум просматривают: нет зарегистрированных пользователей и гости: 2


Вы не можете начинать темы
Вы не можете отвечать на сообщения
Вы не можете редактировать свои сообщения
Вы не можете удалять свои сообщения
Вы не можете добавлять вложения

Найти:
Перейти:  
cron
Powered by phpBB® Forum Software © phpBB Group
Русская поддержка phpBB