Ока в Новосибирске

Клуб Окаводов Новосибирска
Текущее время: 25 май 2026, 07:24

Часовой пояс: UTC + 7 часов




Начать новую тему Ответить на тему  [ Сообщений: 1507 ]  На страницу Пред.  1 ... 38, 39, 40, 41, 42, 43, 44 ... 76  След.
Автор Сообщение
СообщениеДобавлено: 27 мар 2018, 10:30 
Не в сети
Участник Клуба ЗУ-ОКА275

Зарегистрирован: 23 янв 2018, 13:06
Сообщения: 125
Откуда: новокузнецк
Авто: subaru xv
Имя: Александр
это на КЭ Q1. ТЛка по прежнему отдельно,БП запитан через транс 50 V. На КЭ Q2 осцила совершенно аналогична.


Вложения:
33.jpg
33.jpg [ 44.93 КБ | Просмотров: 11531 ]
Вернуться к началу
 Профиль  
 
СообщениеДобавлено: 27 мар 2018, 10:36 
Не в сети
Участник Клуба ЗУ-ОКА275

Зарегистрирован: 23 янв 2018, 13:06
Сообщения: 125
Откуда: новокузнецк
Авто: subaru xv
Имя: Александр
Это на выходном трансе. Обмотку ТГР до снятия осцилок привел в рекомендованное состояние, т.е устранил. В сетевое U пока не включал. Резисторы 300к от баз откинуты.


Вложения:
55.jpg
55.jpg [ 45.02 КБ | Просмотров: 11531 ]
Вернуться к началу
 Профиль  
 
СообщениеДобавлено: 27 мар 2018, 15:45 
Не в сети
Заслуженный участник Клуба ЗУ-ОКА275

Зарегистрирован: 19 июл 2017, 00:16
Сообщения: 1022
Имя: Валерий
rv3sbq писал(а):
То что до дросселя 22 а после 12 это вообще нонсенс.
Это можно легко проверить, взять не переделанный компьютерный БП, запустить его и проверить напряжение на микросхеме.


Вернуться к началу
 Профиль  
 
СообщениеДобавлено: 27 мар 2018, 15:47 
Не в сети
Уже был(а), и не раз, и не два

Зарегистрирован: 28 сен 2015, 17:19
Сообщения: 61
Откуда: Рязань
Авто: skoda
Имя: Роман
Мухомор, в целом все вроде хорошо, осцилки кривинькие конечно, но в данном случае это нормально. Что главное-паразитной генерации нет и возбуда тоже(во всяком случае при этом напряжении 50 вольт). В общем рискну дать разрешение на запуск от сети, желательно через лампочку. Я надеюсь запитка тлки от отдельного блока происходит вместе с тгром. У меня лично сделано именно так-тлка и тгр оторваны от штатных цепей и запитаны от дежурки 14 вольт от неё же и питается вся управа нашего чудо заряника.


Вернуться к началу
 Профиль  
 
СообщениеДобавлено: 27 мар 2018, 16:08 
Не в сети
Уже был(а), и не раз, и не два

Зарегистрирован: 28 сен 2015, 17:19
Сообщения: 61
Откуда: Рязань
Авто: skoda
Имя: Роман
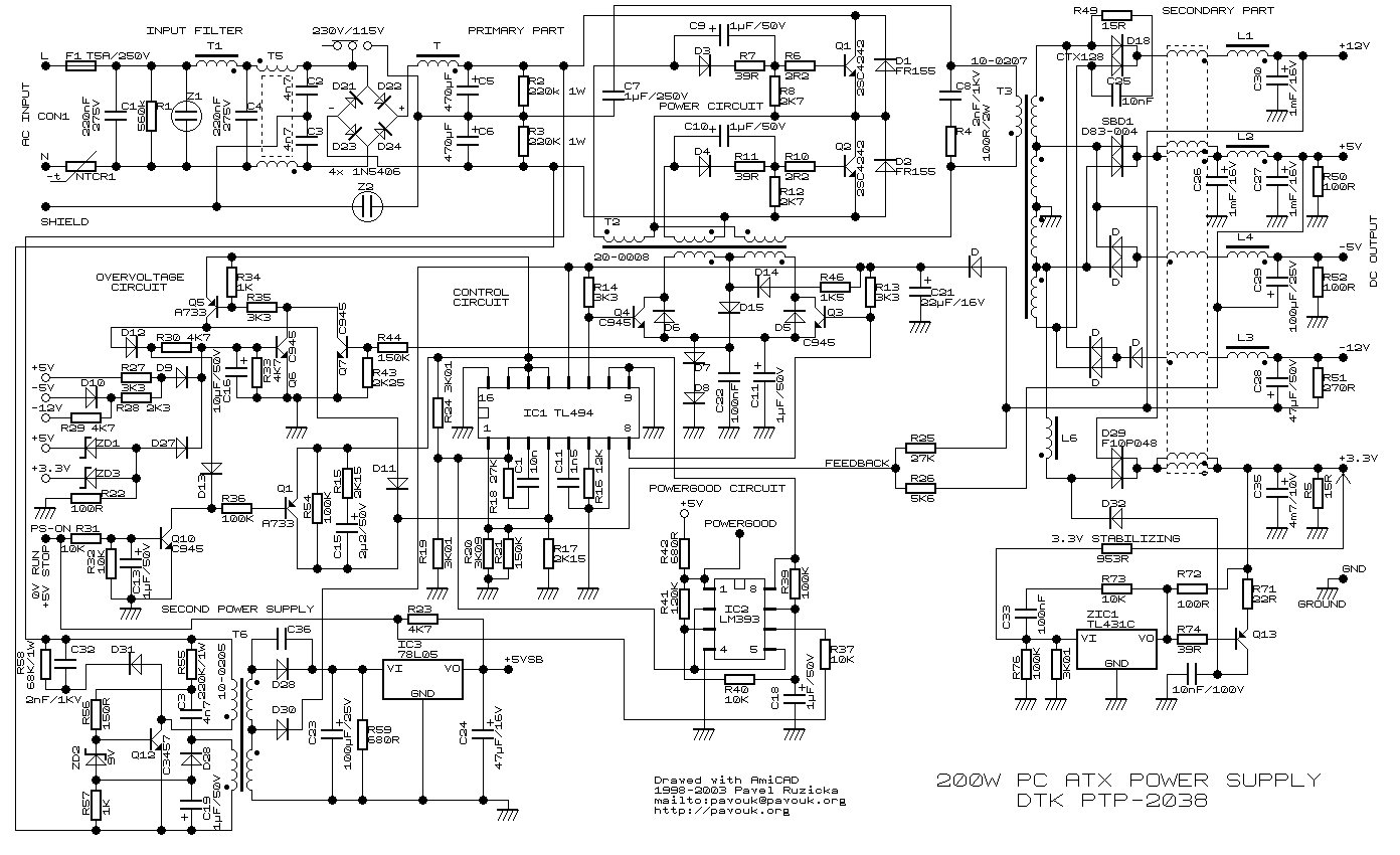
Пожалуйста обьясните как на питании тл 494 может быть 22 вольта. Вот одна из схем.


Вложения:
Комментарий к файлу: Схема компьютерного блока
Схема DTK PTP-2038 на TL494 и LM393 мощностью 250 Вт.png
Схема DTK PTP-2038 на TL494 и LM393 мощностью 250 Вт.png [ 24.56 КБ | Просмотров: 11512 ]
Вернуться к началу
 Профиль  
 
СообщениеДобавлено: 27 мар 2018, 19:07 
Не в сети
Заслуженный участник Клуба ЗУ-ОКА275

Зарегистрирован: 19 июл 2017, 00:16
Сообщения: 1022
Имя: Валерий
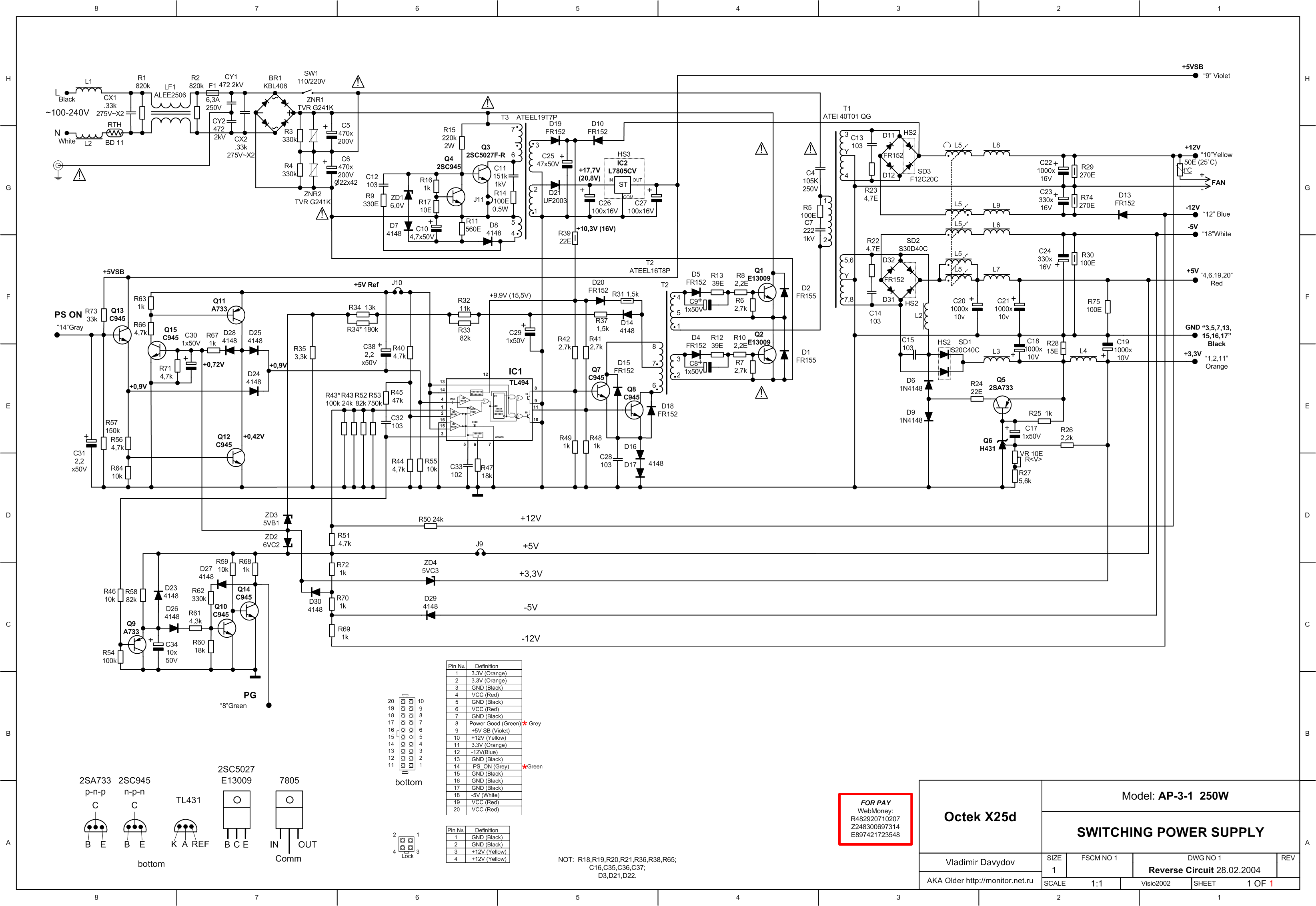
rv3sbq писал(а):
Пожалуйста обьясните как на питании тл 494 может быть 22 вольта. Вот одна из схем.

Ну по этой схеме там будет 12 вольт, так как запитка идет после дросселя.

А вот по этой будет 22 вольта, так как запитка идет до дросселя..


Вложения:
Octek X25d AP_3_1.gif
Octek X25d AP_3_1.gif [ 317.96 КБ | Просмотров: 11485 ]
Вернуться к началу
 Профиль  
 
СообщениеДобавлено: 27 мар 2018, 23:10 
Не в сети
Заслуженный участник Клуба ЗУ-ОКА275

Зарегистрирован: 26 дек 2013, 22:29
Сообщения: 144
Откуда: Санкт-Петербург
Имя: Сергей
Роман, Валерий!
1. При обсуждении величины напряжения питания TL494 и ТГР-а необходимо обратить внимание на то, что в формировании этого напряжения участвует также вспомогательный блок питания ("дежурка"), который "трудится" не только в момент запуска ИБП.
2. Если напряжение для питания TL494 и ТГР-а формируется через отдельный выпрямитель, как в схеме, показанной Валерием, то это напряжение может быть выше, чем с основного выпрямителя, т. к. потребление по этой цепи гораздо меньше, чем по основному каналу, и, после выпрямителя, конденсатор в цепи питания TL494 и ТГР-а заряжается до большего напряжения, чем конденсатор основного канала. Дроссель на это не оказывает никакого влияния.
Успехов!


Вернуться к началу
 Профиль  
 
СообщениеДобавлено: 28 мар 2018, 02:01 
Не в сети
Уже был(а), и не раз, и не два

Зарегистрирован: 28 сен 2015, 17:19
Сообщения: 61
Откуда: Рязань
Авто: skoda
Имя: Роман
Может именно в этой конкретной схеме, да скорее всего там где то 22вольта, но не от того что там запитка до дросселя. Собственно с Сергеем полностью согласен. Спор почти не о чем. Я то хотел сказать что эти самозапиты надо убирать для нашего устройства! Только от отдельно стоящего блока или дежурки-питание должно быть жестко. Для мухомора рекомендую посмотреть видео про ремонт сварочника там информативное видео про тгр https://www.youtube.com/watch?v=I6aDV1yFyjE


Вернуться к началу
 Профиль  
 
СообщениеДобавлено: 28 мар 2018, 02:19 
Не в сети
Заслуженный участник Клуба ЗУ-ОКА275

Зарегистрирован: 19 июл 2017, 00:16
Сообщения: 1022
Имя: Валерий
rv3sbq
В моей печатке, достаточно не впаивать эти 2 диода подпитки, идущие с выхода. Микросхема итак запитывается от бп зарядного 12,6 вольт.

Мне интересно, как будет работать силовой блок без одной обмотки тгр. Ведь намотана она не просто так и у всех производителей она есть. Если бы она была не нужна, то производители не мотали лишние витки, экономя тем самым медь.


Вернуться к началу
 Профиль  
 
СообщениеДобавлено: 28 мар 2018, 02:45 
Не в сети
Заслуженный участник Клуба ЗУ-ОКА275

Зарегистрирован: 26 дек 2013, 22:29
Сообщения: 144
Откуда: Санкт-Петербург
Имя: Сергей
NuSen
Цитата:
Мне интересно, как будет работать силовой блок без одной обмотки тгр. Ведь намотана она не просто так...
Конечно, не просто так - это "стартовая обмотка".
Почитайте в этой теме посты от 12...14 июля 2017 года. Там это обсуждалось.
Успехов!


Последний раз редактировалось SergeyVB 28 мар 2018, 04:35, всего редактировалось 1 раз.

Вернуться к началу
 Профиль  
 
СообщениеДобавлено: 28 мар 2018, 03:02 
Не в сети
Уже был(а), и не раз, и не два

Зарегистрирован: 28 сен 2015, 17:19
Сообщения: 61
Откуда: Рязань
Авто: skoda
Имя: Роман
Так и не впаивайте их!!! Объясняю не в первый раз и русским языком. Эта дополнительная обмотка совместно с резисторами смещения база коллектор дают первоначальный импульс-возбуд для того чтобы появилось напряжение на обмотках выхода, далее запиталась по нормальному тлка и по нормальному начала генерить нормальные импульсы. Питания то нету для первоначального запуска. Вы резисторы то убрали, а отвод то зачем нужен( из-за него то в основном и идет эта паразитная генерация). Первичная обмотка должна быть напрямую подключена к соединению эмитера верхнего и коллектору нижнего транзистора и ни как не через обмотку тгр. Не нужно зацикливаться именно на комповых блоках, гляньте другие аналогичные схемы( нету там этой обмотки). Теперь внимание вопрос как дешевле получить питание для тлки, два резистра с тремя витками или посадить на борт полноценное питание в виде обратноходового преобразователя.


Вернуться к началу
 Профиль  
 
СообщениеДобавлено: 28 мар 2018, 04:20 
Не в сети
Заслуженный участник Клуба ЗУ-ОКА275

Зарегистрирован: 19 июл 2017, 00:16
Сообщения: 1022
Имя: Валерий
SergeyVB
Ну хорошо, стартовая обмотка и пара резисторов для запуска БП без дежурки. Но зачем тогда также сделано в БП с дежуркой? (речь про стартовую обмотку). Для примера выше схема из моего поста.


Вернуться к началу
 Профиль  
 
СообщениеДобавлено: 28 мар 2018, 04:52 
Не в сети
Заслуженный участник Клуба ЗУ-ОКА275

Зарегистрирован: 26 дек 2013, 22:29
Сообщения: 144
Откуда: Санкт-Петербург
Имя: Сергей
Валерий!
Конечно, если использовать для питания TL494 и ТГР-а внешний источник питания, то надобность в дополнительной обмотке отпадает. В этом случае необходимо только обеспечить первоочередность подачи питания на силовые ключи, а, затем, плавный запуск ШИМ-а TL494 (RC-цепь на выводе 4 TL494).


Вернуться к началу
 Профиль  
 
СообщениеДобавлено: 28 мар 2018, 04:59 
Не в сети
Уже был(а), и не раз, и не два

Зарегистрирован: 28 сен 2015, 17:19
Сообщения: 61
Откуда: Рязань
Авто: skoda
Имя: Роман
Ну разработчики по старинке её не удаляют и друг у друга передирают. Звучит конечно не правдоподобно но это так и есть. Да и вообще если хотите ловить проблемы не удаляйте эту обмотку, ни кто же не заставляет, просто рекомендуют. Да и кто говорит что эти комповые блоки питания до переделки работают стабильно? Вот гляньте нормальную схему.


Вложения:
Alim ATX-(200,250,300)W.pdf [385.83 КБ]
Скачиваний: 459
Вернуться к началу
 Профиль  
 
СообщениеДобавлено: 28 мар 2018, 05:45 
Не в сети
Заслуженный участник Клуба ЗУ-ОКА275

Зарегистрирован: 26 дек 2013, 22:29
Сообщения: 144
Откуда: Санкт-Петербург
Имя: Сергей
Цитата:
Да и кто говорит что эти комповые блоки питания до переделки работают стабильно?
Огромное количество стабильно работающих IBM PC, укомплектованных такими ИБП. Другое дело, что они (ИБП) вырабатывают вполне определенные стабильные НЕРЕГУЛИРУЕМЫЕ напряжения. И все элементы (трансформаторы, дроссели, конденсаторы, корректируюшие цепи) рассчитаны именно на эти напряжения и определенный интервал мощности. Когда мы переделываем подобный ИБП в регулируемый, то эти соотношения меняются и, поэтому, могут появляться "возбуды".
Цитата:
Вот гляньте нормальную схему.
А чем она нормальная? (Пресловутая доп. обмотка в нем присутствует ...).
Еще добавлю: формально индуктивность этой обмотки позволяет избавиться от сквозных токов, особенно, если силовые транзисторы не "особо шустрые". (В независимости от того, что TL494 формирует "правильные" сигналы).


Вернуться к началу
 Профиль  
 
СообщениеДобавлено: 28 мар 2018, 06:12 
Не в сети
Уже был(а), и не раз, и не два

Зарегистрирован: 28 сен 2015, 17:19
Сообщения: 61
Откуда: Рязань
Авто: skoda
Имя: Роман
Пардон, я чета не доглядел((( Но да ладно, уснуть не могу мозги бурлят. В этой замечательной литературе все написано, в первой половине атикс блок питания с дежуркой без обмотки, а далее атшник без дежурки с дополнительной обмоткой. Почитать надо конечно полностью, но для искателей истины стр84. Там прямо всё конкретно. Книга Куличков А.В. Импульсные блоки питания для IBM РС . Хотел тут выложить не получается размер большой, кому надо могу прислать на почту если не найдёте. Читайте ,Думайте, Делайте правильные выводы!


Вложения:
impulsnye_bloki_pitaniya_dlya_IBM_PC.jpg
impulsnye_bloki_pitaniya_dlya_IBM_PC.jpg [ 22.63 КБ | Просмотров: 11445 ]
Вернуться к началу
 Профиль  
 
СообщениеДобавлено: 28 мар 2018, 13:38 
Не в сети
Участник Клуба ЗУ-ОКА275

Зарегистрирован: 23 янв 2018, 13:06
Сообщения: 125
Откуда: новокузнецк
Авто: subaru xv
Имя: Александр
rv3sbq, подключил, да согласен, вроде все бы ни чего, только без нагрузки как грелись транзисторы, так и греются, причем без подачи питания на ТЛ 494, но подключенными резисторами К_Э. Мне вообще-то этот LED БП нужен для запитки св.диодных лент, по этому обмотки тгр и резисторы с Б-К нет необходимости отсоединять. Я извиняюсь, может быть я должен искать ответы на другом форуме, но я здесь нашел не мало грамотных людей, пока свой БП+ЗУ собирал. Выложил осцилки чтоб была возможность получить какие -нибудь советы чайнику. :'( Вообще почему могут греться транзисторы без какого - либо сигнала(напряжения )на базах транзисторов относительно их эмиттеров?


Вернуться к началу
 Профиль  
 
СообщениеДобавлено: 28 мар 2018, 15:16 
Не в сети
Заслуженный участник Клуба ЗУ-ОКА275

Зарегистрирован: 26 дек 2013, 22:29
Сообщения: 144
Откуда: Санкт-Петербург
Имя: Сергей
Цитата:
Вообще почему могут греться транзисторы без какого - либо сигнала(напряжения )на базах транзисторов относительно их эмиттеров
Т.е., Вы перемычками "закоротили" переходы база-эмиттер, подали напряжение на коллекторы и транзисторы греются (т.е. через них идет ток)? Если так, то эти транзисторы не подходят для этой схемы по Uкэ проб. (Возможно, некондиция - даже, если из магазина).


Вернуться к началу
 Профиль  
 
СообщениеДобавлено: 28 мар 2018, 15:32 
Не в сети
Уже был(а), и не раз, и не два

Зарегистрирован: 28 сен 2015, 17:19
Сообщения: 61
Откуда: Рязань
Авто: skoda
Имя: Роман
"Ааа Семен семёныч!!!" Так они и будут греться почему только не сгорели? Ведь они просто открыты оба этими резисторами и там без управляющих импульсов сквозняк (нельзя так включать). Опишу мой опыт буквально на той неделе. Задача- переделать блок питания ОЛЕД(схема классика) 12вольт 16ампер в 32 вольта хотябы 7 ампер для небезызвестного китайского лабораторного DPS3012. Для меня задача была разумеется проще простого. Я пересчитал делитель на первой ноге, заменил электролиты, разобрал и перемотал транс силовой. Вроде все должно работать в родном варианте с этими изменениями(ничего не выкусывал и резисторы не убирал). Включаю - "и тут я огреб по полной" Такие сварчуны и пискуны были размером со слона, транс я думал разорвет, на осцилограф даже смотреть страшно. И при всем при этом свои 32 вольта были на выходе. Я просто такого не ожидал! Ну ладно там платой упраления тлку мучаем- но тут то ничего нет! Срезал самозапит, запитался от отдельного. Результат практически нулевой вроде лучше но кардинально ничего хорошего. В итоге что пришлось делать, убрал самозапит, убрал резистры, срезал обмотку с тгр, встроил маленькую дежурку на 15 вольт для питания тлки+тгр. Только после этого блок нормально поднялся. Единственно пока не понял почему выяснил случайно при уже эксплуатации вышла просадка при 3-4 амперах до 8 вольт , до 3 вроде все нормально стабильно 32 держит(без всяких там сварчунов). Есть у меня несколько предположений по этой проблеме , если кто то подскажет буду рад выслушать теорию (витков было намотано 5 я намотал 8 больше не влезло) поэтому шимом то 32 нагоняется но это не хорошо. Думаю если скинуть напряжение до 24 вольт то свои 7 ампер отдаст.


Вернуться к началу
 Профиль  
 
СообщениеДобавлено: 28 мар 2018, 16:19 
Не в сети
Участник Клуба ЗУ-ОКА275

Зарегистрирован: 23 янв 2018, 13:06
Сообщения: 125
Откуда: новокузнецк
Авто: subaru xv
Имя: Александр
С перемычками Б-Э не греются, на мин. делителе, с открытым входом посмотрел осликом, просматриваются маленькие иголки.


Последний раз редактировалось мухомор 29 мар 2018, 13:39, всего редактировалось 1 раз.

Вернуться к началу
 Профиль  
 
Показать сообщения за:  Поле сортировки  
Начать новую тему Ответить на тему  [ Сообщений: 1507 ]  На страницу Пред.  1 ... 38, 39, 40, 41, 42, 43, 44 ... 76  След.

Часовой пояс: UTC + 7 часов


Кто сейчас на конференции

Сейчас этот форум просматривают: нет зарегистрированных пользователей и гости: 1


Вы не можете начинать темы
Вы не можете отвечать на сообщения
Вы не можете редактировать свои сообщения
Вы не можете удалять свои сообщения
Вы не можете добавлять вложения

Найти:
Перейти:  
cron
Powered by phpBB® Forum Software © phpBB Group
Русская поддержка phpBB