Ока в Новосибирске

Клуб Окаводов Новосибирска
Текущее время: 05 ноя 2025, 13:47

Часовой пояс: UTC + 7 часов




Начать новую тему Ответить на тему  [ Сообщений: 11868 ]  На страницу Пред.  1 ... 381, 382, 383, 384, 385, 386, 387 ... 594  След.

Актуальная статистика (не забывайте изменять статус!)
Собрал и буду собирать еще (соседу, свату, брату) 23%  23%  [ 56 ]
Собрал одно ЗУ 21%  21%  [ 49 ]
Уже собираю 28%  28%  [ 67 ]
Интересуюсь, размышляю - собирать или нет. Наверное буду. 27%  27%  [ 64 ]
Не буду собирать это устройство. 1%  1%  [ 3 ]
Всего голосов : 239
Автор Сообщение
СообщениеДобавлено: 10 ноя 2017, 03:06 
Не в сети
Уже тут был(а)

Зарегистрирован: 09 авг 2016, 02:45
Сообщения: 27
Имя: Денис
Спасибо всем за поддержку. Транзисторы куплю не скоро, (какие то редкие они у меня). Потом можно со свежими силами приступать.


Вернуться к началу
 Профиль  
 
СообщениеДобавлено: 10 ноя 2017, 03:11 
Не в сети
Заслуженный участник Клуба ЗУ-ОКА275
Аватара пользователя

Зарегистрирован: 11 янв 2016, 23:49
Сообщения: 217
Откуда: г. Мончегорск Мурманской обл.
Авто: GEELY ATLAS
Имя: Игорь
Фига-се мосфетик, штукарик аккуратненько на Чип и Дипе стоит...
Мне кажется намного проще и дешевле было бы перетряхнуть старый АТХ БП на новую плату - пойти уже пройденным путем, а не заморачиваться с переделкой не известного БП.


Вернуться к началу
 Профиль  
 
СообщениеДобавлено: 10 ноя 2017, 03:13 
Не в сети
Site Admin
Аватара пользователя

Зарегистрирован: 10 апр 2007, 22:36
Сообщения: 11300
Откуда: Новосибирск, Дзержинский
Авто: ВАЗ-21043
Имя: Алексей
maliiv писал(а):
Мне кажется намного проще и дешевле было бы перетряхнуть старый АТХ БП на новую плату - пойти уже пройденным путем, а не заморачиваться с переделкой не известного БП.

Ой, Игорь, а по плечам ли будет? Пусть уж с готовым делает пока, чем с платой заниматься. Это проще.

_________________

Поблагодарить автора:
Контакты:
Телеграмм: alexSh154
Вконтакте
Одноквассники
Instagram


Вернуться к началу
 Профиль  
 
СообщениеДобавлено: 10 ноя 2017, 03:17 
Не в сети
Site Admin
Аватара пользователя

Зарегистрирован: 10 апр 2007, 22:36
Сообщения: 11300
Откуда: Новосибирск, Дзержинский
Авто: ВАЗ-21043
Имя: Алексей
maliiv писал(а):
Фига-се мосфетик, штукарик аккуратненько на Чип и Дипе стоит...

на "Алиночке" вродь как 400р пара - https://ru.aliexpress.com/item/2PCS-LOT ... 599e8eb4b5

Кстати, в первый раз вижу МОСФЕТ совместно с TL494. До этого видел исключительно биполярники. Чего я не понимаю?

_________________

Поблагодарить автора:
Контакты:
Телеграмм: alexSh154
Вконтакте
Одноквассники
Instagram


Вернуться к началу
 Профиль  
 
СообщениеДобавлено: 10 ноя 2017, 03:22 
Не в сети
Уже тут был(а)

Зарегистрирован: 09 авг 2016, 02:45
Сообщения: 27
Имя: Денис
oka275 писал(а):
maliiv писал(а):

Кстати, в первый раз вижу МОСФЕТ совместно с TL494. До этого видел исключительно биполярники. Чего я не понимаю?

Тоже этот момент удивил


Вернуться к началу
 Профиль  
 
СообщениеДобавлено: 10 ноя 2017, 03:24 
Не в сети
Заслуженный участник Клуба ЗУ-ОКА275
Аватара пользователя

Зарегистрирован: 11 янв 2016, 23:49
Сообщения: 217
Откуда: г. Мончегорск Мурманской обл.
Авто: GEELY ATLAS
Имя: Игорь
oka275 писал(а):
maliiv писал(а):
Кстати, в первый раз вижу МОСФЕТ совместно с TL494. До этого видел исключительно биполярники. Чего я не понимаю?

Такая же хрень...поэтому и написал, что не известный, схемы нет...ковыряться в слепую. Хрен еще и знает, что там наворочено. Может какие нить свои и подводные камни есть. Мы думаем одно, а на самом деле, там может быть все намного хитрее. Как там реализовано все? Я где то видел ТЛ так как то по хитрому была включена...уж не помню где.


Вернуться к началу
 Профиль  
 
СообщениеДобавлено: 10 ноя 2017, 03:26 
Не в сети
Site Admin
Аватара пользователя

Зарегистрирован: 10 апр 2007, 22:36
Сообщения: 11300
Откуда: Новосибирск, Дзержинский
Авто: ВАЗ-21043
Имя: Алексей
Денис, а можно фото блока питания? Ну хоть общее... В смысле не корпуса, а фото платы.

_________________

Поблагодарить автора:
Контакты:
Телеграмм: alexSh154
Вконтакте
Одноквассники
Instagram


Вернуться к началу
 Профиль  
 
СообщениеДобавлено: 10 ноя 2017, 03:35 
Не в сети
Уже тут был(а)

Зарегистрирован: 09 авг 2016, 02:45
Сообщения: 27
Имя: Денис
Вложение:
Honeyview_IMG_20171108_201200.jpg
Honeyview_IMG_20171108_201200.jpg [ 222.16 КБ | Просмотров: 10557 ]


Такая же хрень...поэтому и написал, что не известный, схемы нет...ковыряться в слепую. Хрен еще и знает, что там наворочено. Может какие нить свои и подводные камни есть. Мы думаем одно, а на самом деле, там может быть все намного хитрее. Как там реализовано все? Я где то видел ТЛ так как то по хитрому была включена...уж не помню где.[/quote]

Схема там действительно отличается. Но с доработками работало как в инструкции.
Эпкосы это я впаял.


Вернуться к началу
 Профиль  
 
СообщениеДобавлено: 10 ноя 2017, 03:36 
Не в сети
Уже тут был(а)

Зарегистрирован: 09 авг 2016, 02:45
Сообщения: 27
Имя: Денис
Общий вид


Вложения:
Honeyview_IMG_20171109_231905.jpg
Honeyview_IMG_20171109_231905.jpg [ 161.36 КБ | Просмотров: 10557 ]
Вернуться к началу
 Профиль  
 
СообщениеДобавлено: 10 ноя 2017, 03:38 
Не в сети
Site Admin
Аватара пользователя

Зарегистрирован: 10 апр 2007, 22:36
Сообщения: 11300
Откуда: Новосибирск, Дзержинский
Авто: ВАЗ-21043
Имя: Алексей
А это чего за клоп 8-ми ногий DIP справа от силового транса? Драйвер что ли? Или скорее лм358

_________________

Поблагодарить автора:
Контакты:
Телеграмм: alexSh154
Вконтакте
Одноквассники
Instagram


Вернуться к началу
 Профиль  
 
СообщениеДобавлено: 10 ноя 2017, 03:44 
Не в сети
Уже тут был(а)

Зарегистрирован: 09 авг 2016, 02:45
Сообщения: 27
Имя: Денис
VIPer22A
F94643 (маркировка на нем)
5,6,7,8 ножки спаяны в кучу.


Вернуться к началу
 Профиль  
 
СообщениеДобавлено: 10 ноя 2017, 04:15 
Не в сети
Заслуженный участник Клуба ЗУ-ОКА275
Аватара пользователя

Зарегистрирован: 01 апр 2012, 16:43
Сообщения: 469
Откуда: Самое Популярное Болото ;)
Авто: 11113, Almera Classi
Имя: Владимир
oka275 писал(а):
А это чего за клоп 8-ми ногий DIP справа от силового транса?

Вероятно питание 494, может быть еще и дежурка

_________________
КамАЗ 11113 для души, Nissan Almera Classic для остального


Вернуться к началу
 Профиль  
 
СообщениеДобавлено: 10 ноя 2017, 04:48 
Не в сети
Site Admin
Аватара пользователя

Зарегистрирован: 10 апр 2007, 22:36
Сообщения: 11300
Откуда: Новосибирск, Дзержинский
Авто: ВАЗ-21043
Имя: Алексей
Реально экзотика. Впервые вижу промышленный БП с дежуркой.

_________________

Поблагодарить автора:
Контакты:
Телеграмм: alexSh154
Вконтакте
Одноквассники
Instagram


Вернуться к началу
 Профиль  
 
СообщениеДобавлено: 10 ноя 2017, 05:12 
Не в сети
Заслуженный участник Клуба ЗУ-ОКА275
Аватара пользователя

Зарегистрирован: 01 апр 2012, 16:43
Сообщения: 469
Откуда: Самое Популярное Болото ;)
Авто: 11113, Almera Classi
Имя: Владимир
Даже если не дежурка, а просто питание 494 - это проще и стабильнее, чем автогенератор. В моем БП примерно так же, на KA1H0165R. Мощности канала 12 В (канал 5 В - просто отвод вторички со своим выпрямителем) хватает, чтобы питать еще и плату управления, чем я и воспользовался, получив источник "12.6 В".

_________________
КамАЗ 11113 для души, Nissan Almera Classic для остального


Вернуться к началу
 Профиль  
 
СообщениеДобавлено: 10 ноя 2017, 20:09 
Не в сети
Уже был(а), и не раз, и не два

Зарегистрирован: 10 сен 2014, 14:08
Сообщения: 105
Имя: Максим
Всем привет) Почитал последние сообщения и прям вспомнил себя, когда начал собирать первое ЗУ... Было кстати то совсем не так давно, раньше с электроникой вообще дел не имел и года 3 назад начал осваивать микроконтроллеры и утянуло меня в электронику по уши) Первое ЗУ собирал по схеме Слона, переделывать плату БП, выпаивая и впаивая элементы было очень сложно и я пошел другим путем, нашел БП, схемку на него и вытравил свою плату, куда были перемещены все нужные компоненты. Ошибок было очень много и переделывал я эту плату раз 5 точно, улучшая, причесывая ее... Запустить ЗУ Слона мне не удалось, т.к. не удалось подружить плату управления с платой БП, как оказалось плата управления была полностью рабочей, а причина была в хреновой дежурке, которая проседала при включении зарядки и устройство перезагружалось. Далее было найдено ЗУ Алексея и собрано с многочисленными ошибками, кучей сгоревших транзисторов и прочих элементов, но трудится до сих пор, хотя уже готовлю ему замену) Очень много стоил нервов собранный самим последний БП, который наотрез отказывался нормально работать и в нем были перепаяны 50% элементов по несколько раз, а в итоге оказалось просто задающая частота маленькая и поменяв все заработало очень хорошо) Не ошибается тот, кто ничего не делает... Удачи в этом нелегком деле)


Вернуться к началу
 Профиль  
 
СообщениеДобавлено: 10 ноя 2017, 22:20 
Не в сети
Заслуженный участник Клуба ЗУ-ОКА275
Аватара пользователя

Зарегистрирован: 11 янв 2016, 23:49
Сообщения: 217
Откуда: г. Мончегорск Мурманской обл.
Авто: GEELY ATLAS
Имя: Игорь
vakulyuk писал(а):
Всем привет) Почитал последние сообщения и прям вспомнил себя, когда начал собирать первое ЗУ... Было кстати то совсем не так давно, раньше с электроникой вообще дел не имел и года 3 назад начал осваивать микроконтроллеры и утянуло меня в электронику по уши) Первое ЗУ собирал по схеме Слона, переделывать плату БП, выпаивая и впаивая элементы было очень сложно и я пошел другим путем, нашел БП, схемку на него и вытравил свою плату, куда были перемещены все нужные компоненты. Ошибок было очень много и переделывал я эту плату раз 5 точно, улучшая, причесывая ее... Запустить ЗУ Слона мне не удалось, т.к. не удалось подружить плату управления с платой БП, как оказалось плата управления была полностью рабочей, а причина была в хреновой дежурке, которая проседала при включении зарядки и устройство перезагружалось. Далее было найдено ЗУ Алексея и собрано с многочисленными ошибками, кучей сгоревших транзисторов и прочих элементов, но трудится до сих пор, хотя уже готовлю ему замену) Очень много стоил нервов собранный самим последний БП, который наотрез отказывался нормально работать и в нем были перепаяны 50% элементов по несколько раз, а в итоге оказалось просто задающая частота маленькая и поменяв все заработало очень хорошо) Не ошибается тот, кто ничего не делает... Удачи в этом нелегком деле)

Было дело. Чудес много всяких разных бывает. Я вот к примеру так и не нашел внятного объяснения для себя про поведение ТЛ. Несколько ИБП собранных на разных платах, спокойно работали от дежурки 12 В. Мое же зарядное, при наладке, вынесло весь мозг (многие здесь помнят этот случай). Зарядное сына, на 18 В дежурке, заработало сразу, а мое на 12 В, пищало, трещало, прямо ЭМИ. И пока серьезно не передербанил цепи коррекции ТЛ, не помогло ничего. Куча ТЛ была заменена, все то же самое. А ведь я до этого, делал подобные ИБП, и ТЛ кормил 12 В. Я понимаю, что ТЛ питается 18-20 В, но...??? Так я ничего и не понял. У сына зарядное работает с "родными" по схеме цепями коррекции, и питается от 18 В, а ПУ через преобразователь на 12 В. У меня же тоже все прекрасно работает, но в обвязке все перевернуто наизнанку. А мое зарядное от слона работает с дежуркой 12 В тоже с "родной" коррекцией...Так что все это кропотливое дело. Если не добиваться своего, то ни хрена и не получится.


Вернуться к началу
 Профиль  
 
СообщениеДобавлено: 10 ноя 2017, 23:28 
Не в сети
Уже был(а) и не раз

Зарегистрирован: 08 ноя 2016, 15:03
Сообщения: 37
Имя: Алексей
Если кому нужна ПУ Слона, пишите вышлю. Не нужна она мене теперь :)


Вернуться к началу
 Профиль  
 
СообщениеДобавлено: 11 ноя 2017, 02:31 
Не в сети
Заслуженный участник Клуба ЗУ-ОКА275

Зарегистрирован: 14 мар 2014, 16:47
Сообщения: 596
Имя: Сергей
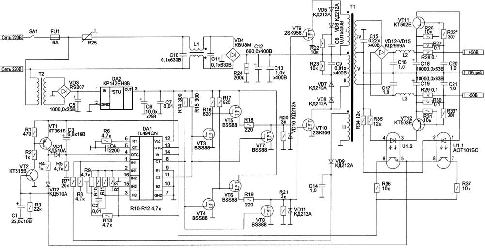
TL494 вяжется и с полевиками,все зависит от трансформатора ТГР,тут ничего удивительного нет.Вот вам еще мостовая схема на TL494 с полевиками.
maliiv Тут все просто объясняется,перед тем как снять ТГР с донора,желательно знать питание TL494 именно в этом доноре,потому как ТГР расчитывается и наматывается на напряжения питания TL494.На старых блоках питания TL494 питались и от 18 вольт,и от 24 вольт,попадались даже с питанием 28 вольт.Вот такой вот каламбур


Вложения:
5-166-2.jpg
5-166-2.jpg [ 69.12 КБ | Просмотров: 10511 ]
Вернуться к началу
 Профиль  
 
СообщениеДобавлено: 11 ноя 2017, 02:50 
Не в сети
Заслуженный участник Клуба ЗУ-ОКА275

Зарегистрирован: 14 мар 2014, 16:47
Сообщения: 596
Имя: Сергей
Вот еще одна схема с полевиками и трансформатором ТГР в электронном виде искать лень,но где то лежит на компе.Эту схему пробовал собирать,работает прилично и без гемороя.
Вот,нашел схему в электронном виде.Мож кому нужно будет


Вложения:
schemat calosci.pdf [28.01 КБ]
Скачиваний: 376
SNC11601.JPG
SNC11601.JPG [ 328.61 КБ | Просмотров: 10509 ]


Последний раз редактировалось serg1968-09 11 ноя 2017, 02:58, всего редактировалось 1 раз.
Вернуться к началу
 Профиль  
 
СообщениеДобавлено: 11 ноя 2017, 02:56 
Не в сети
Site Admin
Аватара пользователя

Зарегистрирован: 10 апр 2007, 22:36
Сообщения: 11300
Откуда: Новосибирск, Дзержинский
Авто: ВАЗ-21043
Имя: Алексей
Здравствуйте, Сергей! Как я посмотрю, в схемах на полевиках/мосфетах упорно применяется внешнее питание для TL494. Напрашивается вывод о том, что автостарт и самопитание TL494, который успешно применяется в схемах на биполярниках, тут работает нестабильно или не возможно в принципе?

_________________

Поблагодарить автора:
Контакты:
Телеграмм: alexSh154
Вконтакте
Одноквассники
Instagram


Вернуться к началу
 Профиль  
 
Показать сообщения за:  Поле сортировки  
Начать новую тему Ответить на тему  [ Сообщений: 11868 ]  На страницу Пред.  1 ... 381, 382, 383, 384, 385, 386, 387 ... 594  След.

Часовой пояс: UTC + 7 часов


Кто сейчас на конференции

Сейчас этот форум просматривают: нет зарегистрированных пользователей и гости: 1


Вы не можете начинать темы
Вы не можете отвечать на сообщения
Вы не можете редактировать свои сообщения
Вы не можете удалять свои сообщения
Вы не можете добавлять вложения

Найти:
Перейти:  
cron
Powered by phpBB® Forum Software © phpBB Group
Русская поддержка phpBB