Ока в Новосибирске

Клуб Окаводов Новосибирска
Текущее время: 25 май 2026, 10:53

Часовой пояс: UTC + 7 часов




Начать новую тему Ответить на тему  [ Сообщений: 11905 ]  На страницу Пред.  1 ... 304, 305, 306, 307, 308, 309, 310 ... 596  След.

Актуальная статистика (не забывайте изменять статус!)
Собрал и буду собирать еще (соседу, свату, брату) 24%  24%  [ 57 ]
Собрал одно ЗУ 21%  21%  [ 51 ]
Уже собираю 28%  28%  [ 66 ]
Интересуюсь, размышляю - собирать или нет. Наверное буду. 26%  26%  [ 63 ]
Не буду собирать это устройство. 1%  1%  [ 3 ]
Всего голосов : 240
Автор Сообщение
СообщениеДобавлено: 05 окт 2016, 00:25 
Не в сети
Site Admin
Аватара пользователя

Зарегистрирован: 10 апр 2007, 22:36
Сообщения: 11266
Откуда: Новосибирск, Дзержинский
Авто: ВАЗ-21043
Имя: Алексей
sobolew писал(а):
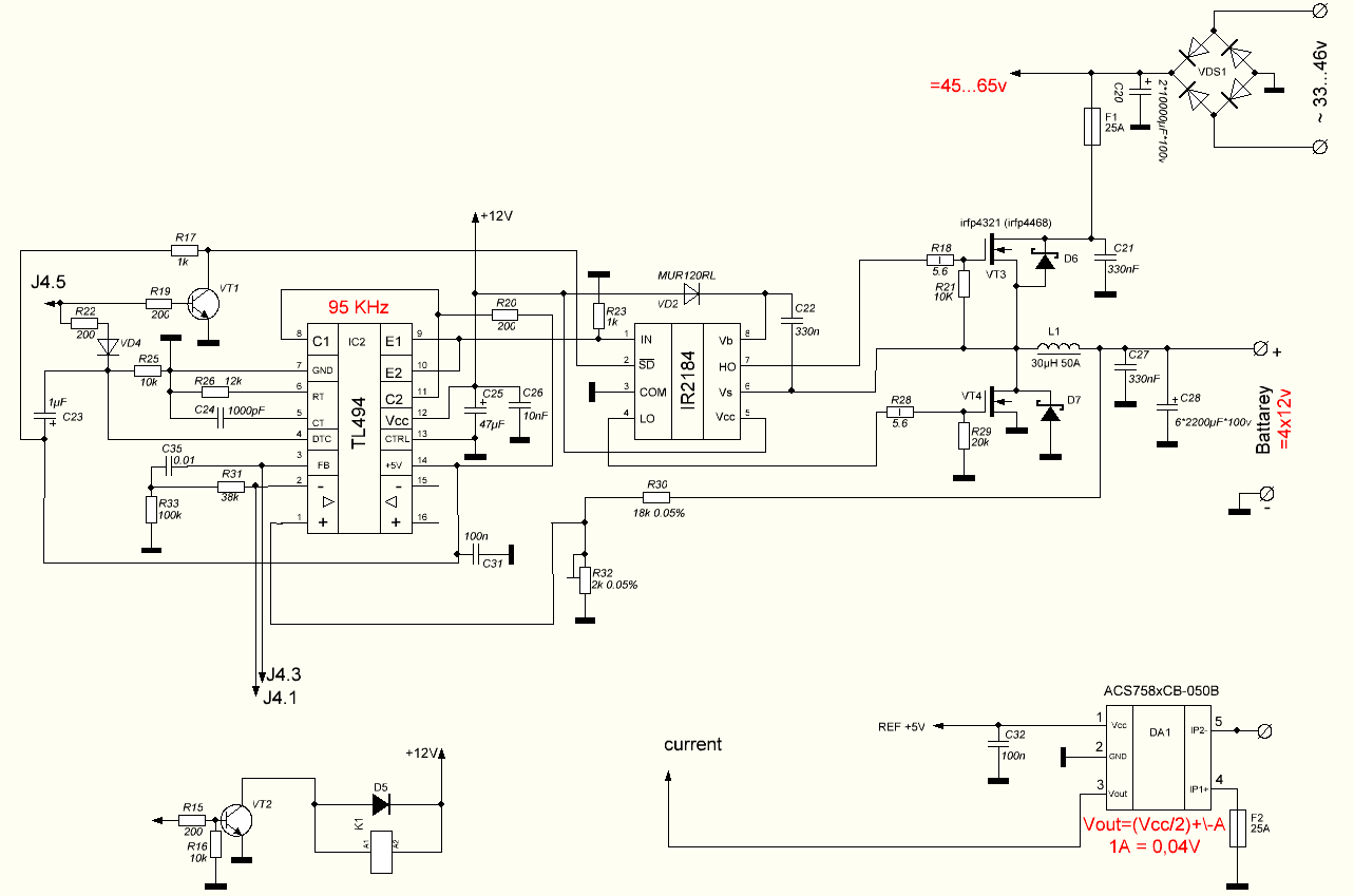
Замкнув на силовом ИБП 2 и 14 ножки TL494 могу поднять напряжение максимум до 26,6 вольт (минимальное 24 вольта).

Привет, Андрей! Какое при этом напряжение на первой ножке TL494???

_________________

Поблагодарить автора:
Контакты:
Телеграмм: alexSh154
Вконтакте
Одноквассники
Instagram


Вернуться к началу
 Профиль  
 
СообщениеДобавлено: 05 окт 2016, 00:40 
Не в сети
Уже был(а), и не раз, и не два
Аватара пользователя

Зарегистрирован: 20 мар 2013, 19:50
Сообщения: 100
Откуда: Енакиево ДНР
Авто: Aveo
Имя: Андрей
Алексей, доброй ночи. При подстроечном 1кОм - на 1 ноге 4,97 вольта, на выходе силового БП 20 вольт, при 4,8 вольтах на 1 ноге TL на выходе 26 вольт. дальше напряжение на 1 ноге уменьшается напряжение на выходе БП неизменно 26 вольт.


Вернуться к началу
 Профиль  
 
СообщениеДобавлено: 05 окт 2016, 01:42 
Не в сети
Site Admin
Аватара пользователя

Зарегистрирован: 10 апр 2007, 22:36
Сообщения: 11266
Откуда: Новосибирск, Дзержинский
Авто: ВАЗ-21043
Имя: Алексей
sobolew писал(а):
дальше напряжение на 1 ноге уменьшается

... это и говорит о том, что достигнут потолок, что TL494 уже газует на всю катушку, но выше 26 вольт перепрыгнуть не может. Достигнут потолок для данного ЗУ. Или что-то с обмотками ошибся, или может частота преобразования существенно снизилась (как вариант).

_________________

Поблагодарить автора:
Контакты:
Телеграмм: alexSh154
Вконтакте
Одноквассники
Instagram


Вернуться к началу
 Профиль  
 
СообщениеДобавлено: 05 окт 2016, 02:28 
Не в сети
Уже был(а), и не раз, и не два
Аватара пользователя

Зарегистрирован: 20 мар 2013, 19:50
Сообщения: 100
Откуда: Енакиево ДНР
Авто: Aveo
Имя: Андрей
Каким образом можно поднять частоту TL494?


Вернуться к началу
 Профиль  
 
СообщениеДобавлено: 05 окт 2016, 11:38 
Не в сети
Site Admin
Аватара пользователя

Зарегистрирован: 10 апр 2007, 22:36
Сообщения: 11266
Откуда: Новосибирск, Дзержинский
Авто: ВАЗ-21043
Имя: Алексей
sobolew писал(а):
Каким образом можно поднять частоту TL494?

прежде нужно убедиться в том, что она действительно упала ниже нормы. Я так понимаю, что ты домотал еще 8 витков (что-то много даже), но напряжение так и не повысилось, или повысилось не сильно. Да?

Из интернетов:
В состав TL494 входит задающий генератор пилообразного напряжения, частота которого задается внешним резистором R конденсатором C и может быть приближенно определена по формуле f=1/(C*R).
R включается между выводами 6 и 7 (GND), а C между выводами 5 и 7 (GND). Амплитуда "пилы" не зависит от номиналов R1 и C1 и приблизительно равна 4В.


Разумеется то, что поднимать частоту можно не до бесконечности. Полагаю, что не нужно описывать все происходящее в БП с её ростом. Как только пойдут какие-то артефакты, вроде нагрева или свистов, то дальнейший рост частоты следует прекратить.

_________________

Поблагодарить автора:
Контакты:
Телеграмм: alexSh154
Вконтакте
Одноквассники
Instagram


Вернуться к началу
 Профиль  
 
СообщениеДобавлено: 05 окт 2016, 13:53 
Не в сети
Заслуженный участник Клуба ЗУ-ОКА275

Зарегистрирован: 24 окт 2013, 11:44
Сообщения: 933
Откуда: Чувашия
Авто: КИА РИО 2018
Имя: Вячеслав
sobolew писал(а):
Каким образом можно поднять частоту TL494?

Вот ссылка на русском языке хорошая по применению 494!
http://fb.ru/article/196093/tl-cn-shema ... azovatelya

_________________
С уважением,Вячеслав.73!


Вернуться к началу
 Профиль  
 
СообщениеДобавлено: 05 окт 2016, 23:06 
Не в сети
Уже был(а), и не раз, и не два
Аватара пользователя

Зарегистрирован: 20 мар 2013, 19:50
Сообщения: 100
Откуда: Енакиево ДНР
Авто: Aveo
Имя: Андрей
Спасибо, буду разбираться. На работе нашел точно такой ИБП, отремонтирую и буду на нем экспериментировать. Перемотав транс я надеялся получить до 35 вольт :sorry:


Вернуться к началу
 Профиль  
 
СообщениеДобавлено: 06 окт 2016, 10:54 
Не в сети
Заслуженный участник Клуба ЗУ-ОКА275

Зарегистрирован: 24 окт 2013, 11:44
Сообщения: 933
Откуда: Чувашия
Авто: КИА РИО 2018
Имя: Вячеслав
sobolew писал(а):
Спасибо, буду разбираться. На работе нашел точно такой ИБП, отремонтирую и буду на нем экспериментировать. Перемотав транс я надеялся получить до 35 вольт :sorry:

Поставьте мост и будет Вам счастье!И перематывать не придётся!

_________________
С уважением,Вячеслав.73!


Вернуться к началу
 Профиль  
 
СообщениеДобавлено: 06 окт 2016, 11:40 
Не в сети
Участник Клуба ЗУ-ОКА275

Зарегистрирован: 17 июн 2016, 15:27
Сообщения: 50
Имя: Иван
sobolew писал(а):
Спасибо, буду разбираться. На работе нашел точно такой ИБП, отремонтирую и буду на нем экспериментировать. Перемотав транс я надеялся получить до 35 вольт :sorry:


Еще делитель напряжения для ацп перенастроить (R11,R12 и R18,R20) придется... т.к. они примерно до 30в. И чем шире диапазон напряжений - тем больше погрешность. Как то так...

По идее на холостом ходу транс должен выдать 35в. Проверьте "ограничитель" напряжения TL494 (RV1, R1)...или что то еще может мешать полной раскачке трансформатора.


Вернуться к началу
 Профиль  
 
СообщениеДобавлено: 06 окт 2016, 12:24 
Не в сети
Site Admin
Аватара пользователя

Зарегистрирован: 10 апр 2007, 22:36
Сообщения: 11266
Откуда: Новосибирск, Дзержинский
Авто: ВАЗ-21043
Имя: Алексей
BBAAHHOO писал(а):
Еще делитель напряжения для ацп перенастроить (R11,R12 и R18,R20) придется... т.к. они примерно до 30в.

точно!

BBAAHHOO писал(а):
И чем шире диапазон напряжений - тем больше погрешность.

потому что у АЦП всего 4095 шагов отсчета. Чем выше напряжение, тем больше приходится вольт на 1 шаг. Тем грубее будет выставляться напряжение на выходе БП.

BBAAHHOO писал(а):
Проверьте "ограничитель" напряжения TL494 (RV1, R1).

Я не даром спросил про напряжение на 1й ножке TL494. Было бы там 5 вольт, то это бы означало вступление TL494 в ограничение по напряжению. Но напряжение было существенно ниже, что говорит о том, что TL494 работает на полных парах и выше напряжение уже не станет.

_________________

Поблагодарить автора:
Контакты:
Телеграмм: alexSh154
Вконтакте
Одноквассники
Instagram


Вернуться к началу
 Профиль  
 
СообщениеДобавлено: 08 окт 2016, 00:42 
Не в сети
Уже тут был(а)

Зарегистрирован: 20 янв 2016, 15:57
Сообщения: 20
Имя: Александр
Всем добрый вечер!
Нашлось немного времени чтобы продолжить сборку зарядки.
Блок питания буду использовать Delta ESR-48/30 (сегодня перепаял - теперь выходное напряжение 65В). Низковольтная часть будет на модуле PKF5113 Si (Uin:18-75; Uout 12-12V 11W). Планирую использовать такую примочку (скриншот добавляю), 15-16 ноги пока не придумал что с ними делать.
Прошу Ваших комментариев :)


Вложения:
adj.png
adj.png [ 66.6 КБ | Просмотров: 16329 ]
Вернуться к началу
 Профиль  
 
СообщениеДобавлено: 08 окт 2016, 09:25 
Не в сети
Заслуженный участник Клуба ЗУ-ОКА275

Зарегистрирован: 24 окт 2013, 11:44
Сообщения: 933
Откуда: Чувашия
Авто: КИА РИО 2018
Имя: Вячеслав
Интересно где люди берут подстроечники с 0,05процентным допуском? Ссылку дайте!

_________________
С уважением,Вячеслав.73!


Вернуться к началу
 Профиль  
 
СообщениеДобавлено: 08 окт 2016, 11:17 
Не в сети
Site Admin
Аватара пользователя

Зарегистрирован: 10 апр 2007, 22:36
Сообщения: 11266
Откуда: Новосибирск, Дзержинский
Авто: ВАЗ-21043
Имя: Алексей
mren писал(а):
Планирую использовать такую примочку (скриншот добавляю), 15-16 ноги пока не придумал что с ними делать.
Прошу Ваших комментариев :)

Добрый день! Ну а что тут комментировать? Подобные приставки наверное никто не тестировал - все собирают ЗУ на основе классического импульсного БП. Но раз шим-контроллеры одинаковые, то наверное работать должно. Пугает лишь только сильно высокое напряжение (я рассчитывал на 30в максимальные). Расскажите потом что получилось, пожалуйста.

_________________

Поблагодарить автора:
Контакты:
Телеграмм: alexSh154
Вконтакте
Одноквассники
Instagram


Вернуться к началу
 Профиль  
 
СообщениеДобавлено: 08 окт 2016, 14:25 
Не в сети
Уже тут был(а)

Зарегистрирован: 20 янв 2016, 15:57
Сообщения: 20
Имя: Александр
По резисторам, ссылку не дам. В Киеве на радиорынке есть человек который торгует "запасами" выводных резисторов с допуском 0.05 и даже некоторыми номиналами до 0.001 - правда и цена там соответствующая. Где он взял и так понятно. При мне покупали 1кОм с допуском 0.001 - так запросили 10 баксов за 1 один.
Я же в схеме написал сам себе, чтобы потом сделать выборку из 0,1 (подстроечник тоже заменю на обычный).

Алексей, Вы ранее писали что по возможности сможете поднять програмные настройки. Я когда полностью сделаю устройство на текущей прошивке, попрошу Вас поднять границу до 65В.


Вернуться к началу
 Профиль  
 
СообщениеДобавлено: 08 окт 2016, 15:10 
Не в сети
Уже был(а), и не раз, и не два

Зарегистрирован: 18 фев 2013, 22:21
Сообщения: 110
Откуда: Смоленск
Авто: ВАЗ 2107
Имя: Михаил
Вячеслав-1 писал(а):
Поставьте мост и будет Вам счастье!И перематывать не придётся!

Вячеслав, какие диоды порекомендуете?


Вернуться к началу
 Профиль  
 
СообщениеДобавлено: 08 окт 2016, 22:01 
Не в сети
Уже тут был(а)

Зарегистрирован: 13 фев 2016, 06:32
Сообщения: 15
Имя: Руслан
Если перемотать транс силового БП под 25-30 вольт нижний предел напряжения не пострадает?


Вернуться к началу
 Профиль  
 
СообщениеДобавлено: 08 окт 2016, 22:06 
Не в сети
Заслуженный участник Клуба ЗУ-ОКА275

Зарегистрирован: 24 окт 2013, 11:44
Сообщения: 933
Откуда: Чувашия
Авто: КИА РИО 2018
Имя: Вячеслав
Svan писал(а):
Вячеслав-1 писал(а):
Поставьте мост и будет Вам счастье!И перематывать не придётся!

Вячеслав, какие диоды порекомендуете?

Я себе ставлю 60(80)CPQ150
Это 60(80)А при напряжении 150 В в корпусе ТО-247

_________________
С уважением,Вячеслав.73!


Вернуться к началу
 Профиль  
 
СообщениеДобавлено: 08 окт 2016, 22:08 
Не в сети
Заслуженный участник Клуба ЗУ-ОКА275

Зарегистрирован: 24 окт 2013, 11:44
Сообщения: 933
Откуда: Чувашия
Авто: КИА РИО 2018
Имя: Вячеслав
ruslan007 писал(а):
Если перемотать транс силового БП под 25-30 вольт нижний предел напряжения не пострадает?

Нижний ШИМ определяет и резистор 750Ом.

_________________
С уважением,Вячеслав.73!


Вернуться к началу
 Профиль  
 
СообщениеДобавлено: 09 окт 2016, 21:12 
Не в сети
Уже был(а), и не раз, и не два

Зарегистрирован: 10 сен 2014, 14:08
Сообщения: 105
Имя: Максим
Всем привет. ЗУ собрал давно и зарядил много аккумов, но в основном пользовался режимом ЛБП. Последний раз использовал его, когда в ванне подключал восстановленный моторчик омывателя фар, и после того как он запустился и дал хорошую струю прямо в стенку, забрызгав всю ванну и пол коридора вместе с ЗУ (мощный зараза оказался), в зарядном появились искорки и оно умерло :( Пока не смотрел почему, но потом починю.
Решил пока сделать новое ЗУ, как раз под рукой оказался нормальный БП, но после переделок БП работал не в режиме и при настройке вылетели силовые транзисторы и после перепайки и многих манипуляций БП не выдает больше 10 В :( Но тоже позже разберусь и осилю новое зарядное) Эх, вроде руки растут от куда надо и паяльник в руках держу ровно, но чет не прет пока..
Прочитал последние записи и хочется к ним добавить.. Про восстановление при отключении питания, очень хорошая штука и убирать данную функцию, по мне так, не стоит, т.к. ставлю на зарядку аккумы только под присмотром, а сидеть весь день и смотреть как заряжается аккумулятор не хочется, да и на ночь оставлять тоже, поэтому выключаю бывает раз или два в течении зарядки. Алексей, любые изменения поддерживаю на 100%, хоть переход на 128 мегу, хоть функции кофеварки))


Вернуться к началу
 Профиль  
 
СообщениеДобавлено: 16 окт 2016, 19:34 
Не в сети
Уже тут был(а)
Аватара пользователя

Зарегистрирован: 16 окт 2016, 19:26
Сообщения: 16
Откуда: Николаев
Авто: Honda Accord
Имя: Олег
Добрый день, уважаемый Алексей, коллеги! Уж более 20-ти лет прошло с той юношеской поры, когда я увлекался радиоэлектроникой. Паяльник иногда в руки брал только в мелких бытовых целях, но до того мне понравилось Ваше устройство, Алексей, что не удержался и решил тряхнуть стареной. Уже неделю с увлечением перелопачиваю все материалы и форумы. Убедился окончательно - буду собирать.

Монтаж решил выполнять на печатных платах от Pavel (плата управления + вентиляция) и vpvideo (разрядник). Опасаясь, что для глубокой наладки моих познаний может не хватить, прежде всего решил сверить разводку плат с цепями на схемах. Выявил несколько расхождений. Конечно, большинство их них мелкие и вполне допустимые, но хотелось бы избежать лишних ошибок. Поэтому сильно не пинайте, к перечню подходил формально, просто перечислил все, что заметил. Был бы очень признателен за комментарий. Итак.

Плата управления (печатная плата от Pavel):
1) Поменяны местами выводы 1 (ADC0) и 2 (ADC1) на АЦП MCP3208;
2) В цепи опорного напряжения Vref_5В добавлено несколько емкостей на массу, не указанных на схеме, а именно: 10nF возле 8-й ноги датчика тока ACS712, 2 по 100nF возле 6-х ног ЦАП MCP4921 и 100nF возле входящего на плату контакта Vref_5В;
3) На восьмую ногу ОУ AD8542ARZ подано опорное напряжение Vref_5В, хотя по схеме указано +5V со стабилизатора 78M05;
4) В цепи контрастности дисплея вместо конденсатора С28 (емкость на массу 100nF) стоит резистор 5,1кОм;
5) С 3-го вывода энкодера идет емкость 100nF на массу, отсутствующая на схеме P.S. Моя ошибка! емкость на схеме есть;
6) С вывода 9 МК ATmega32 в цепь кнопки «Меню» установлено сопротивление 10кОм на +5V, отсутствующее на схеме;
7) С вывода 12 МК ATmega32 в цепь кнопки энкодера установлено сопротивление 10кОм на +5V, отсутствующее на схеме;
8.) Отсутствует конденсатор С12 с диода D5 на землю;
9) Вместо двух конденсаторов С16, С17 по 2200мКф установлен один;
10) Сопротивление резистора R18 указано 2К вместо 2,2К;
11) Отсутствует сопротивление R27 1К;
12) Отсутствует диод D6 (очевидно подразумевается его установка на реле);
13) Отсутствуют конденсаторы C6 100nF и C7 100mFx16v со схемы контролера вентиляторов

Разрядник (печатная плата от vpvideo, которая идет в главном архиве Алексея oka275)
1) По печатной плате vpvideo на 1-й вывод ЦАП MCP4921 подается +5V, а на 6-й вывод опорное напряжение Vref_5В (что соответствует и распиновке по даташит). Однако по схеме и на 1-й и на 6-й выводы подается Vref_5В. Также, как и в схеме, реализована печатная плата от Вячеслав1;
2) Резистор R12 по схеме 2,2К, на плате – 2,4К;
3) Резистор R14 по схеме 12К, на плате – 15К.


Последний раз редактировалось Oleh 17 окт 2016, 04:40, всего редактировалось 3 раз(а).

Вернуться к началу
 Профиль  
 
Показать сообщения за:  Поле сортировки  
Начать новую тему Ответить на тему  [ Сообщений: 11905 ]  На страницу Пред.  1 ... 304, 305, 306, 307, 308, 309, 310 ... 596  След.

Часовой пояс: UTC + 7 часов


Кто сейчас на конференции

Сейчас этот форум просматривают: нет зарегистрированных пользователей и гости: 1


Вы не можете начинать темы
Вы не можете отвечать на сообщения
Вы не можете редактировать свои сообщения
Вы не можете удалять свои сообщения
Вы не можете добавлять вложения

Найти:
Перейти:  
cron
Powered by phpBB® Forum Software © phpBB Group
Русская поддержка phpBB