Ока в Новосибирске

Клуб Окаводов Новосибирска
Текущее время: 23 мар 2026, 12:21

Часовой пояс: UTC + 7 часов




Начать новую тему Ответить на тему  [ Сообщений: 1507 ]  На страницу Пред.  1, 2, 3, 4, 5, 6, 7 ... 76  След.
Автор Сообщение
СообщениеДобавлено: 12 фев 2015, 23:27 
Не в сети
Заслуженный участник Клуба ЗУ-ОКА275

Зарегистрирован: 14 мар 2014, 16:47
Сообщения: 596
Имя: Сергей
Сделаю одним постом и еще добавлю кое что для ясности.Это не проблема.


Вернуться к началу
 Профиль  
 
СообщениеДобавлено: 13 фев 2015, 12:42 
Не в сети
Участник Клуба ЗУ-ОКА275

Зарегистрирован: 22 янв 2015, 12:27
Сообщения: 42
Имя: Михаил
Сергей, добавлю и свои 5 копеек, у меня например имеются мощьне магнитопроводы на силовой трансформатор, примерно в полтора раза больше феррита на 450 ВТ транса. Как просчитать силовик и как его намотать. Если бы Вы смогли описать и этот процесс - человечество сказало бы вам огромнейшее спасибо!!!


Вернуться к началу
 Профиль  
 
СообщениеДобавлено: 13 фев 2015, 13:21 
Не в сети
Постоянец

Зарегистрирован: 11 ноя 2014, 18:10
Сообщения: 151
Откуда: Новосибирск
Авто: nissan patrol
Имя: Константин
В интернете не проблема найти программу расчета трансформатора, например http://moskatov.getbb.ru/viewtopic.php?f=13&t=21
Также есть подробные видео как мотать. Пробуйте и все получится.


Вернуться к началу
 Профиль  
 
СообщениеДобавлено: 13 фев 2015, 14:20 
Не в сети
Заслуженный участник Клуба ЗУ-ОКА275

Зарегистрирован: 14 мар 2014, 16:47
Сообщения: 596
Имя: Сергей
MihaM Не вопрос.Если вы мне дадите размеры своего железа,какие напряжения хотите получить на выходе,с каким током,какой обмоточный провод у вас есть в наличии,тогда смогу выложить вам расчетные данные и описать очередность намотки трансформатора.
uni-el Константин,не каждый может сразу разобраться в этих программках.Это для тех,кто уже набил шишок,кажется все просто.А для тех,кто впервые начинает пользоваться этими программами,лучше чтобы кто нибудь провел экскурсию как это делать.Сам когда начинал пользоваться ими,из за одного неправильного выставленного значения,приходится перематывать трансформатор.Человек попробует без определенного опыта,перемотает несколько раз,из за неправильного расчета и у него пропадет интерес мотать трансформаторы.Потому как,импульсная силовая электроника не прощает ошибок,будет много кремневого дыма и куча сгоревших деталей,а вместе с ними и разочарования.Сам делал когда то эти шаги и бывали подобные ошибки.Но,просто,я такой человек,если у меня что то не получается,меня это больше заводит и буду это делать до тех пор,пока не получится.А когда начнет все получаться,интерес пропадает и могу уже это забросить.


Вернуться к началу
 Профиль  
 
СообщениеДобавлено: 14 фев 2015, 00:41 
Не в сети
Уже тут был(а)

Зарегистрирован: 09 фев 2015, 00:59
Сообщения: 21
Имя: Дмитрий
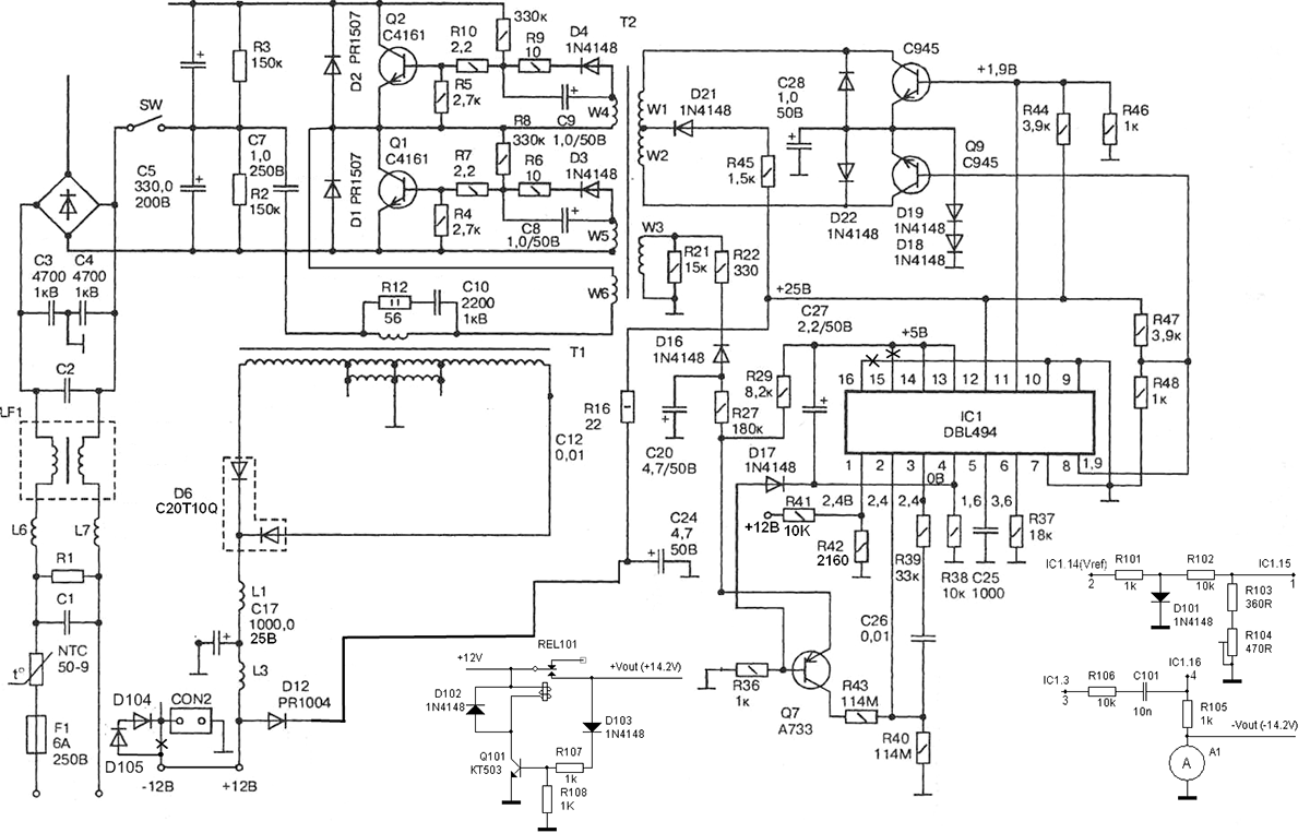
Вопрос наверное больше к Сергею, возможно ли такую схему переделать, для нашего БП. Добавить TL494 и на новую плату. Возможно надо фото или размеры трансформатора.


Вложения:
MV-033A_chassis.pdf [540.12 КБ]
Скачиваний: 580
схема.jpg
схема.jpg [ 408.63 КБ | Просмотров: 21899 ]


Последний раз редактировалось Dmitriy 14 фев 2015, 01:38, всего редактировалось 1 раз.
Вернуться к началу
 Профиль  
 
СообщениеДобавлено: 14 фев 2015, 01:05 
Не в сети
Заслуженный участник Клуба ЗУ-ОКА275

Зарегистрирован: 14 мар 2014, 16:47
Сообщения: 596
Имя: Сергей
Dmitriy Нет,нельзя.С управлением напряжения в этой схеме вопрос решить можно.А вот с управлением по току,в этой схеме не решить вопроса.


Вернуться к началу
 Профиль  
 
СообщениеДобавлено: 14 фев 2015, 01:41 
Не в сети
Уже тут был(а)

Зарегистрирован: 09 фев 2015, 00:59
Сообщения: 21
Имя: Дмитрий
Спасибо Сергей за быстрый ответ. Нашел БП АТ, буду сегодня изучать. Критерии основные я понял, TL в управлении и мощность от 250 Вт. Очень мне понравилась ваша разработка, хочу все на новых отдельных платах


Вернуться к началу
 Профиль  
 
СообщениеДобавлено: 14 фев 2015, 02:45 
Не в сети
Заслуженный участник Клуба ЗУ-ОКА275

Зарегистрирован: 14 мар 2014, 16:47
Сообщения: 596
Имя: Сергей
Dmitriy Не за что.Смотрите,Дмитрий,на том железе,на котором намотан силовой трансформатор в 250-ти ватном блоке питания,можно спокойно выжать 300-350 ватт.Но для этого нужно будет полностью перематывать трансформатор.


Вернуться к началу
 Профиль  
 
СообщениеДобавлено: 14 фев 2015, 05:41 
Не в сети
Уже тут был(а)

Зарегистрирован: 09 фев 2015, 00:59
Сообщения: 21
Имя: Дмитрий
БП Китай самый обычный. 2SC4161 силовые 400V/7A, DBL494 какой то аналог TL494. В нём не хватает тр-ра 220В-220В, отсутствуют фильтры, проходной конд. Коллеги ищите нормальные БП для переделки. Прав был Алексей, силовая часть сложнее управляющей. А ещё когда знаний мало.
Сергей, как определить какое железо (феррит) стоит на трансформаторе?


Вложения:
4-144-1.png
4-144-1.png [ 138.19 КБ | Просмотров: 21832 ]


Последний раз редактировалось Dmitriy 14 фев 2015, 17:12, всего редактировалось 1 раз.
Вернуться к началу
 Профиль  
 
СообщениеДобавлено: 14 фев 2015, 18:52 
Не в сети
Уже был(а), и не раз, и не два

Зарегистрирован: 11 май 2014, 17:07
Сообщения: 94
Авто: шкода
Имя: Сергей
oka275 писал(а):
serg1968-09 писал(а):
Dmitriy Не за что.Смотрите,Дмитрий,на том железе,на котором намотан силовой трансформатор в 250-ти ватном блоке питания,можно спокойно выжать 300-350 ватт.Но для этого нужно будет полностью перематывать трансформатор.

ух ты! Это на любом комповом ИБП возможны такие чудеса? :shock: Далее следуют возгласы с интонацией Маши из мультфильма "Маша и Медведь" - "Хочу, хочу, хочу!".
Есть у меня БП, похоже, ватт на 250, не больше. Просто перематываем транс более толстой проволокой (конечно согласно расчетам) - и вуаля? Или таки чудес не бывает, и придется менять всю силовую часть от диодного моста до ВВ-транзисторов? 350 ватт скачать с него было бы интересно. Пусть кратковременно, не круглосуточно.

В старых БП на 250 ват, не економили на сердечниках. Они вполне вытянут 300 ват а возможно и больше. Перемотать первичку проволокой по толще и соответственно вторичку на нужный ток. Можно еще поднять мощность, увеличив частоту ШИМ. На вскидку, без расчетов, скажу что при частоте ШИМ 90 кгц, можно будет легко снять и 400 ват.


Вернуться к началу
 Профиль  
 
СообщениеДобавлено: 14 фев 2015, 22:23 
Не в сети
Заслуженный участник Клуба ЗУ-ОКА275

Зарегистрирован: 14 мар 2014, 16:47
Сообщения: 596
Имя: Сергей
Dmitriy Железо можно определить с помощью штангельциркуля,либо при помощи линейки.Просто,нужно снять размеры железа.Размеры нужно снимать не полностью трансформатора в сборе,а только одной половинки.В сущности,ничего сложного.

oka275 Добрый вечер,Алексей.Пока отсутствовал,за меня уже ответили,попробую вставить свои три копейки.Вот фото блока питания 250 Ватт.С этого трансформатора можно снять гарантированные 350 Ватт без напрягов.Сергей 78 все правильно сказал,можно увеличить мощность перемоткой трансформатора,а можно увеличить мощность блока поднятием частоты ШИМ-а.Вот фото блока на 350 Ватт,с этого железа можно спокойно снять 500 Ватт.

bond На ваш вопрос тоже до меня дали ответ.Но могу добавить,можно сделать блок дежурного питания чуть больше спичечного коробка,но некоторые детали придется специально искать.Трудно проектировать тот или иной прибор,не зная какой комплектующей базой вы располагаете.Могу сказать одно,из той комплектующей базы которой располагаю я,могу собрать дежурный блок и со спичечный коробок.


Вложения:
Комментарий к файлу: БЛОК 350Ватт
SNC11460.JPG
SNC11460.JPG [ 363.72 КБ | Просмотров: 21814 ]
SNC11458.JPG
SNC11458.JPG [ 339.53 КБ | Просмотров: 21814 ]


Последний раз редактировалось serg1968-09 14 фев 2015, 22:42, всего редактировалось 2 раз(а).
Вернуться к началу
 Профиль  
 
СообщениеДобавлено: 14 фев 2015, 22:24 
Не в сети
Site Admin
Аватара пользователя

Зарегистрирован: 10 апр 2007, 22:36
Сообщения: 11260
Откуда: Новосибирск, Дзержинский
Авто: ВАЗ-21043
Имя: Алексей
Сергей, а ведь кроме размеров, важна проницаемость и еще какие то параметры. Нет? Еще же на зуб не проверишь, а меж тем ошибка может быть фатальной.

_________________

Поблагодарить автора:
Контакты:
Телеграмм: alexSh154
Вконтакте
Одноквассники
Instagram


Вернуться к началу
 Профиль  
 
СообщениеДобавлено: 14 фев 2015, 22:36 
Не в сети
Заслуженный участник Клуба ЗУ-ОКА275

Зарегистрирован: 14 мар 2014, 16:47
Сообщения: 596
Имя: Сергей
Алексей,проницаемость у этих трансформаторов как правило стандартная.Но если уж так сильно хочется определить проницаемость железа,то и для этих целей есть программы.Во всяком случае,сколько лет мотаю трансформаторы из б/у трансформаторов,фатального исхода никогда не было,все параметры вкладывались всегда в расчетные параметры трансформатора,отклонение получается не существенное.
С определением проницаемости железа обычно вопрос становится остро с кольцами для намотки трансформатора ТГР.Потому как,обычно кольца гуляют по рукам из разного материала и на них как правило нет маркировки.


Последний раз редактировалось serg1968-09 14 фев 2015, 22:45, всего редактировалось 1 раз.

Вернуться к началу
 Профиль  
 
СообщениеДобавлено: 14 фев 2015, 22:43 
Не в сети
Site Admin
Аватара пользователя

Зарегистрирован: 10 апр 2007, 22:36
Сообщения: 11260
Откуда: Новосибирск, Дзержинский
Авто: ВАЗ-21043
Имя: Алексей
serg1968-09 писал(а):
Но если уж так сильно хочется

Не "хочется", а нужно ли это? Выходит, что на это можно не обращать внимание.
Просто я хочу понять то, как безошибочно можно определить какой трансформатор можно перемотать под TL494, а какой нет. А то Вы писали, что: "На ШИМ-е 3843 уже не подойдет,потому как,там сердечник уже идет с зазором на центральном керне". Скажите, это видно невооруженным глазом, или нужны какие то особые навыки для определения годности сердечника для использования с TL494?

PS. 100% уверен, что сейчас идет не пустой трёп. Сейчас в темных головах зажигается свет, и вступивших на тропу познания импульсной техники становится больше! Великое дело делаете, на самом деле...

_________________

Поблагодарить автора:
Контакты:
Телеграмм: alexSh154
Вконтакте
Одноквассники
Instagram


Вернуться к началу
 Профиль  
 
СообщениеДобавлено: 14 фев 2015, 22:54 
Не в сети
Заслуженный участник Клуба ЗУ-ОКА275

Зарегистрирован: 14 мар 2014, 16:47
Сообщения: 596
Имя: Сергей
А тут,Алексей,не нужно иметь ни какого взгляда.Потому как,все блоки питания собранные на ШИМ-е 3842,3843,3844,3845,у этих блоков питания у всех железо будет с зазором,потому как,схема построения совсем другая.На этих ШИМ-ах собираются прямоходовые блока питания и они матаются на железе с зазором.Но и из таких блоков питания можно использовать железо для наших случаев,только нужно будет разобрать два одинаковых трансформатора и выбрать для нашего случая две половинки железа без зазора.
В нашем случае блок питания строится по схеме полумоста,в этих случаях зазор не приемлем.


Последний раз редактировалось serg1968-09 14 фев 2015, 22:57, всего редактировалось 1 раз.

Вернуться к началу
 Профиль  
 
СообщениеДобавлено: 14 фев 2015, 22:56 
Не в сети
Участник Клуба ЗУ-ОКА275

Зарегистрирован: 22 янв 2015, 12:27
Сообщения: 42
Имя: Михаил
Сергей. как правильно мотать дроссель? При старте БП "рычит" пару секунд, потом затихает. Я только спаял блок, еще не ганял его по мощностям. Я взял штатный дроссель. Здесь кто-то писал, что нада полностью заполнить внутреннее пространство???


Вернуться к началу
 Профиль  
 
СообщениеДобавлено: 14 фев 2015, 23:08 
Не в сети
Заслуженный участник Клуба ЗУ-ОКА275

Зарегистрирован: 14 мар 2014, 16:47
Сообщения: 596
Имя: Сергей
MihaM Михаил,это я и писал.Тут,знаете,как уже говорил выше,по дросселям я не спец,мало чего могу вам подсказать.Могу только сказать как сделал у себя.У себя намотал дроссель на желтом кольце с белыми торцами и мотал в два провода диаметром 1,2 мм.Мотал до тех пор,пока провода уже не пролазили через внутренний диаметр кольца.Короче говоря,у меня получилось чем больше витков на кольце,тем лучше.Вот фото моего дросселя.Даже и не знаю,правильно ли так,или нет.Но у меня работает нормально и греется дроссель совсем чуть-чуть.


Вложения:
SNC11464.JPG
SNC11464.JPG [ 418.5 КБ | Просмотров: 21810 ]
Вернуться к началу
 Профиль  
 
СообщениеДобавлено: 14 фев 2015, 23:10 
Не в сети
Участник Клуба ЗУ-ОКА275

Зарегистрирован: 22 янв 2015, 12:27
Сообщения: 42
Имя: Михаил
Понял, сейчас буду пробовать. Я когдато делал БП с токоограничением, была аналогичная проблема, взял другой дроссель и проблемка исчезла. Хотелось бы вникнуть в суть происходящего...


Вернуться к началу
 Профиль  
 
СообщениеДобавлено: 14 фев 2015, 23:11 
Не в сети
Site Admin
Аватара пользователя

Зарегистрирован: 10 апр 2007, 22:36
Сообщения: 11260
Откуда: Новосибирск, Дзержинский
Авто: ВАЗ-21043
Имя: Алексей
а если дроссель не перематывать (впаять штатный, с донора компового БП), то что происходит? Первое, что меня интересует, это появляется ли свист? Второе - конечно же нагрев. Но появляется ли свист в работе меня интересует особенно остро. И не только меня.

MihaM писал(а):
Понял, сейчас буду пробовать. Я когдато делал БП с токоограничением, была аналогичная проблема, взял другой дроссель и проблемка исчезла.

А какая проблема, если не секрет? Я что то пропустил может быть...

_________________

Поблагодарить автора:
Контакты:
Телеграмм: alexSh154
Вконтакте
Одноквассники
Instagram


Вернуться к началу
 Профиль  
 
СообщениеДобавлено: 14 фев 2015, 23:15 
Не в сети
Уже был(а), и не раз, и не два

Зарегистрирован: 11 май 2014, 17:07
Сообщения: 94
Авто: шкода
Имя: Сергей
MihaM писал(а):
Сергей. как правильно мотать дроссель? При старте БП "рычит" пару секунд, потом затихает.

Это как понимать*рычит*. Есть свист или сверчки? При использовании штатного дросселя, тем более без нагрузки, ничего не должно рычать. Может издавать звук дежурка или трансформатор. Дроссель мотается проволокой, расчитаной на нужный ток. Витки должны быть равномерно распределены по всему кольцу. Еще информация, может кому пригодится. Если вы собрали импульсный блок на фиксированное напряжение и вам понадобилось например для запитки вентилятора охлаждения взять откуда то 12 вольт ( а напряжение на выходе сильно отличается в большую сторону) то можно поступить следующим образом. На выходной дроссель (кольцо) наматываем два витка провода и измеряем напряжение на этой обмотке. Потом разделив это напряжение на количество витков, выясним сколько получается вольт на виток и мотаем обмотку на нужное напряжение. Если напряжение на выходе блока стабилизированное, то и напряжение на выходе дополнительной обмотки, также будет стабильное. Конечно небольшие колебания будут при большой нагрузке, но они не столь существенны. Так можно поступить, если нужно двуполярное напряжение, для питания операционных усилителей. Дросель в этом случае работает как импульсный трансформатор.


Вернуться к началу
 Профиль  
 
Показать сообщения за:  Поле сортировки  
Начать новую тему Ответить на тему  [ Сообщений: 1507 ]  На страницу Пред.  1, 2, 3, 4, 5, 6, 7 ... 76  След.

Часовой пояс: UTC + 7 часов


Кто сейчас на конференции

Сейчас этот форум просматривают: нет зарегистрированных пользователей и гости: 3


Вы не можете начинать темы
Вы не можете отвечать на сообщения
Вы не можете редактировать свои сообщения
Вы не можете удалять свои сообщения
Вы не можете добавлять вложения

Найти:
Перейти:  
cron
Powered by phpBB® Forum Software © phpBB Group
Русская поддержка phpBB