Ока в Новосибирске

Клуб Окаводов Новосибирска
Текущее время: 30 апр 2026, 00:02

Часовой пояс: UTC + 7 часов




Начать новую тему Ответить на тему  [ Сообщений: 11899 ]  На страницу Пред.  1 ... 251, 252, 253, 254, 255, 256, 257 ... 595  След.

Актуальная статистика (не забывайте изменять статус!)
Собрал и буду собирать еще (соседу, свату, брату) 24%  24%  [ 57 ]
Собрал одно ЗУ 21%  21%  [ 51 ]
Уже собираю 28%  28%  [ 66 ]
Интересуюсь, размышляю - собирать или нет. Наверное буду. 26%  26%  [ 63 ]
Не буду собирать это устройство. 1%  1%  [ 3 ]
Всего голосов : 240
Автор Сообщение
СообщениеДобавлено: 20 янв 2016, 16:01 
Не в сети
Уже тут был(а)

Зарегистрирован: 20 янв 2016, 15:57
Сообщения: 20
Имя: Александр
Добрый день!
У меня такой вопрос, если я пересчитаю делители и организую отдельное питание для мозгов, у меня получится зарядить аккумуляторный модуль на 48в (4*12вольт)? Раскрутить и заряжать по очереди - не предлагать :roll:
Спасибо.


Вернуться к началу
 Профиль  
 
СообщениеДобавлено: 20 янв 2016, 16:10 
Не в сети
Заслуженный участник Клуба ЗУ-ОКА275

Зарегистрирован: 24 окт 2013, 11:44
Сообщения: 933
Откуда: Чувашия
Авто: КИА РИО 2018
Имя: Вячеслав
А мозги при чём? Питание для них по любому отдельное!Я Алексея спрашивал,он ответил что можно,только делители пересчитайте!

_________________
С уважением,Вячеслав.73!


Вернуться к началу
 Профиль  
 
СообщениеДобавлено: 20 янв 2016, 17:05 
Не в сети
Site Admin
Аватара пользователя

Зарегистрирован: 10 апр 2007, 22:36
Сообщения: 11263
Откуда: Новосибирск, Дзержинский
Авто: ВАЗ-21043
Имя: Алексей
mren писал(а):
У меня такой вопрос, если я пересчитаю делители и организую отдельное питание для мозгов, у меня получится зарядить аккумуляторный модуль на 48в (4*12вольт)? Раскрутить и заряжать по очереди - не предлагать :roll:
Спасибо.

Питание на ИОН и "мозги" оно и так отдельное, от цепи, именуемой как 12.6В И оно не рекомендуется другим, потому как по этому напряжению контролируется выключение электроэнергии (хотя по хорошему надо собирать датчик на оптроне).

Хоть я и рассчитывал на максимальное напряжение под 30 вольт (для не перемотанного трансформатора, по каналу +12в, это 1000% потолок), но не делал никаких специальных ограничений для использования более высокого напряжения. Пересчитайте делители так, что бы при максимальном расчетном измеряемом напряжении, напряжение на входе Аналогово-Цифрового-Преобразователя было не более 5В. Например, максимальное измеряемое напряжение 60 вольт. Для получения на выходе делителя напряжения 5в, нужно штатный резистор R12 номиналом 10кОм заменить на резистор 22кОм:

Изображение
Тоже самое надо сделать с резистором R20, и скорее всего с R21.

PS. Уменьшится точность установки напряжений! В прочем я не знаю будет ли это сильно заметно. Если сейчас это 2-3 сотых от вольта, ну будет 6-9 - думаю это не фатально. Обязательно отпишитесь по результатам, а лучше даже видео с обзором (по желанию). Еще по-моему никто не отписался о результатах повышения напряжения, или я уже не помню.

_________________

Поблагодарить автора:
Контакты:
Телеграмм: alexSh154
Вконтакте
Одноквассники
Instagram


Вернуться к началу
 Профиль  
 
СообщениеДобавлено: 20 янв 2016, 18:06 
Не в сети
Заслуженный участник Клуба ЗУ-ОКА275

Зарегистрирован: 24 окт 2013, 11:44
Сообщения: 933
Откуда: Чувашия
Авто: КИА РИО 2018
Имя: Вячеслав
Хочу добавить ,резистор R1 в делителе желательно 0,25 Вт,а то греется сильно,0,125 маловато будет!

_________________
С уважением,Вячеслав.73!


Вернуться к началу
 Профиль  
 
СообщениеДобавлено: 20 янв 2016, 19:20 
Не в сети
Site Admin
Аватара пользователя

Зарегистрирован: 10 апр 2007, 22:36
Сообщения: 11263
Откуда: Новосибирск, Дзержинский
Авто: ВАЗ-21043
Имя: Алексей
1. Вячеслав, 22 килоома резистор греется??
2. Можно не греть атмосферу, а повысить номиналы резисторов, сохранив коэффициент деления прежним (х12). Например, тупо увеличив их в 10 раз. Например, так:

Изображение

Ссылка на этот делитель в калькуляторе здесь

_________________

Поблагодарить автора:
Контакты:
Телеграмм: alexSh154
Вконтакте
Одноквассники
Instagram


Вернуться к началу
 Профиль  
 
СообщениеДобавлено: 20 янв 2016, 19:36 
Не в сети
Заслуженный участник Клуба ЗУ-ОКА275

Зарегистрирован: 24 окт 2013, 11:44
Сообщения: 933
Откуда: Чувашия
Авто: КИА РИО 2018
Имя: Вячеслав
Да можно конечно!Кто ж против!Просто в данной ,с указанными номиналами, схеме мощность рассеивается примерно 130 мВт, если резисторы размером 0805(0,125мВт) будут греться.А так всё работает!

_________________
С уважением,Вячеслав.73!


Вернуться к началу
 Профиль  
 
СообщениеДобавлено: 21 янв 2016, 16:47 
Не в сети
Уже тут был(а)

Зарегистрирован: 17 июн 2015, 17:19
Сообщения: 16
Имя: Сергей
Добрый день всем.
Собрал трахому для прошивки ATMEGA на FT232, считал ее "голую" и сейчас тупо таращусь на результат. :shock:
Впервые пробую этот программатор.
Где-то упоминалось о бите конфигурации, по которому можно понять где ставить 0, а где единицу при записи фьюзов. Поиском по теме не нашел (или не умею).
Люди добрые! Помогите горю, ткните носом в это сообщение или скорректируйте по картинке. Боюсь загубить МЕГУ.
Вложение:
фьюзы.jpg
фьюзы.jpg [ 81.43 КБ | Просмотров: 17039 ]


Вернуться к началу
 Профиль  
 
СообщениеДобавлено: 21 янв 2016, 17:42 
Не в сети
Заслуженный участник Клуба ЗУ-ОКА275

Зарегистрирован: 24 окт 2013, 11:44
Сообщения: 933
Откуда: Чувашия
Авто: КИА РИО 2018
Имя: Вячеслав
На первой странице этого форума есть вся информация!Рубрика :__Архив с самой актуальной на сегодня схемой устройства__

_________________
С уважением,Вячеслав.73!


Вернуться к началу
 Профиль  
 
СообщениеДобавлено: 21 янв 2016, 18:03 
Не в сети
Уже был(а), и не раз, и не два
Аватара пользователя

Зарегистрирован: 24 фев 2013, 22:01
Сообщения: 84
Откуда: Украина
Авто: PASSAT
Имя: Александр
4ELOVEK если интересно то почитайтеhttp://www.getchip.net/posts/068-kak-pravilno-proshit-avr-fyuzy-fuse-bit/


Вернуться к началу
 Профиль  
 
СообщениеДобавлено: 21 янв 2016, 18:30 
Не в сети
Уже тут был(а)

Зарегистрирован: 05 мар 2013, 01:30
Сообщения: 12
Имя: Николай
Всем доброго времени суток :)
Вот у меня пару вопросов появилось.. Возможно ли в качестве ИБП использовать 2 идентичных блока в параллель, возможно ли синхронно использовать 2 tl494? Просто при такой возможности, из 2 средних 15А блоков, получим 30 честных ампер :Yahoo!:
И резисторы в разрядник пробовал кто- нибудь использовать в корпусе ТО-220? Уж очень крепление удобное, да много на них тогда рассеивать получится.


Вернуться к началу
 Профиль  
 
СообщениеДобавлено: 21 янв 2016, 18:48 
Не в сети
Заслуженный участник Клуба ЗУ-ОКА275

Зарегистрирован: 24 окт 2013, 11:44
Сообщения: 933
Откуда: Чувашия
Авто: КИА РИО 2018
Имя: Вячеслав
"""И резисторы в разрядник пробовал кто- нибудь использовать в корпусе ТО-220? Уж очень крепление удобное, да много на них тогда рассеивать получится.[/quote]"""
А цены Вы на них смотрели? В Платане планка ценовая от 500руб за шт и выше! %) :cry:
А чем "цемент "не нравится?Дёшево и сердито! Мощность рассеиваемая на одном из резисторов при токе 15 А примерно 3 Вт.Это когда ключ полностью открыт.На транзисторах ,а они работают в линейном режиме ,больше . Так что проблема в отводе тепла именно от транзисторов ,а не от резисторов. :sorry:

_________________
С уважением,Вячеслав.73!


Вернуться к началу
 Профиль  
 
СообщениеДобавлено: 21 янв 2016, 19:00 
Не в сети
Заслуженный участник Клуба ЗУ-ОКА275

Зарегистрирован: 24 окт 2013, 11:44
Сообщения: 933
Откуда: Чувашия
Авто: КИА РИО 2018
Имя: Вячеслав
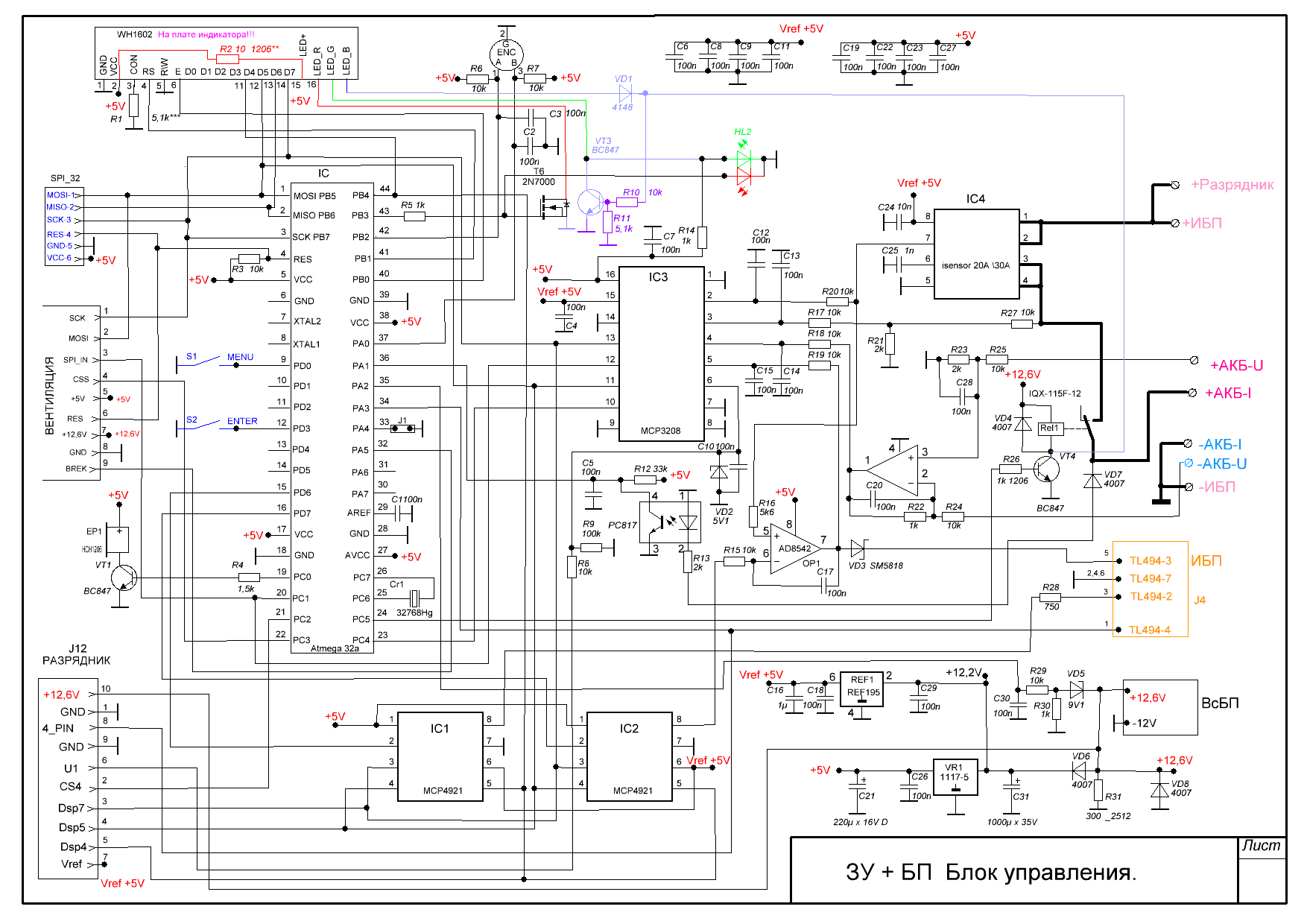
Попались ЖК дисплеи с трёх цветной подсветкой, WH1602B-CFH-CT,взял пару для пробы.При не больших дополнениях в схеме очень красиво получается.При включении устройства цвет зелёный,при работе (зарядка ,БП) цвет голубой,когда ругается -красный! С этими же дополнениями ,но с простым дисплеем можно поставить двух цветный светодиод за место штатного.Буду заказывать ПП с учётом этих дополнений.


Вложения:
Зарядное +БП_ОКА 275_RGB.GIF
Зарядное +БП_ОКА 275_RGB.GIF [ 100.73 КБ | Просмотров: 16952 ]

_________________
С уважением,Вячеслав.73!


Последний раз редактировалось Вячеслав-1 22 янв 2016, 14:51, всего редактировалось 1 раз.
Вернуться к началу
 Профиль  
 
СообщениеДобавлено: 22 янв 2016, 00:01 
Не в сети
Site Admin
Аватара пользователя

Зарегистрирован: 10 апр 2007, 22:36
Сообщения: 11263
Откуда: Новосибирск, Дзержинский
Авто: ВАЗ-21043
Имя: Алексей
4ELOVEK писал(а):
Собрал трахому для прошивки ATMEGA на FT232, считал ее "голую" и сейчас тупо таращусь на результат. :shock: Впервые пробую этот программатор.

Уважаемые, где Вы берете таки программы? :) :oops: :oops: :oops: Я знаю под FT232RL только AVRDUDE, но она не графическая ни разу, а консольная (черный экран с командной строкой). И конструкция простейшая у такого программатора выходит (в т.ч. потому, что не требует предварительной прошивки), да порекомендовать некому, потому как мало кого улыбает работать с командной строкой. Мне это удобно, потому как написав командный файл 1 раз, мне нужно просто его запустить и прошивка польётся. При отладке - самое то! А тут я вижу прога самостоятельная, без AVRDUDE. К тому же, судя по всему, умеет не только AVR. Не поделитесь? :wink:





На счет того, как понять - инверсные фьюзы у программатора или нет, надо взять абсолютно новый МК и считать с него фьюзы. По умолчанию для Атмега8/16/32, и ряда других МК, фьюзы по умолчанию выставлены таким образом, что бы обеспечить тактирование МК от встроенного генератора, с частотой 1мГц. Возможны частоты 1, 2, 4 и 8 мГц. Считываем совершенно новый МК и идем на сайт-калькулятор, например, этот http://payalo.at.ua/c_fuse/calc.html?part=ATmega32A (см. фото ниже). Нас интересует строчка, задающая источник и частоту, чем будет тактироваться наш МК. По умолчанию на заводе, для Атмега 8/16/32, установлен режим "Int ORC 1 MHz, Start ti...бла блабла.........". Его и выбираем! Разновидность установки "Start-up time:.........." нас сейчас не интересует.

Вложение:
img-2016-01-21-22-46-02.png
img-2016-01-21-22-46-02.png [ 37.49 КБ | Просмотров: 16996 ]

Выбрали. Затем спускаемся вниз и пускаем все наше внимание на галочки, стоящие на битах CKSEL0--CKSEL3:

Вложение:
img-2016-01-21-22-55-09.png
img-2016-01-21-22-55-09.png [ 39.84 КБ | Просмотров: 16996 ]

Сравниваем эти биты с битами программатора! И если все 100% совпадает, то значит "у вас наган той же системы, что и у нас". :beer: Если биты как бы зеркальные:

Вложение:
img-2016-01-21-22-58-00.png
img-2016-01-21-22-58-00.png [ 10.55 КБ | Просмотров: 16996 ]

то значит программатор у вас выводит инверсные ( по отношению к нашим) фьюзы и надо это иметь ввиду. А то зарядите МК на третью космическую скорость O:-)

Если биты хоть чуть чуть, но отличаются от картинок, значит вы взяли МК не того типа, или в нем уже похозяйничала чья-то китайская рука (были случаи МК приходили типа новые, но с выставленными фьюзами "от балды").

_________________

Поблагодарить автора:
Контакты:
Телеграмм: alexSh154
Вконтакте
Одноквассники
Instagram


Вернуться к началу
 Профиль  
 
СообщениеДобавлено: 22 янв 2016, 00:05 
Не в сети
Site Admin
Аватара пользователя

Зарегистрирован: 10 апр 2007, 22:36
Сообщения: 11263
Откуда: Новосибирск, Дзержинский
Авто: ВАЗ-21043
Имя: Алексей
Цитата:
При не больших дополнениях в схеме очень красиво получается.При включении устройства цвет зелёный,при работе (зарядка ,БП) цвет голубой,когда ругается -красный!

уж ты! Ага, весело! И не обычно! :good:

_________________

Поблагодарить автора:
Контакты:
Телеграмм: alexSh154
Вконтакте
Одноквассники
Instagram


Вернуться к началу
 Профиль  
 
СообщениеДобавлено: 22 янв 2016, 11:55 
Не в сети
Уже тут был(а)

Зарегистрирован: 17 июн 2015, 17:19
Сообщения: 16
Имя: Сергей
oka275 писал(а):
Не поделитесь? :wink:

http://avr.ru/ready/tools/prog/ft232rl_universal


Вернуться к началу
 Профиль  
 
СообщениеДобавлено: 22 янв 2016, 14:19 
Не в сети
Новичок

Зарегистрирован: 25 дек 2015, 00:13
Сообщения: 2
Авто: Toyota
Имя: Сергей
Цитата:
С этими же дополнениями ,но с простым дисплеем можно поставить двух цветный светодиод за место штатного.

Мне кажется, красный светодиод у Вас не загорится, т.к. на базе открытого 847 будет порядка 0,8В.


Вернуться к началу
 Профиль  
 
СообщениеДобавлено: 22 янв 2016, 14:46 
Не в сети
Заслуженный участник Клуба ЗУ-ОКА275

Зарегистрирован: 24 окт 2013, 11:44
Сообщения: 933
Откуда: Чувашия
Авто: КИА РИО 2018
Имя: Вячеслав
sss писал(а):
Цитата:
С этими же дополнениями ,но с простым дисплеем можно поставить двух цветный светодиод за место штатного.

Мне кажется, красный светодиод у Вас не загорится, т.к. на базе открытого 847 будет порядка 0,8В.

Да, Вы правы! Решается заменой 847 на 2N7000 ит.п. Спасибо!

_________________
С уважением,Вячеслав.73!


Вернуться к началу
 Профиль  
 
СообщениеДобавлено: 24 янв 2016, 15:36 
Не в сети
Участник Клуба ЗУ-ОКА275

Зарегистрирован: 08 янв 2015, 06:38
Сообщения: 100
Авто: АЗЛК-2144R7
Имя: Сергей
Ну вот сжёг своё зарядное, получилось так:
Поставил на заряд АКБ 60 А*ч в гараже, там был не большой плюс. Но в процессе зарядки температура опустилась ниже 0 и зарядно (видимо) перешло в ошибку по перегреву (в истории температура не отображается). Ошибка не давно описывалась в форуме. Выгорела диодная сборка. Но я об этом не знал и по этому включил повторно заряд. Ну и предохранитель на выходе забыл поставить. И естественно выгорел измеритель тока (выгорел так что плата прогорела на сквозь). Но к моему счастью больше ничего не выгорело, поставил всё новое (датчик тока на отдельной плате т.к. место под него выгорело, диодная сборка уже на 150 В, была на 45) вроде всё заработало.


Вернуться к началу
 Профиль  
 
СообщениеДобавлено: 24 янв 2016, 17:22 
Не в сети
Site Admin
Аватара пользователя

Зарегистрирован: 10 апр 2007, 22:36
Сообщения: 11263
Откуда: Новосибирск, Дзержинский
Авто: ВАЗ-21043
Имя: Алексей
Здравствуйте, Сергей! Странную какую то взаимосвязь приводите, от которой ничего не могло произойти в принципе. Если перегрев (в том числе ложный), то текущий процесс (будь то заряд или разряд) ставится на паузу, глушатся и БП, и разрядник - и так все стоит до тех пор, пока температура не опустится до середины границ установленного диапазона (тем самым МК обеспечивает себе гистерезис до следующей сработки). Если же если перегрев ложный, то висело бы оно так до второго пришествия отключенное. Никто точно переполюсовку не мог сделать, пока устройство находится "в ауте"? В этом случае допускаю (сам не экспериментировал), что контроль за переполюсовкой может не осуществляться, и чья то шутка (или пытливый ум) может наделать дел.

Но то, что это переполюсовка, я почти не сомневаюсь! У БП вряд ли хватит дури, что бы выжечь плату чуть не до дыры, если это не какой нибудь 12в 50-100А БП. Диодную сборку проверяли перед установкой, на какое обратное напряжение она рассчитана? Если ниже 100в, то теоретически ее могло пробить, превратив сборку в гвоздь. При этом обмотка трансформатора будет подключена на клеммы АКБ и вот вам привет от датчика тока. Но если в гараже никого не могло быть в Ваше отсутствие, то тут скорее всего разгадка заключается в долбаном режиме автовосстановления по отключению эл.энергии. Подошли к ЗУ, увидели проблему, выключили его - режим запомнился, потом в запарке перепутали клеммы и включили ЗУ снова - оно включилось и вернулось в заряд. А по скольку в этом случае факт переполюсовки не проверяется, то сразу включается реле - и привет! Ну не могло мне и в голову придти, что за время, пока нет электроэнергии, АКБ и ЗУ будут как то кантовать, переподключать и так далее. А напрасно.

По поводу автовосстановления. Я себе представлял, что стоит себе ЗУ и АКБ в тёмном уголке, заряжается. Выключается эл.энергия, после чего так всё дальше стоит себе спокойно до её возобновления. Надо выбрать время и внести поправку, что бы сначала проверялся факт переполюсовки, и если все ОК, то только тогда возобновлять заряд. А вообще надо делать новый датчик отключения эл.энергии на оптроне, запитывать его непосредственно от шнура питания. Если ЗУ обесточили от выключателя, то зафига не нужны никакие автовосстановления и нефига вводить пользователя в заблуждение. Этот режим восстановления, ей богу так не любимый мной, уже не раз сбивал меня с толку, чуть не унеся на тот свет БП с частью платы управления. А вот если в самом шнуре напряжение пропало, то это уже по-настоящему отключение эл.энергии и режим восстановления здесь уместен.

Только готовы ли форумчане даже просто заменить прошивку, не говоря уж о небольших доработках??? Это ведь нужно всё разбирать, подпаивать программатор (у кого он не на разъеме, и не на задней панели, как у меня)! Мне кажется, что готовы далеко не все. Даже мне сейчас лезть в физически законченное устройство, с уложенными проводами и тд ну как то моветон. Но все таки когда нибудь придется сделать эту доработку, ибо я ее очень желаю, что бы ЗУ понимало когда реально свет выключился, или я его выключил с выключателя. В этом случае пусть даже не смеет мне делать какие то восстановления. Выключил - значит выключил!

_________________

Поблагодарить автора:
Контакты:
Телеграмм: alexSh154
Вконтакте
Одноквассники
Instagram


Вернуться к началу
 Профиль  
 
СообщениеДобавлено: 24 янв 2016, 18:27 
Не в сети
Участник Клуба ЗУ-ОКА275

Зарегистрирован: 08 янв 2015, 06:38
Сообщения: 100
Авто: АЗЛК-2144R7
Имя: Сергей
Может я что-то не так написал, но по порядку расписываю:
1. Ставлю на зарядку в гараже. (+10 градусов в гараже)
2. Закрываю гараж ставлю на сигналку ухожу.
3. Через некоторое время 3-4 часа, температура падает до отрицательной температуры.
4. На следующий день прихожу, зарядное закончило зарядку. 1 - этап 3-4 часа (ток 2-3 А) 2, 3, 4 - этапы в секунду закончились (ток 0).
5. Ну думаю какая-то проблема возникла...
6. включаю самостоятельно авт.заряд (он же не закончил заряжать).
7. И тут чую дым идет из зарядного :(
8. После разборки вижу выгоревший датчик тока.
9. Снимаю, забираю на работу проверяю.
10. Диоды выходные на коротком. 1 транзистор 13009 на коротком.
11. Делаю вывод: АКБ подключено. Диод на коротком. + АКБ -> релюха (включилась) -> БП (диод на коротком) -> трансформатор -> Земля. Вот и короткое. А с АКБ ток может идти до 500 А. Так что АКБ и выжег и датчик тока и плату прожог.


Вернуться к началу
 Профиль  
 
Показать сообщения за:  Поле сортировки  
Начать новую тему Ответить на тему  [ Сообщений: 11899 ]  На страницу Пред.  1 ... 251, 252, 253, 254, 255, 256, 257 ... 595  След.

Часовой пояс: UTC + 7 часов


Кто сейчас на конференции

Сейчас этот форум просматривают: нет зарегистрированных пользователей и гости: 2


Вы не можете начинать темы
Вы не можете отвечать на сообщения
Вы не можете редактировать свои сообщения
Вы не можете удалять свои сообщения
Вы не можете добавлять вложения

Найти:
Перейти:  
Powered by phpBB® Forum Software © phpBB Group
Русская поддержка phpBB