Ока в Новосибирске

Клуб Окаводов Новосибирска
Текущее время: 24 мар 2026, 05:09

Часовой пояс: UTC + 7 часов




Начать новую тему Ответить на тему  [ Сообщений: 11899 ]  На страницу Пред.  1 ... 232, 233, 234, 235, 236, 237, 238 ... 595  След.

Актуальная статистика (не забывайте изменять статус!)
Собрал и буду собирать еще (соседу, свату, брату) 24%  24%  [ 57 ]
Собрал одно ЗУ 21%  21%  [ 50 ]
Уже собираю 28%  28%  [ 66 ]
Интересуюсь, размышляю - собирать или нет. Наверное буду. 26%  26%  [ 63 ]
Не буду собирать это устройство. 1%  1%  [ 3 ]
Всего голосов : 239
Автор Сообщение
СообщениеДобавлено: 07 сен 2015, 01:37 
Не в сети
Уже был(а), и не раз, и не два

Зарегистрирован: 16 фев 2013, 20:56
Сообщения: 56
Откуда: молдавия
Имя: степан
здравствуйте попробую ответить вместо Алексея надеюси он на меня не рассердится)во первых zmey71 вам надо проверить наличие питающего напряжения на 8 ножке оно должно быть +5в.если напряжение в норме тогда стаем плюсовым щупом на 7 ножку и смотрим напругу на ней.zmey71 а чтобы вы поняли сколько там должно быть я объясню вам принцип изменения напряжения в зависимости от тока и его направления.и так приступим при токе в 0 ампер(нагрузки нет) на 7 ножке в идеале должно быть ровно половина напряжения питания это 2,5в при подключений нагрузки и увеличений тока через датчик это напряжение начинает пропорционально увеличиваться или уменьшаться в зависимости от направления протекающего тока.если датчик исправен тогда при увеличение протекающего тока напруга должна увеличиваться (если не ошибаюси) начиная от 2,5в , если изменений нет тогда датчик дохлый.надеюси понятно обяснил.


Вложения:
Комментарий к файлу: датчик на 5а
Fig_7_Rus.gif
Fig_7_Rus.gif [ 19.02 КБ | Просмотров: 21137 ]
Вернуться к началу
 Профиль  
 
СообщениеДобавлено: 07 сен 2015, 01:47 
Не в сети
Site Admin
Аватара пользователя

Зарегистрирован: 10 апр 2007, 22:36
Сообщения: 11260
Откуда: Новосибирск, Дзержинский
Авто: ВАЗ-21043
Имя: Алексей
Друзья! Всем спасибо за поздравления и тёплые слова! Их нужно говорить, если всё таки рождаются - пусть адресат знает о них. :)

Ramonmetelica, отдельная благодарность! :oops:

_________________

Поблагодарить автора:
Контакты:
Телеграмм: alexSh154
Вконтакте
Одноквассники
Instagram


Вернуться к началу
 Профиль  
 
СообщениеДобавлено: 07 сен 2015, 01:52 
Не в сети
Site Admin
Аватара пользователя

Зарегистрирован: 10 апр 2007, 22:36
Сообщения: 11260
Откуда: Новосибирск, Дзержинский
Авто: ВАЗ-21043
Имя: Алексей
zmey71 писал(а):
замыкаю 2 и 14 выводы,кажет 19.7 вольт,начинаю крутить подстроечник,а напряжение как было так и осталось т.е.не регулируется,что скажете?

Это значит, что 19.7в потолок для Вашего БП при текущем сетевом напряжении. А из этого значит то, что БП реагировать на подстроечник не будет, т.к. резистивный делитель на входе 1й ножки TL494 рассчитан на напряжения ВЫШЕ 20 вольт. Или поднимайте напругу любым из доступных способов (увеличение рабочей частоты??, включение обмоток без средней точки, перемотка трансформатора), или понижайте R1 с трех килоом до примерно 2.5ком - БП начнет слушаться подстроечника начиная с 17.5 вольт.

zmey71 писал(а):
вольтметр пока не пробовал крутить,а вот в нижней строчке амперы не накручиваются,стоят по нулям,

Не совсем понятно что значит "по нулям", и как они должны накручиваться. Там амперы не накручиваются, а лишь корректируются. Кроме того накручиваются только проценты, а количество ампер лишь зависят от этих процентов.
То есть у Вас в том поле 0.00А, когда на самом деле ток в цепи есть и его видно по мультиметру? Тогда причины минимум две:
1. Не размыкается реле и нагрузка, будучи подключенной постоянно, сносит голову МК. Проверьте реле и точно ли оно рубит нагрузку? Я уже писал то, что при входе в режим калибровки амперметра, МК замеряет напряжение покоя с датчика тока (те самые 2.5 вольта) и принимает его за отправную точку будущих измерений. Если этот замер будет производиться С НАГРУЗКОЙ (а это только ввиду неисправности или отсутствия реле, ибо реле и нагрузка при входе ОТКЛЮЧЕНЫ), то нулевая точка будет определена с ошибкой, за ноль будет взят текущий ток и на дисплей в последствии будет выводиться только ток, который превышает тот, который был в цепи при замере нуля. Проверьте реле, в частности рубит ли оно нагрузку.
2. Зашунтировали вход датчика тока, или по ошибке ток НЕ ИДЕТ через датчик тока.

Как проверить датчик тока уже написал stepanici85 После входа в режим калибровки амперметра, МК замерит "ноль" и реле включит нагрузку - можно будет погулять по процентам и наблюдать за изменением напряжения на 7й ноге датчика тока. То есть при токе в 0А там будет 2.5 вольта, при токе в 10А уже 3.5 вольта (для 20А датчика) и тд. Если этого не происходит, то или сопля на плате, которая коротит (шунтирует) вход датчика тока, или же ошибка в монтаже и ток через датчик вообще не идет. Если же напряжение на выходе датчика, с ростом нагрузки, наоборот уменьшается, то значит ток в датчике идет не в том направлении!!! Переключите силовые провода к датчику наоборот.

_________________

Поблагодарить автора:
Контакты:
Телеграмм: alexSh154
Вконтакте
Одноквассники
Instagram


Вернуться к началу
 Профиль  
 
СообщениеДобавлено: 07 сен 2015, 02:08 
Не в сети
Участник Клуба ЗУ-ОКА275

Зарегистрирован: 31 мар 2013, 17:10
Сообщения: 155
Откуда: Минск
Авто: Ситроен С4 Гранд Пик
Имя: Дмитрий
Всем Спасибо за разьснения.


Вернуться к началу
 Профиль  
 
СообщениеДобавлено: 07 сен 2015, 11:09 
Не в сети
Заслуженный участник Клуба ЗУ-ОКА275

Зарегистрирован: 24 окт 2013, 11:44
Сообщения: 933
Откуда: Чувашия
Авто: КИА РИО 2018
Имя: Вячеслав
zmey71
И не забудьте подключить через диод доп. питание ТЛки и трансформатора +12 В в Минвеле.А то в зоне малых выходных напряжений будет бяка.

_________________
С уважением,Вячеслав.73!


Вернуться к началу
 Профиль  
 
СообщениеДобавлено: 07 сен 2015, 11:36 
Не в сети
Site Admin
Аватара пользователя

Зарегистрирован: 10 апр 2007, 22:36
Сообщения: 11260
Откуда: Новосибирск, Дзержинский
Авто: ВАЗ-21043
Имя: Алексей
Вячеслав-1 писал(а):
zmey71
И не забудьте подключить через диод доп. питание ТЛки и трансформатора +12 В в Минвеле.А то в зоне малых выходных напряжений будет бяка.

Ага, ниже 7 вольт примерно.

zmey71! Перечитайте прошлое мое сообщение, я кое что дополнил там. Обратите внимание на красные буквы! Ждем результатов.

_________________

Поблагодарить автора:
Контакты:
Телеграмм: alexSh154
Вконтакте
Одноквассники
Instagram


Вернуться к началу
 Профиль  
 
СообщениеДобавлено: 07 сен 2015, 20:36 
Не в сети
Site Admin
Аватара пользователя

Зарегистрирован: 10 апр 2007, 22:36
Сообщения: 11260
Откуда: Новосибирск, Дзержинский
Авто: ВАЗ-21043
Имя: Алексей
Мы тут привыкли считать, что все схемы силовых БП примерно одинаковые. Однако мой сосед dimmzk купил БП, о котором он писал ранее. БП оказался с SMD-элементами. Но самое главное то, что в нём поменяны местами роли усилителей ошибки. Они одинаковы по функционалу, но так уж сложилось, что стабилизацию напряжения выполняют на первом усилителе (1-2), а защиту по току на втором (15-16). А тут всё поменяли с ног на голову. Этот момент может серьезно взорвать мозг неподготовленному радиолюбителю, и даже совсем запутать. Так что будьте внимательны, господа! Я по прежнему буду просить замкнуть 2-14 ножки подразумевая то, что стабилизатор напряжения силового БП собран на первом усилителе ошибки.


_________________

Поблагодарить автора:
Контакты:
Телеграмм: alexSh154
Вконтакте
Одноквассники
Instagram


Вернуться к началу
 Профиль  
 
СообщениеДобавлено: 08 сен 2015, 02:54 
Не в сети
Участник Клуба ЗУ-ОКА275

Зарегистрирован: 31 мар 2013, 17:10
Сообщения: 155
Откуда: Минск
Авто: Ситроен С4 Гранд Пик
Имя: Дмитрий
Всем Привет!Докладываю,в своём БП вырезал всё что можно,привёл обвязку ТЛки как в схеме,все защиты выкинул,напругу показал после переделки 8.7 вольт,максимум 20.2, реле установлено и без него даже и не пытался включать зарядное,а про калибровку и не думал без него,откалибровал Амперметр,всё тихо,откалибровал вольтметр,в диапазоне вольт примерно от 3.5 до 5.5 слышно чуть потрескивание,в остальном диапазоне тишина гробовая,чуть поигрался с сопротивлением 38к,паралельно подключил 100к так для эксперимента,стала тишина.Вроде всё работает как надо,закину в корпус,там перекалибруюсь,всё по столу разбросано,с подстроечным резистором и ДТ разобрался.В прошлом ИБП всё и было сделано на оборот,в нём поменяны местами роли усилителей ошибки,привести в нормальный вид схему пока не удосужился,по случаю не хватки времени,хорошо что хоть по вечерам могу зарядное поковырять.Закончу это зарядное,буду ещё одно собирать для друга,вот тогда и снова займусь экспериментами с ИБП,у которого силовой транс трещал,даст Бог,с треском разберусь.
Вячеслав-1 Спасибо,это сделал сразу,дежурки то нет.


Вернуться к началу
 Профиль  
 
СообщениеДобавлено: 08 сен 2015, 03:11 
Не в сети
Уже был(а), и не раз, и не два

Зарегистрирован: 16 фев 2013, 20:56
Сообщения: 56
Откуда: молдавия
Имя: степан
Дмитрий что все таки было с датчиком тока?


Вернуться к началу
 Профиль  
 
СообщениеДобавлено: 08 сен 2015, 03:12 
Не в сети
Site Admin
Аватара пользователя

Зарегистрирован: 10 апр 2007, 22:36
Сообщения: 11260
Откуда: Новосибирск, Дзержинский
Авто: ВАЗ-21043
Имя: Алексей
zmey71 писал(а):
все защиты выкинул,

Жаль, что штатную защиту отключили. Хоть она и не участвует в работе, но на время тестов и сборки лишняя безопасность не повредит. Однако если есть сложности с запуском схемы и недопонимание принципа работы, то лучше эти защиты отключить. В противном случае они могут только помешать! Но при правильном приготовлении это очень полезная штуковина.

stepanici85 писал(а):
Дмитрий что все таки было с датчиком тока?

Да, интересно.

_________________

Поблагодарить автора:
Контакты:
Телеграмм: alexSh154
Вконтакте
Одноквассники
Instagram


Вернуться к началу
 Профиль  
 
СообщениеДобавлено: 08 сен 2015, 03:38 
Не в сети
Участник Клуба ЗУ-ОКА275

Зарегистрирован: 31 мар 2013, 17:10
Сообщения: 155
Откуда: Минск
Авто: Ситроен С4 Гранд Пик
Имя: Дмитрий
Защиту отключил,БП 30 Амперник,все калибровки провожу очень аккуратно,сильно не гружу,но 25 Ампер выдаёт без проблем,понимаю что защита полезная штука,слишком много деталек в обвязке,а это нужно разбираться,замучался с экспериментами,сделал по проще.
С ДТ всё было банально просто,после замены на новый ДТ,увидел что провода нагрузки подключил прямо на БП,а нужно после реле,и проверял же несколько раз,и не увидел.


Вернуться к началу
 Профиль  
 
СообщениеДобавлено: 08 сен 2015, 11:08 
Не в сети
Site Admin
Аватара пользователя

Зарегистрирован: 10 апр 2007, 22:36
Сообщения: 11260
Откуда: Новосибирск, Дзержинский
Авто: ВАЗ-21043
Имя: Алексей
zmey71 писал(а):
С ДТ всё было банально просто,после замены на новый ДТ,увидел что провода нагрузки подключил прямо на БП,а нужно после реле

вот так сидишь, научные трактаты пишешь, а на деле получается действительно банально. :crazy:

_________________

Поблагодарить автора:
Контакты:
Телеграмм: alexSh154
Вконтакте
Одноквассники
Instagram


Вернуться к началу
 Профиль  
 
СообщениеДобавлено: 08 сен 2015, 11:35 
Не в сети
Заслуженный участник Клуба ЗУ-ОКА275

Зарегистрирован: 24 окт 2013, 11:44
Сообщения: 933
Откуда: Чувашия
Авто: КИА РИО 2018
Имя: Вячеслав
zmey71
Ещё бесплатный совет:
в Минвеле отключите ВСЕ конденсаторы которые идут на корпус(НЕ на минус!) устройства,иначе при НЕ заземлённом корпусе Минвела проц. сходит с ума.Они есть на входе,по цепи 220 В и на выходе.В общем проверьте.Схемы под рукой нет.Дисковые ,голубенькие!

_________________
С уважением,Вячеслав.73!


Вернуться к началу
 Профиль  
 
СообщениеДобавлено: 08 сен 2015, 23:45 
Не в сети
Участник Клуба ЗУ-ОКА275

Зарегистрирован: 31 мар 2013, 17:10
Сообщения: 155
Откуда: Минск
Авто: Ситроен С4 Гранд Пик
Имя: Дмитрий
Вячеслав-1 Спасибо,уже сделано,писали об этом,да не совсем я уже баран,может чуть с трудом понимаю,а так всё нормально с головой.
oka275 Подскажите,номинал 38к и 0.01мк между второй и третьей ножкой Тлки,от чего пришли к таким номиналам,можно штатные номиналы оставить,и что от этого измениться?


Вернуться к началу
 Профиль  
 
СообщениеДобавлено: 09 сен 2015, 10:57 
Не в сети
Заслуженный участник Клуба ЗУ-ОКА275

Зарегистрирован: 24 окт 2013, 11:44
Сообщения: 933
Откуда: Чувашия
Авто: КИА РИО 2018
Имя: Вячеслав
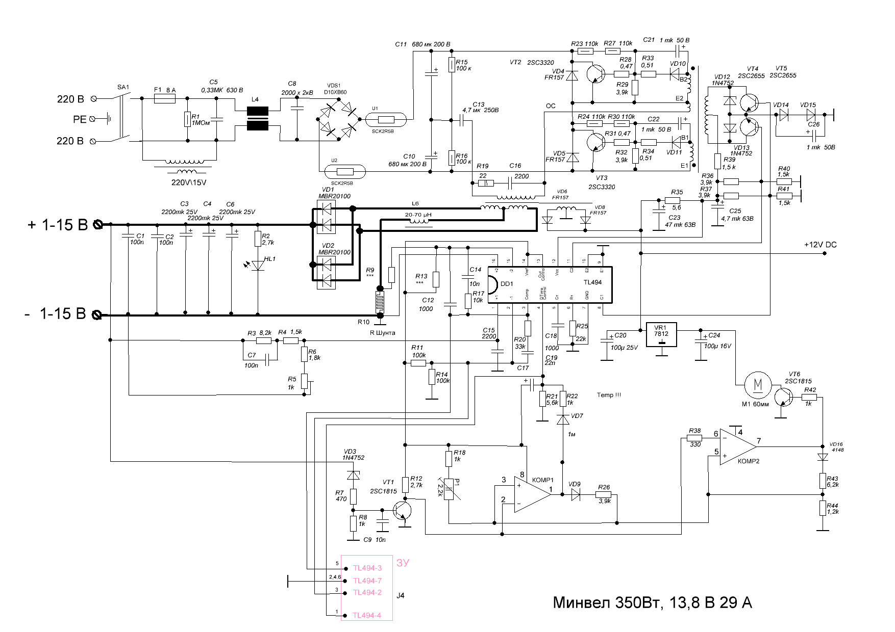
В Минвеле лучше коррекцию не трогать.Во всяком случае я не трогал.


Вложения:
Зарядное +БП.GIF
Зарядное +БП.GIF [ 65.39 КБ | Просмотров: 21028 ]

_________________
С уважением,Вячеслав.73!
Вернуться к началу
 Профиль  
 
СообщениеДобавлено: 09 сен 2015, 11:15 
Не в сети
Site Admin
Аватара пользователя

Зарегистрирован: 10 апр 2007, 22:36
Сообщения: 11260
Откуда: Новосибирск, Дзержинский
Авто: ВАЗ-21043
Имя: Алексей
zmey71 писал(а):
oka275 Подскажите,номинал 38к и 0.01мк между второй и третьей ножкой Тлки,от чего пришли к таким номиналам,можно штатные номиналы оставить,и что от этого измениться?

Это называется цепь коррекции. Она взята со схемы моего БП. Если номиналы изменить, могут появиться всякие сверчки и трески или во всем диапазоне токов/напряжений, или в участках.

С течением времени приходит понимание того, что в заводских БП типа MeanWell ее лучше не трогать, т.к. и со штатной, как правило, всё работает прекрасно. Надо будет переписать описание доработки и указать этот момент. Или снять видео, расставляющие все точки на "i". Слишком уж большой пласт для новичка, без бутылки не поймешь. Ибо в схеме указаны одни номиналы, по факту стоят другие, и далее идет рекомендация вообще не трогать цепь коррекции. Возникает логичный вопрос - а чему верить?...

Опять же заметил с течением времени, что если БП попался сговорчивым, то он будет работать хоть со штатной цепью, хоть с моими номиналами по схеме, хоть с номиналами Слона (у него нет последовательного резистора вообще, есть только конденсатор 0.1мкф). Если БП оказался придирчивым, но не сильно, то будет работать только со штатной цепью или с одной из них. Если БП и вовсе капризен, то ему ничего не поможет.

_________________

Поблагодарить автора:
Контакты:
Телеграмм: alexSh154
Вконтакте
Одноквассники
Instagram


Вернуться к началу
 Профиль  
 
СообщениеДобавлено: 09 сен 2015, 11:20 
Не в сети
Site Admin
Аватара пользователя

Зарегистрирован: 10 апр 2007, 22:36
Сообщения: 11260
Откуда: Новосибирск, Дзержинский
Авто: ВАЗ-21043
Имя: Алексей
Вячеслав, а какие резисторы нужно убрать, что бы снять автозапуск БП АТ? R23-R24? Я убирал сам, был в теме, но подзабыл.

_________________

Поблагодарить автора:
Контакты:
Телеграмм: alexSh154
Вконтакте
Одноквассники
Instagram


Вернуться к началу
 Профиль  
 
СообщениеДобавлено: 09 сен 2015, 12:42 
Не в сети
Заслуженный участник Клуба ЗУ-ОКА275

Зарегистрирован: 24 окт 2013, 11:44
Сообщения: 933
Откуда: Чувашия
Авто: КИА РИО 2018
Имя: Вячеслав
oka275
R23-24,27,30 Не скромный вопрос,а он,автозапуск, мешает?Я их не убирал!
По номиналам цепи коррекции, в схеме которую я выложил: я не автор.Просто схем Минвела в инете очень много,я не заморачивался,оставлял как есть в приобретённых БП. Списывать номиналы с платы БП у меня нет ни время, ни желания! И так всё работает прекрасно.

_________________
С уважением,Вячеслав.73!


Вернуться к началу
 Профиль  
 
СообщениеДобавлено: 09 сен 2015, 13:04 
Не в сети
Site Admin
Аватара пользователя

Зарегистрирован: 10 апр 2007, 22:36
Сообщения: 11260
Откуда: Новосибирск, Дзержинский
Авто: ВАЗ-21043
Имя: Алексей
Мне мешало.
Во-первых, у меня источник 12.6в запускался с задержкой, и в это время силовой БП конвульсирует.
Во-вторых, после выключения питания, в устройстве начинается анархия. Отчасти это потому, что силовой БП теряет управление от ПУ. На 4й ножке TL494 пропадает запрещающая лог.1, что приводит к попыткам автозапуска силового БП. То есть снова какие то конвульсии. Мне это не нравится, уж очень неприятные звуки издает. Вероятно это же не нравится моему "соседу" с Междуреченска - тоже задавался вопросом отключения автоподхвата АТ-бп. Собсно, я не для себя спрашивал, а больше наверное для него, хоть он и не просил.

PS. Сравнил схемы АТ и АТХ блоков. Да, это те самые резисторы! Так что вопрос снят.

_________________

Поблагодарить автора:
Контакты:
Телеграмм: alexSh154
Вконтакте
Одноквассники
Instagram


Вернуться к началу
 Профиль  
 
СообщениеДобавлено: 09 сен 2015, 23:47 
Не в сети
Участник Клуба ЗУ-ОКА275

Зарегистрирован: 31 мар 2013, 17:10
Сообщения: 155
Откуда: Минск
Авто: Ситроен С4 Гранд Пик
Имя: Дмитрий
oka275 Спаисбо,за ответ,переделал обвязку Тлки по Вашей схеме,был не большой сверчок при калибровке и работе на установке напряжения от примерно 3вольт до 5.5 вольт,писал об этом,поправил как было в заводской, всё тихо,если это можно назвать завод,скорей подвал,было такое предположение по моему БП,собран не очень аккуратно,думаю тоже коррекцию от заводской не трогать,но это лучше поэкспериментировать,как это сделал я,и нашол оптимальную работу ИБП с Блоком Управления,потиху в корпус внедряю,после всей сборки и калибовки отпишусь о результатах.Всем Спасибо и Удачи.


Вернуться к началу
 Профиль  
 
Показать сообщения за:  Поле сортировки  
Начать новую тему Ответить на тему  [ Сообщений: 11899 ]  На страницу Пред.  1 ... 232, 233, 234, 235, 236, 237, 238 ... 595  След.

Часовой пояс: UTC + 7 часов


Кто сейчас на конференции

Сейчас этот форум просматривают: нет зарегистрированных пользователей и гости: 2


Вы не можете начинать темы
Вы не можете отвечать на сообщения
Вы не можете редактировать свои сообщения
Вы не можете удалять свои сообщения
Вы не можете добавлять вложения

Найти:
Перейти:  
cron
Powered by phpBB® Forum Software © phpBB Group
Русская поддержка phpBB