Ока в Новосибирске

Клуб Окаводов Новосибирска
Текущее время: 16 мар 2026, 12:35

Часовой пояс: UTC + 7 часов




Начать новую тему Ответить на тему  [ Сообщений: 63 ]  На страницу Пред.  1, 2, 3, 4  След.
Автор Сообщение
СообщениеДобавлено: 20 авг 2013, 21:39 
Не в сети
Уже был(а), и не раз, и не два

Зарегистрирован: 17 фев 2013, 13:52
Сообщения: 125
Откуда: Беларусь-Гродно
Авто: Passat B3 1990
Имя: Артем
Собирал вот этот программатор, полностью рабочий (источник eldigi.ru).


Вложения:
JDM_367_shm.GIF
JDM_367_shm.GIF [ 57.31 КБ | Просмотров: 25383 ]
Вернуться к началу
 Профиль  
 
СообщениеДобавлено: 21 авг 2013, 03:09 
Не в сети
Уже был(а), и не раз, и не два

Зарегистрирован: 12 мар 2013, 23:15
Сообщения: 77
Авто: Opel Astra
Имя: Владимир
Спасибо за помощь! И подскажите еще пожалуйста: который вывод соответствует сигналу Data для PIC?


Вернуться к началу
 Профиль  
 
СообщениеДобавлено: 21 авг 2013, 11:32 
Не в сети
Заслуженный участник Клуба ЗУ-ОКА275
Аватара пользователя

Зарегистрирован: 01 апр 2012, 16:43
Сообщения: 461
Откуда: Самое Популярное Болото ;)
Авто: 11113, Almera Classi
Имя: Владимир
Vlad80 писал(а):
который вывод соответствует сигналу Data для PIC?

PGD. А вот какая это нога - надо ДШ выбранного камня глядеть. Обычно RB7. Для PIC16C62x это вывод 13 или 14 в зависимости от корпуса, для PIC16F877 (DIP) это вывод 40.

_________________
КамАЗ 11113 для души, Nissan Almera Classic для остального


Вернуться к началу
 Профиль  
 
СообщениеДобавлено: 22 авг 2013, 03:10 
Не в сети
Уже был(а), и не раз, и не два

Зарегистрирован: 12 мар 2013, 23:15
Сообщения: 77
Авто: Opel Astra
Имя: Владимир
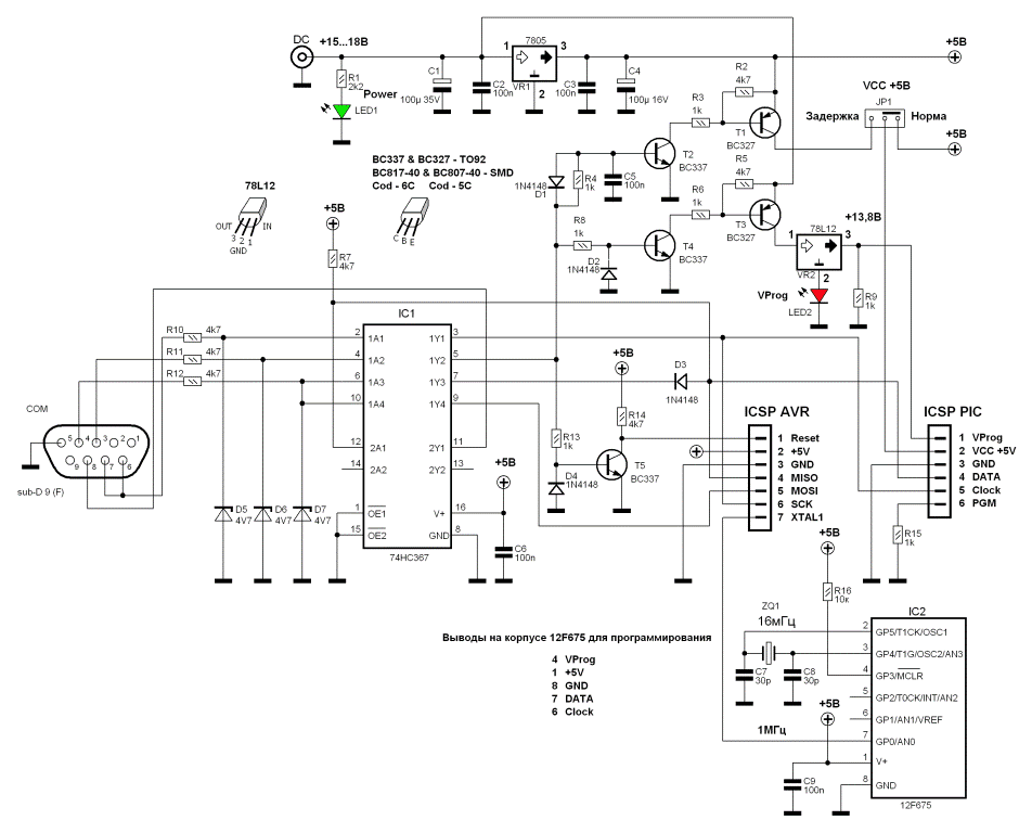
Доброго времени суток. Спасибо еще раз всем за советы и подсказки. Как оказалось, мне пока не придется собирать программатор, так, как раньше уже я собрал его вот по этой схеме:

ИзображениеИзображение

и вот, что из этого получилось: собственно сам программатор и отладочные платы для PIC и AVR

ИзображениеИзображение

Просто этот "ГАД" ну никак не хотел работать. Оказывается, ему не нравится микросхема МАХ232СРЕ (не знаю почему), а вот с микросхемой МАХ232N все путем: и шьет, и читает, и даже весело подмигивает светодиодами :Yahoo!: . Так что, ув. ока275 будем ждать Ваших уроков по программированию.


Вернуться к началу
 Профиль  
 
СообщениеДобавлено: 26 дек 2013, 21:58 
Не в сети
Новичок

Зарегистрирован: 26 дек 2013, 21:49
Сообщения: 1
Авто: Ford
Имя: Владимир
Ув. автор. А будет ли продолжение темы? Очень хочется присоединиться к обучающимся :)


Вернуться к началу
 Профиль  
 
СообщениеДобавлено: 07 янв 2014, 18:54 
Не в сети
Site Admin
Аватара пользователя

Зарегистрирован: 10 апр 2007, 22:36
Сообщения: 11260
Откуда: Новосибирск, Дзержинский
Авто: ВАЗ-21043
Имя: Алексей
Не пойму куда делось сообщение (помню точно, что отвечал). Обязательно будет! Просто было достаточно долгое время, когда я вообще не прикасался к теме программирования (были другие проблемы). Теперь снова вернулся к работе над ЗУ. А вот после него, если есть интерес, можно будет провести несколько уроков. Помигаем светодиодиками, потыкаем кнопочками, выведем на дисплей "Привет, Мир!", опросим термодатчик и запрограммируем часы. При этом буду делиться только тем, что знаю сам, без претензии на гениальность. И не из за желания повысить ЧСВ (меня можно будет вообще не читать), а больше для упорядочивания имеющейся в моей голове информации.

Всех с Рождеством! :)

_________________

Поблагодарить автора:
Контакты:
Телеграмм: alexSh154
Вконтакте
Одноквассники
Instagram


Вернуться к началу
 Профиль  
 
СообщениеДобавлено: 09 янв 2014, 23:00 
Не в сети
Уже был(а), и не раз, и не два

Зарегистрирован: 17 фев 2013, 13:52
Сообщения: 125
Откуда: Беларусь-Гродно
Авто: Passat B3 1990
Имя: Артем
oka275 писал(а):
А вот после него, если есть интерес, можно будет провести несколько уроков.


УРА :Yahoo!: , жду с нетерпением.


Вернуться к началу
 Профиль  
 
СообщениеДобавлено: 26 янв 2014, 01:19 
Не в сети
Site Admin
Аватара пользователя

Зарегистрирован: 10 апр 2007, 22:36
Сообщения: 11260
Откуда: Новосибирск, Дзержинский
Авто: ВАЗ-21043
Имя: Алексей
Заказал в Чип-НН макетную плату для монтажа без пайки EIC-402 http://chip-nn.ru/find.php?f=EIC-402 , набор проводов для них, DIP-овый микроконтроллер ATmega8, прочие проводки. Сколько ни думал над тем в каком виде все преподносить - или в куче соплей-проводков на столе, или для каждого занятия новую плату травить, но ничего более удобней, чем данная макетная плата ничего придумать не смог. Думаю, что мне она сгодится и не только в рамках данного проекта. А пока - по прежнему занят ЗУ. Уже хочется идти дальше, но нужно доделать начатое.

_________________

Поблагодарить автора:
Контакты:
Телеграмм: alexSh154
Вконтакте
Одноквассники
Instagram


Вернуться к началу
 Профиль  
 
СообщениеДобавлено: 03 дек 2014, 13:02 
Не в сети
Уже был(а), и не раз, и не два
Аватара пользователя

Зарегистрирован: 05 мар 2013, 11:25
Сообщения: 68
Откуда: Тамбов
Авто: Hyundai Getz
Имя: Юрий
Наткнулся на цикл статей про Eclipse. Сам когда начал изучать АВР начал с CVAVR из-за его простоты и генератора кода, но вот незадача, он платный, найти кряк конечно не проблема. Поработав с микропроцессорами с использованием компилятора GCC, понял что нужно переходить на стандарт, да и если посмотреть, многие хорошие прошивки для многих видом видов МК пишут с использованием компилятора GCC (для AVR это WinAVR, вроде как AVRStudio, правда и эта платная), от сюда стандарт в оформлении кода, намного проще портировать код. После CVAVR сам перешёл на WinAVR, правда редактор кода - убогий.
Начав изучать ARM (правда это другая история, но переплетается немного) сразу задумался над бесплатной IDE и на глаза попались:
1. "Конструктор самоделкин" Eclipse + ARM GNU Eclipse Plugin + Sourcery Codebench Lite Edition. Для меня это показалось сложным, хотя зря.
2. CoIDE или просто CooCox. Это тот же Eclipse, правда уже настроенный и готов к работе, почти, ему нужен только тулчайн, это не проблема.
Выбрал второй вариант, все прелести Eclipse здесь на лицо. Самое главное очень удобный редактор кода. В общем Eclipse - это "кухонный" комбайн, какие ему прикрутишь "насадки" (плагины), с тем он и будет работать. Написание и сама прошивка AVR, ARM, Android, программирование под Windows, Linux, Web и т.д.
Ну а потом наткнулся на цикл статей про Eclipse + AVR. Настраивается легко, бесплатный, очень удобный редактор кода и т.д., правда нет, а может уже и есть, генератора кода как CVAVR.
Ну и ещё нашёл, буквально вчера интересный программатор-отладчик. Прошить его можно с помощью переходника USB-UART. В списке поддерживаемых устройств в том числе и AVR.


Вернуться к началу
 Профиль  
 
СообщениеДобавлено: 03 дек 2014, 13:27 
Не в сети
Site Admin
Аватара пользователя

Зарегистрирован: 10 апр 2007, 22:36
Сообщения: 11260
Откуда: Новосибирск, Дзержинский
Авто: ВАЗ-21043
Имя: Алексей
Я сейчас пошучу, но в каждой доле шутки.. В общем слышно то, как взрываются мозги у самых начинающих. Какой эклипс, тулчайн и прочее? Спуститесь на землю :) Даже мне многое из написанного непонятно. В подобных ветках с умными названиями надо быть очень осторожно, ибо человек, делающий первые робкие шаги по миганию светодиодом, похож на растение. CVAVR - идеальная среда для таких вот "ростков" + русской документации и примеров в инете масса. Понаплодили, понимаешь, программ и стандартов! И не нужно на мой взгляд забивать мозги чем то другим. Многие таки и останутся на уровне мигания светодиодом, но это будет ИХ ПРОГРАММА. Это как увидеть Париж и умереть счастливым. Жаль только, что пока нет времени, что бы начать писать простейшие уроки, написанные кстати простейшим языком, от такого же крестьянина.

_________________

Поблагодарить автора:
Контакты:
Телеграмм: alexSh154
Вконтакте
Одноквассники
Instagram


Вернуться к началу
 Профиль  
 
СообщениеДобавлено: 03 дек 2014, 13:54 
Не в сети
Уже был(а), и не раз, и не два
Аватара пользователя

Зарегистрирован: 05 мар 2013, 11:25
Сообщения: 68
Откуда: Тамбов
Авто: Hyundai Getz
Имя: Юрий
Это на первый взгляд кажется всё слишком жутко, а на самом деле всё просто. По крайней мере для AVR (с ARM посложней). Собрал среду не спеша часа за 3 и то со скачиванием и чтением (а инет очень тормозной), скомпилировал прошивку, которую когда-то делал в WinAVR и запустил в Proteus. Итог: IDE с отличным редактором кода, бесплатная, можно прошивать и отлаживать. Нужно всего лишь не полениться и прочитать, а если самому попробовать, то потом не захочется возвращаться к CVAVR, ну разве что только сгенерировать первоначальную инициализацию и не поменьше лезть в даташит. У самого стоял CVAVR только ради генератора кода, а писал и компилировал в WinAVR.


Вернуться к началу
 Профиль  
 
СообщениеДобавлено: 15 дек 2016, 13:24 
Не в сети
Site Admin
Аватара пользователя

Зарегистрирован: 10 апр 2007, 22:36
Сообщения: 11260
Откуда: Новосибирск, Дзержинский
Авто: ВАЗ-21043
Имя: Алексей
Пожалуйста, Вячеслав! ))
Про ардуино. У нее есть достоинства! Прежде всего это то, что всю работу с периферией упростили до уровня детского сада. Вчера искал информацию про то, как работать с датчиком влажности DHT22, так кругом одни ардуино-проекты. Мне нужно было в первую очередь узнать по какой шине он работает. Но открыв несколько подобных проектов я так и не смог найти ответ, потому что юных "программистов" это совершенно не интересует. У них всё просто - подключил проводки как показано, залил скетч и всё заработало. А по какой там шине идут данные и как - а зачем? Грусть. Но еще раз повторюсь, что в своей нише ардуино вполне себе пригодно. Особенно когда надо быстро и без вникания в суть.

_________________

Поблагодарить автора:
Контакты:
Телеграмм: alexSh154
Вконтакте
Одноквассники
Instagram


Вернуться к началу
 Профиль  
 
СообщениеДобавлено: 15 дек 2016, 15:10 
Не в сети
Заслуженный участник Клуба ЗУ-ОКА275
Аватара пользователя

Зарегистрирован: 01 апр 2012, 16:43
Сообщения: 461
Откуда: Самое Популярное Болото ;)
Авто: 11113, Almera Classi
Имя: Владимир
oka275 писал(а):
искал информацию про то, как работать с датчиком влажности DHT22, так кругом одни ардуино-проекты. Мне нужно было в первую очередь узнать по какой шине он работает.

Очень упрощенный 1-wire. Если абстрагироваться от железа, принцип работы с ним можно подсмотреть
PIC16, Asm: http://radiolaba.ru/microcotrollers/dat ... lleru.html
Raspberry Pi, C: https://geektimes.ru/post/257750/

--
А мне такое надо подергать: ADF4351 и DAT-15R5A-SP+. На ардуино-скетчи вряд ли стоит надеяться, очень уж специфичные штучки, так что травим макетку и курим мануалы. Кстати, несмотря на разную длину команд болтаться эти железки должны на одной шине. И еще, данные для ADF4351 должны рассчитываться по ходу работы, так что ADISimPLL как калькулятор значений регистров - тоже не помощник.

_________________
КамАЗ 11113 для души, Nissan Almera Classic для остального


Вернуться к началу
 Профиль  
 
СообщениеДобавлено: 15 дек 2016, 18:00 
Не в сети
Заслуженный участник Клуба ЗУ-ОКА275

Зарегистрирован: 06 ноя 2016, 10:55
Сообщения: 94
Откуда: краснотурьинск
Авто: ваз2107
Имя: вячеслав
http://www.kondratev-v.ru/spravochnik/d ... th-22.html вот тут тоже неплохо написано. Сам DTH 22 не совсем надежный, я делал на нем проектик погодной станции, так вот он глючит конкретно именно тот который стоит на улице, а дома (в плюсовой температуре) работает отлично. Вообще в среда ардуино наверно и разрабатывалась для познания процессов программирования (начального) и в принципе там ничего сложного нет. Вот в вашем Алексей случае, можно подсмотреть примеры программирования в специально созданной библиотеке для этих датчиков DTH и работа по шине WIRE.


Вернуться к началу
 Профиль  
 
СообщениеДобавлено: 15 дек 2016, 18:37 
Не в сети
Site Admin
Аватара пользователя

Зарегистрирован: 10 апр 2007, 22:36
Сообщения: 11260
Откуда: Новосибирск, Дзержинский
Авто: ВАЗ-21043
Имя: Алексей
Да я уже нашел пример библиотеки, спасибо, Вячеслав. На счет того, что они глючат на морозе. Да в общем-то меня больше всего интересует влажность именно внутри помещения, чем снаружи. Про НЕ надёжность датчика слышать не приходилось, но придётся взять на заметку.

_________________

Поблагодарить автора:
Контакты:
Телеграмм: alexSh154
Вконтакте
Одноквассники
Instagram


Вернуться к началу
 Профиль  
 
СообщениеДобавлено: 30 янв 2017, 02:51 
Не в сети
Уже тут был(а)

Зарегистрирован: 15 янв 2017, 00:38
Сообщения: 12
Откуда: Уфа
Имя: Денис
сижу читаю про реализацию ШИМ на программном уровне, про таймеры, прерывания, делители...


есть простой пример для понимания? )


Вернуться к началу
 Профиль  
 
СообщениеДобавлено: 30 янв 2017, 22:28 
Не в сети
Уже тут был(а)

Зарегистрирован: 15 янв 2017, 00:38
Сообщения: 12
Откуда: Уфа
Имя: Денис
Нашёл простой пример работы с таймером: светодиод мигает на ножке PB0 (изменяет своё состояние) каждые 0.1 секунд (10 Гц).

Тактовая частота чипа в примере 11.0592 МГц, делитель 1024, т.е. 10800 тиков в секунду.

Таймер 16bit считает до 65536, затем переполняется и вызывает прерывание-обработчик, получается около 6 секунд между прерываниями.
Чтобы таймер сработал не через 6 секунд, а через нужные нам через 0.1 секунды (0.1с = 10800 * 0,1 = 1080 тиков), записываем в таймер начальное число "тиков", 64456 = 65536 - 1080.
Отсчёт начинается каждый раз с 64456 и вызывает прерывание через 1080 тиков (0.1с).

Код:
#include <avr/io.h>
#include <avr/interrupt.h>
 
ISR( TIMER1_OVF_vect )
{
  TCNT1 = 64456; //выставляем начальное значение TCNT1
  if( PINB & ( 1 << PB0 ) ) {
    PORTB &= ~( 1 << PB0 );
  }
  else {
    PORTB |= ( 1 << PB0 );
  }
}
 
int main()
{
  DDRB = ( 1 << PB0 );  // настраиваем PB0 на выход
  TCCR1B = (1<<CS12)|(0<<CS11)|(1<<CS10); // настраиваем делитель
  TIMSK |= (1<<TOIE1); // разрешаем прерывание по переполнению таймера
  TCNT1 = 64456;        // выставляем начальное значение TCNT1
  sei();                // выставляем бит общего разрешения прерываний
  while(1);             // вечный цикл
  return 0;
}

Текст свернут

сижу дальше изучаю )


Вернуться к началу
 Профиль  
 
СообщениеДобавлено: 30 янв 2017, 23:38 
Не в сети
Site Admin
Аватара пользователя

Зарегистрирован: 10 апр 2007, 22:36
Сообщения: 11260
Откуда: Новосибирск, Дзержинский
Авто: ВАЗ-21043
Имя: Алексей
Как-то похоже на вопрос, и тут же ответ на него :)

_________________

Поблагодарить автора:
Контакты:
Телеграмм: alexSh154
Вконтакте
Одноквассники
Instagram


Вернуться к началу
 Профиль  
 
СообщениеДобавлено: 31 янв 2017, 00:56 
Не в сети
Уже тут был(а)

Зарегистрирован: 15 янв 2017, 00:38
Сообщения: 12
Откуда: Уфа
Имя: Денис
на работе время выкроил чтобы выяснить, к тому же тут затишье, вдруг оживлю :D


Вернуться к началу
 Профиль  
 
СообщениеДобавлено: 31 янв 2017, 23:19 
Не в сети
Site Admin
Аватара пользователя

Зарегистрирован: 10 апр 2007, 22:36
Сообщения: 11260
Откуда: Новосибирск, Дзержинский
Авто: ВАЗ-21043
Имя: Алексей
Да, затишье надо оживлять :) Мне некогда.

_________________

Поблагодарить автора:
Контакты:
Телеграмм: alexSh154
Вконтакте
Одноквассники
Instagram


Вернуться к началу
 Профиль  
 
Показать сообщения за:  Поле сортировки  
Начать новую тему Ответить на тему  [ Сообщений: 63 ]  На страницу Пред.  1, 2, 3, 4  След.

Часовой пояс: UTC + 7 часов


Кто сейчас на конференции

Сейчас этот форум просматривают: нет зарегистрированных пользователей и гости: 3


Вы не можете начинать темы
Вы не можете отвечать на сообщения
Вы не можете редактировать свои сообщения
Вы не можете удалять свои сообщения
Вы не можете добавлять вложения

Найти:
Перейти:  
cron
Powered by phpBB® Forum Software © phpBB Group
Русская поддержка phpBB