Ока в Новосибирске

Клуб Окаводов Новосибирска
Текущее время: 27 фев 2026, 17:39

Часовой пояс: UTC + 7 часов




Начать новую тему Ответить на тему  [ Сообщений: 11898 ]  На страницу Пред.  1 ... 102, 103, 104, 105, 106, 107, 108 ... 595  След.

Актуальная статистика (не забывайте изменять статус!)
Собрал и буду собирать еще (соседу, свату, брату) 24%  24%  [ 57 ]
Собрал одно ЗУ 21%  21%  [ 49 ]
Уже собираю 28%  28%  [ 67 ]
Интересуюсь, размышляю - собирать или нет. Наверное буду. 26%  26%  [ 63 ]
Не буду собирать это устройство. 1%  1%  [ 3 ]
Всего голосов : 239
Автор Сообщение
СообщениеДобавлено: 16 май 2014, 15:54 
Не в сети
Уже тут был(а)

Зарегистрирован: 01 май 2014, 04:42
Сообщения: 26
Авто: fiat ducato 244
Имя: Слава
0 вольт


Вернуться к началу
 Профиль  
 
СообщениеДобавлено: 16 май 2014, 15:56 
Не в сети
Site Admin
Аватара пользователя

Зарегистрирован: 10 апр 2007, 22:36
Сообщения: 11296
Откуда: Новосибирск, Дзержинский
Авто: ВАЗ-21043
Имя: Алексей
Почему? Смотрите схему, не должно там быть 0 вольт. При питании в 12.6в там должно быть примерно 2.1В. Существенное отклонение этого напряжения в меньшую сторону расценивается МК как аварийное отключение электроэнергии и он предпринимает попытку записать состояние регистров в память. Числа на экране - количество успешных попыток.

_________________

Поблагодарить автора:
Контакты:
Телеграмм: alexSh154
Вконтакте
Одноквассники
Instagram


Последний раз редактировалось oka275 23 май 2017, 13:45, всего редактировалось 2 раз(а).
НА 2017г ИНФОРМАЦИЯ УСТАРЕЛА! Теперь на 35й ноге должно быть около 5В. Если на ней напряжение существенно ниже, то подбирайте стабилитрон ZD1 на напряжение открытия 8в, а так же проверьте нет ли просадки напряжения, именуемого как 12.6в


Вернуться к началу
 Профиль  
 
СообщениеДобавлено: 16 май 2014, 16:04 
Не в сети
Уже тут был(а)

Зарегистрирован: 01 май 2014, 04:42
Сообщения: 26
Авто: fiat ducato 244
Имя: Слава
Проверил цешку – 0 вольт, r17 чтоли оборван, а сколько должно быть.


Вернуться к началу
 Профиль  
 
СообщениеДобавлено: 16 май 2014, 16:11 
Не в сети
Site Admin
Аватара пользователя

Зарегистрирован: 10 апр 2007, 22:36
Сообщения: 11296
Откуда: Новосибирск, Дзержинский
Авто: ВАЗ-21043
Имя: Алексей
Идем сюда http://cxem.net/calc/divider_calc.php , вбиваем напряжение 12.6в, резистор 1 - 10 000, резистор 2 - 2000 (это все в омах) и жмем "Расчет" - узнаем какое должно быть напряжение после делителя, при учете отсутствия нагрузки на нем. Получаем 2.1В. По скольку нагрузка на делитель не большая (входы МК высокоомные), а резисторы имеют допуск обычно 5%, то от 1,995В. до 2.205В., при условии входного напряжения в 12.6в

_________________

Поблагодарить автора:
Контакты:
Телеграмм: alexSh154
Вконтакте
Одноквассники
Instagram


Вернуться к началу
 Профиль  
 
СообщениеДобавлено: 16 май 2014, 16:27 
Не в сети
Уже тут был(а)

Зарегистрирован: 01 май 2014, 04:42
Сообщения: 26
Авто: fiat ducato 244
Имя: Слава
Хорошо когда знаешь, как всё работает. Спасибо Алексей. R17 по схеме был в обрыве, заменил, сейчас на 35 ножке +1, 97 вольта, всё заработало, буду испытывать дальше.
Ещё раз спасибо.


Последний раз редактировалось slava80 16 май 2014, 16:41, всего редактировалось 1 раз.

Вернуться к началу
 Профиль  
 
СообщениеДобавлено: 16 май 2014, 16:35 
Не в сети
Site Admin
Аватара пользователя

Зарегистрирован: 10 апр 2007, 22:36
Сообщения: 11296
Откуда: Новосибирск, Дзержинский
Авто: ВАЗ-21043
Имя: Алексей
:friends:

_________________

Поблагодарить автора:
Контакты:
Телеграмм: alexSh154
Вконтакте
Одноквассники
Instagram


Вернуться к началу
 Профиль  
 
СообщениеДобавлено: 16 май 2014, 19:19 
Не в сети
Заслуженный участник Клуба ЗУ-ОКА275

Зарегистрирован: 26 дек 2013, 22:29
Сообщения: 144
Откуда: Санкт-Петербург
Имя: Сергей
Здравствуйте, Алексей!
Вчера отправил Вам личное сообщение. Прошу, при возможности, ответить.


Вернуться к началу
 Профиль  
 
СообщениеДобавлено: 16 май 2014, 19:37 
Не в сети
Site Admin
Аватара пользователя

Зарегистрирован: 10 апр 2007, 22:36
Сообщения: 11296
Откуда: Новосибирск, Дзержинский
Авто: ВАЗ-21043
Имя: Алексей
Сергей, здравствуйте! Я ничего не получал :( Есть письма от тех, кто писал мне вчера, но Вашего письма нет :( Вы точно нажали кнопку "Отправить"? Посмотрите в Отправленных у себя. Если что - копируйте на oka275(a)oka-nsk.ru

_________________

Поблагодарить автора:
Контакты:
Телеграмм: alexSh154
Вконтакте
Одноквассники
Instagram


Вернуться к началу
 Профиль  
 
СообщениеДобавлено: 16 май 2014, 23:19 
Не в сети
Site Admin
Аватара пользователя

Зарегистрирован: 10 апр 2007, 22:36
Сообщения: 11296
Откуда: Новосибирск, Дзержинский
Авто: ВАЗ-21043
Имя: Алексей
дошли таки руки подключить и посмотреть то, чего я хоть заказал... Вроде доволен, но надо дорабатывать.


_________________

Поблагодарить автора:
Контакты:
Телеграмм: alexSh154
Вконтакте
Одноквассники
Instagram


Вернуться к началу
 Профиль  
 
СообщениеДобавлено: 17 май 2014, 00:42 
Не в сети
Постоянец

Зарегистрирован: 30 янв 2014, 03:36
Сообщения: 238
Откуда: Таганрог
Авто: Accent
Имя: Алексей
oka275 писал(а):
дошли таки руки подключить и посмотреть то, чего я хоть заказал... Вроде доволен, но надо дорабатывать.

написал под видео))


Вернуться к началу
 Профиль  
 
СообщениеДобавлено: 17 май 2014, 01:49 
Не в сети
Уже был(а), и не раз, и не два

Зарегистрирован: 11 май 2014, 17:07
Сообщения: 94
Авто: шкода
Имя: Сергей
oka275 Ну что, прав я или нет? Проблему нагрева трансформатора кулер не решит. Трансформатор обмотан и охлаждение обмотки все равно не будет. И это при 11 амперах. Не бойтесь перемотать трансформатор от БП компьютера. Там все предельно просто а результат такой, что вы ни в каком китайском блоке не купите. Трансформатор кипятить 20 минут в воде. После этого он прекрасно разбирается. Запоминаете в каком направлении намотана верхняя часть первичной обмотки. Как правило там 19 витков. Сматываете и ложите в сторону. Потом сматываете все низковольтные обмотки. Потом из провода диаметром от 0.5 до 0.7 мм, делаете канатик. Один провод диаметром 0.5, пропускает без нагрева 0.5А а провод 0.7 1 А тока. Количесво жил в канатике, расчитывается согласно требуемого выходного тока. Сначала мотаем одну обмотку по часовой стрелке. Количество витков 7. Потом столько же против часовой. Начало и конец соединяем. Это будет средняя точка. или не соединяем а ставим на выходе диодный мост. Выйдет двуполярное питание. На один виток обмотки, выйдет 3 вольта выходного напряжения. Если канатик из 10-12 жил, то в маленький сердечник просто больше чем два по сем витков не влезет. Если сердечник по больше, то можно и больше намотать. Надо только учитывать, что максимальное выходное напряжение будет на 5 вольт меньше расчетного. Это для запаса ШИМ регулировки. Иначе ШИМ пойдет в разнос и будут такие трели, что слушать страшно. Каждый слой обмотки нужно изолировать между собой. В конце наматываем ту обмотку, что была самой первой. Собираем сердечник. Склеиваем каплей суперклея.
Вложение:
P1012422.JPG
P1012422.JPG [ 569.64 КБ | Просмотров: 17041 ]


Вернуться к началу
 Профиль  
 
СообщениеДобавлено: 17 май 2014, 01:51 
Не в сети
Site Admin
Аватара пользователя

Зарегистрирован: 10 апр 2007, 22:36
Сообщения: 11296
Откуда: Новосибирск, Дзержинский
Авто: ВАЗ-21043
Имя: Алексей
Cергей 78 писал(а):
oka275 Ну что, прав я или нет?

:sorry: ммм, а не знаю. Трудно сказать.

Cергей 78 писал(а):
Проблему нагрева трансформатора кулер не решит. Трансформатор обмотан и охлаждение обмотки все равно не будет. И это при 11 амперах.

А при чем тут трансформатор? Абсолютно все внутри нагрето примерно одинаково, за исключением ВВ-транзисторов (температуры тела) и диодного моста (греется сильно - не терпят пальцы). Это дает мне право думать о том, что детали в ИБП подобраны с одинаковым запасом по мощности. Кроме того не забывайте, что на видео нет никакой вентиляции вообще, а это не расчетный режим работы. Все эти ИБП рассчитаны на работу с исключительно активным охлаждением.

Что касается конкретно трансформатора, то соглашусь частично с тем, что ему хуже всех. Но это не значит, что он завернут в тулуп, или находится в термосе. Греется что? Проволока. Она имеет достаточное сечение и теплопроводность. Кроме того она намертво впаяна в плату, печатные проводники которой усилены в том месте, и потому хорошо отводят тепло. Трансформатор стоит на сквозняке, что еще больше его радует. В общем, 20А с активным охлаждением (как и положено) он будет держать не напрягаясь. А 30А для него конечно максимальная мощность.

Спасибо за рассказ о перемотке - поучительно. Обязательно запомню! Однако применять на практике эти знания я пока остерегусь. Мне хватит 20А с этого ИБП. А что касается перемотки комповых трансов - а смысл? Только что бы удовлетворить собственное самолюбие и удалить ненужные обмотки? Так они мне не мешают. А какой смысл делать вторичную обмотку сильнее, если первичная обмотка жидковата, как и управляющие ей цепи ("горячая" часть ИБП). Чудес же не бывает. Что бы снять с транса больше, надо и вдуть в него больше. А это уже будет совсем другой ИБП.

_________________

Поблагодарить автора:
Контакты:
Телеграмм: alexSh154
Вконтакте
Одноквассники
Instagram


Вернуться к началу
 Профиль  
 
СообщениеДобавлено: 17 май 2014, 01:57 
Не в сети
Уже был(а), и не раз, и не два

Зарегистрирован: 11 май 2014, 17:07
Сообщения: 94
Авто: шкода
Имя: Сергей
Первичная обмотка рассчитана на мощность блока. В принципе ее легко можно умощнить, проводом по толще. Но если даже снимать 20 А при 14 вольтах, то это 280 ват и она это выдерживает, если блок мощностью 300 и более ват. А смысл перемотки хотя бы в том, что блок от компа можно взять в любой мастерской по ремонту компьютеров почти даром. У меня без кулера 10 А вообще без разогрева держит.


Вернуться к началу
 Профиль  
 
СообщениеДобавлено: 17 май 2014, 02:02 
Не в сети
Site Admin
Аватара пользователя

Зарегистрирован: 10 апр 2007, 22:36
Сообщения: 11296
Откуда: Новосибирск, Дзержинский
Авто: ВАЗ-21043
Имя: Алексей
Кстати, а ничего то, что с изменением сечения провода нужно заново пересчитывать количество витков? Параметры трансформатора ведь необратимо изменяются.

_________________

Поблагодарить автора:
Контакты:
Телеграмм: alexSh154
Вконтакте
Одноквассники
Instagram


Вернуться к началу
 Профиль  
 
СообщениеДобавлено: 17 май 2014, 02:10 
Не в сети
Уже был(а), и не раз, и не два

Зарегистрирован: 11 май 2014, 17:07
Сообщения: 94
Авто: шкода
Имя: Сергей
Количество витков нужно пересчитывать только если менять частоту ШИМ. Если первичку не трогать, то вторичку можно мотать каким хочешь диаметром и столько хочешь витков. Да и если что, то программ для расчета есть много.


Вернуться к началу
 Профиль  
 
СообщениеДобавлено: 17 май 2014, 02:16 
Не в сети
Site Admin
Аватара пользователя

Зарегистрирован: 10 апр 2007, 22:36
Сообщения: 11296
Откуда: Новосибирск, Дзержинский
Авто: ВАЗ-21043
Имя: Алексей
Cергей 78 писал(а):
Но если даже снимать 20 А при 14 вольтах, то это 280 ват и она это выдерживает, если блок мощностью 300 и более ват

Тоже так думал. Но не смог скачать со своего компового ИБП более 8,5 ампер - начинала срабатывать защита по току. 12*8.5 это всего 102 ватта, при мощности БП в 250. И кому (чему) верить теперь?

_________________

Поблагодарить автора:
Контакты:
Телеграмм: alexSh154
Вконтакте
Одноквассники
Instagram


Вернуться к началу
 Профиль  
 
СообщениеДобавлено: 17 май 2014, 02:20 
Не в сети
Уже был(а), и не раз, и не два

Зарегистрирован: 11 май 2014, 17:07
Сообщения: 94
Авто: шкода
Имя: Сергей
Думаю это не защита по току срабатывала, а просто шел перекос нагрузки. Комповый блок очень не любит, если нагружать только одну из вторичных обмоток. Если все обмотки нагрузить расчетным током, то он отдаст расчетную мощность.

Блок видит что в 12-ти вольтовой обмотке, напряжение под нагрузкой проседает, он его старается поднять. Но получается что на остальных выходах начинает расти напряжение выше нормы и он начинает снижать мощность. Короче впадает в панику ))


Вернуться к началу
 Профиль  
 
СообщениеДобавлено: 17 май 2014, 02:27 
Не в сети
Site Admin
Аватара пользователя

Зарегистрирован: 10 апр 2007, 22:36
Сообщения: 11296
Откуда: Новосибирск, Дзержинский
Авто: ВАЗ-21043
Имя: Алексей
Cергей 78 писал(а):
Если канатик из 10-12 жил, то в маленький сердечник просто больше чем два по сем витков не влезет.

12 жил по 1А каждая - 12 ампер. Хочу 20. И как быть? Брать другой сердечник, заканчивать высшее образование и садиться пересчитывать транформатор? В тех программах без бутылки не разберешь.

Cергей 78 писал(а):
Думаю это не защита по току срабатывала, а просто шел перекос нагрузки

не знаю какой там перекос и куда, но срабатывало именно через 16ю ножку TL494. Пришлось чуть изменить параметры делителя.

Cергей 78 писал(а):
Если все обмотки нагрузить расчетным током, то он отдаст расчетную мощность.

другими словами надо убрать все левые обмотки и намотать одну нормальную. Вы про это говорите?

Cергей 78 писал(а):
Блок видит что в 12-ти вольтовой обмотке, напряжение под нагрузкой проседает, он его старается поднять. Но получается что на остальных выходах начинает расти напряжение выше нормы и он начинает снижать мощность.

Интересно, как блок видит, что на остальных выводах напряжение растет выше нормы, если обратная связь TL494 организована ТОЛЬКО по 12 вольтовому каналу? Очень смелое утверждение, но опрометчивое. Осторожней!

_________________

Поблагодарить автора:
Контакты:
Телеграмм: alexSh154
Вконтакте
Одноквассники
Instagram


Вернуться к началу
 Профиль  
 
СообщениеДобавлено: 17 май 2014, 02:37 
Не в сети
Уже был(а), и не раз, и не два

Зарегистрирован: 11 май 2014, 17:07
Сообщения: 94
Авто: шкода
Имя: Сергей
oka275-Интересно, как блок видит, что на остальных выводах напряжение растет выше нормы, если обратная связь TL494 организована ТОЛЬКО по 12 вольтовому каналу? Очень смелое утверждение, но опрометчивое. Осторожней!
Ответ- Почему только по 12 вольтовой? Тут уже Вы опрометчивые утверждения делаете.
Да, я говорю, что на одну обмотку блок отдаст больше. А если хотите больше ампер. по любому нужен сердечник по больше. от этого никуда не денешся.
Высчитал, что 12 жил провода 0.5 мм, выдают максимальный расчетный ток в 16 А.


Вернуться к началу
 Профиль  
 
СообщениеДобавлено: 17 май 2014, 02:47 
Не в сети
Site Admin
Аватара пользователя

Зарегистрирован: 10 апр 2007, 22:36
Сообщения: 11296
Откуда: Новосибирск, Дзержинский
Авто: ВАЗ-21043
Имя: Алексей
Cергей 78 писал(а):
Ответ- Почему только по 12 вольтовой?

Потому что:

1. Не зачем контролировать то, чего нет. Вернее то, что отключено/заглушено/откушено.
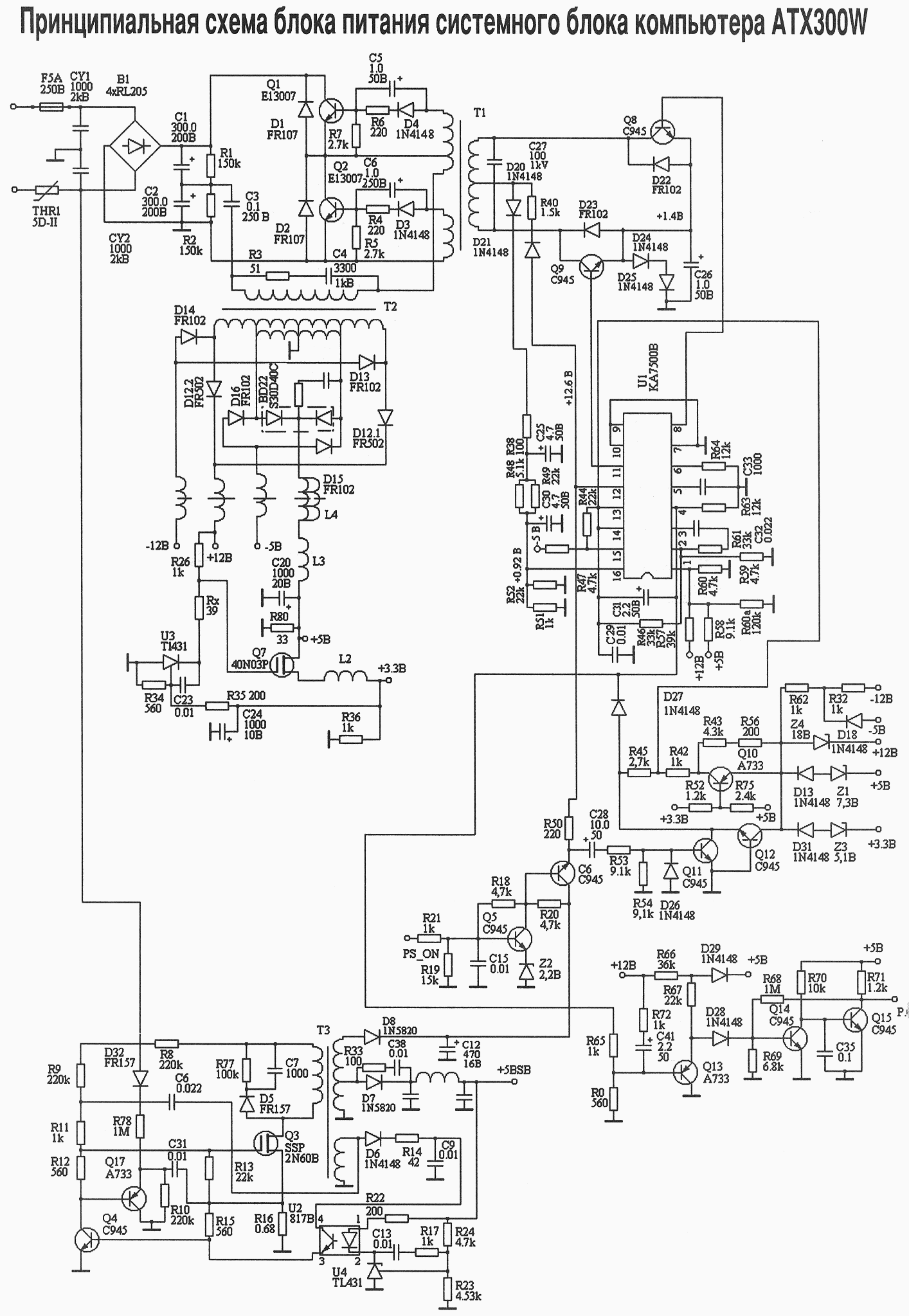
2. У TL494 всего одна ножка обратной связи по напряжению. С завода туда приходят напряжения с каналов +12 и +5в (см. R57-R58 на схеме), но при переделке последний канал заглушается, связь рвется и остается только одна обратная связь по каналу +12. Каким третьим глазом TL494 может контролировать другие обмотки, про которые вы утверждаете, мне неведомо. Внятное объяснение поможет разбить рождающиеся подозрения.


Вложения:
похоже мой бп.gif
похоже мой бп.gif [ 224.46 КБ | Просмотров: 17027 ]

_________________

Поблагодарить автора:
Контакты:
Телеграмм: alexSh154
Вконтакте
Одноквассники
Instagram
Вернуться к началу
 Профиль  
 
Показать сообщения за:  Поле сортировки  
Начать новую тему Ответить на тему  [ Сообщений: 11898 ]  На страницу Пред.  1 ... 102, 103, 104, 105, 106, 107, 108 ... 595  След.

Часовой пояс: UTC + 7 часов


Кто сейчас на конференции

Сейчас этот форум просматривают: нет зарегистрированных пользователей и гости: 2


Вы не можете начинать темы
Вы не можете отвечать на сообщения
Вы не можете редактировать свои сообщения
Вы не можете удалять свои сообщения
Вы не можете добавлять вложения

Найти:
Перейти:  
cron
Powered by phpBB® Forum Software © phpBB Group
Русская поддержка phpBB