Ока в Новосибирске

Клуб Окаводов Новосибирска
Текущее время: 23 мар 2026, 14:23

Часовой пояс: UTC + 7 часов




Начать новую тему Ответить на тему  [ Сообщений: 1507 ]  На страницу Пред.  1 ... 7, 8, 9, 10, 11, 12, 13 ... 76  След.
Автор Сообщение
СообщениеДобавлено: 11 мар 2015, 23:24 
Не в сети
Site Admin
Аватара пользователя

Зарегистрирован: 10 апр 2007, 22:36
Сообщения: 11260
Откуда: Новосибирск, Дзержинский
Авто: ВАЗ-21043
Имя: Алексей
sobolew писал(а):
Мне как то боязно импульсный транс перематывать, есть еще ИБП 48В 12,5А но придется искать другой корпус.

sobolew писал(а):
ИБП 48В 12,5А

и он точно на TL494?? :shock: Везет Вам :)
48 вольт конечно многовато, придется пересчитывать делители на вольтметрах, ну и точность установки напряжений будет хуже. Но это только предположения.

_________________

Поблагодарить автора:
Контакты:
Телеграмм: alexSh154
Вконтакте
Одноквассники
Instagram


Вернуться к началу
 Профиль  
 
СообщениеДобавлено: 11 мар 2015, 23:36 
Не в сети
Уже был(а), и не раз, и не два
Аватара пользователя

Зарегистрирован: 20 мар 2013, 19:50
Сообщения: 100
Откуда: Енакиево ДНР
Авто: Aveo
Имя: Андрей
oka275 писал(а):
sobolew писал(а):
и он точно на TL494?? :shock: Везет Вам :)

не уверен, еще не вскрывал.

добавлено: К моему огорчению ИБП на 48 вольт на другой микрухе собран,14 ног в дипе название затерто


Вернуться к началу
 Профиль  
 
СообщениеДобавлено: 15 мар 2015, 03:59 
Не в сети
Уже был(а), и не раз, и не два

Зарегистрирован: 11 май 2014, 17:07
Сообщения: 94
Авто: шкода
Имя: Сергей
Может кого заинтересует такой вариант дежурки. Тянет 800 ма без заметного нагрева.
http://radiosait.ucoz.ru/news/regulirue ... 13-09-03-9
Напряжение может регулироваться.
Алексей, где то читал, что у вас запускается с опозданием питание платы управления и силовой блок неконтролируемый первые секунды. Попробуйте вывести с платы управления сигнал на 4 ногу TL494. Эта нога отвечает за запуск TL494. Пока на этот вывод не придет минус питания, силовой блок не запустится. Соеденив соответственно через резистор этот вывод с плюсом дежурки силового блока, можно управлять запуском, подав минус через делитель, прямо с блока питания платы управления. Это конечно как вариант, возможно есть решения и получше.


Вернуться к началу
 Профиль  
 
СообщениеДобавлено: 15 мар 2015, 14:18 
Не в сети
Site Admin
Аватара пользователя

Зарегистрирован: 10 апр 2007, 22:36
Сообщения: 11260
Откуда: Новосибирск, Дзержинский
Авто: ВАЗ-21043
Имя: Алексей
Cергей 78 писал(а):
Может кого заинтересует такой вариант дежурки. Тянет 800 ма без заметного нагрева.

Великолепная статья! Спасибо!

Cергей 78 писал(а):
Попробуйте вывести с платы управления сигнал на 4 ногу TL494. Эта нога отвечает за запуск TL494.

Сергей, спасибо, я в курсе. 4й ножкой TL494 я уже управляю (см.схему ЗУ), а именно - глушу TL494, когда ЗУ находится в режиме "РАЗРЯД АКБ", или когда он не находится ни в одном из режимов. Что бы "заткнуть" силовой БП, нужно подать на ту ножку логическую единицу (далее "лог1") - верно. Эксперименты, которые я уже успел провести, показывают, что лог1 на той ножке надо держать достаточно долго, вплоть до полного разряда электролитических конденсаторов. Иначе, если лог1 "отпустить" раньше, возможны попытки TL494 запуститься на остаточном напряжении, что вызовет тот самый побочный эффект, от которого я и пытался уйти (хаотичные конвульсии). Следовательно, этот лог1 должен быть достаточно "живучим", стабильным на всем протяжении разрядки "электролитов", и в идеале пропадать только после того, когда "литы" полностью разрядятся. В условиях питания всей схемы от остаточного заряда, такой лог1 надо еще где то взять. Может несколько утрировано обрисовал, но мои сомнения должны быть понятны. Потому, лучше всего в этом случае, лишать TL494 питания по 12й ножке. Например, поставив электронный ключ, управляемый напряжением 12.6в. Если тот БП еще не запустился, 12.6в еще нет - TL494 обесточена, генерации нет. Как только БП запустился, 12.6в появилось - ключ открылся, TL494 получила свое родненькое питание (к которому "привыкла") и всё поехало. Ну или просто запитать TL494 от 12.6В, но имею свое мнение, что это не совсем правильно.

_________________

Поблагодарить автора:
Контакты:
Телеграмм: alexSh154
Вконтакте
Одноквассники
Instagram


Вернуться к началу
 Профиль  
 
СообщениеДобавлено: 15 мар 2015, 14:38 
Не в сети
Уже был(а), и не раз, и не два

Зарегистрирован: 11 май 2014, 17:07
Сообщения: 94
Авто: шкода
Имя: Сергей
Раз 4 ножка уже под управлением, то Вы все правильно рассуждаете. Я пока Ваше устройство не собирал(сильно цена на радиодетали теперь кусается и обстановка в стране не способствует) так что в принцип работы не вникал. Так что могу что и нелепое сказануть :oops:


Вернуться к началу
 Профиль  
 
СообщениеДобавлено: 16 мар 2015, 19:42 
Не в сети
Уже был(а), и не раз, и не два

Зарегистрирован: 10 сен 2014, 14:08
Сообщения: 105
Имя: Максим
Сегодня решил перемотать трансформатор, но в отличие от предыдущих хорошо разобравшихся, эта попытка успехом не увенчалась.. Хрупкие они какие то очень, сломал феррит.. Кто-нить может заказывал себе феррит с бобиной? Хочу добиться большей мощности от ИБП.. Какой посоветуете трансформатор для максимальной мощности? И еще, что использовали как изоляцию между обмотками в замен стандартной желтой ленты?


Вернуться к началу
 Профиль  
 
СообщениеДобавлено: 17 мар 2015, 00:12 
Не в сети
Уже был(а), и не раз, и не два

Зарегистрирован: 11 май 2014, 17:07
Сообщения: 94
Авто: шкода
Имя: Сергей
Для изоляции у меня есть еще со старых времен, липкая стеклолента. Абсолютно не боится перегрева. А так можно бумагу использовать или фторопластовую ленту. Можно трапяную изоленту.


Вернуться к началу
 Профиль  
 
СообщениеДобавлено: 17 мар 2015, 07:14 
Не в сети
Уже был(а), и не раз, и не два

Зарегистрирован: 10 сен 2014, 14:08
Сообщения: 105
Имя: Максим
Кстати кто знает можно ли склеивать треснувший феррит?


Вернуться к началу
 Профиль  
 
СообщениеДобавлено: 17 мар 2015, 12:27 
Не в сети
Уже был(а), и не раз, и не два

Зарегистрирован: 11 май 2014, 17:07
Сообщения: 94
Авто: шкода
Имя: Сергей
Можно.


Вернуться к началу
 Профиль  
 
СообщениеДобавлено: 17 мар 2015, 13:32 
Не в сети
Уже был(а), и не раз, и не два

Зарегистрирован: 10 сен 2014, 14:08
Сообщения: 105
Имя: Максим
Спасибо, Сергей!


Вернуться к началу
 Профиль  
 
СообщениеДобавлено: 17 мар 2015, 13:41 
Не в сети
Уже был(а), и не раз, и не два

Зарегистрирован: 10 сен 2014, 14:08
Сообщения: 105
Имя: Максим
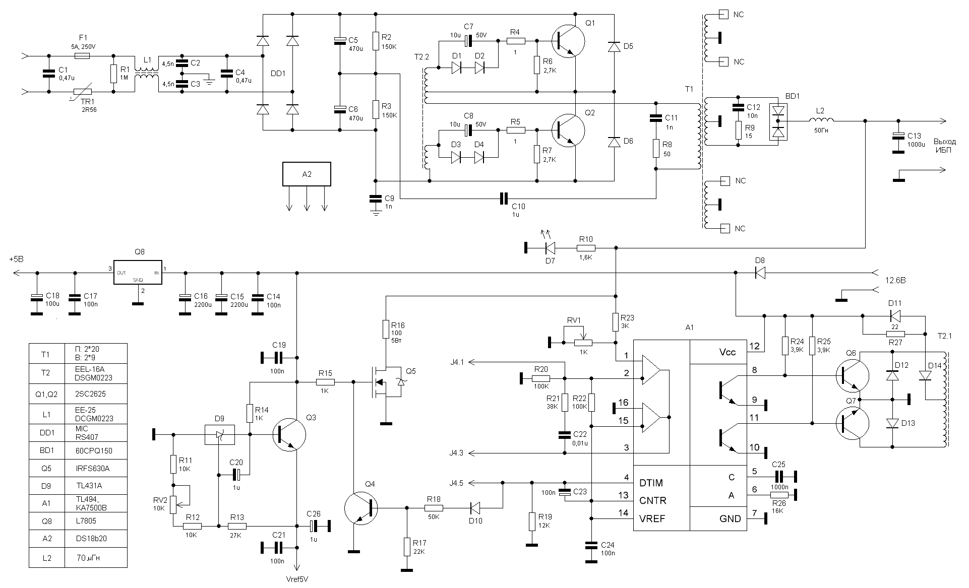
Выкладываю свою схему ИБП, может кому пригодится кто собирает ИБП из запчастей.. там же источник опорного напрядения 5В и просто 5В..


Вложения:
БП V.2.0.GIF
БП V.2.0.GIF [ 44.38 КБ | Просмотров: 16105 ]
Вернуться к началу
 Профиль  
 
СообщениеДобавлено: 17 мар 2015, 22:56 
Не в сети
Постоянец

Зарегистрирован: 11 ноя 2014, 18:10
Сообщения: 151
Откуда: Новосибирск
Авто: nissan patrol
Имя: Константин
vakulyuk писал(а):
Выкладываю свою схему ИБП, может кому пригодится кто собирает ИБП из запчастей.. там же источник опорного напрядения 5В и просто 5В..

А Вы запустили БП по этой схеме? Позвольте покритиковать немного .
В класической схеме эмиттеры Q6.Q7, подключены к общему через параллельно соединенные диод и конденсатор, чтоб обеспечить надёжное закрытие.
Резистор R27 обычно стоит 1,5К, у Вас Т2 запитан от 12,6, то думаю 750 ом будет самое то , но нужно смотреть с конкретным трансформатором. И можно выкинуть D11. он там не нужен.


Вернуться к началу
 Профиль  
 
СообщениеДобавлено: 18 мар 2015, 00:52 
Не в сети
Заслуженный участник Клуба ЗУ-ОКА275

Зарегистрирован: 14 мар 2014, 16:47
Сообщения: 596
Имя: Сергей
vakulyuk В качестве изоляции между слоями хорошо идет малярный скотч.Уже несколько лет мотаю с молярным скотчем и проблем не возникало ни разу.


Вернуться к началу
 Профиль  
 
СообщениеДобавлено: 18 мар 2015, 01:29 
Не в сети
Постоянец

Зарегистрирован: 11 ноя 2014, 18:10
Сообщения: 151
Откуда: Новосибирск
Авто: nissan patrol
Имя: Константин
Поддержу serg1968-09, тоже часто применяю малярный скотч, конечно для EI 16 может и толстоват, но если размер транса побольше, то самый раз.


Вернуться к началу
 Профиль  
 
СообщениеДобавлено: 18 мар 2015, 01:31 
Не в сети
Site Admin
Аватара пользователя

Зарегистрирован: 10 апр 2007, 22:36
Сообщения: 11260
Откуда: Новосибирск, Дзержинский
Авто: ВАЗ-21043
Имя: Алексей
Изображение
Малярный скотч - это вот это? По структуре - тонкая липкая бумага? Нет???
PS. Ну не маляр я.. :oops:

_________________

Поблагодарить автора:
Контакты:
Телеграмм: alexSh154
Вконтакте
Одноквассники
Instagram


Вернуться к началу
 Профиль  
 
СообщениеДобавлено: 18 мар 2015, 01:37 
Не в сети
Постоянец

Зарегистрирован: 11 ноя 2014, 18:10
Сообщения: 151
Откуда: Новосибирск
Авто: nissan patrol
Имя: Константин
Да, это он.


Вернуться к началу
 Профиль  
 
СообщениеДобавлено: 18 мар 2015, 02:35 
Не в сети
Заслуженный участник Клуба ЗУ-ОКА275

Зарегистрирован: 14 мар 2014, 16:47
Сообщения: 596
Имя: Сергей
uni-el Согласен с вами,Константин,для мелких трансов этот скотч толстоват.Для маленьких трансов применяю обычный,прозрачный скотч.


Вернуться к началу
 Профиль  
 
СообщениеДобавлено: 18 мар 2015, 10:15 
Не в сети
Уже был(а), и не раз, и не два

Зарегистрирован: 10 сен 2014, 14:08
Сообщения: 105
Имя: Максим
uni-el писал(а):
А Вы запустили БП по этой схеме? Позвольте покритиковать немного .

Конечно запускал и он довольно хорошо работает) В основном для того и выложил чтобы ктонить покритиковал или поправил если что не так. R27 думал поднять или нет, пока так и остается 22 Ом, может позже заменю (до этого R27 было 1.5к, но и дежурка 28 В была). Что касается эмиторов Q6 и Q7, то тут я ничего не менял, это было в исходном ИБП. Думаете класическая схема лучше? И про D11 не подскажите для чего он там вообще был нужен?


Вернуться к началу
 Профиль  
 
СообщениеДобавлено: 18 мар 2015, 11:45 
Не в сети
Постоянец

Зарегистрирован: 11 ноя 2014, 18:10
Сообщения: 151
Откуда: Новосибирск
Авто: nissan patrol
Имя: Константин
D11 входит в состав токовой защиты, заведенной на 16 ногу TL. У Вас этого нет. Где-то Алексей выкладывал схему по моему стр. 206. В соседней ветке.
Что лучше? Классика или нет? Тут думаю надо возможно ближе придерживаться схемы "донора", откуда берется ТГР.


Вернуться к началу
 Профиль  
 
СообщениеДобавлено: 18 мар 2015, 12:40 
Не в сети
Site Admin
Аватара пользователя

Зарегистрирован: 10 апр 2007, 22:36
Сообщения: 11260
Откуда: Новосибирск, Дзержинский
Авто: ВАЗ-21043
Имя: Алексей
uni-el писал(а):
D11 входит в состав токовой защиты, заведенной на 16 ногу TL. У Вас этого нет. Где-то Алексей выкладывал схему по моему стр. 206

viewtopic.php?f=21&t=1316&p=40465#p40465

_________________

Поблагодарить автора:
Контакты:
Телеграмм: alexSh154
Вконтакте
Одноквассники
Instagram


Вернуться к началу
 Профиль  
 
Показать сообщения за:  Поле сортировки  
Начать новую тему Ответить на тему  [ Сообщений: 1507 ]  На страницу Пред.  1 ... 7, 8, 9, 10, 11, 12, 13 ... 76  След.

Часовой пояс: UTC + 7 часов


Кто сейчас на конференции

Сейчас этот форум просматривают: нет зарегистрированных пользователей и гости: 4


Вы не можете начинать темы
Вы не можете отвечать на сообщения
Вы не можете редактировать свои сообщения
Вы не можете удалять свои сообщения
Вы не можете добавлять вложения

Найти:
Перейти:  
cron
Powered by phpBB® Forum Software © phpBB Group
Русская поддержка phpBB