Ока в Новосибирске

Клуб Окаводов Новосибирска
Текущее время: 26 дек 2025, 03:13

Часовой пояс: UTC + 7 часов




Начать новую тему Ответить на тему  [ Сообщений: 11881 ]  На страницу Пред.  1 ... 580, 581, 582, 583, 584, 585, 586 ... 595  След.

Актуальная статистика (не забывайте изменять статус!)
Собрал и буду собирать еще (соседу, свату, брату) 24%  24%  [ 57 ]
Собрал одно ЗУ 21%  21%  [ 49 ]
Уже собираю 28%  28%  [ 67 ]
Интересуюсь, размышляю - собирать или нет. Наверное буду. 26%  26%  [ 63 ]
Не буду собирать это устройство. 1%  1%  [ 3 ]
Всего голосов : 239
Автор Сообщение
СообщениеДобавлено: 18 дек 2023, 21:48 
Не в сети
Новичок

Зарегистрирован: 18 дек 2023, 21:37
Сообщения: 1
Имя: Дмитрий
Проблема решилась, был обрыв резистора dac1.
Платы версии 1.5 Nusen, на экране калибровки вольтметра. Показывает только левый вольтметр на экране, правый всегда 0.00.


Вернуться к началу
 Профиль  
 
СообщениеДобавлено: 20 дек 2023, 09:11 
Не в сети
Site Admin
Аватара пользователя

Зарегистрирован: 10 апр 2007, 22:36
Сообщения: 11306
Откуда: Новосибирск, Дзержинский
Авто: ВАЗ-21043
Имя: Алексей
Dormal писал(а):
Платы версии 1.5 Nusen, на экране калибровки вольтметра. Показывает только левый вольтметр на экране, правый всегда 0.00.

На его платах так и должно быть. Тонкостей "почему именно так?" уже почти не помню, но вроде как там вход вольтметра переключается релюшкой что ли.. Сделано это, вероятно, для обеспечения правильной обратной связи для шим-контроллера TL494 силового БП, чтобы стабилизация напряжения работала более правильно.

_________________

Поблагодарить автора:
Контакты:
Телеграмм: alexSh154
Вконтакте
Одноквассники
Instagram


Вернуться к началу
 Профиль  
 
СообщениеДобавлено: 24 дек 2023, 16:45 
Не в сети
Уже был(а), и не раз, и не два

Зарегистрирован: 02 авг 2017, 15:31
Сообщения: 98
Откуда: Харьков
Авто: Ford Fusion
Имя: Андрей
Алексей, добрый день. Расскажите про режим тренировка, это, что то типа десульфатации? Как то у меня этот режим проскакивает быстро, минут за 10, а потом идет второй этап обычной зарядки.


Вернуться к началу
 Профиль  
 
СообщениеДобавлено: 24 дек 2023, 22:46 
Не в сети
Уже был(а), и не раз, и не два

Зарегистрирован: 13 май 2018, 04:21
Сообщения: 51
Авто: Opel Astra
Имя: Юра
Andi писал(а):
Расскажите про режим тренировка

Это то же самое десульфатация. По идее если запустить этот режим ,то АКБ сначала должен разряжаться(до установленного порога 10,5..12в)потом полная зарядка. Десульфатацию нет смысла делать без разряда,так как растворять сульфаты свинца нужен минимальная плотность ближе как вода,и наче пустая трата времени.


Вернуться к началу
 Профиль  
 
СообщениеДобавлено: 24 дек 2023, 23:55 
Не в сети
Уже был(а), и не раз, и не два

Зарегистрирован: 02 авг 2017, 15:31
Сообщения: 98
Откуда: Харьков
Авто: Ford Fusion
Имя: Андрей
В том то и дело, что в тренировке этого нет, тогда не понятно для чего этот режим. Можно конечно отдельно разрядить, а потом включить тренировку. Но этот режим какой то странный, пролетает за 10 минут, а потом идет второй этап зарядки малым током и он какой то бесконечный, отчет времени при этом останавливается. Обидно, имея такие возможности и не иметь режима десульфатации.


Вернуться к началу
 Профиль  
 
СообщениеДобавлено: 25 дек 2023, 05:02 
Не в сети
Заслуженный участник Клуба ЗУ-ОКА275

Зарегистрирован: 14 мар 2014, 16:47
Сообщения: 596
Имя: Сергей
Andi Может быть,ваш аккумулятор не держит емкость,тогда этот режим и будет проходить быстро.У меня как то давно такое было на одном из аккумуляторов,а на других все было нормально.


Вернуться к началу
 Профиль  
 
СообщениеДобавлено: 25 дек 2023, 14:21 
Не в сети
Заслуженный участник Клуба ЗУ-ОКА275

Зарегистрирован: 24 окт 2013, 11:44
Сообщения: 933
Откуда: Чувашия
Авто: КИА РИО 2018
Имя: Вячеслав
Остались не реализованными две собранные и запрограммированные платы ЗУ. Блок управления и разрядник. Подключай к БП и готовое ЗУ.В плату разрядника интегрирован датчик температуры. Питание кулера радиатора разрядника тоже на плате. Нет лишних проводов. Подробности в ЛС.


Вложения:
IMG_20231225_100136_246-min.jpg
IMG_20231225_100136_246-min.jpg [ 755.86 КБ | Просмотров: 2730 ]
IMG_20231225_100114_308-min.jpg
IMG_20231225_100114_308-min.jpg [ 841.82 КБ | Просмотров: 2730 ]

_________________
С уважением,Вячеслав.73!
Вернуться к началу
 Профиль  
 
СообщениеДобавлено: 25 дек 2023, 15:14 
Не в сети
Site Admin
Аватара пользователя

Зарегистрирован: 10 апр 2007, 22:36
Сообщения: 11306
Откуда: Новосибирск, Дзержинский
Авто: ВАЗ-21043
Имя: Алексей
Andi писал(а):
Алексей, добрый день. Расскажите про режим тренировка, это, что то типа десульфатации? Как то у меня этот режим проскакивает быстро, минут за 10, а потом идет второй этап обычной зарядки.

Здравствуйте, Андрей. Да, это аналог режима десульфатации.

Andi писал(а):
В том то и дело, что в тренировке этого нет, тогда не понятно для чего этот режим. Можно конечно отдельно разрядить, а потом включить тренировку.

Предполагается, что АКБ предварительно был разряжен. При этом была посчитана его оставшаяся ёмкость и выражена надежда, что это всё ему не во вред, и что он еще одыбается.

Вот чего я понял по прошествии многих лет:
Меню данного ЗУ не выносит никакой конкуренции с другими "долбилками", которые пытаются восстанавливать аккумуляторы в режиме 24/7/365. Для профессионального восстановления аккумуляторов, например, вагонами, нужно полностью его переписывать, чтобы иметь возможность задать один режим и пусть оно долбит. А сейчас меню больше подходит для не сильно ежедневного обслуживания АКБ личного авто. Ну и иногда соседского, за полбанки))

ПыСы: Смысла в этих тренировках я так и не увидел. Как только родился аппарат, я сразу понабрал этих аккумуляторов с надеждой, что вот теперь я просто царь и бог над ними, и что сейчас-таки, наконец, пойдет дело! Но в результате ни один аккумулятор у меня так и не восстановился до уровня надежной эксплуатации. Как максимум - освещение в "голубце", и то не на долго.

Andi писал(а):
Но этот режим какой то странный, пролетает за 10 минут,

Если АКБ предварительно полностью разряжен и установленная ёмкость равна требуемой заводской, то предположение только одно - этот АКБ не жилец. То есть его фактическая (а не заводская) ёмкость существенно ниже, чем установленная в ЗУ. Или напряжение точки перехода на второй режим у вас сдвинуто в меньшую сторону(см. картинку), потому АКБ его достигает существенно раньше и потом происходит переход на следующий этап. По умолчанию напряжение этой точки (для свинцовых АКБ и для нашего ЗУ) составляет 14.6 Вольт, с которым не все могут быть согласны, но сейчас разговор не об этом.
Вложение:
img-2023-12-25-14-41-18.png
img-2023-12-25-14-41-18.png [ 218.37 КБ | Просмотров: 2729 ]


Andi писал(а):
отчет времени при этом останавливается

Хм, а это может подтверждать то, что АКБ уже не жилец, т.к. ток не падает ниже заданного порога по причине внутреннего КЗ, хоть и небольшого. Например, в результате осыпания пластин. Или правда контрольные точки сбиты в редакторе профилей. Для каждого типа АКБ (какальций, AGM, Х3-1, ХЗ-2 и тд) - свой профиль и свои точки. Вход в редактор осуществляется по долгому нажатию на кнопку энкодера именно на этапе выбора типа АКБ. Если выставить точки неправильно, например, задать напряжение или ток, который просто физически не может быть осуществлён на данном этапе, то этот этап действительно может длиться вечно. Это же самое может происходить, если контрольные точки никто не трогал, а это просто АКБ вышел из рамок. Был у меня один аккум, у которого второй этап мог длиться вечно. При этом он еще и нагревался сильно. Затем как рукой сняло и заряд пошел нормально, но через несколько месяцев всё повторилось и он был сдан в утиль с железным вердиктом - "жесткое КЗ одной банки".

_________________

Поблагодарить автора:
Контакты:
Телеграмм: alexSh154
Вконтакте
Одноквассники
Instagram


Вернуться к началу
 Профиль  
 
СообщениеДобавлено: 26 дек 2023, 15:21 
Не в сети
Уже был(а), и не раз, и не два

Зарегистрирован: 02 авг 2017, 15:31
Сообщения: 98
Откуда: Харьков
Авто: Ford Fusion
Имя: Андрей
Алексей, спасибо за ответ. Аккумулятор убитый в хлам, похоже его не получиться хоть как то раскачать. Сижу под Харьковом (прячусь от тцк), поэтому существует напряг с аккумуляторами, вот пытаюсь хоть что то сделать. Надеюсь на дальнейшее развитие проекта. Судя по ютубу, десульфатация должна спасать).


Вернуться к началу
 Профиль  
 
СообщениеДобавлено: 26 дек 2023, 17:59 
Не в сети
Site Admin
Аватара пользователя

Зарегистрирован: 10 апр 2007, 22:36
Сообщения: 11306
Откуда: Новосибирск, Дзержинский
Авто: ВАЗ-21043
Имя: Алексей
Мне кажется реверсивный ток если и помогает, то для аккумов, для которых еще не всё потеряно. Для тяжелой реанимации, опять же по моему мнению, подходит долбилка на основе мощных и частых импульсов, получаемых при разряде конденсаторов на клеммы АКБ. То есть конденсаторы заряжаются от сети 220в и потом разряжаются на клеммы, затем процесс повторяется до бесконечности. Что используется в качестве переключателя я не помню, но если аккум только лишь сульфатированный и сами пластины целы, то вроде как это все обеспечивает хороший результат.

Andi писал(а):
Надеюсь на дальнейшее развитие проекта

Сам надеюсь. Спасибо!

Andi писал(а):
Сижу под

Капец, блин. Держитесь там! Любое мракобесие когда-нибудь заканчивается.

_________________

Поблагодарить автора:
Контакты:
Телеграмм: alexSh154
Вконтакте
Одноквассники
Instagram


Вернуться к началу
 Профиль  
 
СообщениеДобавлено: 27 дек 2023, 03:14 
Не в сети
Заслуженный участник Клуба ЗУ-ОКА275

Зарегистрирован: 14 мар 2014, 16:47
Сообщения: 596
Имя: Сергей
Andi Попробуйте повторить как в этом видео,промыть раствором пищевой соды https://www.youtube.com/watch?v=qJcpk_R ... 0%98%D0%9A
Ну,это в том случае,если у вас аккумулятор обслуживаемый,а так,реально помогает,проверено.


Вернуться к началу
 Профиль  
 
СообщениеДобавлено: 28 дек 2023, 03:40 
Не в сети
Уже был(а), и не раз, и не два

Зарегистрирован: 13 май 2018, 04:21
Сообщения: 51
Авто: Opel Astra
Имя: Юра
Всем доброго вечера. Я с АКБ занимался с 90г и до сих пор. Видео смотрели внимательно? 1) Вы видели когда сливает кислоту какой цвет был? прозрачным! Значит пластины не разрушено,если бы разрушились но АКБ малосурмянистый был бы коричневый цвет,если СА/СА то черным. 2)там же наглядно видно что наливает раствор соды на одну пластину и растворят сульфат и разрушает намазки снижая емкость пластин. С разрушенными пластинами содой нехрен промывать,осыпятся еще часть намазки кроме сульфата.
Что такое десульфатация это мы знаем,то есть на пластинах АКБ как зима сугробы. Да ,это длительная работа над сульфатом. Так же мы знаем для устранения сульфатов нужен минимальный плотность и температура АКБ не ниже +20гр. Что нам нужен при десульфатации? Правильно,нам надо как дольше находиться на минимальном плотности и очень медленно продвигаться перед. Лично я эксперементировал так : АКБ был 60АЧ. ток заряда 1.5А время 10 сек и ток разряда 1.0А 10 сек. Таком соотношение тока мы очень медленно двигаемся перед при минимальной плотности и на порядок лучше идет растворение сульфатов свинца в кислоту но это было при постоянном токе,без импульсов,а если использовать импульсы то должен проходить лучше.
https://ibb.co/3RtRmHg
https://ibb.co/VjsfYZp
Не давно сильные морозы почти под 30 были,у нашего энергетика не завелся машина и купил новый АКБ СА/СА с пробками.После пару дней езды он попросил подзарядить. Ну что ж,хозяин барин! Напруга 12,7в,плотность 1,27 вроде все ок! Отвернул пробки ставил на заряду,через некоторое время начали появляться мелкие пузыри как в шампанском,а самое главное нет единого пузыря со стороны клемм на плюсе первая банка и шестая минусовая клемма.На остальных банках все ровно 2/3/4/5.Ладно еще АКБ с пробками,а если без пробок? то через некоторое время эти банки дохнут от недозаряда. Что будем делать? Берез БП регулируемый по напр и тока ,берем пруток олово 10мм и приступаем заряжать отдельно именно эти банки по отдельности.На БП ставим 2,5..2,7в ток по усмотрению,самое главное не давать выплывать до больших пузырей,а только под шампань.Для этого Соединяем плюс БП соединяем с клеммой плюс ,другой конец БП с прутков олова и суем в эту же бану к толстому перемычке и перед на заряд. Дожидаемся до того какой шампань был в соседних банках. Затем приступаем с минусовой клеммой, от БП минус к минусу АКБ а плюс БП с с прутком олова соседнюю банк на толстую баретку. После всех этих процедур АКБ вернул хозяину,но сказав что завтра обязательно занеси еще раз. Отвернул пробки и ставил на зарядку как обычно,все ок! теперь все банки шампанят одинаково. Таким же способом можно дотягивать любые недозаряженные банки с завода.


Вернуться к началу
 Профиль  
 
СообщениеДобавлено: 28 дек 2023, 05:39 
Не в сети
Заслуженный участник Клуба ЗУ-ОКА275

Зарегистрирован: 14 мар 2014, 16:47
Сообщения: 596
Имя: Сергей
Юрок Вы точно внимательно, не только смотрели видео,но еще и слушали внимательно?А потом,вы лично сами видели состояние аккумулятора Andi,чтобы прийти к такому выводу и умо заключению? К тому же,все то,что было показано и рассказано в видео,было проверено несколько раз разными людьми,но для этого нужно внимательно смотреть и слушать.А после прочтения вашего опуса,мне почему то сразу же вспомнился старый советский анектод.Это когда приходит мужик устраиваться на работу и спрашивает у прораба "-тебе каменьщики нужны?" прораб отвечает,"- нет,не нужны,бригада укомплектована". Мужик опять спрашивает,"- а маляры нужны?". Прораб опять отвечает,"-нет,не нужны". Тогда мужик еще раз спрашивает,"- ну а сварщики нужны?". Прораб ему раздраженно отвечает,"- Да нет же,не нужны,говорю же тебе,что бригада уже укомплектована?" Тогда мужик прорабу отвечает,"-Ну тогда тебе повезло,а то я бы тебе тут наработал бы".Думаю смысл этого анекдота вы поймете.И удачи вам в вашей не легкой работе.


Вернуться к началу
 Профиль  
 
СообщениеДобавлено: 29 дек 2023, 12:58 
Не в сети
Уже был(а), и не раз, и не два

Зарегистрирован: 13 май 2018, 04:21
Сообщения: 51
Авто: Opel Astra
Имя: Юра
serg1968-09 писал(а):
удачи вам в вашей не легкой работе.

Я вам то же самое желаю с содой.


Вернуться к началу
 Профиль  
 
СообщениеДобавлено: 30 дек 2023, 02:08 
Не в сети
Уже был(а), и не раз, и не два

Зарегистрирован: 06 дек 2013, 14:49
Сообщения: 54
Откуда: Челябинск
Авто: Nissan NOTE(1.6л)
Имя: Эдуард
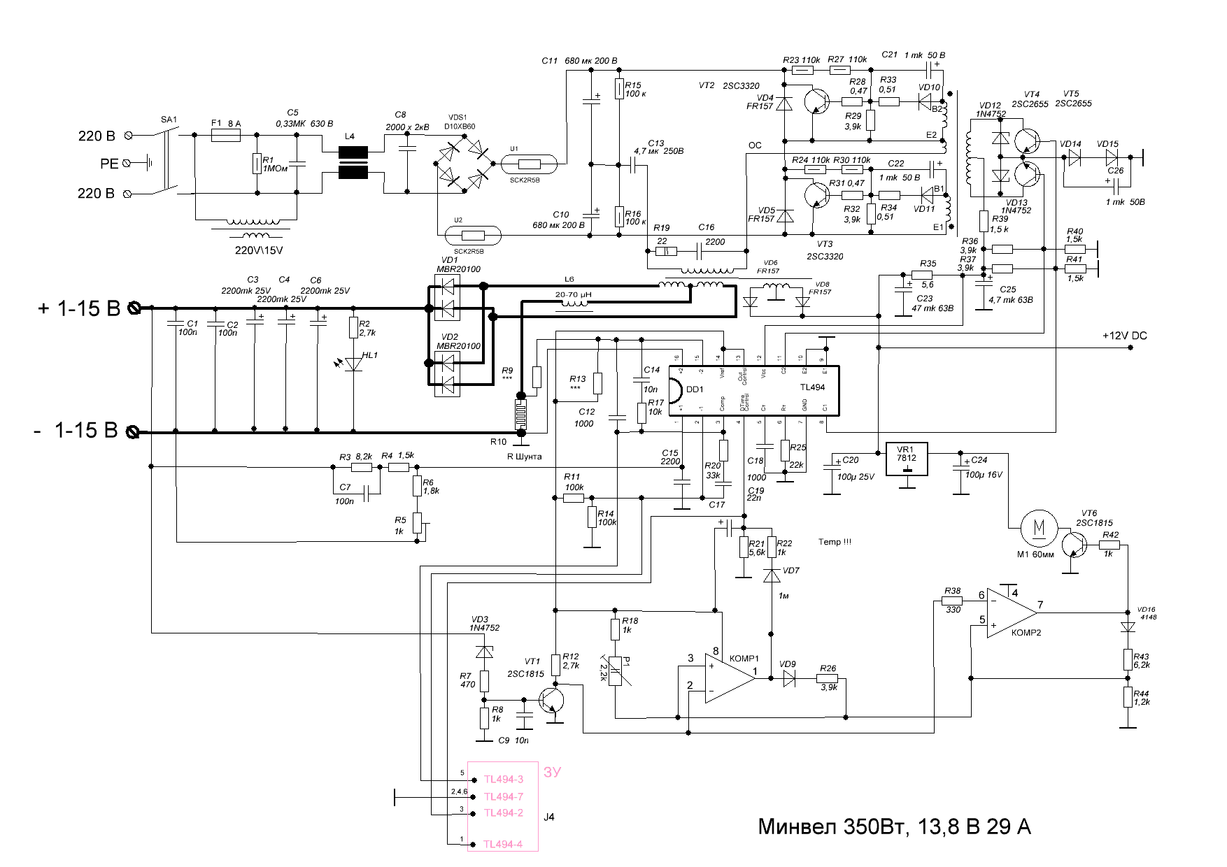
Всем здравствуйте. Недавно тоже купил Ca/Ca с пробками 75А/ч. Подскажите оптимальный режим заряда для такого экземпляра. И ещё вопрос- скоро приедет блок питания mean we’ll s350-12.
В папке у Алексея есть схема доработки такого типа БП. В описании по переделке Алексей говорит, что нужно убирать резисторы автозапуска, а по схеме они имеются. Я чуток растерялся по этому поводу. Может есть у кого схема переделки данного экземпляра, буду признателен. И какое напряжение получалось с него снять? Всех с наступающим Новым Годом!


Вернуться к началу
 Профиль  
 
СообщениеДобавлено: 30 дек 2023, 12:27 
Не в сети
Заслуженный участник Клуба ЗУ-ОКА275

Зарегистрирован: 24 окт 2013, 11:44
Сообщения: 933
Откуда: Чувашия
Авто: КИА РИО 2018
Имя: Вячеслав
Эдуард, привет! Резисторы надо убрать. Напряжение с такого блока больше 18_19 Вольт не получите. И то это при сетевом не ниже 195 В. Если надо большее напряжение, переделайте выходной выпрямитель на мостовую схему.

_________________
С уважением,Вячеслав.73!


Вернуться к началу
 Профиль  
 
СообщениеДобавлено: 30 дек 2023, 12:58 
Не в сети
Site Admin
Аватара пользователя

Зарегистрирован: 10 апр 2007, 22:36
Сообщения: 11306
Откуда: Новосибирск, Дзержинский
Авто: ВАЗ-21043
Имя: Алексей
Leeo74 писал(а):
Алексей говорит, что нужно убирать резисторы автозапуска, а по схеме они имеются. Я чуток растерялся по этому поводу.

Здравствуйте! А что именно не понятно? Ищите в схеме этот фрагмент и выпаивайте резисторы, которые обеспечивают небольшое смещение базы силовых транзисторов напряжением с их коллекторов. Эти резисторы заметно отличаются от остальных как по габаритам (чуть больше), так и по цветовой маркировке (как наиболее высокоомные из всей обвязки).
Вложение:
img-2023-12-30-12-47-12.png
img-2023-12-30-12-47-12.png [ 112.43 КБ | Просмотров: 2654 ]


Цитата:
Напряжение с такого блока больше 18_19 Вольт не получите.

Но его заглаза хватит для работы с исправными аккумуляторами на 12 вольт :)

Всем добра и мира в новом 2024м году! Ну и здоровья конечно!

_________________

Поблагодарить автора:
Контакты:
Телеграмм: alexSh154
Вконтакте
Одноквассники
Instagram


Вернуться к началу
 Профиль  
 
СообщениеДобавлено: 30 дек 2023, 14:47 
Не в сети
Уже был(а), и не раз, и не два

Зарегистрирован: 06 дек 2013, 14:49
Сообщения: 54
Откуда: Челябинск
Авто: Nissan NOTE(1.6л)
Имя: Эдуард
Спасибо ребята за ответы. Вот схема которая находится в основной папке. Уберу R30,R27. Может ещё переделаю на полный мост. На что коллеги обратить ещё внимание?


Вложения:
3BDFBC34-F41E-43E5-A281-51A24BD8B3DE.gif
3BDFBC34-F41E-43E5-A281-51A24BD8B3DE.gif [ 65.39 КБ | Просмотров: 2650 ]
Вернуться к началу
 Профиль  
 
СообщениеДобавлено: 30 дек 2023, 14:57 
Не в сети
Site Admin
Аватара пользователя

Зарегистрирован: 10 апр 2007, 22:36
Сообщения: 11306
Откуда: Новосибирск, Дзержинский
Авто: ВАЗ-21043
Имя: Алексей
Я бы конечно постарался сохранить штатную систему защиты от перегрузки, хоть она особо и не нужна (а иногда может даже помешать, ввести в заблуждение). Но лично мне было бы с ней спокойнее.

_________________

Поблагодарить автора:
Контакты:
Телеграмм: alexSh154
Вконтакте
Одноквассники
Instagram


Вернуться к началу
 Профиль  
 
СообщениеДобавлено: 30 дек 2023, 14:59 
Не в сети
Site Admin
Аватара пользователя

Зарегистрирован: 10 апр 2007, 22:36
Сообщения: 11306
Откуда: Новосибирск, Дзержинский
Авто: ВАЗ-21043
Имя: Алексей
А вообще надо было бы ввести в прошивку ввод мощности БП в ваттах, чтобы микроконтроллер постоянно учитывал этот фактор и никак не мог выйти за его пределы. Подумаю над этим в 2024м году.

_________________

Поблагодарить автора:
Контакты:
Телеграмм: alexSh154
Вконтакте
Одноквассники
Instagram


Вернуться к началу
 Профиль  
 
Показать сообщения за:  Поле сортировки  
Начать новую тему Ответить на тему  [ Сообщений: 11881 ]  На страницу Пред.  1 ... 580, 581, 582, 583, 584, 585, 586 ... 595  След.

Часовой пояс: UTC + 7 часов


Кто сейчас на конференции

Сейчас этот форум просматривают: нет зарегистрированных пользователей и гости: 3


Вы не можете начинать темы
Вы не можете отвечать на сообщения
Вы не можете редактировать свои сообщения
Вы не можете удалять свои сообщения
Вы не можете добавлять вложения

Найти:
Перейти:  
cron
Powered by phpBB® Forum Software © phpBB Group
Русская поддержка phpBB