Ока в Новосибирске

Клуб Окаводов Новосибирска
Текущее время: 23 мар 2026, 07:07

Часовой пояс: UTC + 7 часов




Начать новую тему Ответить на тему  [ Сообщений: 1507 ]  На страницу Пред.  1 ... 54, 55, 56, 57, 58, 59, 60 ... 76  След.
Автор Сообщение
СообщениеДобавлено: 14 мар 2021, 13:01 
Не в сети
Заслуженный участник Клуба ЗУ-ОКА275

Зарегистрирован: 19 июл 2017, 00:16
Сообщения: 1022
Имя: Валерий
Схема и печатка присутствуют в архиве версии 1.5
junaco2 писал(а):
хочу проверить, куда идут +5В и +12В.
Что значит проверить?


Вернуться к началу
 Профиль  
 
СообщениеДобавлено: 14 мар 2021, 18:37 
Не в сети
Постоянец

Зарегистрирован: 08 фев 2021, 12:31
Сообщения: 251
Авто: нет
Имя: Дмитрий
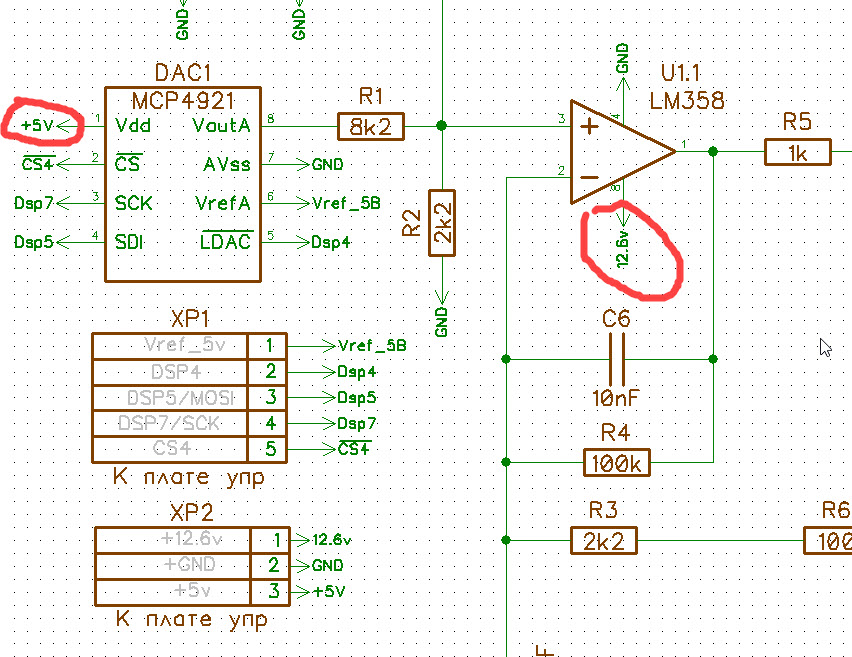
Это значит следующее: поскольку в диптрясе файликов нет, ориентируюсь на другие картинки форума. Вижу на плате управления Х3. У него 2 питания, +12В и +5В.
Вложение:
2ref5.JPG
2ref5.JPG [ 41.88 КБ | Просмотров: 4782 ]
Далее смотро схемку и вижу, что DAC1 вывод 1, и U1.1 вывод 8, имеют однотипное напряжение,
Вложение:
ref5.JPG
ref5.JPG [ 62.3 КБ | Просмотров: 4782 ]
хотя, если смотреть разводку р-ма Х3 - такого быть не должно.
Вложение:
3ref5.JPG
3ref5.JPG [ 80.4 КБ | Просмотров: 4782 ]
Вот и хотел бы увидеть в оригинале диптряс, чтобы понять, что и куда идет. Спасибо.


Вернуться к началу
 Профиль  
 
СообщениеДобавлено: 14 мар 2021, 19:30 
Не в сети
Заслуженный участник Клуба ЗУ-ОКА275

Зарегистрирован: 19 июл 2017, 00:16
Сообщения: 1022
Имя: Валерий
junaco2 писал(а):
Вот и хотел бы увидеть в оригинале диптряс
Так в чем трудности? Достаточно открыть схему и увидеть там..
Вложение:
2021-03-14_16-33-00.jpg
2021-03-14_16-33-00.jpg [ 217.19 КБ | Просмотров: 4778 ]


Вернуться к началу
 Профиль  
 
СообщениеДобавлено: 14 мар 2021, 19:51 
Не в сети
Постоянец

Зарегистрирован: 08 фев 2021, 12:31
Сообщения: 251
Авто: нет
Имя: Дмитрий
вот этой схемы я как раз и не нашел и не видел нигде... спасибо.


Вернуться к началу
 Профиль  
 
СообщениеДобавлено: 14 мар 2021, 20:15 
Не в сети
Заслуженный участник Клуба ЗУ-ОКА275

Зарегистрирован: 19 июл 2017, 00:16
Сообщения: 1022
Имя: Валерий
А как же плата блока питания, по какой схеме делалась?
Повторю, в архиве версии 1.5 все есть.. viewtopic.php?p=51352#p51352


Вернуться к началу
 Профиль  
 
СообщениеДобавлено: 14 мар 2021, 21:37 
Не в сети
Постоянец

Зарегистрирован: 08 фев 2021, 12:31
Сообщения: 251
Авто: нет
Имя: Дмитрий
..ммм..дя... архив-то у меня имеется. плата блока питания, схема в архиве есть , безспорно. только вот платы разрядника я не вижу.. ну или глаз совсем замылился... а может антивирус потер...
Ну, все равно, спасибо. уже разобрался и все перепроверил.


Вернуться к началу
 Профиль  
 
СообщениеДобавлено: 14 мар 2021, 22:12 
Не в сети
Заслуженный участник Клуба ЗУ-ОКА275

Зарегистрирован: 19 июл 2017, 00:16
Сообщения: 1022
Имя: Валерий
Ну ссылка же есть, скачай. Только что скачивал, все на месте там.
Нет там ничего, чтобы антивирусу тереть.


Вложения:
2021-03-14_19-13-53.jpg
2021-03-14_19-13-53.jpg [ 150.85 КБ | Просмотров: 4768 ]
Вернуться к началу
 Профиль  
 
СообщениеДобавлено: 14 мар 2021, 22:19 
Не в сети
Заслуженный участник Клуба ЗУ-ОКА275

Зарегистрирован: 19 июл 2017, 00:16
Сообщения: 1022
Имя: Валерий
Вот еще, чтобы не было недоразумений. Архив был изменен 2 года назад, что то добавил туда. Схема разрядника там есть.


Вложения:
2021-03-14_19-17-06.jpg
2021-03-14_19-17-06.jpg [ 63.24 КБ | Просмотров: 4767 ]
Вернуться к началу
 Профиль  
 
СообщениеДобавлено: 14 мар 2021, 22:42 
Не в сети
Постоянец

Зарегистрирован: 08 фев 2021, 12:31
Сообщения: 251
Авто: нет
Имя: Дмитрий
спасибо,понял. вот в этом архиве все вижу. еще раз спасибо.


Вернуться к началу
 Профиль  
 
СообщениеДобавлено: 15 мар 2021, 05:02 
Не в сети
Постоянец

Зарегистрирован: 08 фев 2021, 12:31
Сообщения: 251
Авто: нет
Имя: Дмитрий
извиние,такой вопрос,не нашел инструкцию по калибровке на версию 1.09 :"...При первом входе в это подменю калибровка амперметра будет предложено выбрать тип датчика тока. Вращением энкодера выбираем тип используемого датчика тока..."
У меня установлен шунт 0,005Ом. Что я должен выбирать? Спасибо.
или может в каком архиве есть мануал?


Вернуться к началу
 Профиль  
 
СообщениеДобавлено: 15 мар 2021, 14:49 
Не в сети
Заслуженный участник Клуба ЗУ-ОКА275

Зарегистрирован: 19 июл 2017, 00:16
Сообщения: 1022
Имя: Валерий
junaco2 писал(а):
При первом входе в это подменю калибровка амперметра будет предложено выбрать тип датчика тока. У меня установлен шунт 0,005Ом. Что я должен выбирать?
И что предлагает выбрать зарядное при первом включении?


Вернуться к началу
 Профиль  
 
СообщениеДобавлено: 15 мар 2021, 16:31 
Не в сети
Постоянец

Зарегистрирован: 08 фев 2021, 12:31
Сообщения: 251
Авто: нет
Имя: Дмитрий
akk,ps,load,setup.
в setup - калибровка А , В. ну пока все стандартно. Далее будет выбор предела тока? пока ничего не включаю. нет мультиметра на 20А. есть макс на 10А. и нагрузка из нихромовой спирали. но пока не наматывал 1 Ом.


Вернуться к началу
 Профиль  
 
СообщениеДобавлено: 15 мар 2021, 16:53 
Не в сети
Заслуженный участник Клуба ЗУ-ОКА275

Зарегистрирован: 06 апр 2017, 23:31
Сообщения: 255
Откуда: г. Москва
Авто: HONDA JAZZ
Имя: Дмитрий
А зачем нужен амперметр на 20А? При калибровке амперметра задача подобрать нужный множитель и далее калибруем ЗУ по своему калиброванному амперметру и внешний не используем. Ведь смысл калибровки амперметра и заключается в том, чтобы после этого полагаться на его показания, а не на показания внешнего прибора.


Вернуться к началу
 Профиль  
 
СообщениеДобавлено: 15 мар 2021, 17:00 
Не в сети
Заслуженный участник Клуба ЗУ-ОКА275

Зарегистрирован: 19 июл 2017, 00:16
Сообщения: 1022
Имя: Валерий
junaco2 писал(а):
пока ничего не включаю
Надо включить и посмотреть.
Вот про калибровку.. viewtopic.php?p=49976#p49976


Вернуться к началу
 Профиль  
 
СообщениеДобавлено: 15 мар 2021, 17:34 
Не в сети
Постоянец

Зарегистрирован: 08 фев 2021, 12:31
Сообщения: 251
Авто: нет
Имя: Дмитрий
по амперметру: ориентировался на руководство ОКА275 .."подключите образцовый амперметр на 20А.."...
по ссылке - сейчас буду читать. спасибо.
пы.сы. почитал readme к прошивке. ок.


Вернуться к началу
 Профиль  
 
СообщениеДобавлено: 15 мар 2021, 19:56 
Не в сети
Постоянец

Зарегистрирован: 08 фев 2021, 12:31
Сообщения: 251
Авто: нет
Имя: Дмитрий
не уловил только сопротивление нагрузки.. "..подключите амперметр,лучше через нагрузку. выставьте 5А..."
повесил 10 Ом. - PS no answer.
Посмотрю, что на 1,2,3,4 у 494. Без управы БП работает.


Вернуться к началу
 Профиль  
 
СообщениеДобавлено: 15 мар 2021, 20:08 
Не в сети
Заслуженный участник Клуба ЗУ-ОКА275

Зарегистрирован: 19 июл 2017, 00:16
Сообщения: 1022
Имя: Валерий
Так попробуй.
Цитата:
1. Калибровки амперметра.

Включаем калибровку амперметра. Ждем, когда пройдет тест ограничения, подключаем ЗУ к эталонному амперметру (лучше через нагрузку, для перестраховки, хотя можно и без нагрузки). Накручиваем энкодером ровно 5.00 А (на подключенном амперметре) и одновременно нажимаем и удерживаем кнопки энкодера и МЕНЮ примерно на 2 секунды. На дисплее ЗУ должно появиться сообщение типа: "SET 1.23453", где "1.23453" - ваш получившийся множитель. Всё, на этом калибровку амперметра почти можно считать законченной. Останется только побродить по диапазону и возможно несколько подстроить показания. Для этого устанавливаем, например 6 ампер на эталонном амперметре, нажимаем кнопку энкодера и поворотом энкодера корректируем показания, затем нажимаем меню для выхода.
Также нужно помнить, что мультиметры на больших токах нагреваются и врут, поэтому нужен эталонный амперметр для точной настройки!
Крокодилы должны быть отключены (до входа в режим, после входа в калибровку можно их подключить)) при этой калибровке (перемычка разъема GX разомкнута). Калибровка ограничения тока и таблицы напряжений, тоже самое, крокодилы отключить.


Вернуться к началу
 Профиль  
 
СообщениеДобавлено: 15 мар 2021, 21:50 
Не в сети
Постоянец

Зарегистрирован: 08 фев 2021, 12:31
Сообщения: 251
Авто: нет
Имя: Дмитрий
1.так и не нашел, каково сопротивление нагрузки
2.да,сначала подключал 10О м через мультиметр, потом заходил в калибровки
3. крокоилов нет, перемычка разомкнута. но пробовал и замыкать.
4. при входе в калибровку Вольтметра, на 494 - 1 нога-0, 2-4.99, 3-4,99, 4-0. корретор мощности на дисплее 0%.
как только даю прибавку( 2% напр). - на 3 ноге - 0
соответственно, при прибавлении мощности, на 11 выводе 494 появляется 1,44 В. дальше не регулируется
5. на выходе 1 AD8542ARZ - 5,04 В

попробовал по описанию. бп не отвечает.
кстати, вопрос: плата контроля вентиляции подключена, но ни датчиков ни вентиляторов нет. Это не может останавливать работу ЗУ при попытке калибровок?


Последний раз редактировалось junaco2 15 мар 2021, 22:19, всего редактировалось 1 раз.

Вернуться к началу
 Профиль  
 
СообщениеДобавлено: 15 мар 2021, 22:19 
Не в сети
Заслуженный участник Клуба ЗУ-ОКА275

Зарегистрирован: 19 июл 2017, 00:16
Сообщения: 1022
Имя: Валерий
Включаем калибровку, как только вошло в калибровку, после этого подключаем нагрузку!!! На выходе, во время процесса входа в калибровку, ничего не должно быть!!


Вернуться к началу
 Профиль  
 
СообщениеДобавлено: 15 мар 2021, 22:24 
Не в сети
Постоянец

Зарегистрирован: 08 фев 2021, 12:31
Сообщения: 251
Авто: нет
Имя: Дмитрий
1. крокодилов нет, перемычка разомкнута
2.выбрал калибровку амперметр
3.нажал кн. энкодера. проскочила надпись определения ADC
4.подключил мультиметр (нагрузку)
5. БП не определен

кстати, вопрос: плата контроля вентиляции подключена, но ни датчиков ни вентиляторов нет. Это не может останавливать работу ЗУ при попытке калибровок?


Вернуться к началу
 Профиль  
 
Показать сообщения за:  Поле сортировки  
Начать новую тему Ответить на тему  [ Сообщений: 1507 ]  На страницу Пред.  1 ... 54, 55, 56, 57, 58, 59, 60 ... 76  След.

Часовой пояс: UTC + 7 часов


Кто сейчас на конференции

Сейчас этот форум просматривают: нет зарегистрированных пользователей и гости: 3


Вы не можете начинать темы
Вы не можете отвечать на сообщения
Вы не можете редактировать свои сообщения
Вы не можете удалять свои сообщения
Вы не можете добавлять вложения

Найти:
Перейти:  
cron
Powered by phpBB® Forum Software © phpBB Group
Русская поддержка phpBB