Ока в Новосибирске

Клуб Окаводов Новосибирска
Текущее время: 17 апр 2026, 15:52

Часовой пояс: UTC + 7 часов




Начать новую тему Ответить на тему  [ Сообщений: 11899 ]  На страницу Пред.  1 ... 551, 552, 553, 554, 555, 556, 557 ... 595  След.

Актуальная статистика (не забывайте изменять статус!)
Собрал и буду собирать еще (соседу, свату, брату) 24%  24%  [ 57 ]
Собрал одно ЗУ 21%  21%  [ 50 ]
Уже собираю 28%  28%  [ 66 ]
Интересуюсь, размышляю - собирать или нет. Наверное буду. 26%  26%  [ 63 ]
Не буду собирать это устройство. 1%  1%  [ 3 ]
Всего голосов : 239
Автор Сообщение
СообщениеДобавлено: 15 июн 2021, 14:43 
Не в сети
Site Admin
Аватара пользователя

Зарегистрирован: 10 апр 2007, 22:36
Сообщения: 11263
Откуда: Новосибирск, Дзержинский
Авто: ВАЗ-21043
Имя: Алексей
Юрок писал(а):
Еще один вопрос: у вас по схеме Шим управляет по 3 ноге,а у Автора Слон по 2 ноге и немного отличается подключение. Объясните пожалуйста какая разница между вторым и третьей ножкой?

Вложение:
5-110-1.gif
5-110-1.gif [ 18.61 КБ | Просмотров: 6309 ]

1-2, а также 15-16 ножки есть входы операционного усилителя. Это четко видно по блок-схеме. Они выполняют роль компараторов. Как работает компаратор объясняется здесь https://www.youtube.com/watch?v=bwNZcf9K5IE В классической схеме БП на 1ю ногу приходит обратная связь с выхода БП, а по второй ножке задаётся порог сработки компаратора. Если напряжение на 1й ноге превысило напряжение на второй ноге, компаратор перещёлкнется и выставит на своем выходе лог.1, что запретит TL494 выбарабывать импульсы. Напряжение на выходе БП, а значит и на 1й ноге начнет падать, пока она не станет ниже, чем на второй, после чего компаратор вернется в исходное состояние, запрет на выработку импульсов будет снят, напряжение на выходе БП начнет расти, пока ситуация не повторится. Так и работает стабилизация напряжения, вращаясь вокруг всего этого. Соответственно, если мы изменяем пороговое напряжение на 2й ноге, то можем менять выходное напряжение БП. Точно также можно управлять напряжением и по 15-16 ножкам, т.к. элементы ОУ одинаковые. Зачастую, управление по напряжению делают на первом элементе, а ограничение тока на втором. А можно без них вообще обойтись и сделать компараторы на отдельных операционниках, как это сделано в схемах NuSen. В этом случае, выходы компараторов нужно будет подключать через разделительный диод сразу к 3й ножке. Так будет меньше проводов, а значат и наводок. И проблем.

_________________

Поблагодарить автора:
Контакты:
Телеграмм: alexSh154
Вконтакте
Одноквассники
Instagram


Вернуться к началу
 Профиль  
 
СообщениеДобавлено: 15 июн 2021, 15:36 
Не в сети
Уже был(а), и не раз, и не два

Зарегистрирован: 13 май 2018, 04:21
Сообщения: 51
Авто: Opel Astra
Имя: Юра
Вячеслав-1 писал(а):
В интернете полно описаний работы ШИМ контроллера TL494 и ему подобных!

Я понимаю что микруха работает от 7..40в.Дело не в этом,а дело в трансе расскачки.Изначально до разборки на шимке было около 22в,но после переделки при 17в до сих пор работал,как перекинул на 15в(Кулер и Шим) наверное напруга снизилось еще и за этого Бахнул. Вот что мне не понятно, почему Бахает,а не сам шим. Вот и загадка у вас при 12в не стреляет а у меня стреляет,хотя топологии печатки свой родной заводской,вот это и есть для меня загадка и нерешенный вопрос. По схеме Алексея на трансе раскачки резистор 1,5к с звездочкой,для подбора. Он подбирается? исходя из чего?Если сегодня упею сниму видак как формы сигналов меняется от напряжения питания.
oka275 писал(а):
1-2, а также 15-16 ножки есть входы операционного усилителя. Это четко видно по блок-схеме.
Спасибо за объяснений. В итоге что получилось ,избавились внутреннего компаратора,поставили другую.Какой цель преследовалось? Свой родной компаратор хуже? Применили более лучший или для удобства разводки печатки? в чем был смысл?


Вернуться к началу
 Профиль  
 
СообщениеДобавлено: 15 июн 2021, 16:39 
Не в сети
Уже был(а), и не раз, и не два

Зарегистрирован: 02 авг 2017, 15:31
Сообщения: 99
Откуда: Харьков
Авто: Ford Fusion
Имя: Андрей
Юра, в моей практике были случаи, когда БП АТХ переделанный под регулируемый БП, питался 10в(шимка питалась) и никаких проблем на протяжении нескольких лет. И эти 10в там были изначально, я ничего не понижал и резистор там 1,5к(других там и не встречал).


Вернуться к началу
 Профиль  
 
СообщениеДобавлено: 15 июн 2021, 18:03 
Не в сети
Уже был(а), и не раз, и не два

Зарегистрирован: 13 май 2018, 04:21
Сообщения: 51
Авто: Opel Astra
Имя: Юра
Да уж,ве удивительнее и удивительнее. Вот то что летят силовики при пониженном напруги спрашивал во многих местах,так ответа ни кто не смог.Кто то с снижение питание пишет не хватает тока силовиков и т.д,а конкретного ни чего.Кто ни будь дайте пожалуйста точные данные выходного ТГР. точные данные витков и диаметр провода(в один или два провода).Честно говоря я уже задолбался с этими Бахами силовиков. Вот тут на выходе шимки при 12 в
Вложение:
при12в.jpg
при12в.jpg [ 535.96 КБ | Просмотров: 6298 ]

тут при 21 в
Вложение:
при21в.jpg
при21в.jpg [ 428.09 КБ | Просмотров: 6298 ]

Тут видео.Питание подано только на шим при разных напряжениях.1)на 8 ноге шим и далее Б-Е силовиков.
https://disk.yandex.ru/i/wIgSyaqmDCH7rg
Ребята у кого какие есть мысли почему вылетают силовики? Да еще по схеме Алексея силовой транс вы все перематываете? или достаточно свой без перемотки? Я уже уже с этим всю голову сломал,что за фигня,почему такое поведение вылета силовиков.


Вернуться к началу
 Профиль  
 
СообщениеДобавлено: 16 июн 2021, 15:21 
Не в сети
Заслуженный участник Клуба ЗУ-ОКА275

Зарегистрирован: 26 дек 2013, 22:29
Сообщения: 144
Откуда: Санкт-Петербург
Имя: Сергей
Здравствуйте, Юрий!
Цитата:
Да уж,все удивительнее и удивительнее.
Нет! Все, Вами описанное, соответствует теории и имеет объяснение.
Рекомендую немного пополнить свою "базу знаний" по ИБП, почитав, обсуждения в теме: viewtopic.php?f=21&t=1734
Например, по ТГР: viewtopic.php?f=21&t=1734&start=720 Обратите внимание, что они (ТГР-ы) бывают разные, как и все остальные элементы ...
Так что в каждом конкретном случае требуется расчет и проверка просмотром осциллограмм при различных режимах нагрузки.
Успехов!


Вернуться к началу
 Профиль  
 
СообщениеДобавлено: 17 июн 2021, 05:05 
Не в сети
Заслуженный участник Клуба ЗУ-ОКА275

Зарегистрирован: 14 мар 2014, 16:47
Сообщения: 596
Имя: Сергей
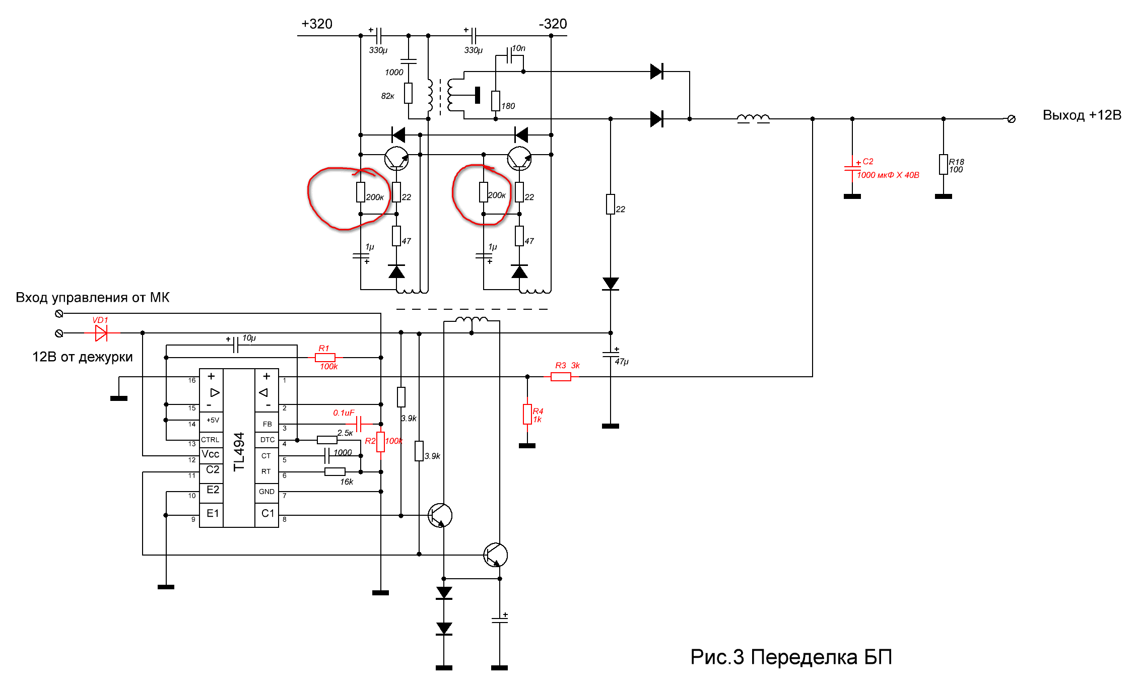
Юрок выложил кусок схемы,как я понял,тот кусок схемы высоковольтных ключей,как у него сделано.Кусок схемы блока питания АТ,а питания на ШИМ-ку подает принудительное, как в блоке питания АТХ,но при этом резисторы самозапуска на 220 ком в высоковольтных ключах не убирает.Сквознячком тут не попахивает.И базу ключей нужно подтягивать резисторами на эмиттер.А так он и будет периодически бахать
А еще,стесняюсь спросить,при таком питании средней точки ТГР,без резистора,обмотки трансформатора не кипят?Или транзисторы,которые этот трансформатор качают,не дымят?


Вложения:
Рис.3 Переделка БП.GIF
Рис.3 Переделка БП.GIF [ 51.55 КБ | Просмотров: 6239 ]
Вернуться к началу
 Профиль  
 
СообщениеДобавлено: 17 июн 2021, 13:24 
Не в сети
Уже был(а), и не раз, и не два

Зарегистрирован: 13 май 2018, 04:21
Сообщения: 51
Авто: Opel Astra
Имя: Юра
SergeyVB писал(а):
Все, Вами описанное, соответствует теории и имеет объяснение.
Спасибо за ссылку!Прочитал,что требовалось доказать. Исходя из этого .каждый экземпляр ТГР до разборки мерить напряжение питание шим,он может разных конструкциях быть разным.Если там был 22в,то ни как на него подать 12в..может работать и может и бахнуть. По ссылке выше даже нашел свой ответ когда там и писал viewtopic.php?f=21&t=1734&start=840#p48542 когда было питание шим 22 в и питал от 12в подбирав резистор 1,5К на среднюю точку и от +питания на Базу 3.9К..2,7к то же подобрано. Такой вариант до сих пор работает. А то я тут в форуме может не так понял что все экземпляры работают от 12в без побора сопротивлений .
serg1968-09 писал(а):
Кусок схемы блока питания АТ,а питания на ШИМ-ку подает принудительное, как в блоке питания АТХ,но при этом резисторы самозапуска на 220 ком в высоковольтных ключах не убирает.

Это схема Автора Слон. При сборке этот резистор отпаян.
serg1968-09 писал(а):
И базу ключей нужно подтягивать резисторами на эмиттер.А так он и будет периодически бахать
К сожалению его нет на схеме Автора.а он у меня есть.На высокой стороне вместо 2,7к стоит 1,5к,по низкой стороне на С945 на земле 1К.
serg1968-09 писал(а):
А еще,стесняюсь спросить,при таком питании средней точки ТГР,без резистора,обмотки трансформатора не кипят?
[/quote] Это вопрос можно задать Автору Слон .но у меня пока до переделки БП стоял резистор 1,5к+диод. Но после переделки подобраны так как был на моем старом ответе по ссылке на этом посту.


Вернуться к началу
 Профиль  
 
СообщениеДобавлено: 17 июн 2021, 15:27 
Не в сети
Заслуженный участник Клуба ЗУ-ОКА275

Зарегистрирован: 14 мар 2014, 16:47
Сообщения: 596
Имя: Сергей
Юрок Ну так и нужно выкладывать ту схему,которая именно у вас собрана,а не у Слона.У самого Слона,насколько мне не изменяет память,итоговый блок питания был собран с опто развязкой


Вернуться к началу
 Профиль  
 
СообщениеДобавлено: 17 июн 2021, 16:00 
Не в сети
Уже был(а), и не раз, и не два

Зарегистрирован: 13 май 2018, 04:21
Сообщения: 51
Авто: Opel Astra
Имя: Юра
Извините,какая опторазвязка? Сам силовой Блок АТ и дежурку лепил на TNY... и так же на схеме было подключен выход БП до дроселя через диод+резистор 22 Ом и на шим.


Вернуться к началу
 Профиль  
 
СообщениеДобавлено: 17 июн 2021, 19:28 
Не в сети
Уже был(а), и не раз, и не два

Зарегистрирован: 23 авг 2020, 18:39
Сообщения: 55
Имя: Владимир
Здравствуйте, Проблема с термодатчиками DS18B20U. На первом и втором термодатчике постоянно скачет температура, с третим и четвёртым всё ок. Менял местами термодатчики, 1й и 2й с 3м и 4м,Картина та-же, значит дело не в датчиках. На разьемах термодатчиков напряжение 5.04в на всех. Пробывал менять подтягивающий резистор на 2м термодатчике на 1.5к, ничего не изменилось. Есть идеи в чём может быть причина?
Вот видео отображения температуры.


Вернуться к началу
 Профиль  
 
СообщениеДобавлено: 17 июн 2021, 20:01 
Не в сети
Site Admin
Аватара пользователя

Зарегистрирован: 10 апр 2007, 22:36
Сообщения: 11263
Откуда: Новосибирск, Дзержинский
Авто: ВАЗ-21043
Имя: Алексей
Niakrisse писал(а):
Здравствуйте, Проблема с термодатчиками DS18B20U.

Здравствуйте! Абсолютно нечего мне сказать по поводу данной проблемы. Это что-то новое. История таких прецедентов еще не имеет. Ваш - первый, а повторов устройства было достаточно, чтобы говорить о некой стабильности. Если получится понять в чем причина, пожалуйста, не посчитайте за труд написать нам.

PS. 1й и 2й датчики закреплены на радиаторах силового БП? Вы пишите, что датчики меняли, но не понятно как именно. Попробуйте не датчики поменять, а поменять входы:
Датчик №1 воткнуть в физический вход, предназначенный для датчика №3. Соответственно, датчик №3 воткнуть в физический вход для датчика №1
С датчиками №2 и №4 сделать аналогично (физически поменять местами входы).

Если глюк перейдет вместе переключенными датчиками, то дело таки в датчиках (наводки, помехи и тд). В импульсном БП их навалом.

Niakrisse писал(а):
На разьемах термодатчиков напряжение 5.04в на всех.

У датчика три провода: масса, питание и сигнал. Указанное напряжение может быть только на двух проводах, причем на сигнальном проводе оно может быть импульсным. На третьем должен быть постоянный минус. На всякий случай оговорка: минус должен браться только с платы контроллера вентиляции и никак не соединяться с общим минусом силового БП или, например, разрядника. Может это к вам не относится, но просто всякое бывает в жизни..

_________________

Поблагодарить автора:
Контакты:
Телеграмм: alexSh154
Вконтакте
Одноквассники
Instagram


Вернуться к началу
 Профиль  
 
СообщениеДобавлено: 17 июн 2021, 20:19 
Не в сети
Уже был(а), и не раз, и не два

Зарегистрирован: 23 авг 2020, 18:39
Сообщения: 55
Имя: Владимир
oka275 писал(а):
Niakrisse писал(а):
Здравствуйте, Проблема с термодатчиками DS18B20U.

PS. 1й и 2й датчики закреплены на радиаторах силового БП? Вы пишите, что датчики меняли, но не понятно как именно. Попробуйте не датчики поменять, а поменять входы:
Датчик №1 воткнуть в физический вход, предназначенный для датчика №3. Соответственно, датчик №3 воткнуть в физический вход для датчика №1
С датчиками №2 и №4 сделать аналогично (физически поменять местами входы).

Если глюк перейдет вместе переключенными датчиками, то дело таки в датчиках (наводки, помехи и тд). В импульсном БП их навалом.

Да я именно так и сделал, Физически вытащил датчики, и поменял местами, проблема осталась, поэтому и решил что датчики рабочие.


Вернуться к началу
 Профиль  
 
СообщениеДобавлено: 17 июн 2021, 20:36 
Не в сети
Заслуженный участник Клуба ЗУ-ОКА275

Зарегистрирован: 14 мар 2014, 16:47
Сообщения: 596
Имя: Сергей
Юрок По этой схеме Слон делал


Вложения:
1747219.gif
1747219.gif [ 57.26 КБ | Просмотров: 6199 ]
Вернуться к началу
 Профиль  
 
СообщениеДобавлено: 17 июн 2021, 20:36 
Не в сети
Уже был(а), и не раз, и не два

Зарегистрирован: 23 авг 2020, 18:39
Сообщения: 55
Имя: Владимир
oka275 писал(а):

Niakrisse писал(а):
На разьемах термодатчиков напряжение 5.04в на всех.

У датчика три провода: масса, питание и сигнал. Указанное напряжение может быть только на двух проводах, причем на сигнальном проводе оно может быть импульсным. На третьем должен быть постоянный минус. На всякий случай оговорка: минус должен браться только с платы контроллера вентиляции и никак не соединяться с общим минусом силового БП или, например, разрядника. Может это к вам не относится, но просто всякое бывает в жизни..

Это понятно, питание на датчики я имел ввиду что нормальное (5.04в)
По поводу минуса... Он у меня соединён с общим, но и на схеме он также соединяется...


Вложения:
Без имени.png
Без имени.png [ 331.67 КБ | Просмотров: 6196 ]
Вернуться к началу
 Профиль  
 
СообщениеДобавлено: 17 июн 2021, 23:26 
Не в сети
Заслуженный участник Клуба ЗУ-ОКА275

Зарегистрирован: 14 мар 2014, 16:47
Сообщения: 596
Имя: Сергей
Niakrisse Датчики наверное с алли брали,да и еще из категории самых дешевых?Если так,то такое бывает.


Вернуться к началу
 Профиль  
 
СообщениеДобавлено: 18 июн 2021, 00:17 
Не в сети
Уже был(а), и не раз, и не два

Зарегистрирован: 23 авг 2020, 18:39
Сообщения: 55
Имя: Владимир
serg1968-09 писал(а):
Niakrisse Датчики наверное с алли брали,да и еще из категории самых дешевых?Если так,то такое бывает.

Нет, я же писал как датчики проверял. И да, датчики с али все 5шт которые заказал были нерабочие, но их неисправность проявляется по другому, они либо вообще не работают, или показывают постоянно 85+ градусов. Сейчас стоят датчики из местного магазина по 8 уе штука.


Вернуться к началу
 Профиль  
 
СообщениеДобавлено: 18 июн 2021, 01:07 
Не в сети
Заслуженный участник Клуба ЗУ-ОКА275

Зарегистрирован: 14 мар 2014, 16:47
Сообщения: 596
Имя: Сергей
Niakrisse Да,нет,почему же,у меня лежат два датчика,которые до 67 градусов работают нормально,а выше 67 градусов начинают показывать всякую хрень,даже могут показать минусовую температуру.Вот,правда,не помню где их покупал,потому как,покупал их очень давно
Попробуйте перепршить мегу 8,фиг знает, поможет, или нет,но всяко бывает.


Вернуться к началу
 Профиль  
 
СообщениеДобавлено: 18 июн 2021, 02:49 
Не в сети
Уже был(а), и не раз, и не два

Зарегистрирован: 23 авг 2020, 18:39
Сообщения: 55
Имя: Владимир
serg1968-09 писал(а):
Niakrisse
Попробуйте перепршить мегу 8,фиг знает, поможет, или нет,но всяко бывает.

Не не помогло, пробывал прошивать и 1.0.5, и 1.0.6 версию, всё так-же.
Уже и не знаю что думать(


Вернуться к началу
 Профиль  
 
СообщениеДобавлено: 18 июн 2021, 04:54 
Не в сети
Заслуженный участник Клуба ЗУ-ОКА275

Зарегистрирован: 14 мар 2014, 16:47
Сообщения: 596
Имя: Сергей
Niakrisse Датчики у вас в корпусе µSOP-8? Первая ножка DQ. Четвертая ножка GND,Восьмая ножка +5 вольт,все так?


Вернуться к началу
 Профиль  
 
СообщениеДобавлено: 18 июн 2021, 04:58 
Не в сети
Уже был(а), и не раз, и не два

Зарегистрирован: 23 авг 2020, 18:39
Сообщения: 55
Имя: Владимир
serg1968-09 писал(а):
Niakrisse Датчики у вас в корпусе µSOP-8? Первая ножка DQ. Четвертая ножка GND,Восьмая ножка +5 вольт,все так?

Да, все верно. Говорю-же когда переставляю датчики местами, то глючные датчики начинают работать нормально, а нормальные начинают глючить... Дело не в датчиках(


Вернуться к началу
 Профиль  
 
Показать сообщения за:  Поле сортировки  
Начать новую тему Ответить на тему  [ Сообщений: 11899 ]  На страницу Пред.  1 ... 551, 552, 553, 554, 555, 556, 557 ... 595  След.

Часовой пояс: UTC + 7 часов


Кто сейчас на конференции

Сейчас этот форум просматривают: Majestic-12 [Bot] и гости: 1


Вы не можете начинать темы
Вы не можете отвечать на сообщения
Вы не можете редактировать свои сообщения
Вы не можете удалять свои сообщения
Вы не можете добавлять вложения

Найти:
Перейти:  
Powered by phpBB® Forum Software © phpBB Group
Русская поддержка phpBB