Ока в Новосибирске

Клуб Окаводов Новосибирска
Текущее время: 01 окт 2025, 09:29

Часовой пояс: UTC + 7 часов




Начать новую тему Ответить на тему  [ Сообщений: 11835 ]  На страницу Пред.  1 ... 442, 443, 444, 445, 446, 447, 448 ... 592  След.

Актуальная статистика (не забывайте изменять статус!)
Собрал и буду собирать еще (соседу, свату, брату) 23%  23%  [ 56 ]
Собрал одно ЗУ 21%  21%  [ 49 ]
Уже собираю 28%  28%  [ 67 ]
Интересуюсь, размышляю - собирать или нет. Наверное буду. 27%  27%  [ 64 ]
Не буду собирать это устройство. 1%  1%  [ 3 ]
Всего голосов : 239
Автор Сообщение
СообщениеДобавлено: 16 мар 2018, 02:21 
Не в сети
Заслуженный участник Клуба ЗУ-ОКА275

Зарегистрирован: 14 мар 2014, 16:47
Сообщения: 586
Имя: Сергей
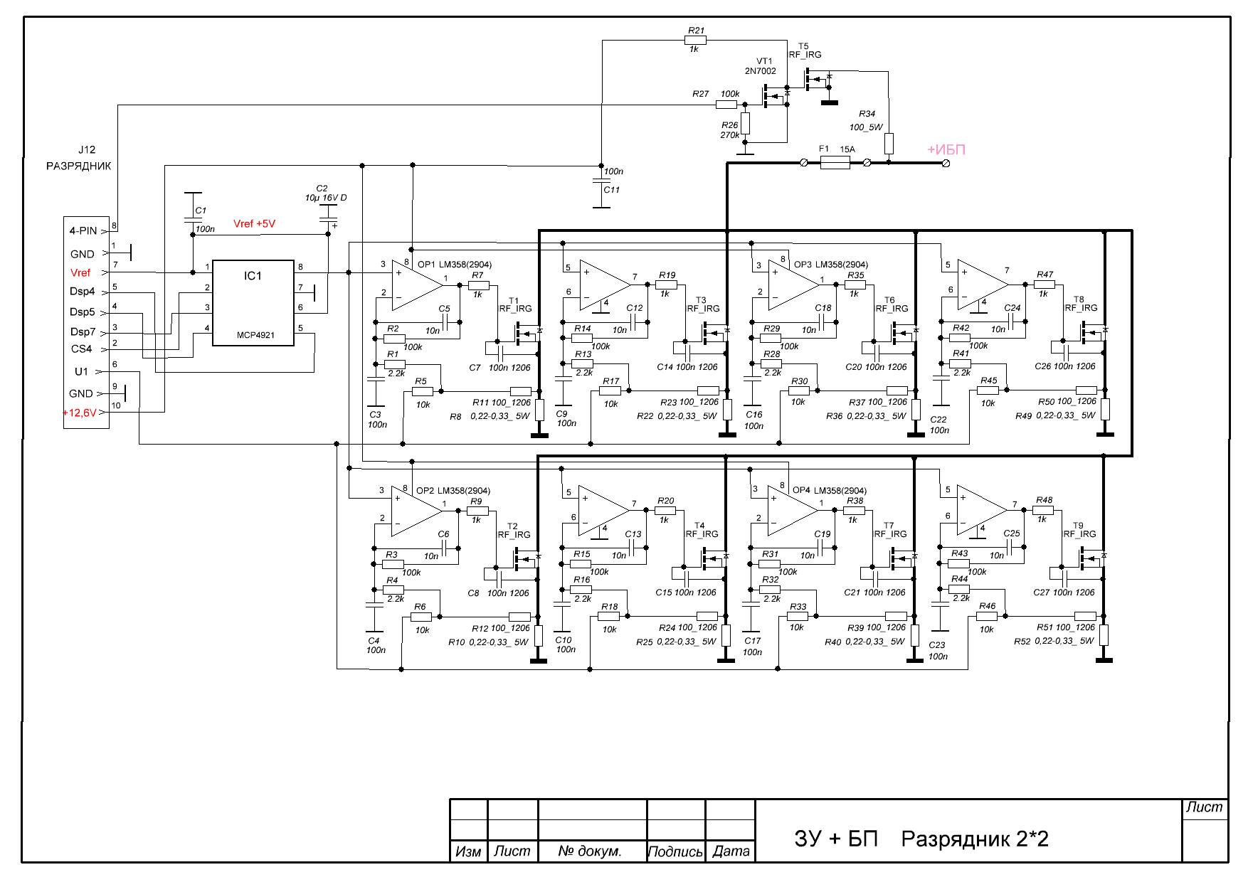
NuSen Вот сижу и держу схему разрядника в руках и ничего не вижу там криминального.Питание Vref подано только на MCP4921,то есть 2mA.Какие тут провалы? Разрядник у меня собран по схеме Вячеслава на восьми ключах.Схему прикрепляю,покажите мне что там может просадить Vref напряжение,может чего не замечаю.И не нужно подменять понятие такими словами,"Таким макаром, можно и все МК на него посадить, потом думать, почему все "пляшет".",ведь этого ни кто не предлагает.А 10-12mA ну ни как просадки не сделают


Вложения:
раз1.GIF
раз1.GIF [ 65.69 КБ | Просмотров: 9755 ]
Вернуться к началу
 Профиль  
 
СообщениеДобавлено: 16 мар 2018, 02:47 
Не в сети
Заслуженный участник Клуба ЗУ-ОКА275

Зарегистрирован: 19 июл 2017, 00:16
Сообщения: 1022
Имя: Валерий
Ну пусть будет так, но я переделаю, сделаю как положено. Жаль, что раньше не обратил на это внимание.


Вернуться к началу
 Профиль  
 
СообщениеДобавлено: 16 мар 2018, 07:36 
Не в сети
Участник Клуба ЗУ-ОКА275

Зарегистрирован: 12 янв 2017, 09:42
Сообщения: 43
Имя: Максим
Я тоже считаю что исходники нельзя давать. Прошивка выполнена отлична на 95% со всеми пожеланиями.
Алексей мы все надеемся, что вы выделите время на исходный код, чуть-чуть допилите и закроете проект. Потом создать новую тему, собрать все предложения и пожелания к новому устройству на другом контроллере и со свежими силами сделать "терминатора - хлебопечку №2"


Вернуться к началу
 Профиль  
 
СообщениеДобавлено: 16 мар 2018, 12:30 
Не в сети
Site Admin
Аватара пользователя

Зарегистрирован: 10 апр 2007, 22:36
Сообщения: 11281
Откуда: Новосибирск, Дзержинский
Авто: ВАЗ-21043
Имя: Алексей
serg1968-09 писал(а):
Разрядник у меня собран по схеме Вячеслава на восьми ключах. Схему прикрепляю

Нет делителя с выхода ЦАП на входы усилителей. Недавние размышления на эту тему показали, что применение делителя позволяет согласовать диапазон значений ЦАП с максимальным током разрядника. Другими словами, если разрядник планируется до 20А, то при этом двадцатом ампере на выходе ЦАП должно быть примерно 4.5 вольта. Уверен, что в настоящее время, при максимальном токе разрядника, на выходе ЦАП присутствует максимум 2 вольта, если не меньше. Это ухудшает точность выставления тока в два раза или более. И во столько же раз снижает эффективность применения 12-битного ЦАП.

serg1968-09 писал(а):
Питание Vref подано только на MCP4921,то есть 2mA.Какие тут провалы?

Действительно. Перед применением этой схемы подключения, все токи потребления были просчитаны. Запас солидный.

Но время идет и вот чего я думаю сейчас. Конечно на MCP4921 напряжение с ИОН нужно подавать только на 6ю ножку (VREF), но лениво было тащить в шлейфе еще один провод с +5в питанием, потому посадил питание самой MCP4921 на Vref_5v.
Что касается питание ОУ, то опять же как показали мои опыты с шунтом, ОУ стабильно держит выходное напряжение на своем выходе независимо от стабильности питания. Во всяком случае при питании от 12в, плюс-минус 1.5-2 вольта никак не сказались. С Rail-2-Rail операционниками, у которых напряжение питания не может быть выше 5в, не экспериментировал, но возможно там тоже есть некая стабилизация. Тогда я об этом не знал и запитал ОУ от опорного Vref_5v.

Вот такая история. В прочем, если написано, что ИОН выдерживает до 30мА нагрузку, а в реальности там не более 12мА (кстати, кто-то мерил и там вроде и 10мА не было) и потому вроде как никаких проблем быть не должно.

NuSen писал(а):
Ну пусть будет так, но я переделаю, сделаю как положено. Жаль, что раньше не обратил на это внимание.

Опять же - каждый может считать свой вариант правильным, хотя оба они ничему не противоречат.

_________________

Поблагодарить автора:
Контакты:
Телеграмм: alexSh154
Вконтакте
Одноквассники
Instagram


Вернуться к началу
 Профиль  
 
СообщениеДобавлено: 16 мар 2018, 13:40 
Не в сети
Заслуженный участник Клуба ЗУ-ОКА275

Зарегистрирован: 26 дек 2013, 22:29
Сообщения: 144
Откуда: Санкт-Петербург
Имя: Сергей
Здравствуйте, форумчане!
По поводу применения источника опорного напряжения REF195 в качестве стабилизатора питания ЦАПа MCP4921.
ЦАП, по сути, устройство цифровое, а значит, импульсное. Соответственно, и потребление тока от источника питания носит импульсный характер. Этот процесс создает помехи на выводе питания. Если соединить этот вывод со входом REF ЦАПа, то вся эта "борода" появится на входе REF со всеми вытекающими последствиями. А, кроме того, REF195 используется по своему прямому назначению и для других ЦАПов и для АЦП. Т. е. помехи появятся и там.
Вот поэтому применять REF195 в качестве стабилизатора питания ЦАПа (да и датчика тока ACS712) недопустимо. Работать схема, конечно, будет, но подход к такому решению некорректен и опасен. В своем варианте проекта Алексея я поступил именно так. Кроме того применил раздельные стабилизаторы для аналоговой и цифровой частей схемы.
Прошу принять мое сообщение, как информацию к выработке правильного стиля проектирования электронных схем, а не как поучение.
Всем успехов!


Вернуться к началу
 Профиль  
 
СообщениеДобавлено: 16 мар 2018, 18:05 
Не в сети
Уже тут был(а)

Зарегистрирован: 19 сен 2017, 06:32
Сообщения: 22
Авто: surf
Имя: Сергей
SergeyVB писал(а):
Здравствуйте, форумчане!
По поводу применения источника опорного напряжения REF195 в качестве стабилизатора питания ЦАПа MCP4921.
ЦАП, по сути, устройство цифровое, а значит, импульсное. Соответственно, и потребление тока от источника питания носит импульсный характер. Этот процесс создает помехи на выводе питания. Если соединить этот вывод со входом REF ЦАПа, то вся эта "борода" появится на входе REF со всеми вытекающими последствиями. А, кроме того, REF195 используется по своему прямому назначению и для других ЦАПов и для АЦП. Т. е. помехи появятся и там.
Вот поэтому применять REF195 в качестве стабилизатора питания ЦАПа (да и датчика тока ACS712) недопустимо. Работать схема, конечно, будет, но подход к такому решению некорректен и опасен. В своем варианте проекта Алексея я поступил именно так. Кроме того применил раздельные стабилизаторы для аналоговой и цифровой частей схемы.
Прошу принять мое сообщение, как информацию к выработке правильного стиля проектирования электронных схем, а не как поучение.
Всем успехов!


Я конечно не гуру, но REF там не как источник питания используется.


Вернуться к началу
 Профиль  
 
СообщениеДобавлено: 16 мар 2018, 19:14 
Не в сети
Заслуженный участник Клуба ЗУ-ОКА275

Зарегистрирован: 26 дек 2013, 22:29
Сообщения: 144
Откуда: Санкт-Петербург
Имя: Сергей
Здравствуйте, Сергей!
Цитата:
... но REF там не как источник питания используется.
Это Вы о чем? О REF195? Если о нем, то прочтите, пожалуйста, несколько предыдущих постов.
Успехов!


Вернуться к началу
 Профиль  
 
СообщениеДобавлено: 16 мар 2018, 19:23 
Не в сети
Участник Клуба ЗУ-ОКА275

Зарегистрирован: 07 окт 2014, 23:05
Сообщения: 28
Авто: Рено кангу
Имя: Андрей
Добрый день.
Вопрос, наверно, Алексею.
Ранее спрашивал, какая логика работа режима Тренировка? У меня вроде бы и запускается, но периоды разряд/ заряд по секунд 5 и все. Пишет Заряд закончен.
АКБ заряжен.
Кроме того, не вижу периода 4/4 в автоматической зарядке. Вижу 3/4 а за тем с разу - заряд завершен. Что должно происходить на этапе 4/4?
Прошивка щя стоит 1.07.007-3


Вернуться к началу
 Профиль  
 
СообщениеДобавлено: 16 мар 2018, 19:59 
Не в сети
Site Admin
Аватара пользователя

Зарегистрирован: 10 апр 2007, 22:36
Сообщения: 11281
Откуда: Новосибирск, Дзержинский
Авто: ВАЗ-21043
Имя: Алексей
PilotAn писал(а):
Ранее спрашивал, какая логика работа режима Тренировка? У меня вроде бы и запускается, но периоды разряд/ заряд по секунд 5 и все. Пишет Заряд закончен.

Здравствуйте! Логика простая, обсуждалась давно, да и в роликах-трилогии об этом есть. Но Вы видимо новичок.
В целом он повторяет режим "Автоматическая зарядка" за исключением первого этапа. Сразу после старта режима, АКБ разряжается током "Трен.Ток разряда"(0.01С) в течение "Трен.Время разр."(10 сек). По истечению этого времени ЗУ переходит в режим заряда током "Трен.Ток заряда"(0.1С) в течение "Трен.Время зар."(5сек). Эти настройки задаются в редакторе профилей для каждого профиля. Такая котовасия продолжается до тех пор, пока напряжение на АКБ не достигнет "Напряж.BULK-END", которое по умолчанию составляет 14.6 вольта. После этого заряд продолжится так же, как в режиме "Автоматическая зарядка".

PilotAn писал(а):
Кроме того, не вижу периода 4/4 в автоматической зарядке. Вижу 3/4 а за тем с разу - заряд завершен

Эта тема и правда скоро аскомину набьет :)
Не работает 4/4 этап у нас. Он реализован с ошибкой, но автор (как и форумчане) пребывает в надежде, что когда нибудь это поправится. Дело еще в том, что автор до сих пор так и не имеет точной картины того, как нужно выполнить этот режим. Как начинаем говорить о нем, то общее понимание приходит, но только общее (без деталей). Да и общественность, как мне показалось, не может достигнуть единого консенсуса: один видит так, другой иначе.

PilotAn писал(а):
но периоды разряд/ заряд по секунд 5 и все. Пишет Заряд закончен.

Может чего уже накрутили в редакторе профилей? По умолчанию 10 секунд разряд и 5 секунд заряд. Или АКБ убитый совсем (сухой), что у него нет вообще никакого внутреннего сопротивления. Напруга сразу взлетает ввысь и все этапы проматываются, как в скоростном кино. Такие АКБ надо в ручном режиме раскачивать, пока у них напряжение не упадет до приемлемых 12-13 вольт на клеммах. Да и дальнейшее использование таких АКБ сомнительно.

_________________

Поблагодарить автора:
Контакты:
Телеграмм: alexSh154
Вконтакте
Одноквассники
Instagram


Вернуться к началу
 Профиль  
 
СообщениеДобавлено: 16 мар 2018, 20:27 
Не в сети
Участник Клуба ЗУ-ОКА275

Зарегистрирован: 07 окт 2014, 23:05
Сообщения: 28
Авто: Рено кангу
Имя: Андрей
Спасибо Алексей, подробно...
Делаю профилактику своему АКБ MUTLU 720A Silver Evalution. В тесте показывает 13.71B (100%) 0,048ом
В машине (дизель) крутит как зверь, по этому говорить, что он в плохом состоянии не буду. А вот внутреннее сопротивление (0,048ом)? мож по этой причине такое поведение режима тренировки?
Вообщем, спасибо за подробную информацию... Поищю другой АКБ для проверки.


Вернуться к началу
 Профиль  
 
СообщениеДобавлено: 16 мар 2018, 20:30 
Не в сети
Site Admin
Аватара пользователя

Зарегистрирован: 10 апр 2007, 22:36
Сообщения: 11281
Откуда: Новосибирск, Дзержинский
Авто: ВАЗ-21043
Имя: Алексей
Нет, если он крутит, то в чем-то другом проблема. Я просто предположил!
попробуйте изменить соседний профиль, скажем, для 90ач аккума, в котором ничего не крутили еще.

_________________

Поблагодарить автора:
Контакты:
Телеграмм: alexSh154
Вконтакте
Одноквассники
Instagram


Вернуться к началу
 Профиль  
 
СообщениеДобавлено: 16 мар 2018, 20:37 
Не в сети
Участник Клуба ЗУ-ОКА275

Зарегистрирован: 07 окт 2014, 23:05
Сообщения: 28
Авто: Рено кангу
Имя: Андрей
Да я и в этом ни чего не крутил. Лана, попробую так как советуете сделать...


Вернуться к началу
 Профиль  
 
СообщениеДобавлено: 16 мар 2018, 20:43 
Не в сети
Новичок
Аватара пользователя

Зарегистрирован: 08 авг 2016, 18:21
Сообщения: 5
Откуда: г.Снежинск
Авто: Рено Логан
Имя: Юрий
Всем привет! Алексей есть предложение доработать этап 3 заряд до достижения установленного напряжения +2 часа (например для СА батареи выставляем 16,2 В ток 0,2С), а в этапе 4 выставляем 16 В и ток 0,01С. Тогда заряд батареи будет более полным и этап 4 будет
работать.

_________________
С уважением Юрий.


Вернуться к началу
 Профиль  
 
СообщениеДобавлено: 16 мар 2018, 22:10 
Не в сети
Участник Клуба ЗУ-ОКА275

Зарегистрирован: 07 окт 2014, 23:05
Сообщения: 28
Авто: Рено кангу
Имя: Андрей
Все, разобрался... нашел для своего АКБ рекомендации производителя и там действительно есть различие в режимах (http://ista.com.ua/faq/obshie-voprosy)... от обычных свинцовых различается верхний предел напряжения. BULT END выставил 16,4 и режим тренировка заработал...
Еще раз СПАСИБО за подробное обьяснение.


Вернуться к началу
 Профиль  
 
СообщениеДобавлено: 16 мар 2018, 23:24 
Не в сети
Уже был(а), и не раз, и не два

Зарегистрирован: 30 сен 2016, 18:08
Сообщения: 85
Имя: Денис
Не по теме наверное.
Осталась у меня плата разрядника на 10 Ампер на 4-х ключах. Решил я ее использовать для замеров емкости Li-ion АКБ.
Приехала мне с АЛИ вот такая штучка.
Изображение
На вот такой микросхеме собрана платка: INA226. http://www.ti.com/lit/ds/symlink/ina226.pdf
Показывает ток и напряжение сразу, данные выдает по шине I2C.
С платы отпаял токоизмерительный резистор, подцепил вместо него шунт 75ШИП1-10-0.5 на 10 Ампер.
Подключил к Ардуинке, накидал вот такой скетч:
Текст свернут
#include <SimpleTimer.h>
SimpleTimer timer;

#include <INA226.h>
INA226 ina;

#include <SPI.h>
#include <Wire.h>
#include <Adafruit_GFX.h>
#include <Adafruit_SSD1306.h>

#define OLED_RESET LED_BUILTIN
Adafruit_SSD1306 display(OLED_RESET);

float Vb = 0;
float Wb = 0;
float Vs = 0;
float Is = 0;

void setup(void) {
timer.setInterval(500, printDisplay);
timer.setInterval(1000, checkINA226);
display.begin(SSD1306_SWITCHCAPVCC, 0x3C);
ina.begin(0x41);
ina.configure(INA226_AVERAGES_256, INA226_BUS_CONV_TIME_1100US,
INA226_SHUNT_CONV_TIME_1100US, INA226_MODE_SHUNT_BUS_CONT);
ina.calibrate(0.0075, 10); //для шунта 75ШИП1-10-0.5 (R = 0,0075 Ом, I = 10 A)
}

void loop(void) {
timer.run();
}

void printDisplay () {
display.display();
display.clearDisplay();
display.setTextSize(1);
display.setTextColor(WHITE);
display.setCursor(0, 0);
display.print("V bus: ");
display.print(Vb, 3);
display.println(" V");
display.print("W bus: ");
display.print(Wb, 3);
display.println(" W");


display.print("V shunt: ");
display.print(Vs, 8);
display.println(" V");
display.print("I shunt: ");
display.print(Is, 3);
display.println(" A");
}

void checkINA226()
{
Vb = ina.readBusVoltage(); // напряжение на входе Vbs в вольтах
Wb = ina.readBusPower(); // мощность в ватах
Vs = ina.readShuntVoltage(); // напряжение на шунте в вольтах
Is = ina.readShuntCurrent(); // ток в амперах
}

Показания проверял мультиметром UT-71С.
По напряжению показания расходятся на 1-3 мВ, по току 3-10 мА, напряжение на шунте совпадает полностью (мультиметр отображает в режиме измерения миливольтов 2 знака после запятой).
Был удивлен точность "из коробки". Я даже шунт не калибровал, а прописал в скетче значение сопротивления шунта по закону Ома (0,0075 = 00,075 / 10).
Может кому пригодится.
Заказывал тут: https://ru.aliexpress.com/item/INA226-I ... 0.0.zwqqVs
Цена: 75 руб. без доставки.


Вернуться к началу
 Профиль  
 
СообщениеДобавлено: 16 мар 2018, 23:43 
Не в сети
Site Admin
Аватара пользователя

Зарегистрирован: 10 апр 2007, 22:36
Сообщения: 11281
Откуда: Новосибирск, Дзержинский
Авто: ВАЗ-21043
Имя: Алексей
В описании к лоту китайцы как всегда жгут: "Пожалуйста, знайте, что вы должны заменить SDA и SCL pin, потому что я подписываю неправильный Шелковый характер." Вот и пойми чего он хотел сказать. Вероятно они так же понимают наш ломаный англицкий :-D

_________________

Поблагодарить автора:
Контакты:
Телеграмм: alexSh154
Вконтакте
Одноквассники
Instagram


Вернуться к началу
 Профиль  
 
СообщениеДобавлено: 16 мар 2018, 23:49 
Не в сети
Заслуженный участник Клуба ЗУ-ОКА275

Зарегистрирован: 19 июл 2017, 00:16
Сообщения: 1022
Имя: Валерий
Я с китайцами на русском общаюсь, без "английских посредников". Отвечают они на русском как ни странно, но не всегда, 50/50.
:-D
Текст свернут
Вложение:
2018-03-16_20-53-15.jpg
2018-03-16_20-53-15.jpg [ 97.83 КБ | Просмотров: 9379 ]


Последний раз редактировалось NuSen 16 мар 2018, 23:54, всего редактировалось 2 раз(а).

Вернуться к началу
 Профиль  
 
СообщениеДобавлено: 16 мар 2018, 23:50 
Не в сети
Site Admin
Аватара пользователя

Зарегистрирован: 10 апр 2007, 22:36
Сообщения: 11281
Откуда: Новосибирск, Дзержинский
Авто: ВАЗ-21043
Имя: Алексей
PilotAn писал(а):
Все, разобрался... нашел для своего АКБ рекомендации производителя и там действительно есть различие в режимах (http://ista.com.ua/faq/obshie-voprosy)... от обычных свинцовых различается верхний предел напряжения. BULT END выставил 16,4 и режим тренировка заработал...
Еще раз СПАСИБО за подробное обьяснение.

Пожалуйста! :)
В подобных ситуациях так и хочется сказать любимое "Ну вот попробуй догадайся". Так я реагирую, когда в ответ на обращение выстраиваешь в голове целую матрицу семи вёрст до небес, а потом тебе говорят что "все окей, оказалась микросхема не той маркировки" или КЗ между ножками МК. Или микротрещина. Тут оказался аккумулятор не совсем той системы. Вот и догадайся :)

_________________

Поблагодарить автора:
Контакты:
Телеграмм: alexSh154
Вконтакте
Одноквассники
Instagram


Вернуться к началу
 Профиль  
 
СообщениеДобавлено: 17 мар 2018, 20:58 
Не в сети
Участник Клуба ЗУ-ОКА275
Аватара пользователя

Зарегистрирован: 14 мар 2014, 23:12
Сообщения: 74
Авто: ВАЗ-2107
Имя: Роман
oka275 писал(а):
pereborka писал(а):
Советую переходить на токовый шунт!

... и обязательно переходить на прошивку семейства 1.07. А конкретно на 1.07.007-3 В более старых прошивках (и с самого рождения ЗУ) присутствует ошибка, приводящая к нелинейности амперметра, особенно в областях малых токов.

Перешел успешно на шунт с ДТ. Линейность и точность амперметра в ЗУ - приятно удивило! Показания амперметра ЗУ один в один бьют с амперметром эталонного прибора(просто класс!!! *BRAVO* Браво Алексею!!! *clap* Он сделал просто чудо!!!), + отсутствие влияния магн.полей.Единственное,почему-то не могу настроить (калибровку) ограничение тока в настройках выше 9Ампер(9,6А потолок).Ранее стоял ДТ на 5А и без проблем можно было настроить до 10А и более, а с шунтом не получается больше 9А. Шунт сам на 10А,75мВ. Прошивка :1.07.007-3 Возможно причина в КУ ОУ LM358.


Вернуться к началу
 Профиль  
 
СообщениеДобавлено: 17 мар 2018, 21:04 
Не в сети
Site Admin
Аватара пользователя

Зарегистрирован: 10 апр 2007, 22:36
Сообщения: 11281
Откуда: Новосибирск, Дзержинский
Авто: ВАЗ-21043
Имя: Алексей
Питание LM358 взято от 12в или от 5в?

_________________

Поблагодарить автора:
Контакты:
Телеграмм: alexSh154
Вконтакте
Одноквассники
Instagram


Вернуться к началу
 Профиль  
 
Показать сообщения за:  Поле сортировки  
Начать новую тему Ответить на тему  [ Сообщений: 11835 ]  На страницу Пред.  1 ... 442, 443, 444, 445, 446, 447, 448 ... 592  След.

Часовой пояс: UTC + 7 часов


Кто сейчас на конференции

Сейчас этот форум просматривают: нет зарегистрированных пользователей и гости: 2


Вы не можете начинать темы
Вы не можете отвечать на сообщения
Вы не можете редактировать свои сообщения
Вы не можете удалять свои сообщения
Вы не можете добавлять вложения

Найти:
Перейти:  
cron
Powered by phpBB® Forum Software © phpBB Group
Русская поддержка phpBB